Сохранен 144
https://2ch.su/b/res/325585293.html
24 декабря 2023 г. Архивач восстановлен после серьёзной аварии. К сожалению, значительная часть сохранённых изображений и видео была потеряна. Подробности случившегося. Мы призываем всех неравнодушных помочь нам с восстановлением утраченного контента!

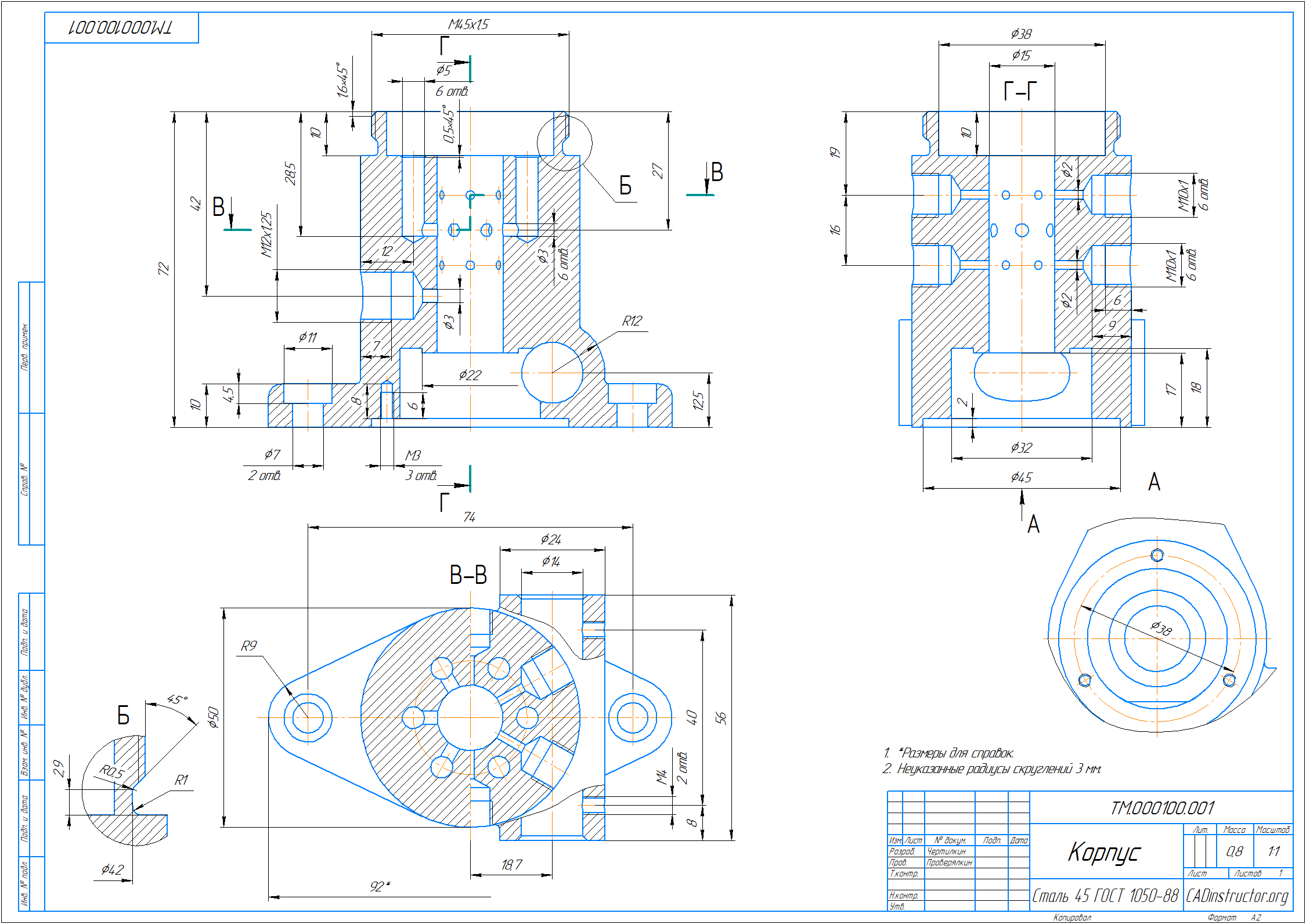
Как читать чертежи? Аноны, как научиться читать и понимать чертежи? Именно понимать по нескольким в

 Аноним 15/10/25 Срд 20:30:59 #1 №325585293 
IMG5212.png
Как читать чертежи?

Аноны, как научиться читать и понимать чертежи? Именно понимать по нескольким видам, разрезам и сечениям как должна выглядеть готовая деталь в 3D.

Взяли на завод учеником фрезеровщика, если с обозначением допусков всё нормально, то с представлением сложных деталей в уме иногда возникают проблемы. В случае с токарными чертежами такого нет, там сразу понимаю, как будет выглядеть почти любая деталь.

Можно ли этому научиться? Или надо было на токаря идти?
Аноним 15/10/25 Срд 20:34:25 #2 №325585387 
Требуется знание всех обозначений и опыт. От генетики видимо тоже зависит - кому-то легко даётся многомерное мышление, а кто-то хлебушек.
Аноним 15/10/25 Срд 20:37:04 #3 №325585469 
Оп расскажи как пройти на собеседование на станочника,че базарить?

меня не берут волки!
Аноним 15/10/25 Срд 20:38:43 #4 №325585523 
>>325585469
Ищи куда готовы брать с обучением с нуля
Аноним 15/10/25 Срд 20:41:01 #5 №325585591 
>>325585293 (OP)
Мне кажется или это мудак чертёж рисовал судя по виду сверху с разрезом В-В. Там линией волнистой обозначен вид с разрезом нижней трубы но его нет (этого раз-резреза) на видах сбоку и на на нас. Единственное по чему можно это догадался. Хотя я не конструктор и закончил вышку давно, но это неправильно, не?
Аноним 15/10/25 Срд 20:41:42 #6 №325585618 
>>325585293 (OP)
Нахуй тебе чтото представлять в уме, если оно всенна бумаге нарисовано у тебя?
Аноним 15/10/25 Срд 20:42:06 #7 №325585631 
Слышал, что из-за сложности чертежей профессия фрезеровщика считалась одной из самых сложных и престижных на заводах в СССР. Не каждому дано понимать, что там изображено. У кого не получалось, те в токарей переходили.
Аноним 15/10/25 Срд 20:44:35 #8 №325585706 
>>325585293 (OP)
ждём тебя в дарк-вебм треде
Аноним 15/10/25 Срд 20:45:45 #9 №325585734 
>>325585631
а слышал, как сосед гавно в сортире смывает ??
Аноним 15/10/25 Срд 20:52:05 #10 №325585927 
>>325585618
Тебе дают чертеж и заготовку, надо сделать деталь. Как будешь делать, если не можешь представить, как она должна выглядеть?
Аноним 15/10/25 Срд 20:54:46 #11 №325585999 
>>325585293 (OP)

>Как читать чертежи?

>взяли на завод

настолько всё хуёво с рабочей силой в стране?


что то уровня, ребят я тут водителем работаю, как скорости переключить?
Аноним 15/10/25 Срд 21:02:34 #12 №325586235 
>>325585293 (OP)
а что на этом чертеже сложного?

кроме ебли с этими 6 отв. внутри которые хуй пойми как сверлить
Аноним 15/10/25 Срд 21:07:44 #13 №325586374 
>>325585999
Умник блять, объемное мышление тебе в детском саду развили? Конструкторы не все умеют чертежи читать, а ты станочника попрекаешь, ещё и начинающего.

Оп, не слушай долбоёба. Поставь себе компас на комп, скачай какие-нибудь stp модели деталей и сам попробуй делать чертежи, проецируй и разрезай.
Разберёшься, начинай обратную задачу делать, из чертежа делаешь модель, а потом проверяешь проекции с модели и исходный чертеж.

Да, cad систему надо освоить, но это лишним не будет точно.
Аноним 15/10/25 Срд 21:12:53 #14 №325586513 
Ну и да, вот эти шалопайские чертежи учебные лучше вообще не рассматривать. Если на чертеже нет допусков, то деталь только в жопу совать.

Где найти людские гостовские не знаю, а американские читать надо учиться отдельно.
Аноним 15/10/25 Срд 21:12:56 #15 №325586514 
Отверстие с привязкой 42, с нижнего уровня, сколько их? Никакой инфы по этому поводу нет, кроме как изображение на главном виде, но по нему оно одно. Еблан чертил. Узнаю пидорашкинскую школу.
Аноним 15/10/25 Срд 21:18:38 #16 №325586680 
>>325585293 (OP)
качаешь компас3д/автокад/ другую хуйню, где можно делать 3д модель детали, а потом ее проецировать на лист чертежа. Начинаешь с простых деталей, постепенно усложняя для себя. Гайды на ютубе посмотри, можешь какой-нибудь курс лекций из вуза поискать.
Аноним 15/10/25 Срд 21:21:03 #17 №325586738 
>>325586374
>объемное мышление тебе в детском саду развили?

ну я как бы в первом классе уже любую хуйню мог нарисовать в объеме, хоть и не на чертеже
Аноним 15/10/25 Срд 21:21:20 #18 №325586747 
>>325585293 (OP)
А что за деталь изображена? Есть знающие аноны? Очень интересно :>
Аноним 15/10/25 Срд 21:24:10 #19 №325586831 
>>325586374
>Конструкторы не все умеют чертежи читать
ты ебанутый чтоли, тот кто умеет писать по умолчанию умеет читать
Аноним 15/10/25 Срд 21:25:18 #20 №325586860 
>>325585293 (OP)
Фронт,профиль
Горизонт

Читать крутя в голове детальку или рисуя если чертила на бутератах сидит, для тех кто делает детали в 2 проекциях (не цилиндрические) отдельный котел в аду.
Аноним 15/10/25 Срд 21:26:29 #21 №325586901 
>>325586514
Это увеличенный участок, 42 - диаметр, на котором расположен край детали. Там указан, что внизу радиус кривизны =1 и вверху =0.5.
Аноним 15/10/25 Срд 21:31:03 #22 №325587033 
>>325586738
А ты уверен, что конструкторы умеют и делать правильно?
Я сижу на работе и за долбоёбами с других контор исправляю, чтобы фрезеровщик не с потолка программу писал.

>>325586738
Жду от руки нарисованный икосаэдр в изометрии, с супом. До этого пошел нахуй, юное дарование, сидящее в б.
Аноним 15/10/25 Срд 21:31:32 #23 №325587057 
>>325586680
Нихуя ты предложил, я половиной функцией никогда в жизни не пользовался, сборку вообще лютый наркоман делал где нужно 7 кругов ада пройти чтобы деталь вставить и еще чудом заклепить и если повезет деталь не будет светится мерзким восклицательном знаком.
Аноним 15/10/25 Срд 21:35:59 #24 №325587167 
image.png
>>325587057
так ты блять, начни с малого, сделай простую хуйню, типо пикрил. Сделай сначала 3д модель, потом ее проецируй. Размеры проставь, потом попробуй выносить отдельные участки с разрезом. Туда-сюда и уже будешь хоть что-то понимать.
Аноним 15/10/25 Срд 21:42:05 #25 №325587349 
>>325587033
ого какой важный, исправляет за всеми долбоёбами. ну так вот такх как оп нанимают, а потом исправляют, ну возми его себе в ученики, еще и за ним будешь исправлять, от этого еще важнее будешь, лол
Аноним 15/10/25 Срд 21:42:46 #26 №325587381 
>>325586747
Там же написано, корпус это
Аноним 15/10/25 Срд 21:42:51 #27 №325587387 
>>325587167
Так я умею, у этой фигуру будет древо из трех пунктов
Эскиз 1
Элемент выдавливания
Эскиз 2
Элемент выдавливание
Эскиз 3
Элемент выдавливания
Хотя думаю 3 и объединить со вторым эскиз можно убрать ведь тут насквозь делает, а не с ограничением.
Аноним 15/10/25 Срд 21:43:52 #28 №325587419 
>>325587387
*Быстро фикс в 2-3 "Элемент вырезания"
Аноним 15/10/25 Срд 21:44:38 #29 №325587438 
>>325586374
>Конструкторы не все умеют чертежи читать
Нихуя себе, те кто не умеет читать чертеж - это максимум конструкторы лего
мимоконструктор
Аноним 15/10/25 Срд 21:46:04 #30 №325587488 
>>325585293 (OP)
Только с чертежей модели строить
Аноним 15/10/25 Срд 21:46:06 #31 №325587491 
>>325585999
Так написано же, что учеником взяли. А вообще сейчас реально нехватка рабочих, особенно в небольших городах, поэтому охотно берут учениками.
Аноним 15/10/25 Срд 21:47:09 #32 №325587520 
17127133162252.gif
>>325587381
Какой ты умный дядька
Аноним 15/10/25 Срд 21:47:13 #33 №325587523 
>>325585293 (OP)
На трудах в 6 классе научат, пердежонок.
Аноним 15/10/25 Срд 21:47:57 #34 №325587550 
>>325587523
Черчение в школах давно убрали
Аноним 15/10/25 Срд 21:47:57 #35 №325587552 
>>325587349
Я не пойму, ты дурачок? У людей с рождения дар по ЕСКД всё делать? Всему надо учиться и учить. Я тоже на на один раз стандарты перечитывал.

Проблема в том, что внутри своей конторы я могу исправлять и упреждать косяки. А внешние заказы надо изготавливать по тому, что дали. А дают говно, вот и приходится делать для своих нормально.

Оп, ищи книжку Аннотированные чертежи деталей машин, там красивые примеры реальных деталей. В сети есть, я имею копию.
Аноним 15/10/25 Срд 21:51:04 #36 №325587649 
>>325587552
им же в падлу по урокам на ютубе научиться модели строить, потому что есть простачок который за них исправит все
Аноним 15/10/25 Срд 21:51:33 #37 №325587661 
>>325586235
>хуй пойми как сверлить
Это литье под обработку из нелитьевой стали... Короче чертеж чисто чтоб дрочить студентов, там еще и размеры не все и даже рамка криво заполнена
Аноним 15/10/25 Срд 21:51:35 #38 №325587663 
>>325587550
Пыня. Итоги. Но ничего страшного, зато можно затянуться электронным хуем у старшака в туалете.
Аноним 15/10/25 Срд 21:52:51 #39 №325587702 
>>325587438
И что ты наконструировал кроме хуя у себя за щекой?
Аноним 15/10/25 Срд 21:54:12 #40 №325587750 
>>325585293 (OP)
Отверстия внутри центрального отверстия сделать невозможно. Переделывай.
Мимо технолог.
Аноним 15/10/25 Срд 21:55:38 #41 №325587794 
markup1000009361.png
>>325587438
На, попробуй прочитать это чудо, которое мне прислали.
Я уверяю, что размеров здесь достаточно для полного построения модели.
Но виды и разрезы сделаны максимально уёбищно, это надо сидеть и раздуплять.
Аноним 15/10/25 Срд 21:55:41 #42 №325587796 
>>325587702
Развальцовщик для дупла твоей мамки естессно, правда изготовить не смогли, на заготовку не хзватило материала во всей солнечной системе. Но мне за тот проект отсыпали так что и внукам на безбедную жизнь останется...
Аноним 15/10/25 Срд 21:56:05 #43 №325587817 
>>325585293 (OP)
Надо начертательную геометрию для вузов проходить, именно там и учат с нескольких видов строить 3D-модель в уме. Вот только из-за этого предмета половина вылетает из вузиков, даже если с матаном, сопроматом и т.д. все хорошо. Это не каждому дано. Либо есть, либо нет.

Все эти рабочие профессии - это инженер на минималках. Любой токарь и фрезеровщик - это тот же инженер, с мышлением и складом ума инженера, только с уклоном в практику. Не каждому дано это освоить. Сам учился на станочника, диплом получил, но работать не смог, не получается "видеть" деталь в 3D. Из группы по профессии работать пошли человек пять, остальные кто куда.
Аноним 15/10/25 Срд 21:56:07 #44 №325587819 
>>325585591
Это не вид сверху, а разрез В-В.
Аноним 15/10/25 Срд 21:57:28 #45 №325587866 
>>325585293 (OP)
Купи пластилин и лепи, хули. Через часа 2 подобной дрочки тебе станет впадлу лепить и ты начнёшь всё представлять с помощью ВоОбРаЖеНиЯ. Удачи!
Аноним 15/10/25 Срд 21:58:37 #46 №325587893 
>>325587794
Ты на приколе? Это элемнтарная деталь
>уверяю, что размеров здесь достаточно
Где база?
Аноним 15/10/25 Срд 21:59:36 #47 №325587926 
>>325587817
На западе станочниками люди с инженерной вышкой работают
Аноним 15/10/25 Срд 22:00:49 #48 №325587963 
>>325587926
А нахуя она нужна кроме начальства?
мимо обучаюсь на станочника
Аноним 15/10/25 Срд 22:01:59 #49 №325588006 
>>325587893
>для полного построения МОДЕЛИ
Слепой, блять?
Вот обезьяна с другой конторы не поставила базу, а мне до пизды, фрезеровщику больше свободы.
Аноним 15/10/25 Срд 22:02:18 #50 №325588017 
>>325587819
Я в курсе, но там не хватает обозначение еще одного разреза.
Аноним 15/10/25 Срд 22:03:46 #51 №325588061 
>>325587794
Да норм всё. Просто на ЧПУ нужно поставить, он сам всё сделает. Если Токаревой то да лучше пересчитать угловые размеры в линейные.
Аноним 15/10/25 Срд 22:05:21 #52 №325588110 
>>325588017
Это местный вырез его можно не обозначать.
Аноним 15/10/25 Срд 22:05:33 #53 №325588122 
>>325585293 (OP)
У тебя конструктора не было что ли никогда типа Лего?

Если был то вспомни - там были схемы сборки какой-нибудь машины, танка и т д, у кого что и на схемах как правило соединение разных по форме деталей (с разных ракурсов если необходимо)

Твои схемы это просто проекция на плоскость с разных ракурсов, ну возьми да и зарисуй деталь к которой относится чертеж как рисовали всякие вазы на уроке Изо в школе.

Разница только в том, что вазу тебе достаточно нарисовать с одного ракурса из за ее симметрии а деталь более сложная и ее придется с разных ракурсов рисовать.

Потом сравнивай свои рисунки с чертежами и постепенно привыкнешь замечать как элементы конструкции на плоскости выглядят если у тебя беда с пространственным мышлением.
Аноним 15/10/25 Срд 22:05:55 #54 №325588137 
>>325587794
Мимо проходящий. Как я понимаю это какая то колодка, аля для барабанного тормоза? Вот диаметр круга, где вид Ж - он где указан?
Аноним 15/10/25 Срд 22:05:58 #55 №325588139 
>>325585293 (OP)
>Как читать чертежи?
Так же как и книги. У тебя еще нету квалитетов это еще проще ну и шероховатости
Аноним 15/10/25 Срд 22:07:21 #56 №325588180 
>>325588061
Ты видишь, что здесь нет вида сзади? Его заменили штриховыми линиями и маленькой выноской.
Уклон 7° вообще от пизды, догадайся сам, радиальный он или плоский.

Без модели ты ЧПУ программу не напишешь, а модель надо воссоздавать по чертежу, потому что заказчик свин.
Аноним 15/10/25 Срд 22:09:06 #57 №325588229 
>>325588137
А не, я фигню сказазл, просто какой то сектор диска
Аноним 15/10/25 Срд 22:09:31 #58 №325588242 
>>325588137
Не знаю, куда эта деталь идёт. Точно не тормоза.
Если ты про габарит, то он на главном виде есть.
Аноним 15/10/25 Срд 22:09:37 #59 №325588248 
>>325585469
Какое собеседование? Я научу в гараже. Га еолени подсожу. За руку буду водить что делать с станком.
Аноним 15/10/25 Срд 22:09:43 #60 №325588249 
>>325587794
Ну и че тут читать? Все элементарно, самое сложное это квалитеты
Аноним 15/10/25 Срд 22:10:04 #61 №325588264 
>>325587963
Сопромат, начерталка, матан, технология машиностроения, материаловедение, техническая механика - все это нужно в работе станочника. Это инженерные дисциплины, которые изучают в вузах.
Аноним 15/10/25 Срд 22:11:25 #62 №325588301 
>>325585293 (OP)
Возьми несколько и сделай их в сапре, построй чертежи и сравни. Повторяй
Аноним 15/10/25 Срд 22:11:35 #63 №325588304 
>>325585293 (OP)
Думаешь греча с пту корочкой мыслить? Он просто выучил
Аноним 15/10/25 Срд 22:12:32 #64 №325588326 
Video by olensofficial.mp4
Смотри лучше на корейских девушек
Аноним 15/10/25 Срд 22:12:46 #65 №325588332 
>>325588304
Двачую
мимо инженер-конструктор без образования
Аноним 15/10/25 Срд 22:12:50 #66 №325588336 
IMG20251016001155.jpg
>>325586747
Похоже на деталь двигателя внутреннего сгорания, коленвал или как там ее называют, которая короче вращается приводимая в движение поршнем под действием расширения газа

Номер 12 на пикче
Аноним 15/10/25 Срд 22:13:18 #67 №325588349 
>>325588249
Если для тебя допуски это проблема, то сочувствую.
Ладно бы ещё если по GD&T тут всё стояло, но линейные и угловые даже считать не надо, они в табличке ГОСТа есть.
Аноним 15/10/25 Срд 22:13:37 #68 №325588356 
image.png
>>325587794
На разрезе Д-Д я вижу какой-то вырез. Где его размеры и форма? Остальное мне вроде понятно.
Аноним 15/10/25 Срд 22:13:39 #69 №325588360 
>>325587794
Прочитал. Вопроси?
Аноним 15/10/25 Срд 22:14:42 #70 №325588389 
images.png
>>325588356
На виде В
Аноним 15/10/25 Срд 22:15:07 #71 №325588399 
>>325588264
Начерталка и в пту была, материаловеденье в спец курсах, техническая механика там же, а вот сопромат не понимаю нахуя?, зачем станочнику ломать свои же заготовки?
Аноним 15/10/25 Срд 22:17:07 #72 №325588476 
>>325588356
Это вырез с обратной стороны возле М18, на главном виде штриховой линией видно.

Охуенно удобный чертеж для чтения?
Аноним 15/10/25 Срд 22:18:29 #73 №325588504 
>>325588349
Это самое сложное на чертеже, с чего ты решил что для меня это проблема?
Аноним 15/10/25 Срд 22:19:39 #74 №325588535 
>>325588356
>На разрезе Д-Д
СУКА ТВАРЬ ГДЕ ТАМ РАЗРЕЗ? Пидарас тупоголовы
Аноним 15/10/25 Срд 22:20:02 #75 №325588542 
ДВА БЛЯДЬ НА ПЕРЕСДАЧУ
Аноним 15/10/25 Срд 22:20:49 #76 №325588572 
>>325587033
>Жду от руки нарисованный икосаэдр в изометрии, с супом.
Бля анон, это как раз просто. Я тебе еще и циркулем и линейкой его построю на голом листе без клеточек. Он в куб охуенно вписывается с ребром 1/Ф. (это можно и доказать)
мимохуй
Аноним 15/10/25 Срд 22:21:24 #77 №325588590 
>>325588389
>>325588476
А всё, дошло. Не сразу понял по невидимым линиям. Сперва казалось, что там больше одного такого места.
>>325588535
Ну вид по стрелке, чё ты доебался. Смотрел на другой разрез и о нём подумал. Ой всё.
Аноним 15/10/25 Срд 22:21:46 #78 №325588604 
>>325588535
А зачем там разрез если профиль детали на левом виде снизу и он одинаковый везде?
Аноним 15/10/25 Срд 22:22:33 #79 №325588623 
>>325588590
>Смотрел на другой разрез и о нём подумал. Ой всё
ДЕРЖИТЕ МЕНЯ, МЕНЯ ТРЯСЕТ, БЛЯ ПИЗДЕЦ КАК ТРЯСЕТ
Аноним 15/10/25 Срд 22:22:34 #80 №325588625 
>>325588604
Он имел в виду, что я случайно вид по стрелке разрезом назвал.
Аноним 15/10/25 Срд 22:22:57 #81 №325588637 
>>325588623
Да не трясись ты.
Аноним 15/10/25 Срд 22:23:16 #82 №325588646 
>>325588399
Начерталка только в вузах есть. В ПТУ черчение или инженерная графика, где будете чертить простую хуйню типа >>325587167

В итоге когда увидишь реальный чертеж - охуеешь.

Технической механики конкретно у станочников нет, разве что у технологов. Материаловедение в сильно сжатом виде. Российские образовательные программы для станочников реально годятся лишь для подготовки слесарей МСР.
Аноним 15/10/25 Срд 22:23:41 #83 №325588659 
YarostqFrame-1066.jpg
>>325588625
Одна ошибка и ты ошибся
Аноним 15/10/25 Срд 22:23:55 #84 №325588665 
>>325585293 (OP)
Чмонька лучше скажи как докатился до заводчянина? В робе одежде среди надменных скуфов. Сажа и пыль.
Терпи.
Аноним 15/10/25 Срд 22:24:08 #85 №325588668 
>>325585293 (OP)
Для начала надо учиться читать чертежи, начиная с более простых деталей, где применение всех элементов (обычные и ступенчатые разрезы, местные вырезы, виды и прочее) демонстрируются по отдельности. Потом осознай, что как у ученика фрезеровщика у тебя подобной сложности деталей никогдадолгое время не будет. Потом, ты какой фрезеровщик, на универсальном станке или на ЧПУ? У меня на ЧПУ моделирование обработки в стойке, и я всегда имею представление о том, как деталь будет выглядеть, какая бы поебень там ни была. Но чертежи всё равно надо уметь читать, чтобы понимать, какая будет обработка, как инструмент собрать и какие размеры контролировать.
Аноним 15/10/25 Срд 22:24:28 #86 №325588681 
>>325588504
Тебе их сложно что, посчитать, выполнить или проконтролировать? Угловые координаты либо на станке контролировать, либо на ким. Линейные ни о чём.

Самое сложное в этой детали — удержать её на столе после первого установа, потому что дно почти полностью пустое, магнитом и вакуумом держать почти нечего.
Аноним 15/10/25 Срд 22:24:45 #87 №325588692 
>>325588646
>В итоге когда увидишь реальный чертеж - охуеешь.
Каждый раз оухеваю, 50% того что преподают в вузиках нахуй не нужно
Аноним 15/10/25 Срд 22:24:55 #88 №325588699 
>>325588180
Вид сзади на В показан одна проточка.
Допуска 0,02 не нужны. При азотировании они все уйдут из-за нагрева.
Аноним 15/10/25 Срд 22:25:47 #89 №325588726 
>>325588665
>как докатился до заводчянина
Видел скока щас там платят? У нас техники 160+ (это буквально додстеры после практики из уников), слесари 200+, прогеры С 450+, чпушилы вообще под полным нда
Аноним 15/10/25 Срд 22:25:56 #90 №325588728 
Самое сложное в чертежах, это не послать нахуй того, кто чертил этот чертеж
Аноним 15/10/25 Срд 22:26:19 #91 №325588740 
>>325585927
Я, кстати, именно из-за этого не смог сесть на листогибочный станок. Тупо нихуя не понимал. Ни как инструмент накинуть правильный, по каким параметрам его подбирать и как понять что нужен именно этот. ДЕталь представить и тем более не мог
Аноним 15/10/25 Срд 22:26:30 #92 №325588750 
>>325588665
Лучше курьером быть?
Аноним 15/10/25 Срд 22:27:02 #93 №325588768 
>>325588750
Да
Аноним 15/10/25 Срд 22:27:31 #94 №325588783 
>>325588646
В реальный чертеж это уже готовая сборка для сборщиков чтобы он туда деталь прикрутил, для каждого участка свои чертежи и свои детали и уже вместе выходит определенный дрыгатель. На шероховатости похуй, пусть шлифовщик этим занимаются, там бедняги расходный материал.
Аноним 15/10/25 Срд 22:29:15 #95 №325588838 
>>325588668
Ты тупой да? Я знаю простые детали. Читать умеешь?! Нашелся умник.
Аноним 15/10/25 Срд 22:29:54 #96 №325588850 
>>325588572
Вот я от руки ничего сложнее куба не нарисую, в голове цельный образ не держится. Но зато в cad я могу поэтапно любую хрень сделать. Для меня начерталка это мрак.
Зато циферки прикинуть и параметризовать всё легко.
И ничего, как-то чертежи делаю.
Аноним 15/10/25 Срд 22:30:20 #97 №325588864 
>>325588726
Видел максимуи 60К. Остальное какой то впк заводы. Где анальная кара и слежка.
Аноним 15/10/25 Срд 22:30:51 #98 №325588879 
>>325588740
С нуля вкатывался?
Аноним 15/10/25 Срд 22:31:32 #99 №325588904 
>>325588838
Так в чём проблема? Сложное - просто комбинация простого. Делай своё дело, с практикой научишься читать лучше.
Аноним 15/10/25 Срд 22:32:00 #100 №325588919 
>>325585293 (OP)
Тыжжж понимаешь что ты несешь ответственность за технику. Тебе это надо?
Аноним 15/10/25 Срд 22:32:45 #101 №325588945 
>>325588904
Пора тебе ебальцо твое тупенькое закрыть и в школу собираться на завтра на первую смену.
Аноним 15/10/25 Срд 22:32:48 #102 №325588949 
>>325588336
Это точно не коленвал. Может корпус какого-нибудь насоса. Вообще думаю, что это корпус от гидроусилителя руля
Аноним 15/10/25 Срд 22:33:44 #103 №325588979 
>>325588726
Кому ты пиздишь, мастера про 100к-150к говорят и то если жить на заводе и закрывать вкусные детали в субботу, а если тебе сто лет в обед сможешь получать дорогие детали.
Аноним 15/10/25 Срд 22:34:20 #104 №325588994 
>>325588768
Охуенно наверное весь день бегать как прислуга за копейки. На заводе хотя бы зарабатывать нормально можно.
Аноним 15/10/25 Срд 22:35:25 #105 №325589038 
17277581713110.mp4
>>325588994
>Охуенно наверное весь день бегать как прислуга за копейки. На заводе хотя бы зарабатывать нормально можно.
Аноним 15/10/25 Срд 22:36:15 #106 №325589067 
>>325588838
>Ты тупой да?
Да. Но я могу представить готовую деталь в уме, а ты нет.
Аноним 15/10/25 Срд 22:36:47 #107 №325589089 
>>325587794
Как сделать такую деталь на универсальном фрезерном станке? Дают тебе чертеж и заготовку, с чего начать? Как инструмент подбирать?
Аноним 15/10/25 Срд 22:37:13 #108 №325589104 
>>325585293 (OP)
сходитьт на обучение выше 9 класса
Аноним 15/10/25 Срд 22:37:47 #109 №325589119 
>>325588945
Ты - человек-говно. Нахуй ты тред тогда высрал?
Аноним 15/10/25 Срд 22:38:58 #110 №325589153 
image.png
>>325588879
Ну как сказать, человек знакомый привел. В самой профессии вообще ни сном - ни духом, производства никогда даже не нюхал. Месяц (или вроде 2-3) пытались научить, я что-то понимал, но самое минимальное. Даже в школе я был круглый троешник да двоешник, только русский язык неплохо знал ну и другие дисциплины некоторые натянули. Когда пришла пора выходить на одиночную смену я понял, что я нихуя не понимаю и что я не сделаю самостоятельно ни одну деталь. Сказал об этом людям, меня поставили на пикрил. Вот это чудо техники. Сам только кнопочку жми, да детали как горячие пирожки закидывай и доставай. Технолог есть который сам программы пишет и вообще ебет себе голову со всеми тонкостями. Но чертеж я читать могу, детали тоже замеряю. Зэпка 80 рублёв, бывает и больше
Аноним 15/10/25 Срд 22:39:26 #111 №325589167 
>>325589089
На универсальном не сделаешь. Здесь фрезеровка выемов по радиусу.
Аноним 15/10/25 Срд 22:40:01 #112 №325589183 
>>325585293 (OP)
а
Аноним 15/10/25 Срд 22:40:12 #113 №325589193 
>>325589089
Тебе дают тех. процесс, где пошагово написано всё что ты спросил.
Аноним 15/10/25 Срд 22:42:12 #114 №325589258 
>>325589038
Ты ему про вакансию штурмовика только не говори. Он сразу побежит пулю ловить
Аноним 15/10/25 Срд 22:42:30 #115 №325589266 
>>325587794
>попробуй прочитать это чудо, которое мне прислали
а зряплату свою ты тоже дашь пощупать и почитать? или пук?
Аноним 15/10/25 Срд 22:44:00 #116 №325589312 
17562996738132.mp4
>>325589038
Почему у него всё изорвано в клочья, а у этой тряпочка как в луней тюнс?
Аноним 15/10/25 Срд 22:44:19 #117 №325589318 
>>325588994
>На заводе хотя бы зарабатывать нормально можно.
ЗАРАБАТЫВАТЬ - это когда ты, легко и играючи, рубишь, хотя бы, 10-15к долларов в месяц. Вот это называется "ЗАРАБАТЫВАТЬ". А то, что ты точишь на заводе детальки, за подачку в 3-4-5к долларов, называется "РАБОТАТЬ". Пиздец, до чего двач отупел, я поражаюсь.
Аноним 15/10/25 Срд 22:45:29 #118 №325589352 
>>325589153
Я сам гуманитарий по складу ума, склонен у лингвистике, вышки нет. Не знаю, стоит ли вкатываться в операторы ЧПУ. Есть наладчики и программист. Станок токарный, фрезерные детали я тоже не могу представить по чертежу, токарные еще куда ни шло.

ЧПУ рассматриваю как возможность более-менее нормально зарабатывать. Завод - это единственное место, где без вышки можно иметь около 100к, а то и больше. В гуманитарной сфере хуй столько получишь.
Аноним 15/10/25 Срд 22:46:47 #119 №325589390 
>>325589193
Тех. процесс универсалам в 99% случаев никогда не дают, его попросту нет. Делают все сами на опыте. Особенно в инструментальных и ремонтных цехах.
Аноним 15/10/25 Срд 22:47:16 #120 №325589408 
изображение.png
>>325588850
Икосаэдр в куб вписывается вот так, пикрил. Вне зависимости от проекции. Он отлично ложится некоторыми своими ребрами прямо на плоскости описывающего его куба. Размер ребра = 1/Ф от ребра куба, это можно доказать, взяв координаты вершин за N (т.е. 1 0 N, 1 0 -N, 0 1 N, 0 1 -N и т.д. будет 12 вершин) и посчитав длины ребер - те ребра, которые лежат на плоскостях, и те, которые лежат "внутри" куба и соединяют вершины на разных гранях куба, очевидно должны совпадать по длине. Увидишь, что длина ребра должна быть 1/Ф, если ребро самого куба - 1.
Аноним 15/10/25 Срд 22:48:53 #121 №325589464 
>>325585293 (OP)
Проекции 3д модели на плоскость - это ебанутый пережиток прошлого. Блять, мы 3д существа. Берем 3д объект и проецируем на плоскость зачем-то. Ну реально бред. Я в инсте просто строил 3д модели этих залуп и спокойно сдавал инжграф. Потому что в пизду елозить глазами и сопоставлять все эти виды

Алсо, заводчанины не так воспринмиают чертежи, как ты думаешь. Они раскладывают детали на операции. Вот ты приносишь сложную деталь. Заводчанин видит только свои токарные размеры и как резцом будет это точить поэтапно. Так оно и читается. Мало кто в голове это собирает реально. Это уже потом после всего у тебя картинка складываться сама собой будет, когда ты этих деталей переточишь сотнями.
Аноним 15/10/25 Срд 22:49:03 #122 №325589468 
>>325588850
>>325589408
Вы станочники или инженеры?
Аноним 15/10/25 Срд 22:51:23 #123 №325589542 
>>325589167
У нас на универсалах постоянно такие детали делают. Используют всякие поворотные столы, фрезеруют двумя подачами, делают разметку.
Аноним 15/10/25 Срд 22:52:26 #124 №325589575 
>>325589352
Работать на ЧПУ может любой не конченный даун. Ты будешь учеником довольно долгое время, за которое тебя собственно всему научат. Умение представлять детали во-первых приходит с опытом, во вторых у тебя будет карта наладки, где 3D-модель готовой детали, как и её расположение в заготовке уже будут отрисованы. Это проблема вообще не стоит, в работе оператора другие проблемы и сложности, нежели "представление деталек в голове".
Аноним 15/10/25 Срд 22:52:45 #125 №325589584 
>>325589464
Деталь из оп-пика полностью на фрезерном станке делается, фрезеровщику надо представить ее в 3д и построить последовательность обработки.
Аноним 15/10/25 Срд 22:54:29 #126 №325589630 
>>325589542
Это нужны хорошие фрезеровщики, а таких дефицит. Сейчас ЧПУ много проблем с кадрами закрывает, а будет ещё хуже.
Аноним 15/10/25 Срд 22:56:56 #127 №325589696 
>>325589630
Хорошие фрезеровщики лопатки турбин и лопасти винтов самолетов фрезеруют на универсалах, а тут довольно простая деталь
Аноним 15/10/25 Срд 22:57:21 #128 №325589704 
>>325589390
На нормальном предприятии фрезеровщику-универсальщику должны давать тех. процесс на детали повышенной сложности, какую-то простую хуйню понятное дело можно делать и по опыту. А в ремонтный цех идти учеником это бред, да и берут ли туда учеников с улицы?
Аноним 15/10/25 Срд 22:57:25 #129 №325589705 
.jpg
>>325589468
Гораздо хуже, я любитель многогранников.
Аноним 15/10/25 Срд 22:59:05 #130 №325589749 
>>325589575
А если сначала предлагают на универсальных станках поработать? Сильно ли сложнее, чем ЧПУ? В целом, что проще - токарное или фрезерное дело? Токари говорят, что токарное, фрезеровщики что фрезерное.
Аноним 15/10/25 Срд 23:00:29 #131 №325589784 
>>325589704
Берут, особенно на большие заводы. Универсалы только в таких цехах и остались. Где серийное производство там везде ЧПУ уже.
Аноним 15/10/25 Срд 23:04:17 #132 №325589898 
>>325589038
Где отечественное видево с мужиком и валом?
Аноним 15/10/25 Срд 23:08:46 #133 №325590013 
>>325589749
Тебе нахуй не надо сначала поработать на универсальном станке, анон. Зато предприятию надо оставить тебя каким-нибудь токарем-универсальщиком, чтобы ты отрезал трубки за 3 копейки в умирающем цеху. Если у тебя будет какая-то учебная программа, где нужно поработать на универсальном станке, поработай, получи базовые знания о режимах резания, материаловедении, инструментах и прочем, а потом забудь про него. Токарное ЧПУ теоретически легче, потому что детали - тела вращения, но я сам фрезеровщик, и меня токаря захуесосят за то, что я это написал.
Аноним 15/10/25 Срд 23:39:42 #134 №325590830 
А никак, мне кажется. Нужно пространственное мышление, оно не у всех есть (как музыкальный слух, например). Я вот не отличу там ноты всякие, но твою детальку спокойно представила в 3д.
Мне кажется, что приспособиться к пониманию можно, как-то аналитически строить модель в голове, хотя скорее всего это очень сложно. Нужно тебе, наверное, какой-то своей метод вывести, который тебе будет понятен. Или просто на насмотренности вывозить.

мимоинженер
Аноним 15/10/25 Срд 23:50:26 #135 №325591124 
>>325589705
Это вращается?
Аноним 15/10/25 Срд 23:51:00 #136 №325591135 
>>325591124
Нет, но в жепу засунуть можно
Аноним 15/10/25 Срд 23:55:46 #137 №325591262 
>>325588110
Вот поэтому я ненавидел этот предмет, все эти ньансы и другое говно без точных правил. Можно или нельзя, пошли вы нахуй.
Аноним 15/10/25 Срд 23:57:36 #138 №325591310 
MF8-Icosahedron-Half-09.jpg
>>325591124
Вращается.
Аноним 15/10/25 Срд 23:59:33 #139 №325591376 
>>325585293 (OP)
Лучше бы контракт подписал и на СВО поехал.
Аноним 15/10/25 Срд 23:59:36 #140 №325591377 
>>325591310
ПА-6?
Аноним 16/10/25 Чтв 00:05:18 #141 №325591539 
.jpg
>>325591377
Абс-пластик какой-то категории, у MF8 (этого производителя) достаточно твердый по сравнению с некоторыми другими, но не слишком. Литые детали из мастер-форм. На этой пикче первая партия из неокрашенного пластика (без красителя, не белый, а вот такой, самую тютельку мутно-прозрачный), у меня обычный из черного.
Аноним 16/10/25 Чтв 00:06:22 #142 №325591566 
>>325591135
10 см внутренний диаметр (диаметр вписанной сферы, т.е. от грани до противоположной грани). Ты охуеешь.
Аноним 16/10/25 Чтв 00:12:34 #143 №325591725 
176056270087948263.jpg
>>325585293 (OP)
Не учился, но на черчении легко освоил, до этого делал карты для дюк еукема, потом для халф-лайф.
Нужно пространственное мышление.
Сейчас до прикола делаю 3D модельки, всякой всячины и печатаю на 3d принтере.
Почему-то сейчас не в моде 3d программы как тот же VHE, намного удобнее делать модель когда видишь несколько проекций, чем крутить постоянно модель.
Аноним 16/10/25 Чтв 00:29:14 #144 №325592129 
схема как выглядела.webm
>>325585293 (OP)
comments powered by Disqus