К сожалению, значительная часть сохранённых до 2024 г. изображений и видео была потеряна (подробности случившегося). Мы призываем всех неравнодушных помочь нам с восстановлением утраченного контента!

Сварной тред стартует здесь.

 Аноним 05/03/25 Срд 16:00:38 #1 №355375 
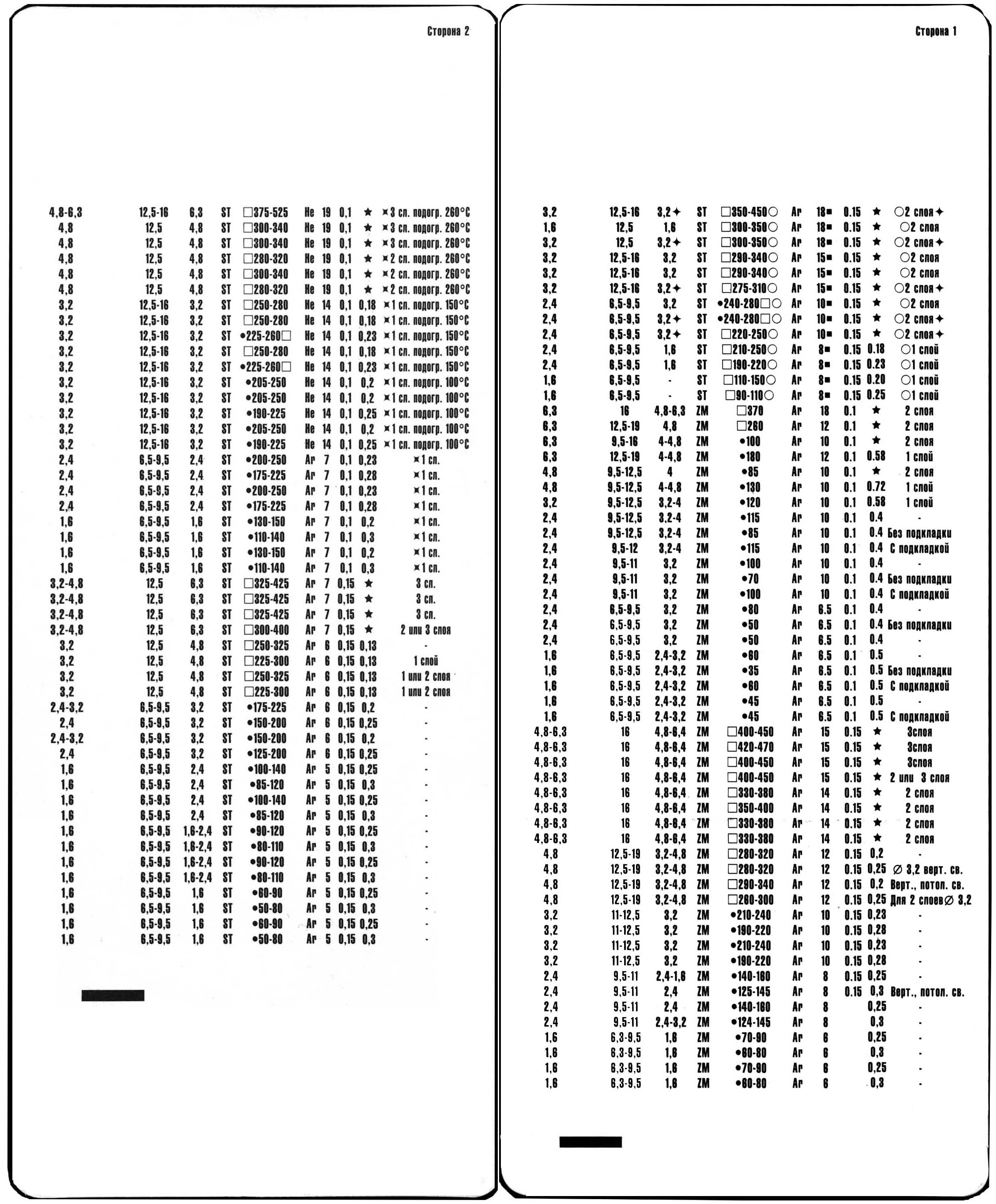
image.png
image.png
Сварной тред стартует здесь.
Аноним 05/03/25 Срд 16:01:58 #2 №355376 
создал
@
не заготовил
Аноним 05/03/25 Срд 16:02:48 #3 №355377 
image.png
image.png
И сразу вопрос - в чем смысол самодельных держаков? Ведь нормальный держак можно купить за 300 рублей и его хватит надолго.
Аноним 05/03/25 Срд 18:16:26 #4 №355397 
>>355377
В соловецком союзе нельзя было купить держак за 300 рублей, поэтому делали из говна и арматурин.
Аноним 05/03/25 Срд 19:16:05 #5 №355404 
>>355377
Не оказалось под рукой, сломался, проебался, до магазина дольше идти, чем сделать пикрил.
Аноним 05/03/25 Срд 21:17:19 #6 №355422 
>>355404
Так некоторые годами варят этой хуйней. И говорят, что это лучше любого держака
Аноним 05/03/25 Срд 21:23:37 #7 №355423 
>>355422
Так им и задавай, если ты таких знаешь. Я не знаю и варю заводским. Ты бы еще в спортлотто написал.
Аноним 08/03/25 Суб 09:43:12 #8 №355702 
Как варить потолок ? У меня не получается, металл стекает каплями вниз. Кроме того расстояние между полом и потолком 20см, я туда едва могу ебало всунуть лёжа на спине. Электрод под большим углом иначе не всунуться
Аноним 10/03/25 Пнд 20:52:42 #9 №356065 
>>356053 →
> Интересует сварка полуавтоматом без газа там какой-то проволокой с напылением. Какие параметры аппарата мне нужны будут, если план пару секций для забора сварить, например. Алсо, посоветуйте сварочную маску.
В тред сварки иди >>355375 (OP)
Аноним 11/03/25 Втр 01:23:05 #10 №356079 
>>355702
Пол и потолок - это вопрос перспективы. Просто закрой глаза, а когда откроешь, то перед лицом будет пол.
Аноним 11/03/25 Втр 11:40:26 #11 №356098 
>>355377
Культ Зевса/Посейдона, очевидно.

>>355404
Как ты сваришь держак без держака?
Аноним 11/03/25 Втр 11:49:42 #12 №356099 
>>355702
Ток меньше, дугу короче, периодически замыкай на край ванны, чтобы остывало чуток.
Сильно острый угол это плохо.
Переверни деталь, или вари снаружи, если места мало.
Аноним 12/03/25 Срд 15:51:28 #13 №356252 
>>356099
Деталь - труба, которая забетонирована в стены. Никуда её передвинуть невозможно, высота от пола 20 см. Как её заварить снизу?
Аноним 12/03/25 Срд 16:09:57 #14 №356256 
>>356252
Тебе уже написали - ток меньше, дугу короче, электрод берёшь короткий, зигибаешь, он легко гнётся, можешь отрезать его болгарином вообще, если короткого нет. Можешь зеркало себе положить. Если прям вообще не уверен в себе - найди сварщика на авито.
Аноним 12/03/25 Срд 16:51:14 #15 №356260 
image.png
>>356256
>он легко гнётся
Ага, щас. У УОНИ обмазка отлетает от малейших изгибов. А уж если болгаркой ебануть, то обмазка сразу слетит с половины электрода.
Аноним 12/03/25 Срд 18:10:38 #16 №356270 
>>356260
Нахуя варить УОНИ?
Аноним 12/03/25 Срд 20:12:20 #17 №356310 
https://www.youtube.com/shorts/yb4VFHGQyQk
Аноним 13/03/25 Чтв 00:04:48 #18 №356337 
>>356252
Свари с операцией, отпили кусок сверху, завари половину изнутри, потом отпиленный кусок привари снаружи.
Аноним 13/03/25 Чтв 10:41:02 #19 №356348 
>>356270
Хорошие швы получаются. Металл гораздо лучше и равномернее, чем говнорутил
Аноним 13/03/25 Чтв 23:43:20 #20 №356413 
>>356348
Принимай галик и на рутиле норм будет.
Аноним 14/03/25 Птн 10:17:51 #21 №356433 
>>356252
>высота от пола 20 см. Как её заварить снизу?
Ты чо, еблан? Я еще понимаю если бы от пола было 3 см. Загни электрод да и вари. Не хватит одного, согни еще десяток.
Аноним 14/03/25 Птн 10:42:52 #22 №356436 
>>356413
Хуйня, на рутиле меньше прочность металла, выше вероятность микротрещин, больше пористость швов.
>>356433
А как мне шею загнуть чтобы блять засунуть туда башку с маской?
Аноним 14/03/25 Птн 11:22:13 #23 №356441 
>>356436
Я тебе говорю - прими галоперидол и прочность швов стань нормальной, со стократным запасом!
sage[mailto:sage] Аноним 14/03/25 Птн 13:23:32 #24 №356446 
>>356436
>с маской?
Возьми маску маленькую/возьми одно стекло/поставь зеркало чтобы было видно шов. Да, блядь, 20 см это очень нормальное расстояние для сварки. Ты там не 1020х25 трубу варишь, что тебе в четыре прохода надо хуярить?
Аноним 14/03/25 Птн 13:47:29 #25 №356450 
можно ли варить забор в дождь? или токнет ёбом?
Аноним 14/03/25 Птн 15:46:37 #26 №356455 
145.png
>>356450
Аноним 14/03/25 Птн 20:23:42 #27 №356462 
>>356450
Сварочник на сухую фанерку поставь, чем-нибудь накрой, к сети подключай через УЗО. Электроды держи в пачке, доставай только по одному.
Аноним 15/03/25 Суб 14:47:36 #28 №356494 
>>356450
>>356455
>>356462
Видимо, убило.
Помянем.
Аноним 16/03/25 Вск 14:01:13 #29 №356549 
>>356441
Но он прав.
Уони - это база. Все тру пацаны ими варят.
Аноним 16/03/25 Вск 17:20:24 #30 №356552 
>>356549
Эти все пацаны с тобой в комнате сейчас?
Аноним 16/03/25 Вск 18:14:06 #31 №356553 
8f1cca28b18acb540fb6c97a4cd5028c.jpg
>>356549
УОНИ варят три с половиной профессионала экстра класса морские корабли. Ты ими чо собрался варить? Забор?
Аноним 16/03/25 Вск 21:02:24 #32 №356561 
>>356553
>морские корабли
Ващет теплосети и прочие трубопроводы нельзя варить мп3, только уони\LB\ОК53.70
Аноним 16/03/25 Вск 21:47:28 #33 №356567 
Ссука, купил профтрубы 60х60х2мм, померял толщину стенки, а там 1.7мм. Пытаюсь варить, ток минимум, так либо не провар, либо прожигает дырку. Как нахуй это варить. Точками слишком долго.
Аноним 16/03/25 Вск 22:18:03 #34 №356573 
>>356561
Ващет смотрят по требованиям к шву.
И я точно раньше много раз видел, как рутилом на переменке теплосети варили.
Аноним 16/03/25 Вск 23:30:13 #35 №356582 
>>356553
Ты чёт попутал. Все сварщики рано или поздно переходят на уони. Рутил чисто потренироваться, набить руку, либо для сварки не ответственных конструкций.
Аноним 18/03/25 Втр 12:15:41 #36 №356740 
>>355375 (OP)
Сап двач, делаю откатные ворота, возникло пару вопросов.
1) как сварить ровно, если у меня на участке нет ни 1 ровной поверхности, к которой можно было бы приложить заготовки?
2) масса каркаса ворот где-то 200+ кг, как их перемещать по участку и как установить на каретку, вообще не понятно.
Аноним 18/03/25 Втр 13:29:53 #37 №356747 
>>356740
Делай из говна и палок опоры и выравнивай по уровню.
Чтобы таскать, бери друзей в помощь.
Нахуя тебе такие тяжёлые ворота? Они тебе землю продавят и стойку отломят. Подумай об облегчении конструкции.
Аноним 18/03/25 Втр 14:14:42 #38 №356748 
трубы.PNG
>>356573
>много раз видел, как рутилом на переменке теплосети варили
Вот поэтому происходит пикрил. Только основные! Рутил запрещен!
Аноним 18/03/25 Втр 14:52:19 #39 №356750 
>>356747
> Делай из говна и палок опоры и выравнивай по уровню.
Дак трубы будут провисать между опорами
> Чтобы таскать, бери друзей в помощь.
> Нахуя тебе такие тяжёлые ворота? Они тебе землю продавят и стойку отломят. Подумай об облегчении конструкции.
Проебался, 200 это вес с профлистом и тд. Так кило 100-120 наверное
Аноним 18/03/25 Втр 15:12:10 #40 №356751 
>>356750
Ну так делай много подпорок, чтобы меньше провисали.

>>356748
Я думаю, тут больше срок службы роляет. Если пиздить все деньги и не ремонтировать по 50 лет, то уонии не спасут.
Аноним 18/03/25 Втр 15:29:07 #41 №356752 
>>356751
> Ну так делай много подпорок, чтобы меньше провисали.
А из чего их делать то? Чтобы все ровно подогнать, нужны какие-то винты или что-то в этом роде? Непонятно
Аноним 18/03/25 Втр 16:56:32 #42 №356760 
>>356752
Кирпичи, сухой кизяк, вёдра, поленья, клинышки. Ты пиздец, трубу ровно положить не в состоянии, а уже ворота собрался варить. А если я тебе скажу, что швы уводят детали и довольно сильно, что ты будешь делать?
Аноним 18/03/25 Втр 18:18:50 #43 №356763 
>>356760
Так не трубу, а всю конструкцию надо ровно положить. Хуй ты кирпичами сделаешь идеальную плоскость
Аноним 18/03/25 Втр 19:49:34 #44 №356774 
>>356763
Было бы желание. Тебе не обязательно сразу всю воротину в плоскость выводить, свари один угол сначала.
Аноним 18/03/25 Втр 22:34:03 #45 №356786 
>>356774
Короче я выставил более-менее на 6 кирпичах, сварил на прихватках. Длина нижней балки 7.8м, верхней 5.1м, между ними 3 по 1.8м, расхождение между верхом и низом получилось 1мм по лазерному дальномеру. Теперь надо как-то измерить диагонали чтобы правильно отрезать Украины, но проблема в том что дальномером точно в угол нереально попасть. И рулетку к углу не приложить.
Аноним 18/03/25 Втр 22:34:42 #46 №356787 
>>356786
> Украины
Тьфу блять, укосины
Аноним 18/03/25 Втр 23:38:56 #47 №356788 
>>356786
Нарисуй, как это выглядит, воротина в виде прямоугольной трапеции, чи шо?
Обычно делают ворота с полноценной диагональю, работающей на растяжение и косынки в углах.
Прилепи в углах белые бумажки на жвачку и измеряй, сколько угодно.
Аноним 19/03/25 Срд 03:40:58 #48 №356794 
>>356786
>отрезать Украины
Херсон чей, пидорашка? Дохуя там наотрезали?
Аноним 19/03/25 Срд 10:56:12 #49 №356808 
image.png
image.png
>>356788
Вот же.
Накидал эскиз диагоналей чтобы точно отрезать под правильными углами.
Аноним 19/03/25 Срд 10:58:04 #50 №356809 
>>356808
Олсо мне несколько непонятно, как вкрутить 2 сваи в упор к забору и не ушатать сам забор.
Аноним 19/03/25 Срд 12:44:09 #51 №356822 
>>356794
Свинья моментально стригеррилась об руину, лоооол
Аноним 19/03/25 Срд 14:21:14 #52 №356827 
>>356822
>>356794
Проиграл с вас.
Аноним 19/03/25 Срд 18:41:29 #53 №356860 
>>356822
Так не визжи, пятак. Желуди будешь?
Аноним 31/03/25 Пнд 10:09:27 #54 №358292 
>>356860
Буду твою мамку.
Аноним 31/03/25 Пнд 12:13:58 #55 №358335 
>>358292
Если твою мамашу по кругу в свинарнике пускают, думаешь у всех так?
Аноним 31/03/25 Пнд 13:30:28 #56 №358346 
изображение.png
Посоветуйте плз электроды, чтобы поучиться варить. Взял себе в прошлом году инвертор для мелких работ по участку, но руки нихуя не дошли. А в этом году надо подлатать навес для авто и сделать хозблок.
Аноним 31/03/25 Пнд 13:52:59 #57 №358348 
>>358346
Бери сразу 5 кг АНО 21 Спецэлектрод или Esab. Спецэлектрод более вонючие, но мало шлака, хорошо видно ванну, легко поджигаются. Есаб менее вонючие, но шлака больше и поджигаются хуже.

И 1-2 кг МР-3 любые. Они хорошо варят загаженную поврехность, ржвачину, краску, где невозможно очистить, их очень легко поджигать, но так же много шлака и плохо видно ванну. В общем, использовать для сложных мест, для всего остального АНО 21.
Аноним 31/03/25 Пнд 13:56:06 #58 №358349 
>>358346
Не слушай этого >>358348
Бери УОНИ-13/55, варят всё охуенно
Аноним 31/03/25 Пнд 14:07:30 #59 №358351 
17399055134750.png
>>358349
>Не слушай этого
Аноним 31/03/25 Пнд 14:19:28 #60 №358353 
>>358348
>>358349
Спасибо анонасы, возьму и тех и тех по килограмму для начала.
Аноним 31/03/25 Пнд 14:33:59 #61 №358356 
>>358353
Варить УОНИ у тебя не получится, это местный шизик-тролль специально советует абсурдные вещи, чтобы разводить срачи. Кто-нибудь задаст вопрос из разряда:
- чем пить воду?
- кружкой конечно же!
- нет, воду пить нужно дырявым ситом!

УОНИ с основным покрытием, варить таким покрытием с отрывом невозможно, варить ими новичку невозможно, это узкоспециализированные электроды для сварки ответственных конструкций профессионалами, которые наварили миллионы километров электродов. Все используют для сварки электроды с рутиловым покрытием, открой любое видео на ютубе от профессиональных сварщиков, и все скажут, что варить нужно рутилом - АНО, ОК, МР.

https://youtu.be/nGpjN-rRg8M?si=l18C6GDCLbDgPPZ0
Аноним 31/03/25 Пнд 15:27:03 #62 №358363 
>>358356
Я по их описанию в магазине понял, что он мне напиздел, спасиб.

>>358349
А ты петух дырявый, желаю тебе стать нормальным человеком, а не обиженной омежкой с харкача.
Аноним 31/03/25 Пнд 15:50:29 #63 №358365 
>>358363
Вари профлистом, как все.
Аноним 31/03/25 Пнд 17:46:03 #64 №358380 
>>358346
Есаб ок 46 бери.
>>358356
>все скажут, что варить нужно рутилом - АНО, ОК, МР
>ОК
Если ты про есаб, там после ОК цифры идут, и могут быть такие, что будут с основным покрытием.
Аноним 01/04/25 Втр 09:12:47 #65 №358425 
А чем вас не устраивает основное покрытие? Если не умеете варить - то надо учиться, а не засирать нормальные электроды.
Аноним 01/04/25 Втр 09:14:48 #66 №358426 
>>358356
>открой любое видео на ютубе от профессиональных сварщиков
"профессиональные сварщики" - это пакистанцы и индусы, которые из уличной грязи и своего кала делают экскаваторы и судовые дизели с помощью электродов и болгарки?
Аноним 01/04/25 Втр 09:30:30 #67 №358427 
>>358425
сними на видео, как варишь уони, диванный шизик
Аноним 01/04/25 Втр 10:55:39 #68 №358443 
Имагине ебало долбоеба, который вниманиеблядсвует и шизит от недостатка общения в сварочном треде на дохлой доске на полудохлом харкаче?
Аноним 01/04/25 Втр 11:21:23 #69 №358446 
>>358443
В ДС-треде вообще каждый второй - буйный дебил.
Аноним 01/04/25 Втр 20:44:45 #70 №358577 
https://www.youtube.com/watch?v=wSUxK8q4D0Q
Аноним 03/04/25 Чтв 11:21:40 #71 №358729 
>>358427
На ютуб пиздуй, там варят уони.
Аноним 03/04/25 Чтв 11:52:20 #72 №358732 
>>358729
>пук слив
Зачтено.
Аноним 07/04/25 Пнд 14:02:32 #73 №359246 
всегда варил только электродами, про полуавтомат ничего не знаю. стоит переходить или у электродов всё же есть какие-то плюсы?
Аноним 07/04/25 Пнд 14:20:22 #74 №359249 
>>359246
Смотря что варить, если для профессиональных целей для изготовления металоконструкций в закрытом помещении на стационарном рабочем месте, то конечно лучше взять полуавтомат, сэкономит время, нервы и здоровье.

Если для дачных/домашних целей - сварить забор и калитку, то не нужен.

Для полуавтомата нужен газ. Для газа нужен баллон, сертифицированный баллон стоит дохуя. Нормальные конторы не заправляют не сертифицированные баллоны или баллоны хуёвых фирм. Хуёвый баллон = взрыв и отрыв ебла. Баллон постоянно нужно заправлять, большой баллон хватает на долго, но большой баллон нужно постоянно с собой носить или катать или переставлять, что тяжело. Маленький баллон тоже нужно постоянно носить, катать и переставлять, но полегче, но и кончается он быстрее.

Электрод - это свобода, не нужно думать про баллон, маленький инвертор и длинные провода = свобода.
Аноним 07/04/25 Пнд 14:41:25 #75 №359251 
>>359249
Проволокой в панировке варнится совершенно нормально и не надо таскать никаких баллонов. Для забора на даче самое норм.
Аноним 07/04/25 Пнд 15:59:46 #76 №359255 
>>359251
>Проволокой в панировке
слышал не очень хорошие отзывы про такую
Аноним 07/04/25 Пнд 18:08:58 #77 №359258 
>>359251
От неё чада и искр в три раза больше, чем от электрода, весь смысл теряется. Смысл полуавтомата в сварке в газовой среде. Без искр, без шлака, и всё всё видно.
Аноним 07/04/25 Пнд 22:16:15 #78 №359307 
>>359258
Весь смысл, что ты кнопку нажал, а там все само сварилось. Настолько все легко и удобно, что немногочисленные искры - это просто ерунда, и ты преувеличиваешь.
>>359255
Отзывы дело такое, надо хорошо посмотреть. Может реальные отзывы, а может дауны не разобрались или газонюхи элиту из себя корчат. Иногда читаешь, ну просто пиздец - человек пишет, что ничего не работает, ставит 1 звезду, а по факту он просто не разобрался, что на рукоятке нужно кнопку нажимать.
Аноним 07/04/25 Пнд 22:41:46 #79 №359313 
>>359307
>газонюхи
Причина агрессии? Очевидно, что лучше подышать углекислотой, от которой тебе ничего не будет, чем шлаком, от которого заработаешь рачёк.
Аноним 07/04/25 Пнд 23:20:27 #80 №359319 
>>359249
Ну ты с баллонами преувеличиваешь. Если брать именно СО2, а не смесь, то можно и десятилитровых парочку для начала купить. Они дешёвые бэу и в одно лицо носить легко. И требования к ним ниже, потому что давление низкое относительно.
Аноним 08/04/25 Втр 00:12:45 #81 №359327 
>>359307
> Весь смысл, что ты кнопку нажал, а там все само сварилось и прогорело насквозь
Аноним 09/04/25 Срд 10:40:37 #82 №359425 
>>359319
>И требования к ним ниже, потому что давление низкое относительно.
А разве кислота и смесь не с одинаковым давлением? ВРоде баллоны что на то, что на другое, это бывшие кислородные, которые стали слегка хуевыми.
мимонаблюдаю
Аноним 11/04/25 Птн 14:24:03 #83 №359617 
>>359425
Чистая углекислота жидкая в баллоне и давление там 70 очков. А смесь газообразная и давление 150.
Аноним 11/04/25 Птн 18:31:23 #84 №359647 
>>359617
А, ну ок, просто не вдавался. Выходит кислота сжиженный газ, а смесь сжатый.
Аноним 11/04/25 Птн 19:36:22 #85 №359652 
>>359647
Да ето так.
Аноним 12/04/25 Суб 05:23:08 #86 №359675 
>>359617
Если она сжижается при меньшем давлении, почему она не делает этого при большем?
Аноним 12/04/25 Суб 17:43:36 #87 №359724 
>>359675
Она и так жидкая стала, смысл еще давить? Воду попробуй нагреть до 200 градусов, та же хуйня.
Аноним 14/04/25 Пнд 11:11:32 #88 №359932 
пацаны, переходите на УОНИ, будете как боги варить базарю
Аноним 17/04/25 Чтв 11:26:54 #89 №360242 
1000130208.jpg
1000130207.jpg
Аноны, сварил себе подстолье для камелюхтера и назрел следующий вопрос. Можете на опыте посоветовать профтрубу для кровати двухместной под мою тушу 130кг? Ну так чисто по ощущениям условно 60х40х2 прокатит? Подстолье из 1мм толщиной профтрубы я заебался выдрачивать точками. Жду советов мудрых.
красивые пикчи авансом
Аноним 18/04/25 Птн 07:26:43 #90 №360340 
Мне надо заделать одну маленькую дырочку но не покупать же ради этого сварочный апарат, чо делать?
Аноним 18/04/25 Птн 10:33:27 #91 №360345 
>>360340
Холодная сварка
Аноним 18/04/25 Птн 20:21:32 #92 №360371 
>>360340
Нарезать резьбу вторым номером и насилу вкрутить болт, сточить потом
sage[mailto:sage] Аноним 20/04/25 Вск 15:16:39 #93 №360476 
>>360242
Ясно, сам разберусь, идите нахуй.
Аноним 24/04/25 Чтв 23:12:11 #94 №360814 
Б А З А
А
З
А



https://www.youtube.com/watch?v=DIf_l8l5BkY

Не проебите базу. При перекате добавьте в шапку.
Аноним 25/04/25 Птн 08:01:49 #95 №360823 
>>360814
Эх, щас бы смотреть протухший шакальный столетний видос на английском.
Когда есть куча качественных видосов на русском.
sage[mailto:sage] Аноним 25/04/25 Птн 13:02:17 #96 №360862 
>>360823
>на русском
Не нужен
Аноним 25/04/25 Птн 20:48:13 #97 №360896 
>>360823
> протухший столетний
Так-то в ММА годов с 80-х ничего особо не изменилось.

> шакальный
А тебе 4К ВиАр подавай?


Давай запили видос на русском, чтобы от и до, с нормальным изложением материала и сьемками процесса, а не Уасилий в гараже с Ресантой варит ржавульки. Все скажут спасибо.
Аноним 27/04/25 Вск 23:07:40 #98 №361023 
1745784234080.jpg
Вчера попробовал на даче варить. Батя попросил сделать стойки для малины и дал трубы 50 на 20 или 60 на 30 и толщиной то ли полтора, то ли 2мм.
Три раза попробовал, получились какие-то плевки, покрутил ручки и на 5 раз вышел вполне неплохой шов. Варил проволокой без газа. Ну брызг действительно многовато, но зато это омега просто- вытащил аппарат, включил и варишь, а потом так же легко убрал. Офигенно понравилось, надо было сварщиком становиться, это просто охуенно сваривать две металлические фигни друг с другом.
Аноним 27/04/25 Вск 23:38:27 #99 №361024 
А еще конечно маска хамелеон - это просто космос. Супер удобная вещь.
Аноним 28/04/25 Пнд 00:53:10 #100 №361027 
Я правильно понимаю, что дешевые хамелеоны - это кал дерьма и со СТАРЫМ СОВЕТСКИМ стеклом глаза здоровее будут?
Аноним 28/04/25 Пнд 07:25:56 #101 №361032 
нужна ли печка для электродов если варю только для себя всякий хозбыт?
Аноним 28/04/25 Пнд 19:01:56 #102 №361104 
>>361032
В духовке можешь прокалить, а пенал сделать из 100 канализационной трубы, например.
Аноним 29/04/25 Втр 06:55:55 #103 №361143 
>>361104
а этот процесс вообще нужен?
Аноним 29/04/25 Втр 21:48:24 #104 №361313 
>>361143
Если отсырели и брызгаются, то да.
Аноним 30/04/25 Срд 09:37:38 #105 №361374 
>>361313
А просто хранить их на батарее/печи не вариант?
Аноним 30/04/25 Срд 11:02:08 #106 №361398 
>>361374
Лучше хранить на сене.
Аноним 02/05/25 Птн 14:37:39 #107 №361548 
>>361398
Сено заебись, но мне интереснее батарея. Пишут только про прокаливание, но вот что будет с электродами, если хранить их на горячей батарее, градусов 50 или вроде того?
Аноним 05/05/25 Пнд 00:29:51 #108 №361738 
>>361548
Сделай пенал из трубы и положи туда свежие электроды. Всё.
Можешь ещё кулёк с силикагелем ебануть.
Аноним 05/05/25 Пнд 00:39:20 #109 №361739 
>>361738
Пенал из профлиста, с сеном
Аноним 05/05/25 Пнд 09:19:24 #110 №361750 
>>361738
>Сделай пенал из трубы
Делал, в итоге кусок трубы, который был в качестве крышки, закис намертво и я не смог его открыть, пришлось распиливать трубу
Аноним 06/05/25 Втр 20:12:39 #111 №361955 
>>361750
Так трубу надо было новую брать, без говна.
Аноним 27/06/25 Птн 23:05:30 #112 №367903 
Вопрос по сварочной маске, сначала через нее было видно хорошо и саму ванну и все вокруг. А сейчас видно только ванну, остальное чёрное. Я регулировал, но начинает слепить, и все равно не видно.
Почему так? Может батарейка села или что?
Аноним 30/08/25 Суб 20:44:36 #113 №372743 
Планирую вкатиться в сварку и демпинговать пидарасов которые гнут цены за 15 минут работы. Хуле они с ввблядками и натрашками на шее, а меня мама кормит, могу и в ноль поработать.
Аноним 30/08/25 Суб 22:20:06 #114 №372752 
>>367903
Меняй батарейку при любых сомнениях. Проверь степень заговняности брызгами металла.
Аноним 23/09/25 Втр 07:56:52 #115 №373916 
>>355375 (OP)
Сегодня приедет мой первый сварочник - ESAB Rogue ES 180iP. Буду вкатываться в вашу компашку. Прикупил для учебы LB-52U и OK 74.70. Нормально для старта?
Аноним 23/09/25 Втр 07:58:14 #116 №373917 
>>361104
>В духовке можешь прокалить
У тебя духовка в 350-400 градусов умеет?
Аноним 23/09/25 Втр 09:14:58 #117 №373919 
>>373916
Ты ебанутый, тебе голову лечить надо, а не о сварке думать.
Аноним 23/09/25 Втр 12:05:07 #118 №373926 
>>373919
>Ты ебанутый
Почему ты так решил? Не по канону начинаю?
Аноним 23/09/25 Втр 18:09:01 #119 №373934 
435.jpg
Анончики, хочу купить сварочник для быта.
Более-менее полуавтомат стоит 30-35к. Плюс баллон, плюс тележка, шланги-редукторы. Короче, ДОРОГО. И места много занимает.
Хочу что-то подешевле. С одной стороны ММА в обмазке, с другой - полуавтомат флюсованный.
Вот в бюджете 5-8к хочу что-то купить. Понимаю, что полуавтомат с порошковой проволокой будет срать, но он удобнее. А еще я варить не умею. Зачищать потом надо будет в любом случае... Короче, отговорите от подобного.
Аноним 23/09/25 Втр 21:44:19 #120 №373943 
>>373934
Если варить на улице, бери ММА и не еби мозг.
Аноним 23/09/25 Втр 23:20:36 #121 №373947 
>>373916
Ваще похую, просто берешь и варишь. Для старта вполне пойдет.

>>373934
Ресанта на пике судя по всему может и в то и в другое. Т.е. ты можешь и электродами варить, и порошок со флюсом взять, и баллоны прикрутить. В быту сойдет.
Порошковую проволоку несколько лет назад пробывал, но не понравилось, срет больше, чем с баллоном.
Бери этот аппаратик, электроды и не заморачивайся
Аноним 23/09/25 Втр 23:51:09 #122 №373950 
>>373916
Для вката я бы советовал евм или фрониус
Аноним 23/09/25 Втр 23:59:12 #123 №373951 
>>373934
Бля купи какой-нибудь едон за 2к и килограмм электродов. Ресанта это хуйня
Аноним 24/09/25 Срд 14:29:03 #124 №373958 
IMG20250924141540.jpg
>>373951
Слышь, ты чо охуел.
хотя 160 и правда хуйня
Аноним 24/09/25 Срд 15:23:40 #125 №373959 
image.png
image.png
>>373958
Ну это просто компания - гной. Пикрелейтед - одна и та же модель. Слева старая, справа новая. Новую стоит уронить на бок, радиаторы делают бзынь, транзисторы делают хрю. Они просто сделали себе "имя" в свое время, а сейчас толкают откровенный мусор за оверпрайс, который можно купить у китайца напрямую в два раза дешевле.
Аноним 24/09/25 Срд 15:28:36 #126 №373960 
>>373959
>Слева старая, справа новая
На работке закупили десяток ресант саи-250. За пол года откурили 4. Я тут залупался, мол у меня дома, рукожопа с 4, с 2009 ебашит и нихуя, а тут у сварщиков 6 разряда дохнут как мухи. А оно вона чего.
Видимо пока она была проебалтской, было нормально. Как отдали на откуп китайце, пошло по пизде. У меня стабилизатор с 2006 года работает и помирать не собирается. Внутре монтаж аккуратный.
Аноним 24/09/25 Срд 18:12:44 #127 №373964 
324325.jpg
>>373951
> Ресанта это хуйня
Посоветуй лучше. Я понимаю, что до 8к - все китайский кал. Но что из него будет менее жидким и вонючим?
Хочу полуавтомат, шоб на гашетку жать и делать БЖ-Ж-Ж. Газ, наверное, необязателен. А вот горелку хочу сменную. Боюсь я намертво вделанных. Это как в приставку джойстики впаивать...
Вот это на грани моих финансовых возможностей. Жаль, что без сменных сопел, зато 2 проволоки в комплекте!
Может есть что лучше/дешевле?
Аноним 24/09/25 Срд 18:22:34 #128 №373965 
>>373959
> а сейчас толкают откровенный мусор за оверпрайс
А ты не в курсе, что в стране кое-что произошло и экономическая ситуация стала не очень? Если они будут делать "как раньше", то такой аппарат будет стоить в 2 раза больше, ты его купишь? Нет.

Мне похуй на Ресанту, я ни один "наш" бренд не уважаю, потому что всё это Китай, и нашего там ничего нет. Но такие доёбки не обоснованы, ибо это не политика конкретной компании, а реакция на общую экономическую ситуацию в стране.
Аноним 24/09/25 Срд 18:41:12 #129 №373966 
>>373964
Лучше возьми нормальный ММА и не еби мозг. С элетродом ты можешь сделать удлиннители и ходить себе вольгтно варить заборы, вверх зазалить, не таскать за собой аппарат постоянно, с полуавтомат своим заебёшься ходить, плюс дешманское говно может падавать проволку плохо, быстрее, чем нужно или нелинйно. Всё это бразгает сильнее чем элеткрод и ты вообще не увидишь сварочную ванну, не сможешь отличать металл от шлака и варить ты не научишься никогда. И даже если что-то сваришь - заебёшься от шариков чистить, нормально не покрасить. После электрода же можно сразу красить, нет столько брызг.
Аноним 24/09/25 Срд 18:49:02 #130 №373967 
>>373965
>"наш"
Да какой он наш? Изначально это была Латвия.
Аноним 24/09/25 Срд 18:52:49 #131 №373969 
изображение.png
>>373964
>Посоветуй лучше
Foxweld, но там уже от 14к. Тот же ESAB есть по 14к
Аноним 25/09/25 Чтв 13:01:24 #132 №373992 
>>373916
Лол. Привезли 180i, заместо 181iP. Заметил на третий день когда решил потрогать MMA Pulse. Написал отзыв, чтобы следующие ананасы вскрывали коробки при курьере, пришел ответ "мням-пук, отзыв не соответствует правилам сайта"
Вот же пидорская контора эти "Все инструменты", даже охуевать не хочу.
Аноним 25/09/25 Чтв 13:53:08 #133 №373995 
>>373964
>Посоветуй лучше. Я понимаю, что до 8к
Любое мма и 6 метров кгхл. Еще на электроды останется.
Если прям так зачем-то нужен полуавтомат, то наверное вот https://www.wildberries.ru/catalog/163863633/detail.aspx
По отзывам вроде как болилемение.
>>373965
Ты даже не понял, о чем речь.
Аноним 25/09/25 Чтв 16:20:36 #134 №374000 
>>373992
Берёшь свою трясущуюся степашью жопку и ножками идёшь в ВИ и язычком и губками произносишь продавцу проблему, и сдаёшь товар, я даже поюзанную болгарку сдавал, потому что "не подошла", а здесь несоответствие товара заказанному, обязаны забрать, в ВИ проблем с возвратами нет.

>>373995
Это ты нихуя не понял, точнее не хочешь понимать, на самом то деле ты всё понял, просто в отрицание манямирковое уходишь, ибо психика слабая.
Аноним 25/09/25 Чтв 16:54:45 #135 №374003 
PXL20250925103201895.jpg
PXL20250925103242449.jpg
>>374000
>Берёшь свою трясущуюся степашью жопку и ножками идёшь в ВИ
Есть небольшая проблема. Я на вахте, с графиком с 8 до 20, и принеся свою трясущуюся жопку, с трясущимися ручонками от веса в 10.7кг, к ближайшему ВИ, я поцелую замкнутую дверь и поеду в общагу. ВИ заботливо заклеил неприятное на коробке, типа покоцанная. Так, что все это делалось целенаправленно
Аноним 25/09/25 Чтв 17:23:37 #136 №374004 
Screenshot20250925-172205.png
>>374000
>даже поюзанную болгарку сдавал,
Прохладой повеяло
Аноним 25/09/25 Чтв 17:39:02 #137 №374006 
>>374003
Чел, ну как ты себе представляешь, огромная сеть, сидит совет директоров и рожает план - заклеить на коробке название товара и всунуть не то, чтобы выиграть (сколько разница? тыща рублей? две?)

Очевидно, это ошибка конкретного работника склада, либо что-то перепутал, либо спиздил, либо разъебал, и теперь за счёт тебя пытается решить эту проблему. Если ты будешь молчать засунув язык в жопу, никто не узнает о косяке этого конкретного работника склада и ему всё сойдёт с рук, ну а ты терпеливо сглотнёшь.

Кто за тебя должен это решать? Я? Двачеры? Никто не решит, пока ты сам это не отнесёшь, не можешь отнести - по телефону звони, в техподдержку пиши. Ты нихуя не попытался даже, кроме выпука с отзывом.
Аноним 25/09/25 Чтв 18:19:16 #138 №374011 
>>374000
Маркетолог хуесосанты, плиз. В чем проблема повысить цену? Или выпустить новую модель с другим названием? Не, мы в лучших гусских традициях изговним существующий продукт.
Аноним 25/09/25 Чтв 19:48:26 #139 №374013 
>>374011
> В чем проблема повысить цену
Продажи упадут и компания закроется и не будет аппаратов никаких, даже плохого качества.

>лучших гусских традициях изговним существующий продукт.
Тебе кое-что другое изгоняли, ты доебался до соринки не видя огромное бревна, которое летит тебе в ебало.
Аноним 25/09/25 Чтв 20:35:52 #140 №374019 
>>374013
>Продажи упадут и компания закроется
Ебать трагедия - одним перепродажником китаеговна станет меньше!
Аноним 25/09/25 Чтв 20:42:25 #141 №374020 
>>374019
Трагедия, да. А что ты будешь делать, если никто не будет перепродавать из Китая? Сосать хуй?
Аноним 25/09/25 Чтв 21:15:53 #142 №374023 
>>374020
Прямо вот ВСЕ перестанут?
https://www.ozon.ru/category/svarochnye-apparaty-10047/
Аноним 25/09/25 Чтв 21:35:27 #143 №374025 
>>374023
1. Это прям шлак говна даже в сравнении с ресантой.
2. Уходит твоя нелюбимая Ресанта с аппаратами по 9к, конкурентов нет, этот шлак говна с Озона вырастает в цене до 9к.
3. Ты же будешь пищать на дваче, что вот раньше хуангляодудрилпропатупро была хорошая фирма, а теперь обнаглели, продают аппарат на 160 ампер за 9к, при том, что он там реально 90 ампер и то всё греется под 80 градусов через 2 минуты работы.
4. Я тебе в очередной раз напишу, что ты еблан.
5. Ты в очередной раз будешь пищать про жадных кабанов не видя проблема.
6. А если не было проблемы, ты бы покупал сейчас фирменный ESAB Rogue Макита за 6 тыщ и в ус не дул.
7. Понимаешь ВАЖНОСТЬ решения проблемы? Если ПРОБЛЕМУ РЕШИТЬ, то никаких проблем не будет.
8. Думай.
9. Размышляй.
Аноним 25/09/25 Чтв 22:55:42 #144 №374028 
image.png
>>374025
Вот этот шлак говна за аж 2 тыщи, что в два раза дешевле самой дешевой ресанты, отлично справляется с тройкой, а большего для домашнего забороварения и не нужно.
>Ты же будешь
Не. У меня уже есть аналоговнетный па от другой гусской компании, освоившей продажу китая втридорога, ремонтирующийся в случае чего деталями с ближайшего радиорынка.
Зачем ты тут защищаешь ресанту, которая изговнилась, и это тебе скажет абсолютно любой, знакомый с темой, решительно непонятно.
А с порашей сам знаешь куда нужно пройти.
Аноним 26/09/25 Птн 20:39:43 #145 №374090 
>>374020
Тогда вернётся AliExpress com и снова можно будет покупать по человечески.
Аноним 26/09/25 Птн 20:41:43 #146 №374093 
>>374090
А с чего он вернётся? Ты до сих пор не понял почему алик "исчез"?
Подумай, поразмышляй.
Аноним 29/09/25 Пнд 17:18:12 #147 №374225 
>>373966
Я вот хочу свой тазик подваривать, ММА это сможет лишь сварщик 80-го уровня сделать, не?
Аноним 29/09/25 Пнд 18:27:44 #148 №374229 
>>374225
Да. Но сварщик 80-го уровня не будет делать это электродом, у него есть полуавтомат.

Дешевле и эффективнее отдать сварщику в ремонт.

Элеткродами и порошками машины не варят. Здесь нужен настоящий полуавтомат, и покупать такую ебулду - дороже, чем сам ремонт. Потому что нужен сам аппарат не дешёвый, шланги, хуянги, редуктора, и всё это должно быть качественное, чтобы не ёбнуло и самое главное - баллон, он должен быть сертифицированный, иначе тебе его хуй где заправят, и баллоны стоят ДОХУЯ. И стоит оно того? Я думаю нет, если у тебя тазик, значит ты нищий, а MIG-MAG это развлечение для богатых.
Аноним 29/09/25 Пнд 18:37:45 #149 №374230 
>>374229
>а MIG-MAG это развлечение для богатых
Буду вкатываться в TIG назло тебе

мимо нищук 170к подачка от работодателя
Аноним 29/09/25 Пнд 18:44:25 #150 №374231 
>>374230
Так мне то чо, вкатывайся сколько хочешь, с 170к зп можно купить такую игрушку, ничего против не имею.
Аноним 29/09/25 Пнд 19:13:31 #151 №374233 
>>374229
>Дешевле и эффективнее отдать сварщику в ремонт
Чтобы он насчитал мне работы на половину стоимости тазика?
Аноним 29/09/25 Пнд 19:42:48 #152 №374237 
>>374229
Лол, если бы не цены на эту услугу, хер бы я задумал полуавтомат с газом брать. По расценкам нашей мухосранске, даже с учетом стоимости сварки и баллона, мне блять в два раза дешевле обойдется самому таз поварить. Опыт с MMA сваркой есть, думаю справлюсь. А развлечение для богатых это TIG, пока что даже и не мечтаю.
Аноним 30/09/25 Втр 11:19:55 #153 №374254 
>>374093
Он исчез до спецобсерации. Ну и заодно можешь поделиться своими соображениями мне прям интересно стало.
Аноним 30/09/25 Втр 11:43:51 #154 №374256 
>>374254
Хуя у тебя галлюцинации, он как раз исчез после неё из-за отключения свифта, из-за токсичности ведения бизнеса, создал отдельную дочку с ручным курсом рубля, алик стал строить склады и входить на рынок полноценно. И как замена алику ВБ и ОЗОН стали продавать китайские товары, но уже значительно дороже.
Аноним 30/09/25 Втр 11:44:31 #155 №374257 
>>374256
> стал строить
не стал строить*
Аноним 30/09/25 Втр 11:45:13 #156 №374258 
>>374256
Ещё группы товаров и ассортимент для РФ на алике сократился значительно.
Аноним 30/09/25 Втр 12:08:26 #157 №374261 
>>374256
Мэйлсрушный АлиЭкспресс существовал задолго до спецобосрации..
Аноним 30/09/25 Втр 12:37:18 #158 №374263 
>>374261
У тебя или манямирковые галлюцинации, или ты тупой, или тебе интернет недавно провели в сiло. Ничего из того, что сейчас покупается за обе щеки не продавалось ранее на вб и озоне, объёмы продаж, категории товаров и ассортимент были совсем иными.
Аноним 30/09/25 Втр 13:26:42 #159 №374269 
>>373917
Даже 250 лучше, чем ничего.
Аноним 30/09/25 Втр 13:34:43 #160 №374271 
>>373959
На обоих фото стандартная китайская хуйня: вентилятор хуярит внутрь корпуса, а должен работать на вытяжку.

> 2
Дешман надо дорабатывать. Берете кусок стеклотекстолита и все три радиатора к нему или его к ним прикручиваете.
Заодно можно проверить наличие термопасты или чего там в качестве термоинтерфейса на транзисторах и диодах.
Аноним 01/10/25 Срд 12:20:52 #161 №374355 
>>374263
А я всё понял, ты просто руZZкий поцреот.
Тогда скажу по другому, нахуй ты мне пиздишь про то, что я знаю? С твоими петушиными ВБ и озон выбор сократился и очень сильно, плюс ко всему ценник на хуйню из Китая барыги крутят х3 х4. Так нахуя ты меня наебываешь, вафля тупорылая, м?
Аноним 01/10/25 Срд 19:38:15 #162 №374376 
>>374355
Я леброн чел, ты не туда воюешь, я наоборот тебя переубеждал, думая что ты ватен. Ты не ресантыча прыгнул, а ресантыч - это такие же люди, как и ты, не надо накидывать в негатив, кабаны мол, кабаны - это люди, котоыре делают тебе всё, всю инфраструктуру, которую ты потребляешь, и не они причина проблем.
Аноним 03/10/25 Птн 19:24:21 #163 №374471 
>>374006
Спустя 10 дней после моего гневного отзыва, позвонили с ВИ, сказали прислать им видиво с аппаратом на котором видно, что не та модель. И даже пригрозили поменять на правильный. Охуеть можно.
Аноним 05/10/25 Вск 00:53:51 #164 №374524 
1000150078.jpg
Какой же пиздец происходит в сварке это просто тихий ахуй.
Вот вам говно с переклееным названием № 1
Вот вам говно с переклееным названием № 2
Вот вам говно с переклееным названием № 3
Вот вам говно с переклееным названием № 999999
Тупо инфу по крупинкам собирать, чтобы выкупить очередное китайское говно за оверпрайс. Рот ебал.
Аноним 05/10/25 Вск 00:57:18 #165 №374525 
>>374376
Ты очень тупо лахтобот. Каким-то образом АлиЭкспресс создал всю инфраструктуру и я мог заказывать без помощи рыла ахуевших кабанов. А тут ахуеть не встать, оказывается это всё кабаны мне создали. Ты мне ответь честно ты полный еблан ? Я сука в состоянии сравнить цены и сложить 2+2.
Аноним 04/11/25 Втр 14:10:46 #166 №376262 
>>374471
В общем не сумели Всеинструменты обменять. С горем пополам вернули деньги. Купил в Сварби Rogue ES 201iP PRO на 6к дороже. Каеф! Импульсный режим вообще имба.
Аноним 08/11/25 Суб 15:25:52 #167 №376375 
ENVY MULTI 230 ACDC.mp4
>>355375 (OP)
Какого хуя у нас такое не продается?
Аноним 08/11/25 Суб 16:30:34 #168 №376379 
>>376375
Потрму что пидерашкам неположено, не смешите мои искандери.
Аноним 08/11/25 Суб 21:02:41 #169 №376407 
image.png
>>376375
Мультипроцессные (некоторые их мультипроцессорными называют еще, лол) сварочники разве не то, что ты хочешь?
Аноним 08/11/25 Суб 21:08:28 #170 №376408 
image.png
>>376375
>>376407
Такой еще есть
Аноним 08/11/25 Суб 21:18:08 #171 №376409 
>>376408
>Rebel
Я Rogue с пятой ПОПЫТки купил
Аноним 09/11/25 Вск 13:10:58 #172 №376443 
>>376407
>300к+
>>376408
>почти 400к

Нунах. Еле уговорил себя 36к потратить.
Аноним 09/11/25 Вск 16:22:15 #173 №376457 
image.png
image.png
>>376443
>Почему дорогой хуйни нет?
@
>Вот аналогичная дорогая хуйня
@
>Нунах, дораха
Лол

Эта хуйня >>376375 в Австралии 3000 австралийских долларов стоит, если бы кабаны ее сюда возили, наверно за те же ~300+к и продавали бы.
sage[mailto:sage] Аноним 09/11/25 Вск 20:44:59 #174 №376472 
>>376457
>Почему дорогой хуйни нет?
Так я видел ценник в австралийских бумажках. За столь широкий функционал не особо и дорого. Какого хуя у нас это превращается в ебические 300-400к?!
Аноним 09/11/25 Вск 21:26:20 #175 №376475 
Смотрю, что появилось много аппаратов MIG/MAG/MMA с поддержкой газа, а не только флюсовой проволоки, по 5-10к. Обзорщики гонят на них, что там рукав не евро, и протяжка пластиковая, но, я посмотрел, она пластиковая и в большинстве девайсов за 30к. Из-за уменьшенных габаритов катушки в них только на 1кг, но это в принципе и похуй, не на одну машину хватит. Какие подводные? Что думаете
Аноним 10/11/25 Пнд 10:23:11 #176 №376508 
1000158135.jpg
1000158133.jpg
>>376457
Хотел на cebora win tig ac dc 180m накопить. Но теперь хочу этот.
Что делать?
выбор говна блять
Аноним 10/11/25 Пнд 12:47:09 #177 №376512 
>>376508
Cebora дороже в полтора раза же. Я тут недавно узнал, что есть сварочные аппараты Kemppi с оторванными от реальности ценниками нахуй.
Мне Esab понравился. Чотко держит параметры даже с хуевым удлинителем, когда моя старая Ресанта, просто срать начинала
Аноним 12/11/25 Срд 03:10:40 #178 №376628 
>>376512
В моих ебенях разница в 1к зелени. Вот и думаю есть ли смысл.
Аноним 22/11/25 Суб 09:49:28 #179 №377131 
О, нашел тред. Газосварщики на месте?
Приобрел вот такую штуку ПГ-2П
https://www.ozon.ru/product/1836879222/

Не понятно, вроде, в нем должен быть обратный клапан. При тесте на продув с помощью шприца при несильном давлении клапан пропускает, но если резко надавить на шприц, то клапан стопорит поток. Это нормально или затвор бракованный?
Аноним 23/11/25 Вск 16:41:56 #180 №377261 
1000158252.jpg
Или не ебать себе голову и взять китай за пол цены с пульсом и холодной сваркой.
Аноним 24/11/25 Пнд 12:10:25 #181 №377302 
1000158260.jpg
>>377261
А, ну я в принципе не удивлён что за косарь зелени я поем говна.
Аноним 24/11/25 Пнд 16:15:32 #182 №377306 
изображение.png
>>377261
Фу, баг возьми. https://fubag.ru/catalog/svarochnoe-oborudovanie/fubag-invertor-svarochnyy-irtig-200-ac-dc-pulse-gorelka-fb-tig-26-5p-4m-up-down-/
Аноним 30/11/25 Вск 22:37:22 #183 №377680 
>>377131
Отвечаю себе в прошлое. Затвор неисправен, должен отсекать без всяких. Сдал назад.
Аноним 01/12/25 Пнд 00:41:32 #184 №377689 
>>377680
>Сдал назад
Красавчик
Аноним 07/12/25 Вск 15:31:41 #185 №378047 
1765110698322.jpg
Приехал красавец. Горелка с странной маркировкой wt 17 и с гнущейся головой. На столе уже попробовал "ходить" американкой, вроде даже не сложно. Осталось доехать и купить баллон аргона и буду учиться.
Ликбез по вольфраму есть какой почитать?
Аноним 07/12/25 Вск 15:58:58 #186 №378051 
17410134160210.png
Смотришь видосы на ютубе, сварщики даже простым электродом делают швы уровня космической индустрии.

Заходишь в реальную автомастерскую, смотришь как делают кузовной ремонт. У челов аргон тиг, миг, маг, хуяг. Варят хуже, чем ты первый раз электродом.
Аноним 07/12/25 Вск 16:34:06 #187 №378055 
1765114446277.jpg
>>378051
И не стесняются брать за это ахуевшие деньги. Есть личные примеры лол.
Аноним 07/12/25 Вск 21:05:02 #188 №378067 
1765130699107.jpg
1765130699188.jpg
Бесполезные вы овощи блять. Всё самому приходится узнавать.
из diy треда
Аноним 07/12/25 Вск 22:46:47 #189 №378072 
>>378051
Классический пример "шашечки или ехать".

Нет, конечно корреляция между вижуалом шва и его механическими свойствами есть, но это только при прочих равных.
А в обычной ситуации красотой все же можно пожертвовать в угоду надежности.
Аноним 07/12/25 Вск 22:57:09 #190 №378074 
>>378072
Ты тупорылый еблан, написал тупорылейшую хуету. В следующей раз подумай хоть немножко своим тупорылым мозгом, прежде чем что-то писать.
Аноним 07/12/25 Вск 23:32:30 #191 №378075 
>>378072
У тебя рил какой-то кисель в голове.

Зависимость от прочностных характеристик шва и его внешним видом прямая и очевидная. Говношов - нормальным никогда не будет. И даже красивый шов, может иметь скрытые раковины, непровар и т.д.

Автомобиль - это не забор из профлиста, а средство повышенной опасности, и требования к его прочностным характеристикам высокие. Из-за хуёвых швов автомобиль просто может разложиться на скорости сам собой, а так же разложится при ударе и послужит капсулой смерти для своих владельцев. Поэтому швы в авторемонте и автомобилестроении должны быть не только красивыми, но ещё и проверены всякой ультразвуковой диагностикой и т.п, чтобы полностью соответствовать нормативам.

И ты в такой ситуации оправдываешь какое-то серево, которое и на 1% этим нормативам соответствовать не будет. Ты понимаешь, что ты больной еблан?
Аноним 08/12/25 Пнд 00:30:24 #192 №378077 
>>378075
>автосервис
>узк
Спустись с радужных небес в реальный мир

>серево
Серево это когда с виду красиво, а распили поперек (или "вилкой" на излом) - проплавление 0.2мм, которое от чиха отвалится. Грош цена этой красоте.

>И даже красивый шов, может иметь скрытые раковины, непровар и т.д.
А я тебе о чем?
И если стоит выбор "красиво или вжарить", то в реальной обстановке всегда выбирают второе. А вот для роликов на ютуб можно и первое

>нормативы
Окстись, мы не про паропроводы на тэс говорим, а про ремонтный сервис. (хотя я и на производстве видел, как кабанчики/мастера срать хотели на технологию, правила и госты. Вспоминают они о них лишь когда тебе нормочасы считают, а ты крутись как хочешь.)

Вот тебе абстрактная задача:
две пластины по 6мм, в стык без зазора в нижнем с одной стороны. РДС. Чо будешь делать?
Так, взять болгарин с зачистным 6мм и "проштробить разделку". Уже что-то (хотя подготовка уже не соответствует)...
ой, а подлезть-то с болгарином не разобрав половину камаза не представляется возможным. Что будешь делать?

Друая задача, те же пластины, но тавр, вертикал. Зазор 10мм. Правда примыкающая пластина отрезана настолько криво, что фактически он гуляет от 8 до 16. Точно так же рдс, трансформатор на 500А, в минимуме вроде заявлено 100, но "по ощущениям" все 120. Твои действия?
Скажешь "идите нахуй, тут все неправильно. По 5264-80 должно быть не так"?
Аноним 08/12/25 Пнд 00:34:40 #193 №378078 
222.png
>>378077
У тебя шизофазия?
Изначально речь была про кузовной ремонт, где сваривается тонкий металл. Есть машина собранная из двух половинок, есть серево на первом пике, и есть номральный шов на втором. На какой машине поедешь?
Аноним 08/12/25 Пнд 01:13:56 #194 №378079 
16950580300320.jpg
>>378078
Речь шла про автомастерскую.
Авто это не только жигули, но и, внезапно, самосвалы, грейдера, погрузчики и прочее прочее.

>На какой машине поедешь?
Из этих двух - ни на какой. Если "тонкий металл" является несущим то конструкторы с завода рассчитали все это говно, то "нормальный шов" справа (а вернее его околошовная зона) в критических условиях (при авариях, например) будет точно так же идти по пизде. Тем более что однажды это место уже развалилось (раз потребовалось его сваривать обратно)
Аноним 08/12/25 Пнд 01:15:20 #195 №378080 
P.S. Но даже если забыть про все это, и рассуждать с другого конца...
я не знаю что ты подразумеваешь под "серевом" (так полагаю, что какую-то зашлакованную на 80% хуиту а-ля "человек впервые взял в руки сварку".
Я же говорю про нормально сваренные швы, только в одном случае с "красивым" валиком а-ля "в рамочку и на выставку", а в другом "не красивым", но сплавленным и проникшим вглубь)
,
но на такой тонколистовой хуите даже "некрасивые" а-ля "дрогнула рука" или "прожог - заплавил" ничем не уступят по прочности "красивому".

Еще раз: я говорю про швы с полноценным сплавлением, а не дрись дрись разрозненные капли.
Дрись дрись капли это вообще не швы, упоминать подобное в нашей профсреде не имеет смысла. Потому что это не рассматирвается как шов в принципе.
Это васяны в гаражах могут друг с дружкой соревноваться чей дрись менее дрись.
Аноним 26/12/25 Птн 19:15:30 #196 №379073 
1766765719681.jpg
Аноним 09/03/26 Пнд 14:57:01 #197 №382401 
1773057417831.jpg
1773057418070.jpg
Первый раз аргоном работал. Руки как у алкаша трясутся. Тепловложение маленькое, что понравилось, но не уберегло от прожогов. Мдахех.
comments powered by Disqus