Сохранен 147
https://2ch.su/b/res/327790903.html
К сожалению, значительная часть сохранённых до 2024 г. изображений и видео была потеряна (подробности случившегося). Мы призываем всех неравнодушных помочь нам с восстановлением утраченного контента!

Что это за лампы фиолетовые появились? В каждом третьем окне теперь.

 Аноним 18/12/25 Чтв 20:59:40 #1 №327790903 
images.jpg
Что это за лампы фиолетовые появились? В каждом третьем окне теперь.
Аноним 18/12/25 Чтв 21:03:12 #2 №327790990 
>>327790903 (OP)
Зима, время поднимать цветочкам настроение фитолампами.
Аноним 18/12/25 Чтв 21:04:57 #3 №327791044 
>>327790903 (OP)
Растениям нужен свет, чтобы белки синтезировать
Аноним 18/12/25 Чтв 21:06:07 #4 №327791070 
>>327790903 (OP)
Доступность светодиодов и RGB лампочек на пульте, вот и всё
Снимаю хату, тут по умолчанию у меня не просто люстра с лампой, а блять RGB хуйня с кучей режимов, порой по приколу ставлю этот розовый цвет, думаю у остальных примерно так же
Аноним 18/12/25 Чтв 21:06:49 #5 №327791083 
Раньше по таким лампам гроверов принимали, а теперь каждая тупая пизда рассаду под ними держит
Аноним 18/12/25 Чтв 21:06:53 #6 №327791085 
>>327790903 (OP)
Растения
Аноним 18/12/25 Чтв 21:07:23 #7 №327791097 
>>327790903 (OP)
Это для вэбкама.
Аноним 18/12/25 Чтв 21:07:43 #8 №327791110 
>>327790903 (OP)
бардели
Аноним 18/12/25 Чтв 21:08:10 #9 №327791125 
>>327791070
Садоводы выращивают рассаду
Долбоеб думает у них дискотека
Аноним 18/12/25 Чтв 21:10:14 #10 №327791178 
Поясните прикол фитоламп. Для растений же самый песдатый источник света – звезда по имени Солнце, которое ебашит полным спектром. Почему фитолампы ебашут лишь огрызком спектра и растениям от этого якобы лучше? Разве не лучше вообще для растений использовать лампочку накаливания?
Аноним 18/12/25 Чтв 21:11:06 #11 №327791202 
>>327791178
Экономия банально. Выделен самый эффективный спектр
Аноним 18/12/25 Чтв 21:11:27 #12 №327791209 
Патимэйкеры устроили дискотеку
Долбоеб думает у них рассада
Аноним 18/12/25 Чтв 21:13:36 #13 №327791260 
>>327791178
Это ебанутые гои покупают эту хуету. Полный спектр давно уже продается
Аноним 18/12/25 Чтв 21:13:40 #14 №327791267 
>>327791178
Это прогрев гоев. Жена цветами занималас, я ей покупал и монтировал всю эту дроч. Экспериментальным путем выяснено что идеал для цветов это белая светодиодная лампа 4000К.
Фиолетовый, точнее красные и синие лампочки, подходит только для проращивания маленьких ростков.
Аноним 18/12/25 Чтв 21:13:49 #15 №327791272 
>>327791202
Понятно. Просто это преподносится как ниибацо мастхэв для растений, благодаря которому те растут как отношение валюты к рублю после четырнадцатого. Тупо маркетинг, получаецо?
Аноним 18/12/25 Чтв 21:14:08 #16 №327791279 
>>327790903 (OP)
Зелёные растения отражают зелёный свет и поглощают синий и красный свет. Расчавкал?
Аноним 18/12/25 Чтв 21:15:21 #17 №327791308 
>>327791178
>использовать лампочку накаливания
У лампы накаливания КПД скучный. Там чуть-ли не 80% потребляемой энергии в тепло идёт
Аноним 18/12/25 Чтв 21:15:24 #18 №327791310 
>>327791272
Почему тупо? синий и красный нужны, зелёный нет. Экономия энергии, ёпт.
Аноним 18/12/25 Чтв 21:17:52 #19 №327791375 
>>327791308
Зато там спектр у красной-жёлтой части равномерный, ЛАМПОВЫЙ. А не говно рваное светодиодное или трубчато-ртутное. Не говоря уж про натриевое, прастихоспади.
Аноним 18/12/25 Чтв 21:18:54 #20 №327791404 
2041216640.jpg
>>327791279
А если в идеальной комнате мы разожжём две лампочки: синюю и красную, то всё в этой комнате приобретёт фиолетовый цвет, в том числе и растения. Значит, растения будут отражать и фиолетовый свет.
Аноним 18/12/25 Чтв 21:19:30 #21 №327791416 
>>327790903 (OP)
Вебкам анон
Аноним 18/12/25 Чтв 21:19:34 #22 №327791417 
>>327791272
Всю мощность можно пустить на необходимое, если чердак плыть от такого освещения не начинает, то одни плюсы
Аноним 18/12/25 Чтв 21:20:03 #23 №327791427 
>>327791375
Что растениям до спектра? Хоть линии, хоть сплошной, кривой, плоский... Нужная длина волны есть - заебись. Чем дешевле, тем лучше.
Аноним 18/12/25 Чтв 21:21:04 #24 №327791451 
>>327790903 (OP)
Проституточные
Аноним 18/12/25 Чтв 21:21:10 #25 №327791454 
38713941259b9fd075fd957c89aa65b5b67d09ee800.jpg
>>327791110
Аноним 18/12/25 Чтв 21:22:10 #26 №327791477 
>>327791404
>в том числе и растения.
Растения при таком свете выглядят чёрными. Проверь.
Аноним 18/12/25 Чтв 21:23:17 #27 №327791505 
>>327790903 (OP)
Новый год жы.
Аноним 18/12/25 Чтв 21:23:30 #28 №327791510 
>>327791454
Тоже смеюсь, когда вижу такой свет. Но вряд ли. Всё-таки такие вещи прячут.
Аноним 18/12/25 Чтв 21:24:09 #29 №327791525 
Почему нельзя замутить лампу накаливания, у которой энергоэффективность будет как у агрессивного нарика под спидами? Обтянуть фехраль какой-нибудь хуитой, которая будет отражать инфракрасное излучение обратно в проволоку, а видимое излучение пропускать сквозь себя? Или ещё какую-нибудь хуйню придумать.
Аноним 18/12/25 Чтв 21:24:50 #30 №327791547 
>>327791178
Да ртутная лампа для рассады лучше всего, но для дома выгоднее выходит обычная лампа накаливания.
Вся эта цветная штука - это вебкам, фитолампы это прикрытие борделей.
Аноним 18/12/25 Чтв 21:25:02 #31 №327791552 
>>327790903 (OP)
Там привидения водятся
Аноним 18/12/25 Чтв 21:26:55 #32 №327791595 
Девушки со своими парням сексом занимаются под такие цвета или вебкамом
Аноним 18/12/25 Чтв 21:27:11 #33 №327791602 
>>327791525
Хуясе ты инженер... Фокусирующие золотые зеркала (с ИК золотыми зеркалами работают - эффективность максимальная) да ещё и прозрачные для видимого света. Лампочка стоимостью с пару мерседесов. Крутая идея для домашнего огорода
Аноним 18/12/25 Чтв 21:29:48 #34 №327791671 
>>327791547
Чувак, тебе даже с диодными лампами захочется сделать как минимум принудительную вентиляцию. А если ты ламп накаливания столько навесишь, у тебя в комнате будет сауна
Аноним 18/12/25 Чтв 21:30:47 #35 №327791700 
image.png
>>327791178
Растения зелёного цвета из-за того, что отражают зелёный, он им не нужен. Поэтому в фитолампах стоят синие и красные диоды, которые вместе дают фиолетовый.
Аноним 18/12/25 Чтв 21:31:08 #36 №327791704 
>>327791510
> Всё-таки такие вещи прячут.
Хочешь, чтобы вещь никто не нашёл – оставь её на виду.
А вообще и бордели, и притоны, и конопляные фермы не по лампочкам ищут – их тупо сдают. Достаточно, к примеру, поймать наркомана, пригрозить ему сроком и паяльником, и он расскажет, что где взял. Далее идти по цепочке. Чтобы найти шлюх, достаточно просто спросить об этом у пацанов.
Аноним 18/12/25 Чтв 21:33:47 #37 №327791766 
>>327791704
Ну почему...
Я слышал фермы в Москве искали тепловизором - по необычно сильным тепловым выбросам из вентиляции. Квартиру точно не определишь, но круг поиска сужается весьма.
Аноним 18/12/25 Чтв 21:33:54 #38 №327791767 
Капельнаясетка1.jpg
Screenshot20251218213010Google.jpg
>>327791525
Такое, анон, кстати придумали и были опыты. Решили что слишком дорого в производстве в сравнении со скромными результатами.

Кстати уже 130 лет существует пикрил - калильная сетка.Эту херню натягиваешь на газовую горелку, и за счёт солей тория и лютеция она начинает от нагрева люто светится, причём приятным белым тёплым светом примерно как галогенка. У меня есть керосиновый фонарь с такой, я того все ебал, сияет как галогенный прожектор ватт на 200. А французы где-то до 1930х делали лампы пик 2, гениальная штука, работает на спирту (а значит не воняет в помещении), открыл краник, поднёс списку, через пару минут запустилась сама и вышла на режим. По яркости как лампа накаливания ватт 60, без проводов, автономная, качать ничего не надо как с примусом и т.п.
Аноним 18/12/25 Чтв 21:34:31 #39 №327791777 
>>327791704
Двачую, жил на первом этаже, водник прям на кухне стоял на подоконнике. Двумя этажами выше жил участковый, который каждый вечер мимо этого окна проходил, возвращаясь с работы.
Аноним 18/12/25 Чтв 21:34:42 #40 №327791781 
>>327791602
Пустить суперлампочки на массовое производство и цена упадёт до одной поддержанной киа рио. Сделать их надёжными, чтоб хватало хотя-бы на пару десятков лет, и подавать их на рынке под соусом "сверхэффективная лампа поколений, идеальный свет которой застанут ваши правнуки". Пипл схавает.
Аноним 18/12/25 Чтв 21:36:01 #41 №327791820 
>>327790903 (OP)
Подсветка для фиалок\суккулентов\орхидей\тилландсий
Аноним 18/12/25 Чтв 21:36:52 #42 №327791842 
>>327791767
> У меня есть керосиновый фонарь с такой
Круто. Где взял?
Аноним 18/12/25 Чтв 21:38:52 #43 №327791893 
>>327791781
Пока не пойму в чём они "супер". Нахуя они нужны-то? Это при том, что я сам люблю лампы накаливания и до сих пор ими пользуюсь.
Аноним 18/12/25 Чтв 21:39:12 #44 №327791902 
>>327790903 (OP)
Это от беспилотников.
Аноним 18/12/25 Чтв 21:39:21 #45 №327791908 
>>327790903 (OP)
это для наведения всучьих дронов
видишь такое окно — хуярь туда кирпичом
Аноним 18/12/25 Чтв 21:43:48 #46 №327792038 
>>327791704
Вроде звучит правильно. Но только если иметь чуйку и вовремя сворачивать праздник. А с этим у плановых плоховато. Жмут до талого, а потом вдруг хуяк и девяточка "прилипает" на ровном месте
Аноним 18/12/25 Чтв 21:46:32 #47 №327792110 
Screenshot20251218213850OZON.jpg
ouma0kkJeyo-1.jpg
txp55ckD98.jpg
>>327791842
Неиронично, на озоне. Неплохая китайская фирма, много их на Алика всяких. В ЮВА очень популярные.

По своей сути это осветительный примус. Заливаешь керосин, качаешь давление, заливаешь чутка спирта для прогрева, запаливаешь спирт, ВАЖНО БЛЯТЬ ждёшь пока хорошо прогреется (а не то будет брызгать горящим керосином), открываешь краник - хуяк и у тебя автономное солнышко.Выключается откручивается винта, который давление с бака ставит. Пик 2 - кореш на даче при ней читает.Она правда очень яркая. Я прост тот ещё дочер на древние осветительные штуки, у меня там и керосинки дореволюционные, и карбидные фонари и все на свете
Аноним 18/12/25 Чтв 21:48:08 #48 №327792151 
image.png
>>327791178
Фиолетовый - говно говна. Самые пиздатые - розовые, не ебут глаза и растениям оче нравится. Я ей даже умирающий мандарин оживил.
Аноним 18/12/25 Чтв 21:50:07 #49 №327792197 
>>327791671
Зимой-то норм, а вот счета за электроэнергию не понравятся.
Аноним 18/12/25 Чтв 21:51:17 #50 №327792222 
>>327792151
Фиолетовый и розовый это почти одно и то же по спектру. Разница в соотношении синего и красного.
Аноним 18/12/25 Чтв 21:52:25 #51 №327792248 
>>327792197
Ну паблоэскобар отобьёт как-нибудь эту неприятность
Аноним 18/12/25 Чтв 21:53:35 #52 №327792279 
>>327792222
Ну хоть пиздой не читай...
Аноним 18/12/25 Чтв 21:54:04 #53 №327792294 
>>327790903 (OP)
это вебкамщицы
Аноним 18/12/25 Чтв 21:54:49 #54 №327792316 
>>327792110
Охуенно. А покажи карбидный фонарь!
Аноним 18/12/25 Чтв 21:55:46 #55 №327792344 
>>327790903 (OP)
Sovietpunk
Аноним 18/12/25 Чтв 21:59:12 #56 №327792417 
image.png
755385-1916056098.jpg
vaporwave-sun-thumb-304192228.jpg
vibrant-retro-inspired-digital-wallpaper-captures-aesthetic-vaporwave-neon-palm-trees-pink-purple-gradients-342802495.webp
>>327790903 (OP)
у них там пикрил
Аноним 18/12/25 Чтв 22:01:44 #57 №327792478 
image.png
image.png
image.png
image.png
>>327792316
Как пожелаешь!

Пик 1 это я на первом курсе вуза из говна склепал, работало, хоть и хуёво (медная трубка очень длинная и в ней скапливался пар и конденсат, из-за чего он гас. Трубку надо делать короткую и толстую что бы капли не забивали её). Вообще первый опыт с карбидом

Пик 2. У меня есть такой же фонарь, железнодорожный, копия немецкого 1930х. Ща его не стану доставать, он ещё не очень красивый, под реставрацию. Но вот тебе фотка с инета.

Пик 3 и 4. Мой карбидный велофонарик годов где-то до ПМВ. Успешно починил и запустил на прошлую новую году, красивый
Аноним 18/12/25 Чтв 22:10:20 #58 №327792711 
>>327792478
Ухх бля, обожаю такие технологии начала XX века! Надёжность, неочевидные инженерные решения, новаторство. А щас led от литиионного аккума запитали и в пластиковый вонючий корпус запихнули-вот тебе велофонарик, пользуйся, пока не сломается (завтра).
Анон, ты охуенен. А ты только фонари и иже с ними коллекционируешь? Или что-нибудь из той эпохи тоже?
Аноним 18/12/25 Чтв 22:17:46 #59 №327792926 
>>327792478
Непонел. А как предполагалось этот фонарик устанавливать на лисапед? Зелёным вперёд? Тогда красный свет ездоком будет загорожен и едущему сзади не видно будет красный свет. Под седло? Тогда он дорогу спереди не освещает. Любезный, имеется ли инструкция пользования этим чудным новшеством?
Аноним 18/12/25 Чтв 22:19:01 #60 №327792954 
>>327790903 (OP)
Это облучение пользователей мессенджера МАКС
Аноним 18/12/25 Чтв 22:22:56 #61 №327793067 
image.png
>>327790903 (OP)
Слаанешисты
Аноним 18/12/25 Чтв 22:23:50 #62 №327793096 
>>327792926
сие есть бортовые огни, милейший. зеленому положено быть по правому борту, красному - по левому. поищите артикль "навигационные огни" в библиотеке викия и педия
Аноним 18/12/25 Чтв 22:26:33 #63 №327793177 
>>327790903 (OP)
Таким светом помечают гоев, огородных лохов.
Аноним 18/12/25 Чтв 22:27:21 #64 №327793205 
>>327793096
Чайную пару вам, сударь!
Аноним 18/12/25 Чтв 22:27:42 #65 №327793216 
>>327791178
А вот раньше нашим солнцем был Сатурн... и он всегда светил фиолетовым и в мире был рай... и поэтому растения поглощают красный и синий цвета... а потом злое Солнце отобрало нас и светит многими цветами с временами года и сутками, но растения помнят!!
Аноним 18/12/25 Чтв 22:28:06 #66 №327793230 
image.png
>>327793177
> сам себе еду выращиваешь?
> ты гой!!! и лох!!!
Аноним 18/12/25 Чтв 22:28:47 #67 №327793244 
>>327791700
А додикам которые слепнут от ебейшего шима в этом дешёвом говне норм? Ебанутые гои.
Аноним 18/12/25 Чтв 22:29:20 #68 №327793256 
image.png
image.png
image.png
image.png
>>327792711
>Надёжность, неочевидные инженерные решения, новаторство

Да, там люди были ёбнутые абсолютно в хорошем смысле, я тебе чуть позже наикдаю приколов.

>Анон, ты охуенен.

Спасибо броуэ, приятно

Я с литий-ионниками сам забавляюсь иногда, вот скажем батарейку сделал. Внутри аккум, плата защиты, плата зарядки, в жопе type-c для заряда. Даже запарился и отлил свинцовый грузик внутрь что бы масса была ровно-ровно как у оригинала. Светит мне в карманном фонарике.

>А ты только фонари и иже с ними коллекционируешь? Или что-нибудь из той эпохи тоже?

Ну как тебе сказать. Я по работе инженер-метрополитеновец и наносек лол, повезло на ЗП сеньки а то и тимлида устроиться трудиться, преподаю в вузике и работаю на метро.
Так что всегда дрочил на ЖД, электронику и проч. А значит и коллекционирую электронику (по большей части индикаторную - всякие там газоразрядные, тиратронные, люминисцентные и прочие темы старые прикольные), сам много чего для себя паяю,по максимому извращаясь, ну и да, фонари. В том числе железнодорожные фонари, это отдельная тема. Так что у меня скорее больше уклон в светящееся чем в эпоху промышленного бума, как то так.

Пи2 к примеру - спаял индикатор заряда батареи самодельной раздувалки для костра на советской военной серии для космоса и разных боевых ракет. Работает, толькор проебался с распиновкой и в финале надо будет плату переделать.

Пик 3 - тиратронный матричный индикатор ИГВ1-8х5Л, ему лол надо 5 напряжений питания, но он умеет сам помнить данные и управляется от логического уровня. Там в каждой точке по тиратрону который работает как усилитель сигнала управления. В целом они оч редкие и капризные, но чисто в коллекцию один достал. Кстати цвет этот зелёный ирл просто потрясающе красивый, хз, камерой не передаётся.

Пик 4 - плазменный неоновый моник 100*100, у меня 3 таких матрицы ждут своего часа



А ты на что подрачиваешь?
Аноним 18/12/25 Чтв 22:30:01 #69 №327793275 
>>327790903 (OP)
Там снимают клип малинновая лада
Аноним 18/12/25 Чтв 22:31:17 #70 №327793317 
>>327790903 (OP)
> теперь
Тебя в СССР положили в кому, и ты только из нее вышел?
Аноним 18/12/25 Чтв 22:31:20 #71 №327793321 
1766086279029.jpg
>>327793230
>купил семена
>купил фитолампу
>выросла ботва
>выросли цветки
>цветки высохли
>ВСЁ
@
НЕ ГОЙ ТВЁРДО И ЧЁТКО
@
ЗАТО НДС ЗАПЛАТИЛ И ПОДНЯЛ ЭКОНОМИКУ СТРАНЫ
Аноним 18/12/25 Чтв 22:34:47 #72 №327793411 
>>327792110
Который год хочу заказать себе каталитическую лампу. Лампу Коулмена (?). Но они стоят норм в подходящем исполнении.
Шаришь за неё?
Аноним 18/12/25 Чтв 22:38:43 #73 №327793507 
>>327793256
Красивое...
Как же заебала двачепараша, только из под впн капча показывается
Аноним 18/12/25 Чтв 22:40:24 #74 №327793551 
>>327793256
Ну ты крут, рэально! Вот что значит, любить свою работу и найти хобби по душе, дай бог каждому так.
А я дрочу просто на старые вещи. При чём не важно какие, было бы им хотя бы лет 50 и у меня уже пэнис набухает. На самом деле я скорее барахольщик, чем коллекционер, лол. Есть отремонтированная мною радиола Серенада, советский радиоприёмник Грюндик, стулья дореволюционные, шкатулки, поддужные колокольчики, монеты от Грозного до Николая II. Марки и открытки 30-40-х годов. Есть копаный хабар: дорожный складень, крестики серебрянные, капканы, всё царское. Коп по войне, его дофига, гильзы от арты до пистолетных, пуговицы РККА и Версахта. Самое прикольное, как по мне-бокал из уранового стекла ~1900 годов. Показать не могу, я в поезде щас еду, лол. Короче, у меня хата скорее барахолка барыги с блошиного рынка. Но мне нравится.
Аноним 18/12/25 Чтв 22:41:59 #75 №327793599 
image
>>327790903 (OP)
полюбому майнеры майнят, вызывай ментов
Аноним 18/12/25 Чтв 22:42:59 #76 №327793625 
>>327793551
Фикс
Грюндик не советский, а из ФРГ, ну ты понел.
Аноним 18/12/25 Чтв 22:43:17 #77 №327793636 
>>327791178
>Поясните прикол фитоламп.
Прогрев гоев. На юпупе куча домашних исследований о том что растениям однохуйственно на спектр, а в некоторых случаях под мультиспектром даже лучше растут.

>Разве не лучше вообще для растений использовать лампочку накаливания?
Лампа накаливания выделяет слишком много тепла и слишком не хорошо эффективна.
Лучше светодиоды или газоразрядные. Светодиоды лучше пушто они не щасирают окружающую среду

>>327793256
В этих старых индикаторах есть своя эстетика. Валяются давно у меня индикаторы от старых часов или калькулятора хз. Ну те которые на нитях накаливания. Давно посматриваю на них. Но там так дохуя выходов и надо как то разбираться с питанием. Сложна.
Аноним 18/12/25 Чтв 22:43:59 #78 №327793654 
image.png
image.png
image.png
image.png
>>327792711
Cобсно приколы

1. Советская лампа накаливания УЛЬТРАФИОЛЕТОВАЯ НАХУЙ
Ты думаю и без меня знаешь что в спектре накалки УФа наверное меньше процента, так что идея как минимум странная. Но челы реально взяли лампочку, повысили ей температуру нити что бы дохла по чаще но процент УФа увеличился и... Колбу из стекла Вуда. Собснно как ты видишь бумага флюорисцирует исправно. Но греется она пиздец. \

Пик 2 и 3. То, с чего я охуел невероятно.


Подумай только, эта лампа работает на спирту, но как заставить спирт гореть в мощной инжекционной горелке? Короче как создать давление? Не, можно было бы качать насосоиком давление как в примусе. Можно было бы бак повыше поставить.... Ноф ранцузы решили иначе, и абмолютно ебануто - просто взял два фитиля толстых, завели их в парогенератор с форсункой сверху... а под ними разместили третий фитиль который как спиртовка греет сука парогенератор! Ну а сверху уже сеточка с церием и т.п. и т.д. Блять, лампа, для работы которой внутри неё горит вторая, маленькая лампа! Чёрт возьми, я хочу это сдлеать


Пик 4 - спиртовая лампа подобная той которую я в первом посте присылал. Настольная такая.

Вверху понятное дело бачок со спиртом и краником для регулирования подачи, а вот её инжекционная горелка
Под грелкой торчит желобок, по которому спирт утекает внутрь в поддончик
Открываешь краник, спирт начинает течь в горелку, капает из форсунки и утекает в поддончик под испарителем
Поджигаешь спичкой спирт, он горит в поддончике
Пока испаритель не разгореется - спирт продолжит капать и подпитывать пламя
Когда испаритель разогреется, из форсунки пары спирта пойдут в горелку, смешаются с воздухом и попадут в сетку
А так как они горячие - после этого поднимутся наверх, как раз в ту зону где догорает спирт в поддончике, и воспламенятся
Итого, лампа сама выходит на режим автоматически, для включения надо только открыть краник и спичкой топливо запалить
Аноним 18/12/25 Чтв 22:45:31 #79 №327793692 
>>327791178
Солнце хуйня гойская. Мимо стоят полки в кладовке и растения растут лучше чем от ебаного светила говна. Солнце переоценено.
Аноним 18/12/25 Чтв 22:46:37 #80 №327793719 
ВЫРАЩИВАЕМ КАЛОВЫЕ СТАЛЛАКТИТЫ. А ЧТО?
Аноним 18/12/25 Чтв 22:47:47 #81 №327793749 
image.png
image.png
image.png
>>327793636
>нитях накаливания
На что больше похожи из трёх моих пиков?

1. Газоразрядные
2. ВЛИ
3. Накаливания
Аноним 18/12/25 Чтв 22:47:54 #82 №327793755 
>>327790903 (OP)
Так светятся души фанатов Wildberries
Аноним 18/12/25 Чтв 22:48:01 #83 №327793757 
>>327791700
>>327791202
Где-то были исследования, что зеленый свет тоже нужен растениям, т.к. он хорошо проходит сквозь лист и попадает на листья ниже, в отличии от красного и синего, который просто поглощаются верхними листьями.
Аноним 18/12/25 Чтв 22:53:44 #84 №327793890 
>>327790903 (OP)
У меня такая, выращиваю овощи, помидоры и перцы. Вкус просто бомба, прям концентрированный натуральный у овощей
Аноним 18/12/25 Чтв 22:55:51 #85 №327793952 
>>327791267
Не пизди гой, у меня под такими лампами куст травы вырос
Аноним 18/12/25 Чтв 22:56:23 #86 №327793968 
>>327793096
Это только, если на велосипеде судоходством заниматься.
Аноним 18/12/25 Чтв 22:56:34 #87 №327793973 
>>327793749
Именно как на твоем первом пике.
Я там потыкал и не понятно на какие ввходы подавать напряжение чтоб цифры горели. Да и ссно не понятно какое напряжение. Думаю тут надо именно садиться и разбираться.
Аноним 18/12/25 Чтв 22:57:22 #88 №327793992 
image.png
>>327793551
Круто! Приёмник красивый судя по фоткам с инета

>При чём не важно какие, было бы им хотя бы лет 50 и у меня уже пэнис набухает.

Неиллюзорно подумываю притарить себе римский сестерций. Ему даже и не 50 лет будет...

>меня хата скорее барахолка барыги с блошиного рынка

Очень тебя понимаю. Тут один ферзь эпично взорвался недавно, когда я ему сказал что под хранение всякого барахла у меня используется трёшка. Не моя лично, родителей, но там не живёт никто. На авито что ли всё это говно выставить, что б хоть освободить место...
>бокал из уранового стекла ~1900 годов

Бля анон, моя мечта. Рельно надо себе фужер взять какой-нибудь.

Этой тематикой тоже увлекаюсь, обмазался тритиевыми часами, брелками Betalight, сделал по инструкции отсюда спинтарископ https://habr.com/ru/articles/593517/ . Наблюдал в полной темноте под монокуляром как альфа-частицы из америция зажигают маленькие звёзочки люминофора. Как будто мелкий частый дождь по луже бьёт, красиво


Куда едешь? Далеко ли, на ваху там хз, или так, по городу с работы?
Аноним 18/12/25 Чтв 22:59:27 #89 №327794041 
>>327793952
А под обычными лампочками он бы лучше вырос. На ютубе посмотри там куча экспериментов с помидорами и прочими растениями. Обычная диодная лампочка всегда выигрывает.

>>327793757
Вот пример:
https://pmc.ncbi.nlm.nih.gov/articles/PMC11427831/?referrer=grok.com
Аноним 18/12/25 Чтв 23:01:47 #90 №327794105 
merx09805.jpeg
>>327793757
https://academic.oup.com/jxb/article/68/9/2099/3857754
Аноним 18/12/25 Чтв 23:02:36 #91 №327794123 
>>327790903 (OP)
Там ебутся и курят шмаль
Аноним 18/12/25 Чтв 23:03:59 #92 №327794161 
>>327794041
У меня дохуя ламп этих штуки 4 было, на 450ватт все растет заебись и счетов нет огромных
Аноним 18/12/25 Чтв 23:04:50 #93 №327794185 
image.png
image.png
image.png
>>327793973
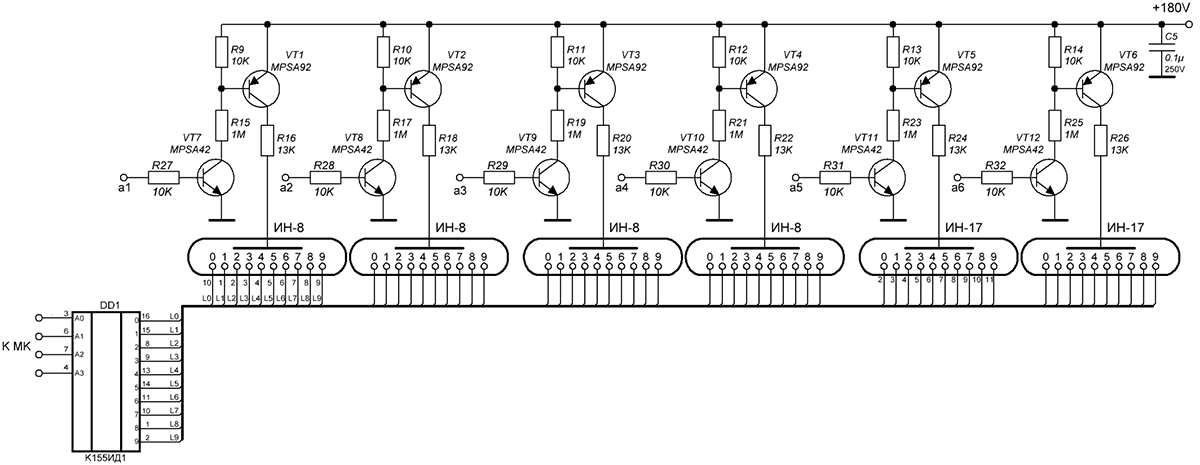
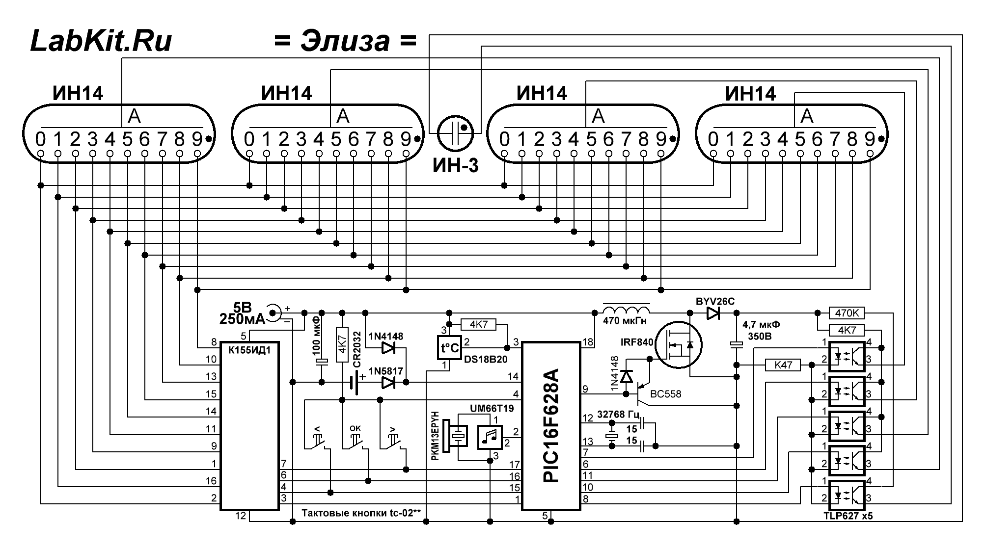
О, ничего сложного. На общий (анод) подаёшь + 200 В условно (не забудь анодный резистор для ограничения тока), катоды соединяешь с землёй. какой катод на землю соединил - тот и горит, всего там 10 катодов и 2 точки вроде. Для коммутации катодов юзают обычно микру К155ИД1, она сразу двочиный код в цифры на индикаторе переводит. Индикаторы ИН-14, в инете дохрена схем часов на них. Ты даже можешь просто купить готовую плату, запаянную или с деталями в пакетике как радиоконструктор, если нет желания упарываться темой по полной, и спаять, воткнув свои лампы

Вот пример самой простой схемы для ньюфагов.
А у меня вот лежат ждут плазменные дисплеи 7* 117 точек, урвал по 200р всего. Они гораздо веселее - у них есть память лол. Ну они с самосканированием, а значит там из-за хитрожопой конструкции этот дисплей по факту работает как сдвиговый регистр. Ну, тебе надо заливать в него последовательнос игналы на стобцы и он их запомнит (чисто из-за физики плазменного разряда, гугли "декатрон") и высветит. Короче любопытный нишщтячок, когда-нибудь в дело пойдут, надо плату драйвер пилять
Аноним 18/12/25 Чтв 23:06:30 #94 №327794225 
>>327790903 (OP)
33.3% экономии потребления энергии...диодные лампы могут исключить частоту зелёного спектра, на моменте самого продуцирования "фотонов из электронов", который в фотосинтезе не используется
Аноним 18/12/25 Чтв 23:07:34 #95 №327794259 
>>327794041
>Обычная диодная лампочка всегда выигрывает.
Я мимокрок. Суть фитоламп в том чтобы не выдавать зеленый и поэтому экономить немножко энергию. Но на практике Солнце шпарит от 300 до 1500 ватт энергии на квадратный метр. А гои подоконные покупают фитолампу мощностью 10-20Вт и думают что у них что-то вырастет. Так ещё часто эта фитолампа на неэффективных диодах и поэтому обычная лампочка такой же мощности даст такой же эффект(почти нулевой) при таких же затратах электричества. На моей прошлой работе был Зимний Сад в большом кабинете, там в одном углу висела лампа дрл 400, а на остальной территории были светодиодки. Я думаю понятно в каком углу буйный рост был и здоровые растения, а где стояли чахлые вялые. Без затрат электроэнергии диких не будет никакого урожая. Фитолампы надо не менее 200Вт на квадратный метр.
Аноним 18/12/25 Чтв 23:08:44 #96 №327794284 
>>327794259
У меня 500ватт от таких лам
Аноним 18/12/25 Чтв 23:13:28 #97 №327794428 
>>327794284
А у всех этих гоев с подоконниками лампы на 10-20 ватт. А ещё часто ленты с резисторами и usb разъемом. Они только цветом подсвечивают окно, а цветам нихуя. Если на подоконник 200Вт поставить, то светить будет на весь двор как фонарь. 100Вт это стандартный светильник со столба освещения дворового, если ты не в курсе.
Аноним 18/12/25 Чтв 23:15:17 #98 №327794484 
image.png
image.png
>>327794185
Но схема, сразу говорю, говёная. Лучше что-то такое:

Слева микруха, туда посылаешь двоичный код цифры которую хошь видить. Она замыкает катоды ламп на землю. А на транзисторах просто верхние ключи, вон там R16-18-20 и тд. это резиситоры которые ток ограничивают, они очень важны, без них лампа сдохнет. Остальные резисторы и два транзистора - сам ключ. Подаёёшь на вход ключа лог 1 одновременно с тем как выставил нужное двочиное число микрухой - твой разряд загорелся. И так их перебираешь динамической индикацией.


Пик 2 -ИН-18 ща зажёг,типо самый дорогой и пиздатый из советскийх ГРИ. Камера чутка напиздела, ирл он красивее
Аноним 18/12/25 Чтв 23:17:50 #99 №327794558 
>>327794161
Какие огромные счета за электроэнергию в России?

Ну и городские фермеры обычно покупают не фиолетовые лампы, а лампы полного спектра.

Я выше 2 исследования скинул, первые что мне грок подсунул. Но было буквально год назад большое научное исследование на эту тему.

>Whether green light promotes or represses plant growth is an unresolved but important question, warranting a global meta-analysis of published data. We collected 136 datasets from 48 publications on 17 crop species, and calculated the green light effect for a range of plant traits. For each trait the effect was calculated as the ratio between the trait value attained under a red/blue background light plus green, divided by the value attained under the background light only, both having the same light intensity. Generally, green light strongly increased intrinsic water use efficiency (15%), the shoot-to-root ratio (13%), and decreased stomatal conductance (−15%). Moreover, green light increased fresh weight to a small extent (4%), but not plant dry weight, resulting in a reduced dry matter content (−2%). Hence, green light is similarly effective at increasing biomass as red and blue light. Green light also showed to increase leaf area (7%) and specific leaf area (4%; i.e. thinner leaves). Furthermore, effects of green light were species-dependent, with positive effects on biomass for lettuce and microgreens, and negative effects in basil and tomato. Our data suggest that future research should focus on the role of green light in modulating water loss, its putative role as a shade signal, and the causes for its species-specific effects on crop biomass.
Аноним 18/12/25 Чтв 23:20:39 #100 №327794638 
>>327794558
И вот еще

https://www.sciencedirect.com/science/article/pii/S030442382200471X
Аноним 18/12/25 Чтв 23:20:42 #101 №327794641 
>>327792110
А тепло от нее есть, или на уровне погрешности? В закрытом помещении такое наверно лучше не включать? Выглядит прикольно. Ты вообще молодец, и очень интересныц наверно человек.
Аноним 18/12/25 Чтв 23:25:35 #102 №327794777 
>>327794641
>А тепло от нее есть, или на уровне погрешности?
Ну тепловая мощность киловатта полтора мб. На ней еду готовить можно так то, как на примусе. Во всяком слдучае в германии на подобные лампы продавались верхушки для установки котелка. Короче да, горяченькая. Но КПД гораздо лучше обычных керосиновых ламп

>В закрытом помещении такое наверно лучше не включать?
Без вентиляции конечно нельзя. Она не коптит, воняет не сильно... Ну как примус или паяльная лампа. Но банрально кислород жрёт бодро

>Выглядит прикольно. Ты вообще молодец, и очень интересный наверно человек.

Спасибо, анонче, в этом ночном чате на добром слове

Да, я так, как выше писал - платки всякие разрабатываю по работе, да в метро их ставлю. Хожу по туннелям, потом хожу по вузу лдабы студням веду, с этого имею нихуёвую ЗП, чему и рад. А так друзя есть, дачи есть, тянки нет, но вроде не инцел.... Короче ничего особенного. Где-то преуспел, где-то обосрался :э
Аноним 18/12/25 Чтв 23:35:27 #103 №327795025 
>>327794484
>>327794185
Понял, спасибо, схоронил.
Я даже не задумывался, что там нужно такое высокое напряжение.
В общем тогда получше вникну и займусь. Выглядят красиво, да.
Аноним 18/12/25 Чтв 23:40:31 #104 №327795169 
>>327795025

Пожалуйста. Ну, я говорю, если нет желание во всё это вникать, просто купи плату готовую и собери. Есть и платы под часы типо таких, и готовые наборы с лампами и без, лампы у тебя в наличии... Короче успехов!
https://www.ozon.ru/category/plata-in14/?abt_att=1&origin_referer=www.google.com
Аноним 18/12/25 Чтв 23:41:11 #105 №327795192 
>>327791525
>Почему нельзя замутить лампу накаливания, у которой энергоэффективность будет как у агрессивного нарика под спидами?
Замути епта!

Есть кста еще какие то серные лампы.
Не очень надежные, но дают квазисолнечный свет.
Аноним 18/12/25 Чтв 23:42:08 #106 №327795213 
>>327795169
Причём не думай что это только на озоне, погугли, из кажого утюга... хоть даже на чип дипе шучу кншн, не бери у них ничего, они жиды . Оч много разных предложений
Аноним 18/12/25 Чтв 23:46:06 #107 №327795307 
>>327790903 (OP)
Шмаль выращивают
Аноним 18/12/25 Чтв 23:47:26 #108 №327795337 
>>327794777
> Ну тепловая мощность киловатта полтора мб. На ней еду готовить можно так то, как на примусе. Во всяком слдучае в германии на подобные лампы продавались верхушки для установки котелка. Короче да, горяченькая.
В теории, можно взять в поход значит. Прикольно. Не надо костер разводить. Хотя и энергии хватит, вероятно, только на один прием пищи на одного.
Аноним 18/12/25 Чтв 23:58:33 #109 №327795602 
image.png
>>327795337
Да, их берут, для кепингов всяких, для рыбалки ночью и проч.


Погляди обзоры, гуглить Petromax, Sea Anchor kerosene lamp, керосиновая лампа высокого давления и проч подобное
Аноним 19/12/25 Птн 00:21:43 #110 №327796128 
>>327794428
Стандартный светильник это 400Вт ДНат.
Аноним 19/12/25 Птн 00:29:09 #111 №327796294 
>>327796128
Нет, тот анон прав, он же написал "дворового". Там лампы 70-100 вт стоят, во всяком случае у меня в Питере. Днаты 400 вт это уже проспект и прочие большие дороги освещать
Аноним 19/12/25 Птн 00:32:02 #112 №327796342 
>>327794484
Буквально одинаковые схемы, просто одна на оптопарах.

У меня в России осталось несколько десятков ИН-12 с панельками! и часы на них. В часах реализован режим борьбы с отравлением катодов, раз в час все индикаторы прогоняются по кругу несколько секунд, типа как в одноруком бандите и есть режим плавной смены цифр.

Но что меня лично сильно бесит в советских индикаторах, это то, что они сука зачем-то 2 и 5 сделали одной формы. Это пиздец как тупо.
Аноним 19/12/25 Птн 00:36:14 #113 №327796420 
>>327796294
У нас во дворах точно такие же стояли, как и на большой улице. Так комунальщикам проще.
Тащемта, массовые варианты ламп это 250 и 400Вт под Е40 патрон.
125Вт Е27 это уже редкость для низких столбов.
Аноним 19/12/25 Птн 00:38:38 #114 №327796455 
>>327796342
Не, разница скажем ещё в том что на простой один общий резистор анодный, а на более нормальной - по одному на лампу, ну и прочие такие моменты


Да, понимаю о чем ты. Много бугурта на форумах лежит на эту тему
Аноним 19/12/25 Птн 00:44:52 #115 №327796596 
>>327796420
Оригинально!

Ну, у нас пикрилы дворы раньше освещеали, под днат сотку, на растяжках с изоляторами. Потом
12 лет назад их по большей части заменили на столбы модные молодежнее под такие же лампы, а теперь я все жду пока все к хуям не поменяют на светодиоды, натрий конечно заебал. В моем понтовом районе он ща только во дворах и остался лол. а лучше бы на дрл поменяли бы, помню как я охуел когда сгонял в Псков в 2016 и там целая огромная улица совещена только ДРЛками, кайфанул жоска

Макаба выебывается, я спать, всем спасибо за интересный тред
Аноним 19/12/25 Птн 00:45:27 #116 №327796611 
Screenshot20251219003922Google.jpg
>>327796596
Пик отвалился
Аноним 19/12/25 Птн 00:46:16 #117 №327796626 
>>327796455
> Один резистор
Динамическая индикация же и не многосегментные лампы, похуй. Мощность только не проебать главное.

А холивары по поводу переменки или постоянки для накала ВЛИ идут?
[mailto:[email protected]Аноним 19/12/25 Птн 00:57:33 #118 №327796879 
>>327790903 (OP)
Выращивают всякие растения, многие говорят что именно травку, но это каким долбоёбом нужно быть чтобы так открыто этим заниматся.
Аноним 19/12/25 Птн 00:58:30 #119 №327796905 
14346325462140.webm
14344653659040.webm
>>327790903 (OP)
рассада, епта
Аноним 19/12/25 Птн 01:01:55 #120 №327796974 
14358584430910.jpg
>>327790903 (OP)
Хуита для дебилов.
Чтобы помидоры расли нужен белый дневной свет, солнце нахуй, когда плоды наклевываются, ебашишь теплый свет, типа осень близко, урожай зреет ска. и уже режим света 12/8, а короче нахуй.
Аноним 19/12/25 Птн 01:04:28 #121 №327797024 
1000027441.jpg
>>327794185
Плазменные, конечно, кайф, но сложно.
Удивительно, насколько пизже выглядит обычный матричный ЖК экран в инверсном варианте, когда у него оранжевая или красная подсветка. Приборные панели в старых БМВ или вот пикрил, контроллер монтировки телескопа.
Аноним 19/12/25 Птн 01:07:11 #122 №327797067 
>>327791110
Ну то есть если я увижу фиолетовый свет в окне, то можно смело заходить в падик и ломиться в эту квартиру? Так это работает в головах пикабушных девственноомежек?
Аноним 19/12/25 Птн 01:07:13 #123 №327797069 
14301416849501.webm
>>327797024
Да.
Аноним 19/12/25 Птн 01:09:10 #124 №327797119 
>>327790903 (OP)
Обычно после этого сообщения трэйд улетает нахуй в небытие.

Фиолетовое/розовое свечение в окнах - это не юные гроверы, не домохозяйки выращивающие дилдокактусы, коупящие отсутствие солнеченого света дешевой китайской лампой, нет, все гораздо прозаичнее.

Ты наверняка мог заметить, что количество окон с таким свечением за последние месяцы только выросло, и да, сегодня (19 декабря) наблюдается самый пик такого свечения, потому что это сигнал, и сигнал с определенной целью для тех, кто вот уже как несколько месяцев готовится провести вторжение на Землю. Ты же не думал, что на Земле нет их подсосников, чмонемусора, неписей? Их очень много, и единственное что их выдает - это жажда фиолетового свечения, т.к. они хоть и тот еще мусор в генетическом смысле, но они несут в себе природу Атлассианцев, а спектр и длина этого свечения - то что им необходимо для жизни. Поэтому их подсосы и подгатавливают площадку для визита
Аноним 19/12/25 Птн 01:11:29 #125 №327797165 
>>327797119
Да не пизди, трава это.
Аноним 19/12/25 Птн 01:13:48 #126 №327797209 
>>327797067
>пук
терпи, демограшка рапснявая)
Аноним 19/12/25 Птн 01:17:13 #127 №327797269 
17660961975802652043747118200610.jpg
>>327793256
>плазменный неоновый моник 100*100
Аноним 19/12/25 Птн 01:23:24 #128 №327797379 
>>327790903 (OP)
Пидорахи решили съебаться из скотоублюдии через самодельный мини-портал в варп.
Аноним 19/12/25 Птн 01:30:00 #129 №327797493 
>>327797379

Шо, опять прилетело?
Аноним 19/12/25 Птн 01:31:00 #130 №327797511 
>>327797493
По лбу те залупой прилетело.
Аноним 19/12/25 Птн 01:32:57 #131 №327797549 
Лохам нарекламили некие "фитолампы" под которыми якобы лучше растёт. Растёт под ними так же, а если качество говно то ещё и хуже. Естественно огромная переплата за лампы и за электроэнергию по сравнению с обычными лампами
Аноним 19/12/25 Птн 01:35:26 #132 №327797589 
>>327790903 (OP)
точнее в каждом дома по 2 или 3 таких окна, это потому что так запраграммирован графический код в этой симуляции
>>327791178
> Для растений же самый песдатый источник света – звезда по имени Солнце
полезно не солнце а тепло которое от него получает растение которое аккумулирует энергию как солнечные батареи
Аноним 19/12/25 Птн 01:36:25 #133 №327797612 
>>327797589
>полезно не солнце а тепло которое от него получает растение
Тогда бы растения превосходно себя чувствовали под одним простым обогревателем. Хуйню несёшь, растениями нужны фотоны
Аноним 19/12/25 Птн 01:40:46 #134 №327797684 
.jpg
>>327790903 (OP)
Аноним 19/12/25 Птн 01:49:40 #135 №327797847 
>>327797612
так они и превосходно себя чувствуют под одним простым обогревателем, ты же не проверял и кукарекаешь
Аноним 19/12/25 Птн 01:55:01 #136 №327797926 
>>327797847
>так они и превосходно себя чувствуют под одним простым обогревателем
Сам придумал, чепуха?
>ты же не проверял
Ты не можешь обладать информацией о моём опыте, чепуха
Аноним 19/12/25 Птн 02:05:37 #137 №327798098 
>>327790903 (OP)
Я больше в ахуе, что у каждого второго балкон с подогревом. Потому что в моих пердях тоже самое. К зиме все стали каннабисы выращивать. Летом 1.5 окна было фиолетовых.
Аноним 19/12/25 Птн 02:10:55 #138 №327798167 
>>327798098
Чел, это бабушки пытаются растения свои спасти в суровые зимние короткие дни, когда солнца хуй да нихуя. Чё летом от этого света, когда летом буквально пик солнца?
Аноним 19/12/25 Птн 02:24:50 #139 №327798311 
>>327790903 (OP)
это наркоманы анашу выращивают!!!
Аноним 19/12/25 Птн 02:31:58 #140 №327798386 
>>327790903 (OP)
Это значит что там проститутки
Аноним 19/12/25 Птн 02:34:00 #141 №327798409 
>>327790903 (OP)
У нас всё ходили и ржали типо "А, там шлюшочная!" но всё понимали, что там просто рассаду выращивают.
А потом менты приехали и реально оказался "салон"
Аноним 19/12/25 Птн 05:04:25 #142 №327799965 
>>327798409
>У нас всё ходили и ржали типо "А, там шлюшочная!" но всё понимали, что там просто рассаду выращивают.
>А потом менты приехали и реально оказался "салон"
Сэйм щит. В моей мухосрани такой же прикол был лол
Аноним 19/12/25 Птн 05:08:10 #143 №327800008 
>>327791083
Охуенно, м-люди - СОСАТЬ!
Аноним 19/12/25 Птн 05:08:11 #144 №327800009 
>>327793244
Ты на эту лампу часами собрался смотреть?
sage[mailto:sage] Аноним 19/12/25 Птн 05:36:04 #145 №327800301 
>>327791083
какой гровинг в квартире лол? оно же воняет
у меня вот в квартире вентиляция выходит в коридоры и если кто-то начнет выращивать то будет вонять на весь этаж минимум
Аноним 19/12/25 Птн 08:07:38 #146 №327801900 
IMG9040.jpeg
>>327790903 (OP)
Вот
Аноним 19/12/25 Птн 08:10:48 #147 №327801945 
пытаются вернуть вайб зимы 2021 лол
comments powered by Disqus