Сохранен 300
https://2ch.su/b/res/331720993.html
К сожалению, значительная часть сохранённых до 2024 г. изображений и видео была потеряна (подробности случившегося). Мы призываем всех неравнодушных помочь нам с восстановлением утраченного контента!

Сап, аноны. Электронщик в треде. Можете задавать вопросы по радиоэлектронике, ремонту.

 Аноним 08/04/26 Срд 12:33:04 #1 №331720993 
изображение.png
изображение.png
Сап, аноны.
Электронщик в треде.
Можете задавать вопросы по радиоэлектронике, ремонту.
Аноним 08/04/26 Срд 12:34:39 #2 №331721053 
Хуй будешь?
Аноним 08/04/26 Срд 12:34:46 #3 №331721057 
>>331720993 (OP)
Привет.
sage[mailto:sage] Аноним 08/04/26 Срд 12:34:53 #4 №331721063 
>>331720993 (OP)
>Можете задавать вопросы по радиоэлектронике, ремонту.
Общий алгоритм поиска проблем, позволяющий решить 90% проблем простых, доступных школьнику.
Аноним 08/04/26 Срд 12:35:46 #5 №331721093 
>>331720993 (OP)
Так ты будешь?
Аноним 08/04/26 Срд 12:37:46 #6 №331721151 
>>331721063
удваиваю
искать нонейм схему и еще неделю ее изучать - сразу иди нахуй
sage[mailto:sage] Аноним 08/04/26 Срд 12:39:26 #7 №331721207 
>>331721151
>искать нонейм схему
Удачи блять просто. Нахуй. Натурально абсолютно бесполезное занятие в большинстве случаев. Сервисные мануалы доступны избранным и есть не на все, а большая часть всего сделана "хуяк-хуяк в продакшен, работает-продастся"
Аноним 08/04/26 Срд 12:39:54 #8 №331721221 
>>331720993 (OP)
Хуй сосешь? Прозвон дорожек делаешь?
Аноним OP 08/04/26 Срд 12:42:39 #9 №331721297 
Бочку сосу, хуй делаю, совсем забыл.
Аноним 08/04/26 Срд 12:56:05 #10 №331721707 
>>331720993 (OP)
Поясните мне за статистическое электричество, почему оно так опасно для оборудования?
Аноним 08/04/26 Срд 12:57:11 #11 №331721750 
image.png
>>331720993 (OP)
Недавно генератор в жоповозке починил. Я маладец?
sage[mailto:sage] Аноним 08/04/26 Срд 12:57:56 #12 №331721766 
>>331720993 (OP)
Сука ваще не могу понять как схемы читать. Хоть и видосы смотрел. ЧО КУДА ИДЕТ ТО БЛЯТЬ
НУ знаю я компаненты там транзистор хуистор
Бляя а че куда и как идет ваще чет понять не могу
Аноним 08/04/26 Срд 12:58:08 #13 №331721770 
>>331720993 (OP)
Секторобылы, вы зачем дорожки с углами разводите вместо оптимальных плавных линий?
Аноним 08/04/26 Срд 12:59:28 #14 №331721799 
>>331721750
>Я маладец?
Эти диоды вряд ли вытянут ток от генератора.
Аноним 08/04/26 Срд 13:01:08 #15 №331721843 
>>331721799
Эт на намагничивание ротора диоды
Основные выпрямительные там внутри
Аноним 08/04/26 Срд 13:02:15 #16 №331721872 
>>331720993 (OP)
Как вкатиться в радиогубительство? Что нужно чтобы сделать свою первую шарманку на 6п3с и послушать шансончик с летучим голландцем на даче? Знаний абсолютно ноль, школьная программа в коридоре прослушана
Аноним 08/04/26 Срд 13:02:23 #17 №331721876 
Как на электроприбор/БП приходит переменка 220 а он выключен, ну не в работе, и не сгорает. Знаю что-то про дежурную цепь, хочу услышать ответ знающего человека
Аноним 08/04/26 Срд 13:04:02 #18 №331721920 
>>331720993 (OP)
Электроника сложнее программирования?
Аноним 08/04/26 Срд 13:05:55 #19 №331721979 
>>331721920
Сложность опграничена только тем как далеко ты готов углубиться
Аноним OP 08/04/26 Срд 13:06:06 #20 №331721987 
>>331721872

Любую советскую книжку для радиолюбителей. Можно купить даже на Озоне за 100р.
Аноним 08/04/26 Срд 13:06:47 #21 №331722007 
>>331720993 (OP)
наху ты нужен? бабкам телевизоры чинить?
Аноним 08/04/26 Срд 13:06:51 #22 №331722009 
17755020088470752822.png
>>331720993 (OP)
Тяжело вкатываться? Ничего не понимаю в физике.
Хочу делать разные штуки электренные. Новые телефоны там собирать, и франкенштейнов пердящих.
Аноним OP 08/04/26 Срд 13:07:31 #23 №331722032 
>>331721876

А почему он должен сгореть?
Аноним OP 08/04/26 Срд 13:07:53 #24 №331722050 
>>331721920

Абсолютно одинаково. Как правило, электронщики - ещё и программисты.
Аноним OP 08/04/26 Срд 13:08:32 #25 №331722073 
>>331722007

Разрабатываю пердолы для таких, как ты. Но если надо телевизоры, то могу и телевизоры.
Аноним 08/04/26 Срд 13:08:46 #26 №331722079 
Отъебнул вайфай на телевизоре, это пизда вайфай модулю?
Аноним OP 08/04/26 Срд 13:09:26 #27 №331722098 
>>331722009

Должна быть тяга с детства, я думаю. Вкатываться никогда не поздно, что бы ни говорили дурачки типа того, что с 25 лет ничего нового освоить нельзя. Ещё как можно.
Аноним 08/04/26 Срд 13:09:41 #28 №331722111 
>>331722073
Я не понимаю нахера это. На любую хотелку есть готовое устройство у каитйцев
sage[mailto:sage] Аноним 08/04/26 Срд 13:09:46 #29 №331722113 
>>331722079
>Отъебнул вайфай на телевизоре, это пизда вайфай модулю?
В чем именно симптомы подробнее.
Аноним OP 08/04/26 Срд 13:10:00 #30 №331722120 
>>331722079

Загугли, может типовой какой дефект. Как именно он отъебнул?
Аноним OP 08/04/26 Срд 13:11:34 #31 №331722171 
>>331722111

На многие, но не на любую. У них даже лабораторные блоки питания говно. Всё для себя приходится делать своими руками. Благо, многое можно сделать на основе сответского, которое на авито стоит копейки. Например, купить советский осциллограф 10 мГц за 1000р и довести его до 50 МГц за выходные.
Аноним 08/04/26 Срд 13:11:58 #32 №331722181 
>>331722120
Не работает ни вайфай ни блютуз
Аноним 08/04/26 Срд 13:12:19 #33 №331722193 
>>331722113
Не работает, вот и все симптомы
Аноним 08/04/26 Срд 13:13:04 #34 №331722210 
>>331722120
Просто в один прекрасный день перестал работать
Аноним 08/04/26 Срд 13:13:20 #35 №331722220 
>>331720993 (OP)
Тогда держи задачку: как из 3 резисторов и 1 конденсатора реализовать симуляцию нажатия (допустим на 1 секунду) и отпускания кнопки после подачи питания?
Аноним 08/04/26 Срд 13:14:09 #36 №331722248 
>>331722181
>>331722210

Что значит "не работает"? Не видит сеть или устройство не видит модуль?
Аноним 08/04/26 Срд 13:14:18 #37 №331722255 
>>331722073
Сможешь портативную консоль запилить на рокчипе каком-нибудь?
Аноним 08/04/26 Срд 13:14:38 #38 №331722267 
>>331720993 (OP)
>Электронщик в треде.
>Можете задавать вопросы по радиоэлектронике, ремонту.
У меня не работает вай-фай
>>331722120
>Загугли, может типовой какой дефект.
Охуенный ты конечно электронщик.
Аноним 08/04/26 Срд 13:15:14 #39 №331722283 
>>331722248
Блядь, ты, заебал! Не работает полностью, ни устройство не видит, ни черта ни видит, нихуя не видит
Аноним OP 08/04/26 Срд 13:15:19 #40 №331722286 
>>331722220

Так же, как у микроконтроллеров формируется RESET, анонче.
Аноним OP 08/04/26 Срд 13:15:56 #41 №331722308 
>>331722255

Делал только ZX-SPECTRUM на альтере.
sage[mailto:sage] Аноним 08/04/26 Срд 13:16:03 #42 №331722312 
>>331722193
>Не работает, вот и все симптомы
Ахуенно подробно.
1. Если ударял телек ,или ронял или пылесосил. Надо разобрать, всунуть модуль, проверить антенны.
2. Это андроидопараша, я не знаю, как. В общем надо снести и поставить драйвера.
Скорее всего 2, сам по себе модуль сдох маловероятно
Аноним 08/04/26 Срд 13:16:13 #43 №331722316 
image.png
>>331720993 (OP)
Обосцы, но с аргументами.
Кратко - это самодельный джойстик на BluePill STM32.
Аноним 08/04/26 Срд 13:16:37 #44 №331722330 
>>331722308
Такое и я могу сделать, при том на поверхностном монтаже чисто.
Аноним OP 08/04/26 Срд 13:16:38 #45 №331722332 
>>331722283

Ты что-то нажал и всё сломалось?
Аноним 08/04/26 Срд 13:16:40 #46 №331722334 
>>331722171
Махарайщик в треде. Я съёбываю.
Аноним 08/04/26 Срд 13:17:33 #47 №331722375 
>>331721063
>позволяющий решить 90% проблем простых
разобрать и аккуратно собрать обратно, если оторвался проводок - припаять назад. Сама плата с детялям маловероятно что выйдет из строя при нормальной эксплуатации.
Аноним OP 08/04/26 Срд 13:18:15 #48 №331722394 
>>331722316

>джойстик на BluePill

А почему не на pentium-4?
Аноним 08/04/26 Срд 13:18:44 #49 №331722409 
>>331722316
Для махарайки - пойдет.
Аноним 08/04/26 Срд 13:19:05 #50 №331722418 
>>331722312
Модуль впаянный.
Короче, ты в натуре еблана кусок а не электронщик.
Аноним 08/04/26 Срд 13:19:05 #51 №331722419 
image
>>331720993 (OP)
Посоветуй регенератор синусоиды, чтобы сигнал ГТИ стал ровным и не вызывал задержку ввода из-за коррекции ошибок микроконтроллеров. THD 0.08-0.03% нужно или <3-4% по нелинейной хватит?
Аноним OP 08/04/26 Срд 13:19:33 #52 №331722430 
>>331722330

Ну попробуй. Особенно интересно, как ты сделаешь Z80, гонимый до 50 МГц, чтобы не рушилась синхра ТВ сигнала и AY. Вот про AY особенно даже интересно.
Аноним 08/04/26 Срд 13:19:45 #53 №331722434 
>>331722394
Потому что есть готовый фриджой, с ультимативной возможностью настройки.

>>331722409
Что такое махарайка?
sage[mailto:sage] Аноним 08/04/26 Срд 13:19:45 #54 №331722435 
>>331722316
>Обосцы, но с аргументами.
Аппаратный дребезг кнопок..
Аноним 08/04/26 Срд 13:19:45 #55 №331722436 
>>331722332
Не, просто перестал работать, пришел с работы, включил телек,а он не работает.
sage[mailto:sage] Аноним 08/04/26 Срд 13:20:47 #56 №331722466 
>>331722375
>разобрать и аккуратно собрать обратно, если оторвался проводок - припаять назад.
Ну чет так себе... А чутка глубже. до 90%? Это максимум на 30% тянет
Аноним 08/04/26 Срд 13:21:16 #57 №331722483 
>>331722435
Не хватало место под подтяжки на плате. Вроде как программно решаются.
Аноним 08/04/26 Срд 13:21:31 #58 №331722491 
>>331721707
Опасно потому что схемы расчитаны на сигналы едениц вольт, а статика - это киловолт+ может быть. В современные микрухи ставят защиту по входам от статитики, но это возможно не всегда и не от любой статики спасет. Зависит от итоговой энерги которую искра успела передать на ножку.
sage[mailto:sage] Аноним 08/04/26 Срд 13:21:32 #59 №331722493 
>>331722419
>>331722418
Фанера, нахуй пошла, пидорша спидозная.
Аноним 08/04/26 Срд 13:22:05 #60 №331722505 
>>331721770
В старых платах были плавные линии, потому что их рисовали от руки фломастером. Потом появились микросхемы и они были или квадратные или прямоугольные, и их проще обходить прямыми углами. Сейчас все дорожки просчитываются спец программами, и им удобней просчитывать пути в прямых линиях.
sage[mailto:sage] Аноним 08/04/26 Срд 13:22:30 #61 №331722516 
>>331722483
>Вроде как программно решаются.
Ну это костыли.. Но как хочешь, СМД резистор-кондер не так много места занимают.
Аноним 08/04/26 Срд 13:23:43 #62 №331722552 
>>331722516
>СМД
А я руками паяю, обычным паяльником. Поэтому СМД недоступен. Я пока не эволюционировал до фена и пасты. А заказывать сборку сразу у китайцев тоже пока не умею.
Аноним OP 08/04/26 Срд 13:23:55 #63 №331722563 
>>331722434

Ёбаный насрал, анон, ты вообще представляешь возможности блюпилла? На нём можно компьютер полностью собрать, а ты хочешь делать на нём... джойстик? Чё за дела, тут atmega8 - за глаза.
Аноним 08/04/26 Срд 13:25:07 #64 №331722608 
>>331721872
>свою первую шарманку на 6п3с
проблемы ламповой схемоты - это найти силовой трансформатор для питалова и накала, и трансформатор с выходного каскада на динамик. В остальном ламповый каскад - это схемка на три детальки
Аноним OP 08/04/26 Срд 13:25:13 #65 №331722610 
изображение.png
>>331722505

Ну не знаю, не знаю...
Аноним 08/04/26 Срд 13:25:21 #66 №331722616 
>>331722098
Как долго сам начинал? Транзисторы сосал?
Аноним 08/04/26 Срд 13:25:28 #67 №331722621 
>>331722563
> блюпилла?
Запишу, поизучаю. Тем не менее. Сейчас оно так. Есть ли критические проблемы, которые помешают пользованию?
Аноним 08/04/26 Срд 13:25:49 #68 №331722637 
>>331722493
Лол, фанера своего овнера узнал и решил его собой обозвать. Вот так самоирония!!

>>331722419
бамп вопросу
Аноним OP 08/04/26 Срд 13:26:07 #69 №331722647 
>>331722552

Я тож паяю SMD паяльником, просто привычка, да и приятнее им паять, чем феном. Некоторые нежные детали вообще феном перегреваются и при включении делают "пыщ!".
Аноним OP 08/04/26 Срд 13:26:34 #70 №331722667 
>>331722608

Всё это на авито можно купить за 500р.
sage[mailto:sage] Аноним 08/04/26 Срд 13:27:51 #71 №331722713 
>>331722552
>А я руками паяю, обычным паяльником. Поэтому СМД недоступен. Никаких проблем.. тупо зубочисткой. Тыкаешь жалом в площадку, чтоб туда буквально немного припоя попало. Берешь смд, придерживаешь его зубочисткой, прогреваешь конец со стороны залуженной площадки. Повторяешь с другой. Если не надо так паять условно 20 штук к ходу, то вполне терпимо
Для не ультрамелких смд вполне пойдет
Аноним OP 08/04/26 Срд 13:28:43 #72 №331722752 
>>331722616

Да я особо не начинал. Лампочка+батарейка - вот и всё, психика ребёнка необратимо направлена к радиотехнике. В те времена ещё в книжных магазинах, которые были в каждой деревне, можно было покупать книжки со схемами, как для взрослых, так и для детей. А ещё в библиотеках были журналы для таких ёбнутых детей. Когда я их брал, библиотеркаша кекала, типа вот тебе делать нефиг, картинки разглядывать, ты же всё равно ничего в них не понимаешь. А я их в тетрадку перерисовывал между прочим.
А потом вырос и получил образование.
sage[mailto:sage] Аноним 08/04/26 Срд 13:28:57 #73 №331722758 
>>331722637
Фанера, нахуй пошла
Аноним 08/04/26 Срд 13:29:23 #74 №331722777 
>>331720993 (OP)
> Сап, аноны.
> Электронщик в треде.
> Можете задавать вопросы по радиоэлектронике, ремонту.
Собираюсь взять на озоне электрод для ph с bnc разъемом, микруху с операционным усилителем, и сделать из этой байды измеритель ph. С какой вероятностью я обосрусь и у меня нихуя не выйдет?
Аноним 08/04/26 Срд 13:29:33 #75 №331722782 
>>331722419
Бамп вопросу.
Аноним 08/04/26 Срд 13:30:13 #76 №331722800 
>>331722610
А теперь присмотрись к индивидуальным дорожкам, и увидишь что линии состоят из прямых отрезков
Аноним 08/04/26 Срд 13:31:07 #77 №331722841 
>>331720993 (OP)
1 Чому 90% современной электроники и не ремонтопригодно?
2 имеет ли смысл идти в ремонг всякого бытового оборудования?
3 где обучится, критично ли знать физику?
sage[mailto:sage] Аноним 08/04/26 Срд 13:33:07 #78 №331722903 
>>331722777
>этой байды измеритель ph. С какой вероятностью я обосрусь и у меня нихуя не выйдет?
100% Там сама суть в калибровке. Без калибровочных жидкостей, ты будешь мерять условные микросименсы не понимая, что они значат.
Аноним OP 08/04/26 Срд 13:33:42 #79 №331722925 
>>331722621

Резисторами надо подтянуть линии.
Аноним OP 08/04/26 Срд 13:35:26 #80 №331722996 
>>331722777

Микру только надо правильно выбрать. В СССР делали на лампах, там входное сопротивление огого. Ну и калибровочный раствор, продаётся.
Аноним 08/04/26 Срд 13:36:21 #81 №331723025 
>>331721920
На начальном уровне сложнее. Дольше исправлять ошибки, меньше инфы. Миллион мест где модно накосячить. Одна деваха хотела просто поставить кнопку на свою поделку на светодиоде и припаяла кнопку не в разрыв провода, а просто обе ноги кнопки припаяла на провод и удивлялась почему кнопка не влияет никак. Тоесть большнство нормисов в электронике не способны даже в школьную схему из баратейки ключа и лампочки. В кодинге тебе самые нубские ошибки подчеркнет сам компилятор. В крайнем случае внимательнее пересмотришь тутор и перепишешь нормально. В электронике цена ошибки может быть выше.Ну и работать руками с релаьным железом, разумеется требует больше сноровки, чем кнопочки наживмать. Но с какого-то этапа 90% устройства - это хитрожопая программа, а схема - просто контроллер и и обвязка к нему. Тут все меняется местами.
Аноним 08/04/26 Срд 13:37:34 #82 №331723071 
>>331722419
бамп вопросу
Аноним 08/04/26 Срд 13:38:09 #83 №331723091 
>>331720993 (OP)
Коржевский крут?
Аноним OP 08/04/26 Срд 13:38:35 #84 №331723110 
>>331722841

>90% современной электроники и не ремонтопригодно?

Я бы сказал, что 90% как раз ремонтопригодно.

>имеет ли смысл идти в ремонг всякого бытового оборудования?

Нет, если ты не ебанутый. Если ебанутый, то да. Я ходил, мне не понравилось. Одно дело, если ты работаешь на кабан-кабаныча, вот тут самый пиздец. Другое - если сам на себя, вот тут легче. Но самый сложны момент - не сам ремонт, а работа с клиентами.

>где обучится, критично ли знать физику?

Даже в ПТУ на электрика - уже будет база. Физику надо знать только базово, но в ПТУ это всё повторяют, если что. Если тебе нужны знания, а не корочки, то достаточно книг и лекций из универов на ютубе.
Аноним 08/04/26 Срд 13:39:01 #85 №331723125 
Ты пидорас или педофил?
Аноним OP 08/04/26 Срд 13:39:20 #86 №331723136 
>>331723071

Кто такой ГТИ?
Аноним 08/04/26 Срд 13:40:44 #87 №331723176 
>>331720993 (OP)
Привет, как получить, 3 разряд для себя? Ни за 4 года в технаре/вузе, когда тебе самому дохера лет, а побыстрее
Аноним 08/04/26 Срд 13:41:52 #88 №331723215 
>>331720993 (OP)
Если к паяльнику подключить иимисторный регулятор мощности он будет регулировать температуру от 0 до 120 градусов. Мне нужен термошпатель, но цены на готовые неадекватные. Там тупо маломощный паяльник и регулятор, мне свистоперделки не нужны.
Аноним 08/04/26 Срд 13:43:18 #89 №331723273 
>>331723110
>Нет, если ты не ебанутый. Если ебанутый, то да
Поясни чуть чуть.
> Но самый сложны момент - не сам ремонт, а работа с клиентами.

Это понятно.
Аноним OP 08/04/26 Срд 13:44:09 #90 №331723301 
>>331723215

У паяльников обычно терморегулятор в комплекте. Симмисторный - работает, но нет термостабилизации. Я из паяльника делал термошпатель для вскрытия пчелиных сот, полёт нормальный. Регулятор симисторный. Тока работать надо быстро, термостабилизации ж нет...
Аноним 08/04/26 Срд 13:44:47 #91 №331723325 
>>331720993 (OP)
где работаешь? сколько платят?
Аноним 08/04/26 Срд 13:46:19 #92 №331723387 
>>331723301
Термостабилизация, это что бы вообще отключался выше определённой температуры? Тогда может терморпару с реле к нему? Мне для работы с модельным воском.
Аноним OP 08/04/26 Срд 13:46:45 #93 №331723403 
>>331723273

>Поясни чуть чуть.

Нужна стрессоустойчивость по всем фронтам. А ещё на тебя будут сваливать всё, даже то, что к тебе не относится. Например, бегать по магазинам. Если найдёшь хорошую контору, где тебя оградят от всего кроме ремонта, то в принципе норм, лампово и пиво по вечерам можно пить. Но обычно требуют, требуют, требуют, а ещё переклеивать дисплеи на смартфонах и перепаивать USB разъёмы, ковырять отгнившие пятаки на платах... Никакого творчества, кароч.
Аноним 08/04/26 Срд 13:46:51 #94 №331723407 
>>331723387
>Тогда может терморпару с реле к нему?
Можно.
Аноним 08/04/26 Срд 13:46:58 #95 №331723414 
>>331722466
Если что-то реально сгорело, тебе уже потребуется гораздо больше компетенции чтобы это починить и найти замену. Микруха или транзистор просто так сами по себе не сгорят. У этого есть какая-то причина, и если её не устранить, то замена транзистора на новый приведет к тому, что сгорит и он. В ипульсной схемоте вообще все от всего зависит, наверное один из самый капризных классов устройств. Туда без компетенции точно лезть не стоит.
Аноним 08/04/26 Срд 13:47:00 #96 №331723416 
>>331723136
Генератор тактовых импульсов, но да ладно, не твоя сфера, как я понял. Придётся регенератор за лям брать.
Аноним OP 08/04/26 Срд 13:47:30 #97 №331723437 
>>331723325

Уже нигде, заебался, стал самозанятым. Платят хорошо.
sage[mailto:sage] Аноним 08/04/26 Срд 13:47:43 #98 №331723447 
>>331723215
Двачну ОПа >>331723301
Опиши глубину задачи.
1. Тебе нужна четкая терморегуляция, или накрутить около куда-то пойдет?
2. Тебе нужны лопатки СПЕЦИФИЧЕСКОЙ формы? В условном паяльнике жала будут другой Формы. Ты всегда можешь заебаться и сделать из медной трубки, но получится хуйня.

>>331723387
>Мне для работы с модельным воском.
Бери самый дешевый из найденных, в которых есть контроль температуры.. Тебе нужны жала нужной формы, с паяльником не прокатит
Аноним OP 08/04/26 Срд 13:48:38 #99 №331723478 
>>331723387

Когда жало контактирует с материалом, оно отдаёт ему тепло и охлаждается. В этот момент термостабилизатор должен уловить, что жало резко остыло и дать напряжение на нагреватель, чтобы компенсировать данный момент.
Аноним OP 08/04/26 Срд 13:49:32 #100 №331723508 
>>331723407

Ток ремопару надо в жало, а лучше - на сам рабочий элемент.
Аноним 08/04/26 Срд 13:49:32 #101 №331723509 
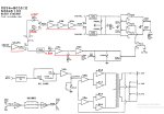
Схема.png
>>331720993 (OP)
Сап коллега. Есть хуйня
Использую ADS1115 для контроля напряжения на группе АКБ 2х12=24В; на первый вход подаю напряжение с одного АКБ 12В через делитель 75 и 20 кОм, на второй напряжение с группы 24В через делитель 82 и 10 кОм соответственно. АЦП питается от 3.3В, как и ESP32, к которой он подключен
С первого входа сигнал считывается стабильно и достаточно точно. Со второго входа (при стабильном тестовом напряжении) изначально считывается завышенное значение, причём довольно значительно (около 200 попугаев), которое постепенно снижается до нормального. Где спряталась жопа? Схему прилагаю, номиналы делителей немного отличаются от представленных на схеме. При измерении усредняю 10 значений.
Аноним OP 08/04/26 Срд 13:50:47 #102 №331723555 
>>331723416

Для чего импульсы-то? Проще сделать, чтобы МК управлял, а импульсы выдавал внешний генератор. Хотя, современные МК позволяют довольно чётко синхронизироваться - например, от GPS.
Аноним 08/04/26 Срд 13:50:50 #103 №331723557 
>>331722483
Да, решается, и даже с подтяжжками и кондерами все равно программно надо обрабатывать для надежности. А раз все равно обрабатывать, то и нах не нужны лишние детали.
Аноним 08/04/26 Срд 13:51:32 #104 №331723583 
>>331723478
Значит у самого жала.
>>331723447
У меня разброс градусов 30-50 допустим. Если хорошо плавится при 68, то гореть и дымить начинает при 120. Жала то я легко выкую любой формы, мне сам прибор нужен.
Аноним 08/04/26 Срд 13:52:05 #105 №331723609 
>>331720993 (OP)
Каких советов можешь дать начинающему инженеру-электронику? Какие есть хорошие книги/учебники по схемотехнике, конструированию РЭА и программированию микроконтроллеров и встраиваемых систем?
sage[mailto:sage] Аноним 08/04/26 Срд 13:55:43 #106 №331723747 
>>331723583
>У меня разброс градусов 30-50 допустим. Если хорошо плавится при 68, то гореть и дымить начинает при 120. Жала то я легко выкую любой формы, мне сам прибор нужен.
Хм.. ну тогда можешь рассмотреть простейшие паяльник с термоподдержкой, они стоят 2000 р, но жала придется дрочить самому.
Можешь реально взять симисторный диммер за 300р и включить туда паяльник за 100 р и сделать жала какие хочешь.. Но там тебе придется крутить диммер на глаз и рисовать на нем метки
Аноним OP 08/04/26 Срд 13:56:00 #107 №331723759 
>>331723609

Насколько начинающему? Если для себя начинающему, то всё приходит с опытом. Сначала повторяешь чужие конструкции, затем улучшаешь их, затем уже чужие не устраивают и делаешь свои.
Аноним OP 08/04/26 Срд 13:57:05 #108 №331723807 
>>331723509

Ждать надо. Ты же переключаешь каналы.
Аноним 08/04/26 Срд 13:57:43 #109 №331723833 
Screenshot20260408-135511AliExpress (1).jpg
Screenshot20260408-135714AliExpress (1).jpg
>>331722552
Купи вот такой и паяй смд с удовольствием.
Еще можешь купить просто набор 0.125 ваттных резюков, они сильно меньше места занимают чем 0.25 ваттные.
Аноним 08/04/26 Срд 13:58:46 #110 №331723872 
>>331723807
Как это в коде будет выглядеть? delay() после измерения с первого канала поставить?
Аноним 08/04/26 Срд 13:59:55 #111 №331723916 
Брачо, уронил ноут, индикатор питания питания не отображается. Че делат епту бля
Аноним OP 08/04/26 Срд 13:59:58 #112 №331723917 
>>331723833

Я в детстве плющил медные жала, чтобы одновременно прогревать все ножки одной стороны микросхем...
Аноним OP 08/04/26 Срд 14:00:52 #113 №331723958 
>>331723872

Там же есть вроде какой-то бит на этот случай. Или выкидывать несколько первых измерений.
Аноним 08/04/26 Срд 14:01:04 #114 №331723971 
>>331723437
ладно, работу какую выполняешь?
Аноним 08/04/26 Срд 14:01:27 #115 №331723980 
>>331722777
Тоесть ты прям без контроллера+АЦП хочешь, а тупо выход оперюка на индикаторную головку? Ну что-то он показывать конечно будет, но как ты будешь это калибровать и вносить всякие поправки. Если хочется поковырятся с детальками, норм варик для первого проекта, если нужен именно pH метр, лучше купить готовый
Аноним OP 08/04/26 Срд 14:01:33 #116 №331723985 
>>331723916

Батоно, не сматры на етат индыкатор, работай так по кайфу!
Аноним OP 08/04/26 Срд 14:01:53 #117 №331723997 
>>331723971

Разработка, ремонт.
Аноним OP 08/04/26 Срд 14:02:38 #118 №331724024 
>>331723980

В советских pH-метрах не было МК.
Аноним 08/04/26 Срд 14:06:45 #119 №331724161 
>>331722841
>критично ли знать физику?
нет не критично. На все детали есть даташит и там описано что куда подавать, откуда снимать сигнал и.т.д. даже если делаешь сугубо физичекую вещь - типа гироскопа+акселерометра, то даже тут вся физика уже реализована на кристалле, ты получаешь уже цифровой сигнал. Вот для написания программы под гироскоп уже полезно знать что ускорение - производная скорости, а скорость производная пути. В общем физику и математику надо знать уметь гуглить скорее прораммистам больше.
Аноним 08/04/26 Срд 14:09:59 #120 №331724274 
>>331722903
> >этой байды измеритель ph. С какой вероятностью я обосрусь и у меня нихуя не выйдет?
> 100% Там сама суть в калибровке. Без калибровочных жидкостей, ты будешь мерять условные микросименсы не понимая, что они значат.
Ясен хуй калибровочные порошки под разный ph там в комплекте. И для начала при комнатной температуре, но дикпик советовал датчик температуры для поправки на нее

>>331723980
> Тоесть ты прям без контроллера+АЦП хочешь, а тупо выход оперюка на индикаторную головку?
Ну для начала хоть как то, потом ясен хуй с контроллером. Пока видел тот усилитель что дикпик советовал в дип корпусе чтоб в макетку его воткнуть

>>331722996
> Микру только надо правильно выбрать. В СССР делали на лампах, там входное сопротивление огого. Ну и калибровочный раствор, продаётся.
Из того что советовал дикпик я выбрал LMC6482, на озоне есть за 220р за 10 штук, dip и sop версии
Аноним 08/04/26 Срд 14:14:43 #121 №331724459 
>>331724274

>LMC6482

20 фемтоапмер, однако.
Проверь тока, чтобы оригинал был.
Аноним 08/04/26 Срд 14:14:51 #122 №331724466 
>>331724274
Ну в принципе ты можешь собрать на оперюке схему к огромным входным сопротивлением, а на выходе просто тестером вольты мерить - это и будут твои перые попугаи и посмотришь как оно себя вообще ведет.
sage[mailto:sage] Аноним 08/04/26 Срд 14:15:23 #123 №331724480 
>>331724274
>И для начала при комнатной температуре, но дикпик советовал датчик температуры для поправки на нее
Смотри еще в чем прикол... Даже если ты четко обучишь МК мерить проводимость через измерительный мост и ОУ, что с нуля ты заебешься делать..
У тебя все равно останется температура. pH зависит от нее.. И нелинейность характеристик. То есть между калибровочными точками у тебя может быть не прямая, а кривая. Качественные pH метры могут это учитывать.
Если задача стоит как-то померить, с около точностью, то тебе не надо такой хороший датчик. Пойдет хуйня из китая. А если не надо мерить 24/7, то пачка тест полосок сделают работу не хуже.
В общем заибаться-поиграться интереса ради такой датчик не имеет смысла брать. Если хочешь сделать хороший инструмент сам, то скорее не получится и лучше взять нормальный сразу.
Аноним 08/04/26 Срд 14:15:50 #124 №331724495 
>>331722171
>Например, купить советский осциллограф 10 мГц за 1000р и довести его до 50 МГц за выходные.
Фантазёр
Аноним 08/04/26 Срд 14:17:25 #125 №331724554 
Продержи тред до завтра.есть вопрос
Аноним 08/04/26 Срд 14:18:56 #126 №331724605 
>>331723833
Спасибо, закину в корзину
Аноним 08/04/26 Срд 14:20:17 #127 №331724647 
>>331724274
>на озоне есть за 220р за 10 штук
это прохлада, ориг рублей 150 за штуку будет, лучше доставку из Чип и Дипа закажи, я себе тоже когда-то с Али заказывал оперюки для металлоискателя, так вот там пришли просто перемаркированные какие-то дешевые оперюки общег назначения судя по характеристикам. Пришлось брать за х5 цену ориг в чипдипе, и только тогда все заработало правильно. Так что и тебе с Озона придет скорее всего перемаркировка, потомучто сам ты дома фемтоамперы не померишь, но электрод будет пиздить, а ты будешь чесать репу и не понимать в чем дело.
Аноним 08/04/26 Срд 14:20:40 #128 №331724663 
>>331724605

Наивный)
sage[mailto:sage] Аноним 08/04/26 Срд 14:27:27 #129 №331724945 
>>331720993 (OP)
> Можете задавать вопросы по радиоэлектронике, ремонту.
Пиздабол ты без пруфов.
Аноним 08/04/26 Срд 14:28:58 #130 №331724995 
1774400881891288.jpg
>>331722563
А плата BlackPill есть для инцелов?
Аноним OP 08/04/26 Срд 14:30:51 #131 №331725063 
>>331724995

Есть блюпилл.
Аноним 08/04/26 Срд 14:31:35 #132 №331725092 
>>331725063
Не, коуп не интересует.
Аноним 08/04/26 Срд 14:36:29 #133 №331725257 
>>331723747
>Можешь реально взять симисторный диммер за 300р и включить туда паяльник за 100 р и сделать жала какие хочешь.. Но там тебе придется крутить диммер на глаз и рисовать на нем метки

Это пожалуй самый годный вариант. Когда делаешь восковую лепёху по приблизительной форме изделия, ты просто черпаешь крючком капли воска и капаешь их, там главное не сильно перегреть, что бы не дымил.
Аноним OP 08/04/26 Срд 14:39:27 #134 №331725374 
>>331725092

Она реально так называется.
Аноним 08/04/26 Срд 14:39:27 #135 №331725375 
>>331722334
кто такой махарайщик?
Аноним 08/04/26 Срд 14:41:11 #136 №331725443 
>>331725375
ОП
Аноним 08/04/26 Срд 14:42:19 #137 №331725487 
>>331724647
> >на озоне есть за 220р за 10 штук
> это прохлада, ориг рублей 150 за штуку будет, лучше доставку из Чип и Дипа закажи
Может так и сделаю. И из чип и дейла, и хуйню с озона, и попробую посравнивать.

>>331724480
> Качественные pH метры могут это учитывать.
> Если задача стоит как-то померить, с около точностью, то тебе не надо такой хороший датчик
Этот электрод с набором порошков тыщу рублей стоит. "Качественный ph метр" стоит за сотку, пошлитка они нахуй. Промежуточные квлибровочные точки я думал попробовать намешать на чем нибудь известном.

А тест полоски у меня есть, но я ебал этот грязный цвет с образцом пытаться сверять, хуита какая то, я хочу циферки
sage[mailto:sage] Аноним 08/04/26 Срд 14:46:05 #138 №331725618 
>>331725487
>"Качественный ph метр" стоит за сотку
>ph метр лабораторного научного уровня
Ты ебанутый?...
Аноним 08/04/26 Срд 14:48:39 #139 №331725703 
>>331725487

Тебе сколько этих электродов надо? У меня есть советских пара штук. Серебро, все дела.
Аноним 08/04/26 Срд 14:55:04 #140 №331725941 
>>331725487
Тебе конечно еще с точностью определится, сколько оно надо реально. Для большинства бытовых задач полосочки хватает. Суперточноые нужны разве что в исследованиях, но там надо уже и температуру поддеривать и чистоту растворов и все такое прочее. И к pH метру придется еще докупить саму лабу. Чтобы это имело хоть какой-то смысл.
Аноним 08/04/26 Срд 14:56:37 #141 №331725998 
>>331725703
Я в них совсем не разбираюсь, анончикуе. Я просто хочу мерять ph своей земляной хуйни и смотреть как он будет меняться в зависимости от моих издевательств над ней, полоски я попробовал, мне не понравилось. Смотрел готовые карманные на всезинструментах - в отзывах их хуесосят что погоду на луне показывают. Потому и думал может взять на озоне электрод и попробовать накостылить самопальный.
sage[mailto:sage] Аноним 08/04/26 Срд 15:00:22 #142 №331726104 
>>331722552
Запаивать без траарета смд с пастой удел долбаёбов с ютуба... Выпаивать да проще.
Аноним 08/04/26 Срд 15:02:18 #143 №331726162 
>>331725998

Костян, ты? Полоски купи, ими норм мерять разболтанную в воде землицу.
Аноним 08/04/26 Срд 15:02:48 #144 №331726186 
>>331725941
> Тебе конечно еще с точностью определится, сколько оно надо реально. Для большинства бытовых задач полосочки хватает
Я ебнулся на всю голову и собрался выпаривать электролит чтоб получить концентрированную серную кислоту, в которой потом надо 8 часов кипятить фенол, чтобы получившейся бурдой можно было померять нитраты в земельке. Так что почему бы и не точно насколько возможно?

Ну и не только нитраты, но для аммония там какая то адски ядовитая щелочно-ртутная бурда, реактив Несслера. Но он вроде готовый на озоне продается. Ну и общий азот по Кьедалю.

Короче в конечном итоге я хочу заселять суп из селитры и сахара бактериями и мерять сколько азота оттуда было сожрано бактериями и перешло в их белки или во что оно там переходит. Домашний биореактор в общем.
Аноним 08/04/26 Срд 15:03:44 #145 №331726212 
image
>>331720993 (OP)
Вкатываюсь на протяжении полугода в аналоговое, не получается понять ничего сложнее мультивибраторов и делителей напряжения. Что делают компоненты, киргхофы омы знаю, но все равно непонятно. Как фиксить? Есть нормальные книги\курсы схемоты?
Аноним OP 08/04/26 Срд 15:35:40 #146 №331727354 
>>331726212

Все советские книги нормальные.
Аноним 08/04/26 Срд 15:44:33 #147 №331727645 
>>331726186
конц серку ты pH метром норм не сильно померишь, там будет около -2 наверное, плюс степень диссоциации от концентрации не линейно зависит, при очень больших концентракциях большинство ионов водорода будут в составе молекулы H2SO4 тусить, чтобы им диссоциировать и получить H3O+ нужно достаточное кол-во воды. Твой выход - это мерить плотность. Но там тоже будет погрешность при концентрациях 90%+. На весь верхний диапазон плотность будет в райное 1,82 - 1,84. Но на практике концентрация кислоты все равно будет нестабильна. Она тянет воду, плюс твоя реакция с фенолом все равно воду будет давать и сам ыенол тоже воду имеет какую-то. Но это решается избытком самой серки. В общем не нужна тебе тут такая точность концентрации в приготовлении сульфофенола. Точность ты уже очисткой готового продукта должен доводить.
Аноним 08/04/26 Срд 15:58:19 #148 №331728068 
IMG20250524210827.jpg
>>331720993 (OP)
http://www.audio-gd.com/Pro/Headphoneamp/N11P/NFB1138PEN_Specs.htm

ЦАП произвольно выключается/включается после нагрева. Пропадает звук, гаснет индикатор питания, слышно щелчок реле.

В чем проблема и как пофиксить?
Аноним 08/04/26 Срд 16:00:13 #149 №331728142 
>>331720993 (OP)
Сколько денег и времени тебе надо для организации процесса создания и проектирования чипов по ~7нм техпроцессу?
Аноним 08/04/26 Срд 16:00:51 #150 №331728156 
>>331724995
https://stm32world.com/wiki/Black_Pill
Аноним 08/04/26 Срд 16:05:43 #151 №331728324 
>>331728068
Похоже что срабатывает какая-то защита, может что-то перегевается, щюпай пальцем проверяй радиторы, термопасты если такое есть. Может быть с нагрузкой проблема какая-то, проверяй выходную часть.
Аноним 08/04/26 Срд 16:10:32 #152 №331728464 
1000006886.jpg
>>331727645
> конц серку ты pH метром норм не сильно померишь
Серку мне не надо мерять, серка это так, нужный ингридиент. Если в ней кипятить фенол дохера времени получается дисульфофеноловая кислота, она реагирует с нитратами образуя тринитрофенол, ту шимозу из японских снарядов. Эта хуйня ярко желтая и по интенсивности этой хуйни можно мерять содержимое нитратов. Ну и для остальных ништяков тоже серка нужна.

> Твой выход - это мерить плотность. Но там тоже будет погрешность при концентрациях 90%+
Так и собирался. Я примерно 90-91% выпариванием от силы и могу получить, выше половина туманом сернистого ангидрида нахер улетит. У чувака который в ютубчике на плитке кипятил по табличке плотности в районе 90.5% получилось.

Взял вот такую няшу под кипячение
Аноним 08/04/26 Срд 16:33:33 #153 №331729165 
>>331728464
Я серку в 2 этапа перегонял, сначала воду отгонял, потом уже саму серку, промежуточную фракцию снова в электролит на рециклинг. Свои 1.83-1.94 плотности я получал. Разумеется система должна быть закрытой. В открытых чашах лучше ничего не выпаривать. Возьми норм колбу круглодонную на 250мл, насадку вюрца, холодильник, аллонж со связью с амосферой и колбу приемник. От хвостика алонжа шланг куда-то на улицу выведи или через раствор соды пробулькивай через перевернутую воронку чтобы воду не затянуло. Тогда весь туман останется в системе. Шлифы ничем не смазыватй. На кряйняк можно фумку, но смотри чтобы она была без глицерина. Есть желтые фумки немецкие какие-то, там только фторопласт без хуев. Ну и клипсы на шлифы не пластиковые бери, а металические.
Аноним 08/04/26 Срд 16:56:15 #154 №331729901 
>>331721750
Очень жидкие диоды и пайка обмоток всратая.
Переделывай
Аноним 08/04/26 Срд 17:03:35 #155 №331730138 
>>331729901
>жидкие диоды
Это на возбуждение, норм должно быть
>пайка обмоток всратая
Пропаял потом ещё 300вт паяльником
Аноним 08/04/26 Срд 17:07:45 #156 №331730252 
>>331720993 (OP)
Посоветуй лучшую прогу для
а) моделирования печатных плат
б) проектирования схем
Аноним OP 08/04/26 Срд 18:17:40 #157 №331732328 
>>331728068

Что делает реле? Схему смотрел?
Аноним OP 08/04/26 Срд 18:19:48 #158 №331732389 
>>331730252

Это, анонче, кому что нравится. В принципе, все они практически одинаковые.
Аноним 08/04/26 Срд 18:21:01 #159 №331732424 
бамп вопросу
Аноним 08/04/26 Срд 18:21:30 #160 №331732441 
>>331732389
Ты какую используешь?
Аноним 08/04/26 Срд 18:24:49 #161 №331732546 
изображение.png
>>331732441

жан люк пикад
Аноним 08/04/26 Срд 18:36:02 #162 №331732926 
>>331728068
О, на мой цапоусь похож
Аноним 08/04/26 Срд 19:07:05 #163 №331733858 
>>331720993 (OP)
Делают ли шлейфы на заказ для редких девайсов?
Аноним 08/04/26 Срд 19:19:49 #164 №331734298 
>>331732926

Нафига такие монстры? Цап и без всего наушники потянет. Чего там усиливать-то?
Аноним 08/04/26 Срд 19:43:25 #165 №331735149 
>>331720993 (OP)
Что чувствуешь когда айтишники говорят что им 400к это мало?
А ты умеешь всё и пишешь код на Си, для облака , бэкенд, приложение всё-всё-всё электронику схемотехнику. И все за 65к. Катаясь на завод каждый день
Аноним 08/04/26 Срд 20:44:41 #166 №331736996 
>>331733858
https://jlcpcb.com/pcb-fabrication/flexible-pcb
Аноним 08/04/26 Срд 21:06:47 #167 №331737546 
image.png
image.png
image.png
image.png
>>331720993 (OP)
а нука, оцени хуйню, сделал себе повербанк на случай отключения света, заряжается от таэпси, микроюсб и спец блоком для быстрой зарядки. ёмкость 120 ампер часов на 12.6 вольт, делал для зарядки мелких гаджетов и для питания инвертора, на случай питания ноутбука ( около 100-200 ват ). имеется и пассивный и активный балансир, но у меня пассивны балансир конфликтовал с активным и пришлось его удалить, ток балансировки активного около 1.5А и этого вполне хватает, что бы аккум не взорвался от перезаряда одной из ячеек. с пассивнм просто 1 ячейка высаживалась за двое суток в ноль почти всегда, хрен пойми почему, при этом не было нагрева балансиров. имеет место быть такая разработОчка для домашнего использования? ( тут плата понижающая с китая с самодельным радиатором, потому что хотел с запасом сделать, а то при 4 амперах нагрузки, заводские радиаторы нагревались слишком мощно. а ещё внедрил активное охлаждение, сзади повербанк выглядит как видеокартка какая то) весит 10 кг, по мне как домашняя станция норм. так что давай, говори, норм или хуйня поделка и говори какого хуя у меня был конфликт между балансирами и высаживание одной ячейки в ноль
Аноним 08/04/26 Срд 21:11:18 #168 №331737661 
>>331722316
не вытянет нога контроллера 4 лампачки
и я бы на енкодеры поставил кренку отдельную
Аноним 08/04/26 Срд 21:13:13 #169 №331737726 
>>331723557
дребезг дает ложные срабатывания тое вместо того чтобы один раз зайти в функциюустранения дребезга контроллер там будет врасчаца постоянно
Аноним 08/04/26 Срд 21:13:33 #170 №331737736 
image.png
image.png
image.png
>>331720993 (OP)
ещё скажи, я использовал металлоискатель с рациями и мог забыть выключить рацию и положить е в сумку с металлоискателем, могли ли наводки с рации сжечь микросхему усилителя звука на плате или она сама поп приколу сгорела? заменял эту ебалу паяльником, потому что очковал термофеном прогревать плату, что бы не спалить экран металлоискателя ( получилось дольше, но зато безопасней ) фото рация и платы металлоискателя добавлю, металлоискатель это китайская аська

( на переделки не обращай внимания, я там дрочь делал для апгрейда на плате )
Аноним 08/04/26 Срд 21:47:30 #171 №331738758 
>>331720993 (OP)
Тоже страдал этой херней занимался по юности радиолюбительством. В 90х и начале 2000х собирал, продавал и ремонтировал АОНы. До 1998 года прибыль на один телефон была более 100% - как у наркобаронов). С развитием сотовой связи эта тема благополучно умерла. С доминированием китая умерла всякая возможность зарабатывать на радиоэлектронике, перекатился в ОЙТИ. От электроники осталось пара ржавых паяльников, осцилограф на антресолях и пожизненная аллергия легких на канифоль(
Аноним 08/04/26 Срд 22:28:29 #172 №331740092 
>>331721799
ты кого диодом назвал, падла
Аноним 08/04/26 Срд 23:25:07 #173 №331741750 
image.png
>>331721750
флюс токопроводящий? пайка конечно такая, как буд-то ты паяльник в жопе держал и так паял, натренируешься ещё
Аноним 08/04/26 Срд 23:26:52 #174 №331741794 
>>331720993 (OP)
У меня в толчке освещение - светодиодный спот в натяжном потолке. Я могу вентилятор на вытяжку параллельно въебашить или у меня что то сгорит?
Аноним 08/04/26 Срд 23:27:55 #175 №331741829 
>>331720993 (OP)
Делают ли шлейфы на заказ для редких девайсов?>>331736996
Починить могут уже существующий? Он с деталями
Аноним 09/04/26 Чтв 00:26:32 #176 №331743393 
>>331734298
для тугих наушников в основном и низких искажений на высокой громкости

>>331732328
схемы не нашел пока
Аноним 09/04/26 Чтв 00:29:26 #177 №331743466 
>>331720993 (OP)
Ну, надеюсь не пиздишь.

1. Чем работа в радиоэлектронике отличается от работы обычным пояльником?
2. Сколько надо времени чтоб вкатиться?
3. Помогла ли тебе физика в шкалке чтоб вкатиться (закон Ома для полной цепи, формула Джоуля-Ленца и тд)
Аноним 09/04/26 Чтв 00:59:29 #178 №331744155 
>>331721920
Обычно в программировании ошибки искать легче и исправляются они гораздо быстрее. Всё, что тебе надо, есть как правило в твоём компе совершенно бесплатно. Также в последнее время появилось очень годное ИИ тоже, кстати, бесплатно.

В электронике же ошибки не исправляются нажатием пары кнопок. Сгоревшие детали не клонировать с гитхаба. Нужен паяльник или монтажная станция, отладочные инструменты типа jtag'а, осциллографа и прочего. Если речь идёт о ВЧ\СВЧ, то там вообще отладочные инструменты иногда стоят дороже твоей квартиры в Москве, типа всяких векторных анализаторов и прочей экзотики. Софт для моделирования решает 90% проблем, но в конце всё равно нужна безэховая камера.
Аноним 09/04/26 Чтв 01:09:40 #179 №331744404 
Screenshot 2026-04-07 at 02-50-14 128 кб ОЗУ на ZX Spectrum обязательно.png
>>331720993 (OP)
Стоит ли в 2к26 вкатываться в ембидед разработку?
Аноним 09/04/26 Чтв 01:10:12 #180 №331744409 
>>331723509
1. не вижу подтяжек на I2C
2. не вижу подтяжек на SPI
3. параллельно аналоговым входам неплохо было бы поставить конденсаторы
4. смотри даташит на АЦП, а именно что там с утечками и с входной СВХ, могут быть какие-то ограничения на внутренее сопротивление источника или скорость коммутации каналов
Аноним 09/04/26 Чтв 01:10:46 #181 №331744428 
17756856377063967720247115279994.png
>>331744404
Аноним 09/04/26 Чтв 01:11:40 #182 №331744450 
Если уж и выбирать интеллектуальную работу, то программистом лучше.
Помимо десятков плюсов, и зп. Есть ещё 1.

Если вдруг получишь травму и не сможешь ходить, или будет хаос в стране , то сможешь работать удаленно из дома в любой стране.

Жалею что щас в 40 лет сижу инженером схемотехником за 70к на заводе... И нигде больше не дают зп. Только если ехать в европу куда нибудь
Аноним 09/04/26 Чтв 01:13:51 #183 №331744488 
>>331728068
Как вариант посмотри что там с заземлением. Не только твоего цапа, но и всего остального тракта.
Аноним 09/04/26 Чтв 01:14:18 #184 №331744492 
>>331744404
Если душа лежит к этому..
Люди с опытом, на военке щас по 300к могут делать . В гражданской сфере зп не больше 100к
Аноним 09/04/26 Чтв 01:41:12 #185 №331745113 
>>331726212
Джонс "Электроника - практический курс"
Аноним 09/04/26 Чтв 01:50:09 #186 №331745267 
>>331726212
и вот эта вроде годная была про транзисторные схемы
Динеш С. Дьюб "Электроника: Схемы и анализ"
Аноним 09/04/26 Чтв 01:53:06 #187 №331745313 
Аноны, зачем вообще заниматься электроникой в 26 веке, если это не твоя работа? Любое готовое/полуготовое говно есть в китайских макетах. Любые усилители, источники питания, блоки реле, изернет модули, свистелки, перделки. А чинить телевизоры или компьютеры все равно не получится.
Аноним 09/04/26 Чтв 01:53:50 #188 №331745331 
>>331745313
в китайских маркетах
Аноним 09/04/26 Чтв 01:59:42 #189 №331745448 
>>331726212
из советских - Скворень "Электроника шаг за шагом"

если нужны схемы для подключения всякого хлама к микроконтроллерам - "1000 и одна микронтроллерная схема"

как справочник у меня валялась - Волович "Схемотехника аналоговых и аналого-цифровых электронных устройств"

Хоровица и Хилла не буду советовать, думаю ты знаешь
Аноним 09/04/26 Чтв 02:16:14 #190 №331745768 
mesaboogienomad1002.gif
mesaboogienomad1003.gif
mesaboogienomad1004.gif
>>331720993 (OP)
Сап ОП. Сам учился раньше на электронщика, но давно сменил профессию, так что не разберусь уже, может ты поможешь. Пикрил — преамп моего лампового комбика (есть и остальные блоки схемы). Схему нашёл в интернете, название совпадает, условимся, что соответствует действительности. В преампе функионально 3 канала, по 2 режима в каждом (vintage/modern). Физически — 4 лампы 12ах7.

Вопрос вот в чём. Есть ли чёткое соответствие функционала с конкретной физической лампой? Что, например, лампа 1 соответствует 1-му каналу, или какому-то из режимов, или гейн, или мастер. Короче, важно мне важно понять, за что отвечает каждый каскад, чтобы экспериментировать с лампами.

Если что, главным образом меня интересует 3 канал в режиме модерн, я в основном только на нём играю (митол). На каких каскадах организован его мастер и гейн?
Аноним 09/04/26 Чтв 02:35:12 #191 №331746101 
mesaboogienomad1001.gif
>>331745768
upd: забыл важное, блок схему
Аноним 09/04/26 Чтв 02:45:23 #192 №331746278 
>>331741829
Поспрашивай в местных СЦ или мастерских по ремонту телефонов. Починить, скорее всего, можно но смотря какое повреждение.
Аноним 09/04/26 Чтв 02:46:54 #193 №331746306 
>>331720993 (OP)
Я лучше у нейронки спрошу, чем у местного ебаната
Аноним 09/04/26 Чтв 02:58:46 #194 №331746517 
>>331744404
Я правильно пынямаю что сейчас этот спектрум умещается на двух-трех микрухах, из которых непосредственно спектрум это настоящий z80, а на других будет хуйня для загрузки (не с кассеты же сейчас это говно крутить) и генератор картинки для vga/hdmi, так как не в антенный вход же сейчас жту хуйню пихать?
Аноним 09/04/26 Чтв 04:22:33 #195 №331747733 
17684083606830.jpg
>>331744450
я это понял в 30 лет)
Аноним 09/04/26 Чтв 04:24:23 #196 №331747756 
>>331744492
>на военке
>по 300к
Спасибо, не надо. Карма дороже.
Аноним 09/04/26 Чтв 04:25:06 #197 №331747767 
17684083606830.jpg
>>331745313
Аноним 09/04/26 Чтв 05:19:15 #198 №331748345 
hq7204526687.jpg
>>331746517
да но это будет не труъ, там целая религия с этими спектрумами,
Аноним 09/04/26 Чтв 05:57:25 #199 №331748809 
>>331745768
Вообще ничерта ни понял что тебе нужно, изъяснись понятнее. Что значит с лампами экпериментировать? Зачем? Что тебе нужно-то получить в конце?
Аноним 09/04/26 Чтв 06:07:05 #200 №331748921 
>>331748345
>там целая религия с этими спектрумами
Ебанушки, как и те, которые дрочат на военные реконструкции прошлого. Прошлое в прошлом. Жизнь идет вперед.
Аноним 09/04/26 Чтв 06:15:01 #201 №331749025 
>>331746278
Разрыв шлейфа
Аноним 09/04/26 Чтв 06:42:17 #202 №331749362 
image.png
>>331720993 (OP)
Земля такого вида годнота или говнище?
Аноним 09/04/26 Чтв 07:58:17 #203 №331750603 
>>331749025
Можно склеить и в месте обрыва припаять проводники. Но нужно смотреть, есть ли там достаточно свободного места, т.к. припаянные проводники увиличат толщину шлейфа и, если там всё совсем в притык сделано, то может мешать сборке. Еще если разрыв в месте изгиба, то нужно смотреть, как лучше склеить и проводники припаять, чтобы его можно было изогнуть потом.
Аноним 09/04/26 Чтв 08:11:18 #204 №331750841 
>>331748921
> Прошлое в прошлом. Жизнь идет вперед.
>Сидит на двачах
Кек
Аноним 09/04/26 Чтв 08:25:36 #205 №331751083 
>>331749362
Лучше залей землей весь нижний слой, чтобы ток пошел по кратчайшему пути.
Аноним 09/04/26 Чтв 08:41:30 #206 №331751367 
>>331745313
Аноны, зачем вообще заниматься программированием в 26 веке, если это не твоя работа? Любой готовый/полуготовый говнософт есть на торрентах. Любые утилиты, видео-аудио-проигрыватели, прикладные программы, компьютерные игры, сервисы, свистелки, перделки. А написать свою ОС или хотя бы CRM-систему все равно не получится.

Если серьёзно, то и программированием нет смысла "для души" заниматься. Этим занимаются, чтобы получить опыт и куда-нибудь устроиться за еду.
Аноним 09/04/26 Чтв 08:44:20 #207 №331751435 
>>331751083
Не единственная причина, но ладно. Проходишь.
Аноним 09/04/26 Чтв 08:50:02 #208 №331751586 
Че за микросхема 14 ножки смд с стертой маркировкой может использоваться для лед ргб подсветки. Питание подсветки 5 вольт, есть кнопка отжимная (принцип "на пружине") замыкает одну ножку микросхемы на землю.
Питание +5v идёт на катод лед ргб светодиодов 5050. Три анода светодиода идут на резисторы 33 ом 57 ом и еще один какой. Далее от анода последовтельно идет линия на коллектор NPN транзистора 25в, макс ток коллектора 0.5 а
База идёт на резистор 4.7ком далее на микросхему, микросхема имеет (на 9 ножках) три группы трехпиновые, тоесть подключено 3 светодиода (три анода одного светодиода через резбки и транзюк - к трем ножкам)
И уде выше писал микросхема идёт на кнопку (замыкается цепь),
А эмиттер транзистора идёт на землю.

Не включается схема наверно потому что перепутал коннектор и +5вольт подал на ножку микросхемы, которая кнопкой должна замыкаться на землю.
Аноним 09/04/26 Чтв 08:59:26 #209 №331751821 
>>331751367
>>331751367
Такты сам написал "полуготовый". Взять чужую "библиотеку", написать код который переводит функционал библиотеки в "язык" понятный твоей/чужой приложухе/сервису/службе и получить бесплатную приложуху которая реализует нужное тебе без пердолинга в поиске готовой.
Отмечу что в реале готовых бесплатных где-то 10% супротв 90% неготовых. А платные взломнные готовые могут глючить из-за взлома, либо быть комбайном весящим излишне (хочешь прогу на пару килобайт)
Аноним 09/04/26 Чтв 09:01:59 #210 №331751868 
>>331720993 (OP)
Где работаешь и на какой должности? Где прибыльнее всего разработчику электроники работать?
Аноним 09/04/26 Чтв 09:04:56 #211 №331751944 
>>331750603
Разобрать вздувшийся литиевый акб, отрезать из него нужное количество медной фольги. Клей шприцом с самой тонкой иголкой медицинской подавать прям микрограммы, хз, эпоскидный пойдет наверно.
Но ебля не стоит выделки ибо руки человека сильно дрожжат для дорожек шириной 0.1 мм. Тупо не ляжет фольга на нужное место, а еще раньше клей затечет и замажет всю дорожку.
Аноним 09/04/26 Чтв 09:08:13 #212 №331752010 
>>331720993 (OP)
Ты из ДС? Резюки уставшие в дозиметре сможешь перепаять? Есть формуляр с его схемой родной.
Аноним 09/04/26 Чтв 09:13:23 #213 №331752137 
>>331747756
Соевая чмонька, с той стороны твоя совестливость никому нахуй не упёрлась, сдохнешь от прилета дрона и все они будут смеяться над твоим дебильным трупом.
Аноним 09/04/26 Чтв 09:21:51 #214 №331752329 
>>331752137
>с той стороны твоя совестливость никому нахуй не упёрлась
Очень хорошо. Мне моя совесть уперлась себе самому. Но тебе понять это не доступно.
>они будут смеяться над твоим дебильным трупом.
Пускай.
Аноним 09/04/26 Чтв 09:23:37 #215 №331752376 
>>331752010
я не ОП, но радиотехник из ДС, перепаять смогу, тг @jarr600
Аноним 09/04/26 Чтв 09:24:37 #216 №331752412 
>>331750841
> Прошлое в прошлом. Жизнь идет вперед.
>Сидит на двачах
Все верно. Иду вперед. В перерывах - на дваче. Вопросы?
Аноним OP 09/04/26 Чтв 10:35:18 #217 №331754528 
>>331741794

Посмотри, какая проводка там. Если тонкая, то только на свет рассчитана.
Аноним OP 09/04/26 Чтв 10:37:19 #218 №331754600 
>>331743466

1. Работа в основном инженерная, и её много.
2. Нужно получить образование. Опыт до этого, как правило, у человека уже есть, если его тянет в эту сферу.
3. Закон ома - это база. Без него никуда. Ещё закон Ленца (не джоуля-ленца) база.
Аноним OP 09/04/26 Чтв 10:40:57 #219 №331754719 
>>331745768

В нём чё, пружинный ревербератор? Ахуенно, если так.
Аноним OP 09/04/26 Чтв 10:43:02 #220 №331754801 
>>331746101

А какой переключатель за что отвечает?
Аноним 09/04/26 Чтв 10:43:42 #221 №331754828 
>>331720993 (OP)
Как можно подпаять вход контроллера безопасности, чтобы он всегда был включен? Я кинул перемычку с +24в напрямую на вход, но он один фиг продолжает иногда ловить отключение, так что проблема 99% внутри сраной желтой коробки. Чем там внутренности вообще отличаются от обычных модулей входов, какая-то сверхчувствительная схема для быстрого срабатывания? Можно на компонентном уровне вход реле безопасности закоротить?
Аноним OP 09/04/26 Чтв 10:44:25 #222 №331754851 
>>331746517

Клонов наделали очень много, но лично мне не нравится ни один. А так - есть варианты и с настоящим z80, и с эмулируемым, и симулируемым...
Аноним 09/04/26 Чтв 10:47:03 #223 №331754952 
>>331744488
Заземления в розетке нет.
Прежде - никаких проблем не было, то есть неисправность явно возникла в девайсе. Производитель сказал вскрыть и посмотреть трещины в трансформаторе, синей бандуре.
Там вытащить плату запарно, еще не занимался этим. Но предвкушаю что визуальный осмотр нихуя не даст. А проблема плавающая к тому же.

>>331728324
Кондеры - сколько не смотрел - в норме, припухания нигде нет.
Греется девайс ощутимо, только верхняя крышка до 50-60 градусов доходит. Но несколько лет после покупки все работало стабильно.
Аноним 09/04/26 Чтв 10:47:41 #224 №331754976 
>>331754952
> трещины в трансформаторе, синей бандуре.
*Трещины в пайке
Аноним 09/04/26 Чтв 10:47:41 #225 №331754977 
>>331754851
Тебя мне и надо. Не уходи.
Аноним OP 09/04/26 Чтв 10:47:59 #226 №331754991 
>>331749362

Звездой - тру, но не уверен, что именно на минусе конденсатора питания.
Хотя, лично мне проблема земляных петель не встречалась.
Аноним OP 09/04/26 Чтв 10:48:38 #227 №331755015 
>>331750603

Некоторые шлейфы можно восстановить токопроводящим клеем.
Аноним 09/04/26 Чтв 10:49:27 #228 №331755051 
ОП-няшахуй, ты крутой а?
Вопрос на засыпку.
Есть цифровой синтезатор забавного говна собранный из говна и палок, синтезинует забавное говно на около ВЧ частотах. Выход итоговый чёт тип 22мВт на нём так мне сказала советская измерительная башка и гармоники пиздец так мне сказал фашистский ZVL-6. Цель состоит в раскачке этого гивна до 40-80Вт и вывода на забавную диполь на какой-нибудь проблядской крыше. Как мне лучше всего раскачать эту залупу, чтоб не ахуеть покупать ВЧ усилки у китаёз за 999 рупиев? Ну и фильтра там звенные полосовые, хуё-моё. Основной трабл в том что обосраться нельзя, ибо измериловки уже при себе нет.

мимо СВЧ-кун, охота послушать чего скажут радиогубители
Аноним OP 09/04/26 Чтв 10:54:57 #229 №331755244 
>>331751586

Фотку надоть.
Аноним OP 09/04/26 Чтв 10:55:51 #230 №331755290 
>>331751868

На удалёнке. Найти такую работу сложно, если ты не супер-спец в какой-то редкой области.
Аноним OP 09/04/26 Чтв 10:56:42 #231 №331755316 
>>331752010

Не, замкад-мухосранск.
Аноним 09/04/26 Чтв 10:56:47 #232 №331755320 
>>331754991
Итак. Электроэрозионный станок типа ДК4475. На пульте отдельные кнопки для вращения барабана с проволокой и для включения сопел промывки. И как раз промывка отказывается работать. Пускатель срабатывает нормально. Но сразу же СТОП. Или секунд через 5. Раз на раз не приходится. И выскакивает ошибка "Обрыв проволоки". Зотя она в полном порядке и токосьемники на месте. При этом, без воды цикл отлично идет, без ошибок и остановок. Это ж мозги, не электрика или механика?
Аноним OP 09/04/26 Чтв 10:57:35 #233 №331755346 
>>331754828

Надо смотреть, что это за контроллер. Фотку платы, схему.
Аноним OP 09/04/26 Чтв 10:58:23 #234 №331755370 
>>331754952

Плату пробовал пропсиопивать во включенном состоянии?
Аноним 09/04/26 Чтв 10:58:26 #235 №331755372 
>>331720993 (OP)

Можно ли так разводить диффпары что N и P будут на разных слоях?
Аноним OP 09/04/26 Чтв 10:59:30 #236 №331755396 
>>331755051

Так усилитель мощность на высокочастотной лампе, не?
Аноним OP 09/04/26 Чтв 11:00:24 #237 №331755431 
>>331755320

Может быть всё, что угодно.
Аноним 09/04/26 Чтв 11:02:08 #238 №331755478 
>>331755346
Феникс-контакт, еще не разбирал, а компонентную схему ни одна фирма сейчас не дает, типа покупайте новое или сдавайте по гарантии.
Аноним 09/04/26 Чтв 11:03:07 #239 №331755507 
17756906442430527793.mp4
>>331720993 (OP)
Аноним OP 09/04/26 Чтв 11:03:31 #240 №331755520 
>>331755372

Друг над другом, наверное.
Аноним 09/04/26 Чтв 11:03:45 #241 №331755526 
17756934569560160213.mp4
>>331720993 (OP)
Аноним 09/04/26 Чтв 11:04:28 #242 №331755553 
>>331720993 (OP)
Нахуя ты гуглил релевантные картинки для ОФОРМЛЕНИЯ треда?
Аноним 09/04/26 Чтв 11:04:46 #243 №331755566 
>>331720993 (OP)
Понравилось сосать за транзистр?
Аноним 09/04/26 Чтв 11:05:06 #244 №331755577 
>>331720993 (OP)
Коржевский очень крут.
Аноним 09/04/26 Чтв 11:05:08 #245 №331755579 
>>331755431
Процитируй второй закон электродинамики Мёрфи.
Аноним 09/04/26 Чтв 11:05:29 #246 №331755589 
Мини осцилографы с али за два косарика вообще имеют какую то полезность?
Аноним 09/04/26 Чтв 11:05:34 #247 №331755593 
>>331755346
Между ног прочистил?
sage[mailto:sage] Аноним 09/04/26 Чтв 11:06:07 #248 №331755606 
>>331720993 (OP)
>Двач, я придумал как ты меня станешь кормить вниманием: давай ...
Давай сразу нахуй
Аноним 09/04/26 Чтв 11:06:44 #249 №331755623 
>>331755396
Раскачает без доп шумов, чем обвязывается?
Плюс надо гармоники загасить по дороге (не совершить самовозбуд ещё), а иначе приедет интересная машинка и даст по тыковке
sage[mailto:sage] Аноним 09/04/26 Чтв 11:07:15 #250 №331755638 
>>331755589
Ты хочешь осциллоскоп, а осциллографы - со стрелками.
sage[mailto:sage] Аноним 09/04/26 Чтв 11:08:00 #251 №331755665 
>>331755623
ЗАГАСИЛИ ТРИ ГАРМОНИКИ ПО ДОРОГЕ В ДЕРЕВНЮ

Я хуею с этой школоты.
Аноним 09/04/26 Чтв 11:08:14 #252 №331755672 
>>331755638
Может у тебя ещё и часы со стрелками?
sage[mailto:sage] Аноним 09/04/26 Чтв 11:10:14 #253 №331755730 
image.png
>>331755672
Стрелку видишь?
sage[mailto:sage] Аноним 09/04/26 Чтв 11:11:58 #254 №331755781 
Ну и где эта козлина на ОПе, Ис Покон обоссанный. Почему не веселит меня горением своего пукана?
Аноним 09/04/26 Чтв 11:12:48 #255 №331755812 
>>331755370
Я бы даже со схемой не особо понимал, что конкретно прозванивать.
Раз отрубается с щелчком реле и индикатором питания - выглядит как реально уход в защиту, либо плавающий обрыв чего то. Т.е. прозвонка тут бы подтвердила обрыв.
Вопрос можно ли это как то по простому починить или нет
Но вижу что без схемы и норм диагностики дело глухое. Мб производитель подскажет, хз
Аноним 09/04/26 Чтв 11:12:56 #256 №331755814 
Как читать схемы и разбивать на блоки?
Как понять что делает непонятный блок?
Как разобрать что делает плата?
Аноним 09/04/26 Чтв 11:14:56 #257 №331755882 
>>331755812
>>331728324
Видел что некоторые ищут нагрев чековой бумагой если бичи и тепловизером если богатые.
Аноним 09/04/26 Чтв 11:16:01 #258 №331755921 
Вы что ребята ебаные, опомнитесь, хватит ругаться!

Испытываю какую то горечь и разочарование от треда этого ебаного((
Аноним 09/04/26 Чтв 11:18:14 #259 №331756006 
>>331755921
А что ты хотел приходя на двощи в бэ, анон-кун?
Аноним OP 09/04/26 Чтв 11:21:53 #260 №331756137 
>>331755579

Тело, впёрнутое в воду, выпирает на свободу с силой выпертой воды телом впёрнутым туды.
Аноним OP 09/04/26 Чтв 11:22:28 #261 №331756159 
>>331755589

Вполне, если ничего другого нету.
Аноним OP 09/04/26 Чтв 11:23:48 #262 №331756197 
>>331755623

Фильтр, наверное, какой добавить, а от самовозбуда паять прямо на ноги, ну и резисторы там антизвонные.
Аноним OP 09/04/26 Чтв 11:24:55 #263 №331756229 
>>331755812

проcтyкиванием можно найти дефекты пайки, микротрещины.
Аноним 09/04/26 Чтв 11:31:01 #264 №331756447 
>>331720993 (OP)
Купил копеечную зарядку для NiMH аккумов. Она не умеет отключать аккумы, когда они заряжены и продолжает раряжать, разогревая их. Отключается по времени через 9 часов. Но внешне она прям здоровская малютка такая. Вот бы ее модернизировать чтобы она прекращала заряд, когда аккумы заряжены.

Вход 5V USB-C. Два слота зарядки под 2 AA аккума 200mA и 2 AAA аккума 100 mA. 2 светодиода моргают при зарядке. Каналы независимы.

Как ее можно модернизировать?
sage[mailto:sage] Аноним 09/04/26 Чтв 11:32:07 #265 №331756492 
>>331756137
Генесрал Мелкодрист, ты?
sage[mailto:sage] Аноним 09/04/26 Чтв 11:33:09 #266 №331756530 
>>331756229
ПОСТУКИВАНИЕМ ПО ГОЛОВЕ МОЖНО НАЙТИ ДЕФЕКТЫ
sage[mailto:sage] Аноним 09/04/26 Чтв 11:34:20 #267 №331756562 
>>331756447
>Купил копеечную зарядку
Выкинь и купи другую.

Сейчас паяют только согласованные провода на колонки и микрофоны, все остальное покупают новое.
sage[mailto:sage] Аноним 09/04/26 Чтв 11:35:40 #268 №331756601 
>>331755921
Какого хуя ты пояешь там навеской в 2026?

Или платы тоже травишь в хлорном железе?

А потом волной припоя окатываешь, да?
Аноним 09/04/26 Чтв 11:38:41 #269 №331756709 
>>331756562
Хочу паять.
Аноним 09/04/26 Чтв 11:40:30 #270 №331756759 
>>331756562
Может можно купить какую нибудь маленькую схемку от китайских братушек и припаять внутрь.
Аноним 09/04/26 Чтв 11:42:01 #271 №331756816 
IMG1991.jpeg
>>331720993 (OP)
Инерционный датчик цели можешь сделать?
Аноним 09/04/26 Чтв 11:42:39 #272 №331756837 
>>331720993 (OP)
За металлоискатели шаришь? Про протонный металлоискатель слышал?
Аноним 09/04/26 Чтв 12:09:36 #273 №331757847 
image.png
>>331748809
Экспериментировать с лампами это значит менять лампы и смотреть как это влияет на звук. В прошлом году носил его мастеру, он прогнал лампы через тестер, сазал что у них эмиссия почти у всех упала, надо менять. Ну это не мудрено, эти лампы только у меня стоят больше 10 лет. Предложил свои за 100$ 4 штуки, я согласился, тогда не замечал, но сейчас вижу, что звук хоть и чище, но перегруз ебаный какой-то, пердящий, мне не нравится. Я не знал что лампы так могут влиять. Вот хочу понять, какую лампу заменить, чтобы на 3 канал влияло.
Вот насколько я могу судить, лампа V1 стоит перед переключателем каналов, значит она не влияет на перегруз (гейн), это такое первичное усиление. Дальше идёт две цепи, верхняя для канала 2 и 3, нижняя для канала 1. Нижняя для канала 1, там т два каскада всего, это логично, чистытй звук. А верхняя для перегруженного, там 3 каскада, и похоже они оба работают на 2 и 3 канал, в зависимости от переключателя.

>А какой переключатель за что отвечает?
Это релюшки, они переключают канал, вручную или с футсвича.

>В нём чё, пружинный ревербератор? Ахуенно, если так.
lДа, пружинный
Аноним 09/04/26 Чтв 12:23:36 #274 №331758328 
>>331756006
Какого то умиротворения и гармонии разумеется.
Аноним 09/04/26 Чтв 12:24:42 #275 №331758381 
>>331756816
О, на пикриле хуйня сдохла как собака
Аноним 09/04/26 Чтв 12:32:08 #276 №331758632 
>>331755372
Только если на внутренних слоях сигналы, а земля на внешних слоях:
GND
N
P
GND
Аноним 09/04/26 Чтв 12:34:29 #277 №331758717 
>>331756447

Надо посмотреть, нет ли на плате места для терморезистора. Обычно место есть, а терморезистора нет и можно его установить. А вот почему она не отключается? В ней вообще не встроен контроль за напряжением?
Аноним 09/04/26 Чтв 12:35:31 #278 №331758773 
>>331756759

Раньше были на Али, NiMH charge module.
Аноним OP 09/04/26 Чтв 12:36:17 #279 №331758805 
>>331756837

Георадар хочу сделать, да.
Аноним 09/04/26 Чтв 12:43:02 #280 №331759029 
>>331737726
нет, смотря какой алгоритм напишешь
Аноним 09/04/26 Чтв 12:46:26 #281 №331759151 
Любой алгоритм опроса кнопок включает антидребезг тащемта например.
Аноним 09/04/26 Чтв 13:15:31 #282 №331760233 
>>331758717
Терморезистору надо же реле и обвязка всякая, правильно?

Нету контроля. Тупа отключалка по времени 9 часов. Если быстрее зарядились, то греются.
Аноним 09/04/26 Чтв 13:15:56 #283 №331760257 
>>331758632

А если плата простая двусторонняя?
Аноним 09/04/26 Чтв 13:19:05 #284 №331760355 
>>331760233

Есть отключение по времени, но нет слежения за напряжением? Это что за зарядка такая? Есть фото платы?
В зарядках Liitokala, например, на плате есть место для терморезистора, но он не установлен. Впаиваешь его - и появляется защита от перегрева.
Аноним OP 09/04/26 Чтв 13:19:59 #285 №331760391 
>>331760257

Говорю ж, один над другим разве что, но это хуже, чем параллельно, т.к. будут сложности с переходами, их тоже надо делать симметричными.
sage[mailto:sage] Аноним 09/04/26 Чтв 13:26:21 #286 №331760622 
image.png
>>331754991
Фу говноед!

Не слушайте этого говноеда!
Аноним 09/04/26 Чтв 13:28:49 #287 №331760705 
>>331760257
Без земли будут проблемы:
https://resources.altium.com/p/differential-pairs-without-ground-it-problem
Аноним 09/04/26 Чтв 13:51:17 #288 №331761556 
>>331760391

Дык волновое сопротивление наверное по пизде пойдет, ты же создаешь кондер с обкладками большей площади.
Аноним 09/04/26 Чтв 13:53:47 #289 №331761652 
IMG20260409133739.jpg
IMG20260409133757.jpg
IMG20260409133803.jpg
IMG20260409133809.jpg
>>331760355
Вот такая кроха. Еле открыл. Защелки тугие совсем.

На плате вижу не густо элементов. Подскажи, если не трудно, что тут да как, и возможность модернизации.

Она чисто с виду прикольная такая. Хочется ее до ума довести. Чтобы заряжала и отключалась, не по времени, а определяла что аккум полон.
Аноним OP 09/04/26 Чтв 14:07:42 #290 №331762196 
>>331761652

Тут вроде как нет времязадающих элементов, вон операционник наверняка следит за напряжением. Другое дело, что может напряжение не точно отслеживает либо аккумуляторы не совсем уже хорошие.
Аноним OP 09/04/26 Чтв 14:15:45 #291 №331762478 
>>331761652

Проверь вольтметром, до какого напряжения оно заряжает, пока не отключит.
Аноним 09/04/26 Чтв 14:23:00 #292 №331762726 
>>331762196
В инстркции написано что. "Данное устройство заряжает батарейки примерно в течение 9.5 часов. Через 9.5 часов оно автоматически выключается." От том же говорят пользователи в отзывах, что она чисто по времени работает и ей пофиг, что ты в нее вставил, заряженый или севший аккум, она его будет заряжать 9 часов. Я сам так еще не заряжал. Один раз зарядил слабоемкий аккум, но я примерно рассчитал что за 4.5 часа он зарядится. И правда зарядил с 1.13 (мощи уже нет) до 1.47 вольта (уже начал чуть греться).
Аноним 09/04/26 Чтв 14:25:19 #293 №331762803 
>>331762478
Сейчас полную батарейку воткну. Посмотрю. Если не отключит и разогреет сильно, то это не порядок.
Аноним OP 09/04/26 Чтв 14:32:19 #294 №331763059 
Мне в этом плане нравятся лиитокалы. Стоят копейки, а умеют заряжать абсолютно всё.
Аноним 09/04/26 Чтв 14:37:52 #295 №331763264 
>>331763059
У них вроде есть прям навороченые модели. И сопротивление показывают и емкость и напряжение и время, тестят, тренируют аккумы.
Аноним OP 09/04/26 Чтв 14:43:02 #296 №331763425 
>>331763264

Эти навороченные как раз и стоят копейки... Из доработок можно только добавить терморезистор.
Аноним 09/04/26 Чтв 15:03:23 #297 №331764152 
>>331763425
Хочу такой. Только у них целый зоопарк моделей, глаза разбегаются.
Аноним 09/04/26 Чтв 15:09:30 #298 №331764360 
>>331720993 (OP)
Нахуя нужен одновибратор?
Аноним 09/04/26 Чтв 15:17:03 #299 №331764611 
>>331764152

Lii-300 инженерный.
Аноним 09/04/26 Чтв 15:40:23 #300 №331765433 
>>331762478
Проверил. Аккум уже прям сильно теплый. Видно идет перегрев. Напряжение 1.48 вольт.
comments powered by Disqus