Сохранен F 599
https://2ch.su/ra/res/117879.html
К сожалению, значительная часть сохранённых до 2024 г. изображений и видео была потеряна (подробности случившегося). Мы призываем всех неравнодушных помочь нам с восстановлением утраченного контента!

Злейший из злых

 Аноним Суб 01 Мар 2014 20:38:01  #1 №117879 
1393691881347.jpg

Вечер в хату, раданы, в час радости усатые мастера! Мира и всех земных благ радиолюбителям и стремящимся. С самыми наилучшими пожеланиями навещаю вас и передаю душевное приветствие!
Пикрилейтед - небезисвестная схема злого шокера за авторством lamazoida, многая ему лета и всех благ. Существуют несколько вариаций этого креатива:
1. Первичный преобразователь - двухтактный автогенератор по "мартовской" схеме на биполярах или на полевиках - упрощенная схема господина Мазилини, честь ему и хвала.
2. Первичный преобразователь - обратноход на 555 или UC38XX.
3. Секретная, известна только в узком кругу, я, к сожалению, в него не вхожу.
Гениальность схемы злого шокера - пробой до тела дугой затем разряд низковольтного конденсатора через открытый проводящий канал - это актуально для всех версий. Так же похожий принцип реализован в американском тазере.
На одном форуме один господин, да будет путь его в этом мире чист и безмятежен, обмолвился о существовании секретной версии. Другой господин, пусть всегда ему хватает средств на свои желания, сказал, что да, можно заебись запилить высоковольтный трансформатор и убойность вырастет и размер трансформатора уменьшится.
Что сделал я после этого: почитал форумы, натолкнулся на форумы любителей делать лазеры и системы питания к ним. И что же я там увидел? Для поджига лазера, газоразрядной лампы и т.п. нужно именно то, что нужно нам для получения годного шокера: начальный импульс и возможность пропускать после импульса большую мощность. Низкоиндуктивный трансформатор и мощная низковольтная часть 500-1000 вольт, способная обеспечить ток минимум 101 миллиампер на нагрузку 1-10 кОм. Совершенно очевидно, что в секретном креативе они увеличили диаметр высоковольтного трансформатора и уменьшили его длину и по своим параметрам вся высоковольтная часть приблизилась к ИЗУ. Для достижения успеха в этом нелегком деле нужно стремиться к тому, чтобы первичный преобразователь (до 1000 вольт) мог кратковременно обеспечивать мощности порядка сотен Ватт - это позволит использовать не слишком емкий боевой конденсатор. На современной элементной базе это достаточно просто - это может обеспечить даже мартовская схема. Таким образом необходимо разработать схему ИЗУ для ВВ поджига дуги между электродами, которая далее (sic!) должна уже питаться первичным преобразователем на 1000 вольт.
Itt создаем убер фонарик, зажигающий дугу(!) на расстоянии 4-5 см и способный поддержать её в течение не менее 20 секунд.

Аноним Суб 01 Мар 2014 20:58:17  #2 №117881 

>>117879 Первичный преобразователь хуйня, пара литиевых пакетов, max253 и йоба мосфеты с матплат/видеокарт. С мощностью и кпд проблем не будет. А вот дальше начинается шаманство, особенно с намоткой трансформатора.

Аноним Суб 01 Мар 2014 21:49:12  #3 №117887 

>>117879
А так ли эффективна будет дуга? Конденсаторы дают оче большие импульсные токи, несравнимые с тем, что будет в дуге. Может стоит модулировать дугу небольшой частотой, порядка десятков герц?

Аноним Суб 01 Мар 2014 22:50:26  #4 №117898 

>>117881
Почему не резонансный блокинг с переключением в нуле тока и на тех же полевиках?

Аноним Суб 01 Мар 2014 23:15:20  #5 №117905 

>>117898
>резонансный блокинг
Флайбек? Слишком неэффективное использование ключей и трансформатора. Тут же нужна сотня-другая ватт?

Аноним Суб 01 Мар 2014 23:54:24  #6 №117909 

>>117905
>>резонансный блокинг
>Флайбек? Слишком неэффективное использование ключей и трансформатора.
Но он же холоден как раз на сотне другой ватт, прост и надежен на 12 вольтах. Он не блокинг, выдает синусоиду, одинаково эффективо спускает в рот импульсным схемам в широчайшем диапазоне нагрузок.

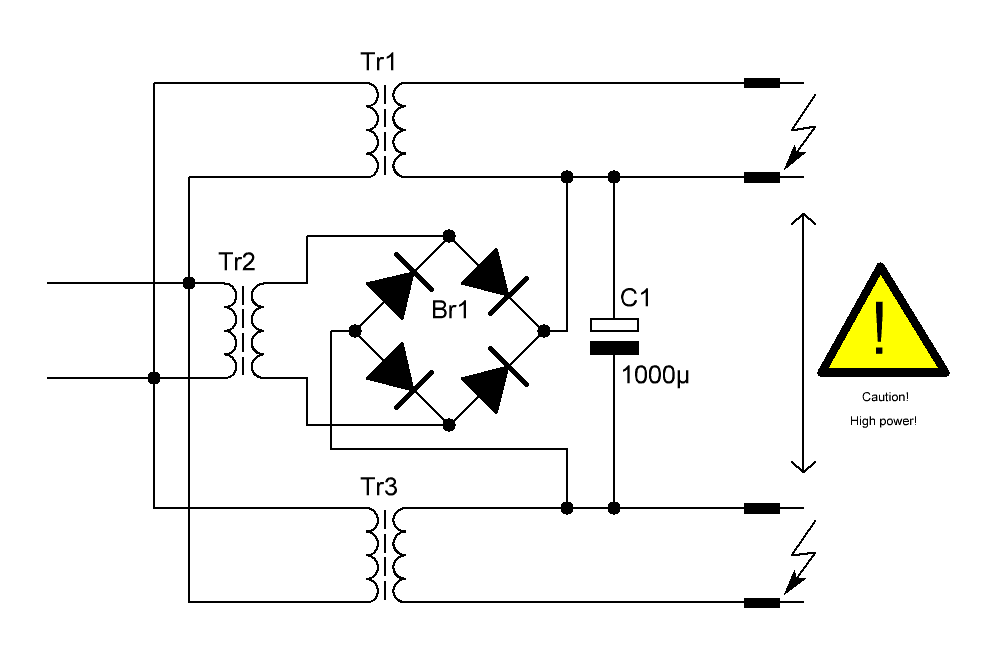
Аноним Вск 02 Мар 2014 17:25:54  #7 №117967 
1393766754034.jpg

>>117881
>>117898
Не нужно изобретать первичный преобразователь. У нас есть источник напряжения 500-1500 вольт и мощностью 300 Вт. Наша задача донести эту мощность до цели.
>>117887
Дуга - это лишь критерий мощности первичного преобразователя.
>>117879
Реквестирую в тред схем ИЗУ и прочих систем поджига газоразрядных ламп. Пикрелейтед - канонiчная схема первичного преобразователя - проста, эффективна, надежна.

Аноним Вск 02 Мар 2014 17:51:27  #8 №117974 

>>117967
Кто-нибудь рассчитывал КПД этой схемы?

Аноним Вск 02 Мар 2014 18:38:42  #9 №117978 

>>117974
Эмпирически 70-80% при 100-50Вт нагрузке. Оче сильно зависит от трансформатора.

Аноним Вск 02 Мар 2014 19:20:25  #10 №117987 

>>117974
КПД очень сильно зависит от дросселя, а не от трансформатора, как пишут некоторые >>117978
Здесь был тред про этот преобразователь, я там отписывался об особенностях использования трансформатора в этой схеме, если интересно, специально для тебя повторю, выводы сделаны на основании опытов. Скажи методику замера КПД. Температура радиатора (из БП ПК одна пластина) с транзисторами порядка 40 градусов - горячо, но рука терпит, термометра нет, при плавящихся в дуге гвоздях или раскаленном до малинового цвета саморезе в индукторе может послужить примером - время работы 3-5 минут? Примерный потребляемый ток от БП ~30 Ампер, измерял по напряжению на резисторе 0,1 Ом.

Аноним Вск 02 Мар 2014 20:52:53  #11 №118002 

>>117987
Собственно пушпульная первичка трансформатора там и не нужна если запитать дрейны от своих дросселей что имхо проще. Алсо ты кроме гвоздей в индукторе что-нибудь разогревать пробовал?

Аноним Вск 02 Мар 2014 21:16:59  #12 №118007 

>>117967
Пф, у меня настольная лесенка Иакова при мощности, от силы, ватт в 50 вполне себе сочные дужки пускает.
> схем ИЗУ
Можно полуркать статьи флайбековцев и иже с ними, кто-то пилил наносекундный генератор на ебическом феррите, кто-то пилил систему последовательно зажигания, которой разряжал электролиты на толстые проволоки с красивыми языками электрического пламени в результате.

Аноним Вск 02 Мар 2014 21:29:32  #13 №118011 
1393781372583.jpg

>>118007
Вот, нашел бабахало с последовательным поджигом: http://deforg.free.fr/PlazmaGen/Trigger.htm

Аноним Втр 04 Мар 2014 09:44:37  #14 №118154 DELETED

>>118011
Благодарю.
>>118002
Что угодно. Плоской катушкой крышку от банки из-под соленых огурцов, площадь примерно 4 кв. см. чуть ярче спелой вишни. Ферромагнетики греются на ура. Можно и цветные металлы, но их лучше как короткозамкнутый виток.
>запитать дрейны от своих дросселей
Тогда нужно ДВА ОДИНАКОВЫХ дросселя, если я сделал на колечке на распыленном желез, то некоторые изъебываются на разомкнутом феррите из строчника, все же я считаю, что намотать 8 витков со средней точкой проще, чем 2 дросселя.

Аноним Втр 04 Мар 2014 11:21:28  #15 №118159 

>>118154
> Ферромагнетики греются на ура.
Но это не интересно. Интересно плавить в тигле. Но сука больше тысячи с копейками с автогенератора снять не выходило.
> Тогда нужно ДВА ОДИНАКОВЫХ дросселя
Не нужно их делать одинаковыми до наногенрей. Пропустил одинаковое +\-1 количество витков на схожем колечке и работай.
> то некоторые изъебываются на разомкнутом феррите из строчника
Мудаки-с не понимающие в силовуху. В БП компутерных по выхлопу есть жОлтые полярные колечки, рассчитанные как раз на блокировку ВЧ пульсаций на фоне дикого постоянного тока.

Аноним Срд 05 Мар 2014 01:58:59  #16 №118222 

А когда на этих схемах полевики успевают полностью закрываться, им плохо там не будет?
мимопараноик

Аноним Срд 05 Мар 2014 08:58:34  #17 №118234 DELETED

>>118159
>> Ферромагнетики греются на ура.
>Но это не интересно. Интересно плавить в тигле. Но сука больше тысячи с копейками с автогенератора снять не выходило.
Тысячи с копейками - чего? Градусов, Ватт? Если плавить в тигле, то нужно и питание соответствующее 300 Вт на 12 Вольт это ток в 25 Ампер, это уже нехилые провода питания, большие дроссели и трансформаторы, а 300 Вт это мало. В этих ваших интернетах блуждает схема генератора Йенсена на полевиках IRFP460 "электронный трансформатор" ташибра, например, только транзисторы полевые и с защитой затворов, индуктор подключен через конденсатор на место первички выходного трансформатора. 310ВХ20А=6200Вт - уже хорошо, только транзисторы стрелять будут, я полагаю, но можно последовательно с конструкцией включить несколько запаралеленых электрочайников.
>жОлтые полярные колечки
Полярные - это как? Это сердечник из распыленного железа я про него и писАл. Подходит тоже не каждый, индуктивность ХЗ, все ХЗ, у меня идеально заработал из старого БП с линии 5В с двойной обмоткой - любой трансформатор, и железо, и феррит пробовал - работает.
>>118222
Да, трипл, если не успевают, то у них бомбит пукан, и куски их пластмассового пукана разлетаются во все стороны и норовят попасть в глаз ньюфагу. Отсюда ограничение по питанию при высоких мощностях - не ниже напряжения затвор-исток полного открытия транзистора. Но есть нюанс.

Аноним Срд 05 Мар 2014 17:13:05  #18 №118292 

>>118234
Градусов. Доводил до желтого свечения скармливая около 60 ампер на 30ти вольт, что правда быстро убивало 260-е мосфеты, работающие уже на пределе..
> схема генератора Йенсена на полевиках
Имхо это уже идет нахуй. Или Е-классо подобные схемы, как в домашних печках, или (полу)мост с обраткой фазы из контура. Автогенератор имеет смысл пока он прост и надежен.
> Полярные - это как
Подмагниченный при изготовлении видимо. Замечал что они всегда направленны в сторону тока белой частью.

Аноним Срд 05 Мар 2014 18:54:06  #19 №118299 

>>117967
>Наша задача донести эту мощность до цели.
Конденсатор подключен в дугу через дроссель - это сильно ограничивает пиковый импульс.
А что если сдеать так, чтобы заряженный кондер был напрямую подключен к электродам? Тогда как только связь с телом будет устновлена, он моментально разрядится, без каких либо дросселей.
Тут есть нюанс - в исходной схеме при разрядке через дроссель, кондер запускает затухающие колебания в дросселе. Если подключать напрямую - вся энергия уйдет в одном импульсе. Что для шокера лучше: один мощный импульс или череда менее мощных?

Если исходить из первого, то поражающее действие идет за счет термоэлектрической деструкции тканей и растекании тока. Мышцы не блокируются, а выгорают, но очень локально.
Если из второго - повреждений тканей нет, конденсатор просто временно повышает мощность генератора, мышцы блокируются.
Если нужно вырубить или убить - применяется первый вариант. Если временно обезвредить - второй. В тазерах например проволочки тонкие - ток ничтожный, берут блокировкой мышц.

Так вот, если требуется импульс - нужен четырехэлектродный разрядник в форме прямоугольника. Электроды игольчатые, заостренные - так легче добится дуги. Трансформатор с двумя вторичными, изолированными друг от друга, обмотками. Каждая из обмоток поджигает дугу между двумя электродами на коротких сторонах прямоугольника. В диагональ (для увеличения пути тока в теле) включен ударный конденсатор. Важна синхронизация импульсов двух дуг, причем возможны две конфигурации с разными эффектами - одна дополнительно пробивает препятствия удвоенным напряжение, другая, напротив, дополняет разряд конденсатора удвоенным током дуг.
В итоге две дуги горят независимо, гальванически друг с другом не связаны - конденсатор через них не разряжается. Зато как только между электродами конденсатора появляется тело - он выпускает полный разряд.
В параллель конденсатору можно включить мощный генератор, который после разряда начнет вырубать мышцы переменкой или импульсами.

Если же нас интересует только выключение мышц - никаких конденсаторов не нужно, лучше сразу сделать мощный генератор, но чтобы попуст не растрачивать его энергию, первичную пробивку делать также слабыми дугами, и как только контакт установится - включать мощный ген.

Аноним Срд 05 Мар 2014 21:32:31  #20 №118315 

>>118299
Годная мысль по поводу двух обмоток и двух дуг, точнее искровых разрядов. Первичный преобразователь позволяет ебашить и без боевого конденсатора 1кВ 50-300 Вт кратковременно это хорошо. Боевой конденсатор дает начальный парализующий импульс он-то и ничего не выжигает, а своим резким фронтом и высокой амплитудой вызывает спазм и дополнительно при этом снижает сопротивление тканей, а уже дальше об'ьект подключен к генератору, который питает уже открытый канал и выжигает нервы и мышцы по возможности. Хитрость здесь состоит в инициации первичного искрового разряда. В существующих моделях начальное напряжение коммутируется разрядником. Нужные параметры трансформатора написаны в оппосте. Нужно обдумать твою идею.

Аноним Срд 05 Мар 2014 22:44:19  #21 №118326 

>>118315
>Хитрость здесь состоит в инициации первичного искрового разряда
В моем варианте две слабеньких микротоковых дуги горят постоянно, а когда обе дуги замукаются на тело - замыкается и диагональ, можно ебашить хоть чем на полную мощность, хоть генератором, хоть кондером, хоть вместе.

Дуги идут по кратчайшему пути, сопротивление кожи меньше сопротивления воздуха, так что если расстояние до кожи менее половины расстояния между электродами - дуги с удовольствием прыгнут на кожу. И хотя они пока слабые, микротоковые, проводящий канал уже открыт, можно раскочегаривать что-то более мощное, и через эти дуги поставлять импульсы в тело. При этом канал автоматически расширяется, для пропускания бОльшего тока - это особенность дуг. При этом слабые дуги нет необходимости гасить - в случае срыва генерации моного источника, слабые дуги продолжат держать канал, т.е. даже со срывами шокер непотеряет эффективности, просто снизится частота мощных импульсов из-за перерывов в посылках.

Годнота четырехконтактной схемы именно в постоянстве и надежности двух проводящих каналов, плюс мощный источник тока напрямую связан с электродами и может быть в ждущем режиме без расхода энергии, т.к. диагональный канал разомкнут до контакта с кожей обеих дуг, и обе дуги гальванически развязанны друг от друга, т.е. их роль - только установление проводящего канала.

Аноним Срд 05 Мар 2014 22:46:22  #22 №118327 

>>118326
>моного
мощного

Аноним Срд 05 Мар 2014 23:03:14  #23 №118333 

>>118299>>118315>>118326
Упырьте мел, сеньоры. Дуги — очень и очень хуевая идея, т.к. обугливание -> локальное снижение сопротивления -> шунтирование любого воздействующего разряда.

Аноним Срд 05 Мар 2014 23:39:40  #24 №118340 

>>118333
>Дуги — очень и очень хуевая идея, т.к. обугливание -> локальное снижение сопротивления
Во первых уголь хорошо проводит ток, во вторых дуги имеют свойство "шарить" вокруг, т.е. они самонаводящиеся. Высокое напряжение легко перфорирует кожу, добираясь до проводящей мякоти, далее ток растекается по телу, парализуя.
Единственное, что может помешать дугам - мокрая одежда. Резиновая водолазка не помешает - электроды игольчатые, при ударе так и так накалывают кожу. Хотя тогда и дуги не нужны - они просто позволяют поразить цель даже без прямого контакта электродов с кожей, или добраться до кожи через толстую куртку и 100500 слоев свитеров.

Аноним Чтв 06 Мар 2014 01:06:57  #25 №118352 

>>118340
> Во первых уголь хорошо проводит ток
И в последних. Суть в том, что тонкий угольный мостик мгновенно перемкнет электроды. "Шарят" дуги, только в случае появления более которкого пути, а тут он станет практически нулевым — либо одежда обуглится, либо, если жертва голая, кожа.
Эксперемента ради, возьми высоковольтный источник, зажги дугу и внеси в нее что-нибудь.

Аноним Чтв 06 Мар 2014 02:24:09  #26 №118360 
[url]

Как думаете, что это за хуйня?

Аноним Чтв 06 Мар 2014 03:26:11  #27 №118362 

>>118360
факельный разряд в воздухе

Аноним Чтв 06 Мар 2014 03:53:54  #28 №118366 

>>118360
Автоген на ГС-ке 15-ой. На 300 с хуем мегов.
Бородач, твои видео до двачей дошли,лал

Аноним Чтв 06 Мар 2014 04:07:50  #29 №118367 

>>118366
>Бородач
Быдлецо с флайбэка небось?

Аноним Чтв 06 Мар 2014 07:51:19  #30 №118370 DELETED

>>118333
>>118340
>>118352
Господа, обугливание кожи - у вас уже наркомания пошла какая-то. Нужно всего-то пропустить через тушку мощность достаточную для паралича, т.е. 30-50 Вт. Можность в 300 Вт для первичного преобразователя - это просто небольшой запас.
Проблема в инициации процесса передачи, как я писАл выше - открытие канала при помощи искрового разряда. А если хочется обуглить, то можно без высоковольной части - непосредственно с выпрямителя без конденсатора после первого трансформатора вывести два электрода как иголки и длиной 50 мм - проколет одежду и достанет до мяса и так и при 300 Вт обуглит и будет размером с два Крикета. Но это садизм и возможное убийство. Здесь все законопослушные?

Аноним Чтв 06 Мар 2014 11:52:35  #31 №118378 

>>118370
Так суть в том, что дуга, даже при очень малой мощности, обжигает-обугливает все с чем соприкасается, просто потому, что температура канала ебическая.

> Здесь все законопослушные?
Нет конечно.

Аноним Чтв 06 Мар 2014 12:19:03  #32 №118384 

>>118362
Фекальный разряд?

Аноним Чтв 06 Мар 2014 15:53:44  #33 №118398 DELETED

>>118378
Возможность удержания дуги первичным преобразователем это только критерий источника питания. Не будешь же ты, после того как загорится дуга продолжать хуярить ей всё и всех налево и направо? А обугливание происходит не сразу, вещество таки должно успеть разогреться до температуры обугливания - а это уже определяется скоростью выделения энергии в дуге, массой и теплоемкостью разогреваемого объекта, в общем при разумном пользовании обсуждаемым устройством объекту воздействия это не грозит.
>> Здесь все законопослушные?
>Нет конечно.
Я законопослушный, лишь хочу узнать чем секретен секретный креатив злого шокера. Пока известно только то, что ВВ трансформатор меньше. Логически поразмыслив становится очевидно, что вся ВВ часть - это ИЗУ, а эта тема давно известна любителям и специалистам.

Аноним Чтв 06 Мар 2014 17:38:07  #34 №118418 

>>118360
Как думаете, ему мамка пиздюлей дала за прожженный пол?
Алсо, какие профиты от факельного разряда в домашних условиях? Тупо выебнуться, как в случае с tesla-stuff-ололо-молниями?

Аноним Чтв 06 Мар 2014 17:39:37  #35 №118419 
1394113177708.jpg

>>118418
Пик отвалился.

Аноним Чтв 06 Мар 2014 21:50:10  #36 №118446 

http://forum.ixbt.com/print/0048/005075.html

Аноним Чтв 06 Мар 2014 22:43:18  #37 №118452 

>>118418
Прикуриватель.

Аноним Птн 07 Мар 2014 10:04:29  #38 №118477 

>>118398
> хочу узнать чем секретен секретный креатив злого шокера
Вангую что там используется умножитель напряжения перед вторым трансформатором - для более длинной искры на выходе и как следствие более высокой вероятности пробить кучу одежды на жертве(зимой)
Алсо первый и второй варианты ЗШ отличаются не только первичными преобразователями. Главное отличие второго варианта: "повышенное напряжение на кондерах - 2500в (вместо 1400) засчет чего при той же выходной мощности шокера (~7-10вт) злость еще более охуенно возрастает." и " Вся злость достигается при кондерах в 10 раз(!) меньшей емкости по сравнению с первой версией. Кроме того, ето позволило упростить конструкцию и уменьшить габариты ВВ транса."

Аноним Птн 07 Мар 2014 12:11:13  #39 №118482 DELETED

>>118477
Второй креатив - обратноход, там получить повышенное напряжение проще, в первом для этого нужно было бы намотать в полтора раза больше витков во вторичке.
Энергия, запасенная конденсатором прямопропорциональна емкости и квадрату напряжения на нем. Напряжение увеличилось в 1.6 раза, энергия запасенная конденсатором в 2.56 раза, при той же емкости, заметь, следовательно, емкость можно уменьшить в эти самые 2.56 раза. Еще следует учитывать особенность конденсаторов, конечно она больше характерна для электролитов, но и на пленочных и бумажных тоже заметна, конденсатор разряжается не сразу до нуля, а по мере снижения напряжения на конденсаторе скорость его разряда снижается (что, в общем-то, очевидно из законов Ома и Кулона), таким образом повышение напряжение конденсатора при снижении его емкости повышает эффективность использования запасенной конденсатором энергии.
А про 10 раз меньшей емкости это, скорее, Гуру нагоняет колдовской туман.
В общем-то ты верно обратил внимание на повышение напряжения первичного преобразователя, я не задумывался над этим, но вряд ли там умножитель - из его креативов у меня такое впечатление, что он смотрит на умножитель как на говно, хотя мысль использования умножителя после первичного преобразователя проскакивала в комментариях.

Аноним Птн 07 Мар 2014 21:21:20  #40 №118518 

>>118482
Николай Дерусов, залогинься.

Аноним Суб 08 Мар 2014 00:25:12  #41 №118534 

>>118482
>что он смотрит на умножитель как на говно
И зря. Когда нам нужна искра ради проводящего канала, а источник тока используется дополнительный, мощность искры не важна - тут умножители в самый раз, они дают огромное напряжение при маленьких токах, а нам нужно как раз напряжения, на ток нам похуй.

Аноним Суб 08 Мар 2014 01:04:07  #42 №118537 

>>118518
Нет, я не Николай. Я даже регался на флайбеке, но заблокировали за неактивность - а я только хотел выложить отчет о своих поделках, таки дела.
>>118534
>> И зря
Не могу с тобой не согласиться, но возможно Ламазоид что-то знает и молчит или не хочет пояснять, явно же не дурак, но, может быть и просто костность мышления.

Аноним Вск 09 Мар 2014 03:51:49  #43 №118612 

>>117879
На выходе пикрилейтеда не более 1кВ, я верно понял?

Аноним Вск 09 Мар 2014 13:39:32  #44 №118621 

http://aes2.ru/publ/ehlektroshoker_svoimi_rukami/1-1-0-27
Пара минут в гугле.OCHE ZLOY SHOKIR.

Аноним Вск 09 Мар 2014 17:29:38  #45 №118648 

>>118612
А выходной трансформатор по твоемому для красоты стоит?

Аноним Вск 09 Мар 2014 17:32:22  #46 №118649 
1394371942753.jpg

>>118621
По сути этим кирпичем и так можно уебать.

Аноним Вск 09 Мар 2014 18:15:36  #47 №118650 

>>118648
Я не понимаю, зачем там вторичка подключена к земле первички? Можете пояснить?

Аноним Вск 09 Мар 2014 18:29:28  #48 №118651 

>>118650
Где ты это увидел, норкоман?!

Аноним Вск 09 Мар 2014 18:32:53  #49 №118653 
1394375573346.jpg

>>118651
На ОП-пике.

Аноним Вск 09 Мар 2014 18:34:35  #50 №118654 

>>118621
Хуета хует. Чисто разрядом пугануть, после чего этой хуйней тебе же башку и разобьют, после засунут в жопу. И это не считая обычных, физической силы, пиздюлей, которыми сие действо будет предваряться, сопровождаться и заканчиваться. Через ВВ диоды никогда не будет тока, достаточного тока для быстрого и гарантированного уёба хопника.

Аноним Вск 09 Мар 2014 18:37:43  #51 №118655 

>>118653
Бля! Я подумал про первичку инвертора и повышающую вторичку. Эта связь нужна для передачи, собственно уёбывающего тока, от кондёра через дугу к испытуемому.

Аноним Вск 09 Мар 2014 18:49:57  #52 №118656 

>>118655
Кстати я делал мегашокер. Злой шокер я понимаю только в теории и по отзывам. Там реально тяжёлая вещь из-за выходного транса. Оконечку я делал из пластмассового игрушечного пистолета, при нажатии на спуск сначала раздвигаются электроды и потом разряд. По весу и габаритам - хуета. Но по дури - пиздец. Я случайно уебал себе в бочину, черех кожанку, недалеко от мотора, очухался только через 2 часа, обоссавшийся и обблевавшийся.

Аноним Вск 09 Мар 2014 18:50:15  #53 №118657 

>>118655
Но кондер на 1кВ, его разве не распидорасит? Не может быть такой ситуации, что на нем окажется больше 1кВ через дугу?

Аноним Вск 09 Мар 2014 19:00:01  #54 №118658 

>>118657
Там же не зря резюк на 27 мегом торчит. Он часть делителя, образованного, собственно им и неебически большим сопротивлением разрядной обмотки.

Аноним Вск 09 Мар 2014 19:04:49  #55 №118659 

>>118658
Если точнее, то разрядная обмотка для переменки имеет охуенное сопротивление, а резюк 27 мегом одно и то же для переменки применимых частот и постоянного/пульсирующего напряжения. При этом разрядная обмотка+дуга имеют низкое сопротивление для постоянного/пульсирующего тока разряда боевого конденсатора.

Аноним Вск 09 Мар 2014 19:07:32  #56 №118660 

>>118657
Металлобумажные кондёры обладают свойством восстанавливаться после пробоя, которого здесь быть практически не может, если только опытным методом не создать такую ситуацию.

Аноним Вск 09 Мар 2014 20:11:11  #57 №118668 
1394381471323.png

>>118659
>>118660
Промоделировал, из интереса. С полевиками ни в какую не хотелось заводиться, а вот с биполярами завелось сразу же. Потребляемый ток в пиках от источника 10в - 1.2А, в среднем что-нибудь около 0.6-0.7А. Номинал резисторов генератора изменяет не только ток через транзисторы, но и частоту. Без нагрузки после инвертера накачивается около 300в, имею ввиду без разрядника и нагрузки в выходной вторичке. Хуй знает почему так мало. С нагрузкой еще меньше. На выходе импульсы с амплитудой около 1 кВ, частота чуть больше 4 кгц, ток на нагрузку 10к - около 100мА в каждом импульсе. Возможно, дело в разряднике, нихуя не понял как нормально настроить единственную найденную модель, не шарю в таких специфичных штукенциях. Напряжение пробоя 125в, лол. С учетом этого результат отличный. Если ИРЛ удастся накачать сотни вольт под нагрузкой - это будет холокост.

Аноним Вск 09 Мар 2014 20:20:13  #58 №118669 

>>118668
Я бы, на примере мегашокера, не стал экономить и замутил бы отдельную обмотку или ваще транс или инвертор для заряда боевого конденсатора.

Аноним Вск 09 Мар 2014 20:22:47  #59 №118670 

>>118669
И схему запуска генератора бы так же отдельную замутил. Автогенератор - говно!

Аноним Вск 09 Мар 2014 20:40:23  #60 №118672 

>>118670
Ну, от автогенератора точно надо уходить. Погуглю попозж какие есть варианты.

Аноним Пнд 10 Мар 2014 00:27:58  #61 №118688 

>>118656
Браток, но мегашокер версии 4.2 повторяет схемотехнику злого, только вместо разрядника тиристор и боевой конденсатор - электролит.

Аноним Пнд 10 Мар 2014 02:20:53  #62 №118694 
1394403653845.jpg

Просто оставлю это здесь

Аноним Пнд 10 Мар 2014 02:58:45  #63 №118695 

>>118694
Если честно - какое-то гуано. Что мешает питать дугу от того же умножителя, зачем городить второй? Это раз, а вот и два: умножитель - днище по мощности.
Лучше уж так: высокочастотный боевой микротранс, который и подает мощу в дугу, этим же трансом питаем умножитель.
В принципе выходной транс тут и не нужен, гораздо дешевле (по обьему) впихнуть туда лишних ступеней умножения. Но умножитель смертельно опасен, так что если не хотим убить - после него ставим разрядник с трансом, который и даст безопасную дугу. Хотя и тут можно обойтись без транса, одним разрядником - после него дуга уже безопасна, включается скин-эффект для нее.
Самое забавное получается с работой: как только дуга замыкается через тело, шунтируется боевой транс, умножитель глохнет, дуга гаснет, контакт разрывается, шунтирование исчезает, умножитель оживает, дуга зажигается, тушка получает очередной заряд бодрости, умножитель опять шунтируется по входу тушкой, и цикл повторяется - автогенератор, хехе.
Самое главное здесь - меняем тяжелый и огромный транс на легкие и маленькие каскады умножения. Ну и мощность разряда равна около 90-95% отдаваемой мощности источника питания, т.е. берем мосфеты позлее, мотаем боевой транс потолще, берем модельный аккумулятор с токами разряда в 10-20С, и имеем просто охуительной мощности микрошокер.
Что еще вкусного: боевой транс низковольтный, тушку не прошьет насквозь, ничего жизненноважного из строя не выйдет, но джоулей получит много, вырубится на долго - эффект схож с действием фосфоротравляющих веществ: перегрузка мышц. Не нужны огромные кондеры - транс и так отдаст охуительную мощность при разряде, поди по круче пули из макарыча. Автовосстановление проводящего канала при его обрушении. Можно не боятся за батарейку - в боевом режиме она сядет за несколько минут, но в режиме дуги проработает несколько часов: умножитель берет всего-ничего, а боевой режим включается только при замыкании на тушку. Ах да, для этого двух электродов мало - иначе полная мощь 20С пойдет через дугу, а не через тела, и за минуту спалит нахрен электроды, получится миниэлектросварка, их просто разбрызгает - процесс то автогенераторный, разряд 20С, потеря канала, восстановление, опять мощный разряд, и т.д. пока не кончатся электроды или не сдохнет батарея.

Аноним Пнд 10 Мар 2014 03:55:40  #64 №118697 

>>118695
В качестве мосфетов пойдут вентили из системы питания процессора, на материнке. В качестве боевого транса, думаю - силовой транс из БП, одна обмотка низковольтная дохуяамперная, вторая высоковольтная малоамперная - то что надо. Боевая часть уже готова.
Нужен управляющий узел - тут желательно сгородить что-нибудь резонансное, для минимизации холостых токов - т.е. генератор, зависящий от параметров транса и нагрузки на нем, т.е. берем еще один транзистор, и через виток/резистор связываем его с боевым трансом.
Для начала берем обычный литиевый акк - тестим на нем. Нас должно хорошо тряхнуть, но без дуги. Хотя я бы не рискнул тестить на себе - сначала нужно замерить параметры вторички: напряжение, ток. А то вдруг распидорасит? Потом тест на холодной вареной сосиске - там достаточно жидкости и солей, чтобы имитировать мясо. Если при разряде в течении минуты она не взорвется/зашипит/загорится - можно приступать к натурным тестам. Но на всякий случай пока следует ограничить ток до минимума, большим резюком, и быть готовым, что мышцы вырубятся - ни в коем случае не хвататься за провода, только легкие касания тыльной стороной руки. И так, постепенно уменьшая резюк, до предела, после которого невозможно терпеть. И ни в коем случае не держать дольше пары секунд - на таких мощностях вполне реально закипание жидкости, а отсюда и до взрыва тканей не далеко.
Тест с сосиской на полной мощности покажет, опасен ли такой шокер физически - нагрев тканей, закипание жидкости, наличие пара, обугливаний - это гарантированные тяжелые повреждения, т.е. такой разряд может убить или привести к тяжелому некрозу - попадание пули например вызывает аналогичные повреждения тканей, обширный некроз вокруг канала.
Так что после минутного теста на сосиске ее следует препарировать, и внимательно обследовать ткани между электродов, как снаружи так и изнутри - пощупать, сильно ли нагрелись, разрезать, внимательно осмотреть области электродов - нет ли угля, почернений, сухих зон, если есть - плохо, мощность чрезмерная, возможен летальный исход. Хотя если шокер боевой - не страшно.

Натурными тестами нужно установить границу нетерпимости, адской боли, замерить ее ток, и сделать регулятор до 200-300% тока нетерпимости, это принесет сильный болевой шок.
Если граница лежит вблизи верхней планки тока трансформатора - плохо, либо транс слабый, либо батарейка, либо мосфеты. Мосфеты можно умощнить, включив несколько в параллель (но только при необходимости!). С трансом можно проделать то же, надыбав второй такой же. Да и с батарейкой тоже. Но гораздо лучше взять модельную батарейку с высоким током разряда, и соответствующий транс - например из более мощного БП. Хотя транс будет найти сложнее, так что и параллель неплохо, с учетом того, что они и так достаточно маленькие в высокочастотных импульсниках.
Для настоящего боевого шокера граница нетерпимости должна лежать в низу шкалы токов, т.е. 10% от максимального тока или меньше.
В схему генератора для первички дополнительно нужно внести ШИМ-модулятор, для ограничения мощности разряда. Чтобы никого не покалечить. Его можно собрать на МК, или на таймере. Смысл схемы: в управление шокером вводится переменный резюк, который регулирует мощность тока в пределах 100..300% от нетерпимой. Плюс к нему нужна кнопка, которая выключает ШИМ, и подает 100% мощности.
Применение шокера сводится к взведению предохранителя, который подает питание на курок, замыкании курка одним из 4-х пальцев - питание подается на генератор, зажигается разряд (при наличии умножителя, без умножителя шокер превращается в контактный - требует прикосновения электродов к коже, или электродов-иголок), далее движением руки вперед шокер подносится к нападающему, появление контакта можно опознать по трем признакам:
-загорается диод детектора тока, сигнализируя, что через обмотку пошел ток больше холостого
-пропадает шум разряда, это означает, что кожа в прямом контакте с электродами
-разряд начинает трещать, хлопать, это означает, что разряд замкнулся на кожу, и через него пошел большой ток короткими импульсами
При этом движении большой палец должен лежать на регуляторе мощности - как заметили установление контакта, нужно, движением большого пальца от себя, начать плавно или резко увеличивать мощность до предела. В случае, если нападающий не обезврежен - дожимаем кончиком большого пальца кнопку полной мощности, и не отпускаем до успокоения нападающего. В случае высокой опасности жмем на кнопку еще до удара - так 100% мощности пойдет сразу, гарантированно выводя злоумышленника из строя.
Одного аккумулятора при таком раскладе должно хватить на несколько десятков боевых применений. Учитывая высокую стоимость мощного аккумулятора, низкое количество циклов перезарядки и высокую степень риска для жизни в случаях, когда применяется шокер - оно того стоит, при таком раскладе, если шокер спас жизнь, то и один аккумулятор на одно применение - более чем адекватная цена за жизнь.
Да, еще - в таком шокере не нужен силовой выключатель. Лучше когда на пути огромного тока как можно меньше соединений -здесь на пути только первичная обмотка и ключ, питание отключается от генератора, ключ подтягивается к земле чтобы не висеть в воздухе - и остается выключенным, нечувствительным к наводкам.
Думаю что регулятор можно дополнить МК с несколькими программами ШИМ-последовательностей, которые следует подобрать экспериментально, т.к. управление мощностью и так цифровое.

Аноним Пнд 10 Мар 2014 09:32:08  #65 №118701 

>>118688
http://guarda.ru/guarda/data/active_protect/txt_06.php
Я этот собирал.

Аноним Пнд 10 Мар 2014 11:49:24  #66 №118708 

>>118695
>>118697
Прочитал тебя. Фантазер мамкин.
>>118701
Можешь расписать почему там закрывается тиристор на постоянном токе без цепочки закрытия? Можно сделать генератор на КУ202Н с питанием постоянным током 300 Вольт на частоту 100 Гц, например?

Аноним Пнд 10 Мар 2014 13:54:43  #67 №118717 

>>118708
Так же как и в электроудочке. Хуль там расписывать, на осциле все видно: после открытия тиристора напруга на с9 падает -> тиристор закрывается -> напруга на с9 и следовательно, с10 возрастает -> тиристор открывается -> все сначала. 100гц хуйня, 20-30гц самый расколбас - потом руку почти не чувствуешь.

Аноним Пнд 10 Мар 2014 15:00:48  #68 №118723 

>>118654
> Через ВВ диоды никогда не будет тока, достаточного тока для быстрого и гарантированного уёба хопника.
Да и хуй с ними, гопник подключается к цепи конденсаторов напрямую. Набирай микрофарад ебкости и убивай гопников одной искрой в область груди.

Аноним Пнд 10 Мар 2014 15:08:23  #69 №118724 

>>118717
Но при достаточной мощности первичного преобразователя тиристор не сможет закрыться сам. Я про это.

Аноним Пнд 10 Мар 2014 15:18:03  #70 №118726 

>>118708>>118724
А выбросом с T2 тиристор не закроется?

Аноним Пнд 10 Мар 2014 17:13:48  #71 №118737 

>>118726
А какой там выброс? Тиристор открылся - ток линейно или нелинейно нарастает по мере насыщения сердечника, сердечник насытился, ток расти перестал и идет и не изменяется. При слабомощном преобразователе после разряда конденсатора ток становится меньше тока удержания и тиристор закрывается, а если преобразователь может выдавать большой ток, Мазилини, например, генератор? - ток и будет идти через тиристор пока провода не расплавятся. Если только разряд на вторичке вносит какое-то разнообразие.

Аноним Пнд 10 Мар 2014 18:53:28  #72 №118742 

>>118737
Самоиндукции. Обратной полярности. От этого же выброса, вероятно, стоит VD6.

Аноним Пнд 10 Мар 2014 20:03:19  #73 №118757 

>>118724
ХЗ, я про это не задумывался. То что мощность первичного источника ниже достаточной для удержания тиристора в открытом состоянии, я еще тогда понял, а про такую проблему даже не думал.

Аноним Пнд 10 Мар 2014 20:20:38  #74 №118758 

>>118742
Выброс самоиндукции будет при прерывании тока через индуктивность или при попытке создать в индуктивности ток. Тиристор открывается - ток МЕЕЕЕЕДЛЕННО увеличивается - это индуктивность создает ЭДС, которая сопротивляется изменению тока через индуктивность. Если в цепь вставить механический выключатель и дождавшись установившегося тока через индуктивность его резко выключить - индуктивность охуеет от такой наглости и будет сопротивляться изменению (уменьшению, прекращению) тока через себя - она создаст ЭДС на своих концах, такую, чтобы эта ЭДС компенсировала изменение тока через индуктивность - при резком разрывании цепи ЭДС стремится к бесконечности и хочет все вокруг расхуярить искровым рязрядом или дугой, но достичь бесконечности не успевает, поскольку энергия, запасенная в индуктивном элементе ограничена и все дело ограничивается искрением контактов - от чего ставится конденсатор, он такой же как индуктивность, только его реактивное сопротивление противоположно индуктивному - оно емкостное, а так всё один-в-один. Конденсатор нихуя не любит, когда на нем резко меняется напряжение и он создает ток через себя, чтобы препятствовать этому изменению напряжения. Доходчиво объяснил? А теперь скажи мне, откуда там будет выброс самоиндукции, если катушка и последовательно соединенный с ней тиристор питаются постоянным током и ток в цепи выше тока удержания тиристора? Отключения тиристора добиться можно, но для этого параллельно ему ставят колебательную цепь из любовной парочки: катушки и конденсатора, после окончания изменения тока через тиристор, а иногда и раньше они начинают КОЛЕБАТЕЛЬНЫЙ процесс - ток через контур становится большим, через тиристор уменьшается - тиристор смотрит как альфач-конденсатор накачивает катушку ТОКОМ, ток через тиристор уменьшается, становится меньше тока удержания, тиристор начинает хикковать и закрывается к хуям. Так же там есть демпферная цепочка, но тебе еще рано про такие вещи задумываться, но если интересно - расскажу, только не говори об этом взрослым.

Аноним Пнд 10 Мар 2014 20:41:58  #75 №118759 
1394469718049.png

Вот такой вариант. Теперь на выходе импульсы частотой чуть менее 4 кгц при нагрузке 10к, чем больше нагрузка, тем больше частота, но не более 10 кгц. При 10к импульсы 8кВ, ток импульса 0.9А(!). От такого мясо не взорвется? Хотя реальные кондеры и транс вряд ли будут отдавать столько тока за столь малый промежуток времени. Потребление от источника 15в в среднем 3.5-4А, в импульсах больше, ESR источника 0.3 ом. Разрядник на 400В, больше при 10к нагрузке не накачать. А без нагрузки и разрядника легко накачивает под 1кВ. Частота ШИМ 160 кГц. Большая емкость кондеров снижает частоту, но увеличивает ток импульса.
Не понятно, как подобрать разрядник. При меньшей нагрузке и большему пробивному напряжению разрядника амплитуда на выходе еще выше, вплоть до 20 кВ и даже больше. Но при большой нагрузке напруга сильно проседает, разрядник больше не срабатывает, через D5 и жертву идут десятки вольт при большом токе, что больно, но не вырубит гопника. Т.е. длительный контакт с мясом сводит все на нет, хотя начальный импульс будет адовым. Это при прямом контакте с телом, а вот с учетом контакта через одежду, все должно работать нормально, периодически срабатывая через тело.

Аноним Пнд 10 Мар 2014 20:44:27  #76 №118760 

>>118759
>чем меньше нагрузка, тем больше частота, но не более 10 кгц
фикс

Аноним Пнд 10 Мар 2014 20:57:44  #77 №118764 

>>118759
>мпульсы 8кВ, ток импульса 0.9А
8*0,9=7.2квт где такую батарейку найдешь?

Аноним Пнд 10 Мар 2014 21:03:25  #78 №118765 

>>118764
При чем тут батарейка, норкоман? Это накапливаемый заряд в кондерах и трансе при срабатывании разрядника резко высвобождается. Это происходит периодически. Я написал, сколько жрет от источника:
>Потребление от источника 15в в среднем 3.5-4А, в импульсах больше, ESR источника 0.3 ом
Не более 60вт среднее постоянное потребление.

Аноним Пнд 10 Мар 2014 21:28:53  #79 №118770 
1394472533937.png

>>118764
Вот тебе наглядно. Зеленый - заряд на С1, периодически разряжается через разрядник. Синее - заряд на "боевом" кондере С3. Виден профит боевого кондера - пока С1 снова заряжается, С3 еще не успевает разрядится - на не оче низкоомной тушке все еще будут сотни вольт.

Аноним Пнд 10 Мар 2014 21:34:00  #80 №118771 

>>118759
Примерно то же описывал Ламазоид в креативе. Только зачем ты моделируешь первичный преобразователь? Его параметры легко прогнозируемы известны заранее. 60 Вт - примерно такая мощность описывается в креативе, где злой в формате сникерса с аккумулятором от авиамодели.
>>118764
Не путай импульсную и интегральную мощность за период времени. Чем короче импульс тем большей мощности он может быть, но за больший промежуток времени эта мощность может быть мизерной.

Аноним Пнд 10 Мар 2014 21:37:24  #81 №118772 

>>118770
>>118771
Добавлю еще - ты смоделировал EMD эффект. Мышца активно отзывается на фронт импульса, но чтобы возбудить большую мышцу нужна и большая энергия. Эти импульсы вызовут спазм и паралич мышц в зоне контакта. Все это есть в креативах, в общем-то.

Аноним Пнд 10 Мар 2014 21:44:53  #82 №118776 

>>118765
>Это накапливаемый заряд в кондерах
Значит на него похуй
>Не более 60вт среднее постоянное потребление.
Значит не более 40вт в импульсе.

Аноним Пнд 10 Мар 2014 21:52:44  #83 №118781 

>>118771
>зачем ты моделируешь первичный преобразователь? Его параметры легко прогнозируемы известны заранее
Хрен там. Пришлось поиграться с номиналами и частотой шим, чтобы найти оптимальный вариант. ИРЛ так играться куда труднее.
>>118772
>чтобы возбудить большую мышцу нужна и большая энергия
Да, но 8кВ 0.9А? Если ИРЛ будет что-то подобное, то это не оружие самообороны, а уже что-то боевое и смертельное. Думаю, сосиска от такого взорвалась бы.

Аноним Пнд 10 Мар 2014 22:10:06  #84 №118783 

>>118781
>Пришлось поиграться с номиналами и частотой шим, чтобы найти оптимальный вариант. ИРЛ так играться куда труднее.
ирл используют автоподстраивающиеся схемы
>Да, но 8кВ 0.9А?
Да, но в молнии миллионы вольт и миллионы ампер, но чувака пиздануло дважды и он пошел дальше. Дело в средней энергии - организм человека штука инертная. И дело в скин-эффекте - вч токи не проникают внутрь.

Аноним Пнд 10 Мар 2014 22:27:16  #85 №118786 

>>118783
>ирл используют автоподстраивающиеся схемы
Можно примеров?

Аноним Пнд 10 Мар 2014 23:01:27  #86 №118796 
1394478087096.jpg

>>118786
У тебя просто генератор, без обратной связи.
Представь себе что контур - это тяжелые качели. Твой генератор их раскачивает по таймеру, но период собственных колебаний качелей не совпадает с периодом таймера, поэтому только иногда он будет их толкать правильно, в остальное время он будет бороться с их инерций - ну как бы ты захотел толкнуть качели, когда они с размаху летят на тебя.
Генератор с обратной связью не борется с инерцией, а увеличивает энергию колебаний, и делает это грамотно - только в те моменты времени, когда ток в контуре угас, т.е. качели замерли в верхней точке.
Более того, когда растет нагрузка на контур, у него начинает отбирать энергию вторичная обмотка, параметры контура меняются - растет масса качелей. Генератор бещ обратной связи начинает впустую растрачивать энергию на борьбу с возросшей инерцией, генератор с обратной связью просто подстраивается под новый период колебаний.

И так как у нас однополярное питание, генератор может толкать качели только в одной из двух верхних точек, а чтобы качели не наталкивались на стену, обмотку шунтируют мощным диодом. Вот примерно так это все и работает.

Аноним Пнд 10 Мар 2014 23:18:52  #87 №118797 

>>118796
С автогенератором >>118668 херня получается же. Ты уверен, что твой пикрилейтед будет лучше?

Аноним Пнд 10 Мар 2014 23:31:06  #88 №118798 

>>118776
> Значит на него похуй
Хватани конденсатор на пару мкф, заряженный киловольт до 10.
> >Не более 60вт среднее постоянное потребление.
> Значит не более 40вт в импульсе.
Что за хуйню я читаю?

Аноним Втр 11 Мар 2014 00:48:29  #89 №118805 

>>118797
Пик - нет, не будет. Лучше всего будет мощный полевик, управляемый с помощью обратной связи, которую можно взять с витка или с датчика тока. И конечно не забываем про диод.
>Что за хуйню я читаю?
Мощность импульса останется на уровне 40Вт, или 40Дж/с. Высокое напряжение только помогает доставить энергию, но это не самоцель - можно захуярить и миллион вольт, но тогда они будут безвредны. Хочешь убойности - нужно снизить напряжение. Хочешь пробиваемости - увеличить. Хочешь и то и то - пробивай канал отдельной дугой.

Аноним Втр 11 Мар 2014 01:16:34  #90 №118808 

>>118796
Не удалось нормально завести твой пикрилейтед. Автогенераторы тут таки отсасывают, к сожалению. Из-за не очень хорошего кпд и охренительно высокой нагрузки на транзисторы. В этой схеме через ключевой транзистор в варианте с шим ток до 18-20А в пиках. Не зря тут именно IRF540. Представь, каково пришлось бы транзисторам в автогенераторе. Оптимизировал слегка - теперь частота разрядов 4.7 кГц, частота шим 38 кгц. Нужно только подтянуть обратную связь, чтобы без нагрузки не накачивало больше определенного уровня (800В, например).

Аноним Втр 11 Мар 2014 01:49:12  #91 №118810 
1394488152222.png

А важна ли большая частота разрядов? При пробивном разрядника 980В и нагрузке 100к получаются импульсы частотой около 910 гц, 28кВ, ток под 0.3А. Такая-то сокрушающая мощь.

Аноним Втр 11 Мар 2014 08:54:25  #92 №118819 DELETED

>>118781
>>зачем ты моделируешь первичный преобразователь? Его параметры легко прогнозируемы известны заранее
>Хрен там. Пришлось поиграться с номиналами и частотой шим, чтобы найти оптимальный вариант. ИРЛ так играться куда труднее.
Я в плане того, что это наиболее простая часть схемы и существует множество примеров решения данной задачи. А так да, ты смоделировал обратноход, респект тебе и уважуха, при всей простоте это довольно капризная схема.
>>чтобы возбудить большую мышцу нужна и большая энергия
ЮДа, но 8кВ 0.9А? Если ИРЛ будет что-то подобное, то это не оружие самообороны, а уже что-то боевое и смертельное. Думаю, сосиска от такого взорвалась бы.
Если ИРЛ такое воздействие будет хотя бы в течение секунды, то взорвалась бы. Посчитай площадь импульса - получишь работу http://class-fizika.narod.ru/8_34.htm Полагаю, что твои микросекундные импульсы укладываются в допустимые 3 Джоуля.
>>118786
Браток, вот тебе пример: >>117967 Еще никто внятно не пояснил за недостатки. Для работоспособности нужны 3 условия: напряжение питания не должно снижаться ниже напряжения затвор-исток полного открытия транзистора, нормальный дроссель, нормальный конденсатор. Слишком высокая индуктивность дросселя - хорошо, но падает эффективность, слишком низкая - через транзисторы идет сквозной ток. Плохой конденсатор - при длительной работе греется, но для рассматриваемого устройства это некритично. Выходной трансформатор - хоть на гвозде мотай, гвоздь конечно будет греться за счет перемагничивания и токов Фуко схема будет работоспособна.
>>118796 твой пик не соответствует твоем описанию - это блокинг с насыщением трансформатора, никакой автоподстройки, частота меняется в зависимости от нагрузки, напряжения питания и воли Аллаха.
>>118805 вообще ты описываешь резонансный генератор, с подстройкой частоты, высокий КПД, большой диапазон - с автоподстройкой-то, хули нет - индуктор, например рабочих режимов. Но в данном случае это стрельба из пушки по воробьям.
>>118810
Большая частота не важна, 20-30 Гц достаточно, как пишут. Для полноты модели тебе нужна динамическая нагрузка - последовательно с резистором нагрузки разрядник и резистор должен менять свое сопротивление в процессе прохождения по нему тока от сотен кОм до сотен Ом. Сначала пробивается воздушный промежуток между электродами и кожей, поначалу кожа сухая и имеет высокое сопротивление, затем ткани поляризуются - их сопротивление начинает снижаться, затем начинается разогрев, сопротивление не меняется, затем обугливание и т.д. Посмотри время импульса, посчитай энергию (площадь импульса t*P, P=U*I) и скажи нам.


Аноним Втр 11 Мар 2014 11:58:21  #93 №118829 

>>118805
> Мощность импульса останется на уровне 40Вт, или 40Дж/с.
Я к тому, что одиночный импульс всегда будет иметь большую мощность, чем усредненный сигнал, наркоман.

Аноним Втр 11 Мар 2014 12:04:22  #94 №118830 

>>118819
> не пояснил за недостатки
> 3 условия
> затворы заряжаемые/разряжаемые через 470/10k
> никаких защит

Аноним Втр 11 Мар 2014 13:51:00  #95 №118836 DELETED

>>118830
В рабочем режиме затворы разряжаются через диоды, к ним вообще прикладывается напряжение питания с контура через эти диоды.
Защита затворов - стабилитроны.
Если хочется выдирать из схемы во время работы контурный конденсатор, то нужно еще параллельно сток-исток транзисторов поставить супрессоры - выброс высокого напряжения с катушки заряжает конденсатор, но когда его нет он прикладывается к транзисторам. Резисторы на 10 кОм не очень и нужны и нужны скорее для того, чтобы статика с затвора стекала, когда схема не запитана и вообще, оставляют висеть в воздухе затвор только умственно отсталые люди.
Добавлю еще, что можно разделить силовое питание и питание затворов - на точку соединения резисторов подавать +12 Вольт, а силовое 3.3 Вольта - генератор запускается, успешно работает, дуги не было, но проволочки до красна греются и БП ПК странно подвывать начинает. 12 вольт были от отдельного БП на LM317 с максимальным током 1.5А.
Где недостатки-то? Если криворукость не дает нормально собрать даже эту схему, то куда уж лезть в импульсную технику вообще?

Аноним Втр 11 Мар 2014 13:54:38  #96 №118837 DELETED

>>118830
>>118836
3 условия - это условия неубиваемости и стабильной продолжительной работы. Они не являются условиями запуска. UC3843, к примеру, ниже 10 вольт не запустится вовсе. И нижний предел напряжения во всех схемах ограничивается напряжением исток-затвор.

Аноним Втр 11 Мар 2014 14:17:27  #97 №118838 DELETED

Пробьет ли транзистор Т1 в схеме, если его максимальное напряжение коллектор-эмиттер 700 Вольт? Диоды Д1, Д2, Д3 на 1000 Вольт обратного напряжения? Какой схемой можно заменить блок G1, для генерации меандра со скважностью 1 и заданной частотой? Почему коммутация транзистором редко применяется в электроудочках?

Аноним Втр 11 Мар 2014 15:08:50  #98 №118843 

>>118838
Пробьет, диоды - 1000- мало, генератором меандра, очевидно же,
удочка - обычный ВВ преобразователь, часто применяется.
Вообще на пике нарисовано какоето говно нерабочее.

Аноним Втр 11 Мар 2014 15:31:13  #99 №118845 DELETED

>>118843
>генератором меандра, очевидно же
Неочевидно, нарисуй, пожалуйста, схему.
Почему 1000 - мало, а сколько нормально?
Покажи схему нормальной >700Вольт удочки с транзисторной коммутацией.

Аноним Втр 11 Мар 2014 17:57:13  #100 №118857 
1394546233622.png

>>118819
>Посмотри время импульса, посчитай энергию (площадь импульса t*P, P=U*I) и скажи нам.
Как правильно рассчитать, если импульс пикрилейтед формы? Длительность 900нс (пик рамка), в пике 28кв, ток 0.28-0.29А. Там еще сразу после этого импульса в течение 26мкс идет ток с боевого кондера (около +600-700В, 6-7мА). Нагрузка 100к.

Аноним Втр 11 Мар 2014 18:41:30  #101 №118860 
1394548890809.gif

>>118838
> генерации меандра со скважностью 1
> меандра
> скважностью 1
У меандра скважность 2.
Меандр — периодический прямоугольный сигнал со скважностью, равной 2.
Мне кажется скважность 1 - это будет выглядеть как прямая линия.

Аноним Срд 12 Мар 2014 01:09:02  #102 №118881 

>>118836
> на точку соединения резисторов подавать +12 Вольт, а силовое 3.3
А толку? Все равно, эти 12 вольт будут больше греть резисторы, а не открывать транзисторы.

>>118837
Не только она, а вообще, любой нормальный драйвер, этот самый незапуск — степень защиты. Заряд затворов высокоомным резистором -> низкая частота -> большой трансформатор(дроссель). Флайбек -> выбросы -> высоковольтные ключи -> высокое сопротивление канала. Потребность в дополнительной индуктивности нехороших размеров.

> Если криворукость не дает нормально собрать
Ох ебать, да тут аргументы пошли в ход!

Аноним Срд 12 Мар 2014 10:08:54  #103 №118908 DELETED

>>118857
Энергия - интегральная площадь импульса. В твоем случае, с упрощениями:U=28000 В, I=0.3 A, t=0.000000450 c. Время взято половина, поскольку примерно диагональ, соответственно
E=28000*0.3*0.000000450=0.00378 Дж. Умножь эту энергию на частоту импульсов и подели на 1 (одну секунду, Мощность = Джоули в секунду, но здесь ты делишь на секунду, которая прячется в Герцах) и получишь мощность.
>>118881
Эти 12 Вольт будут открывать транзисторы. Изначально оба транзистора открыты, а напряжение на контуре их закрывает.
12/500=24 мА Охуеть потребление, если такой экономист мамкин поставь биполяры с конденсаторами в базах MJE, например.
>этот самый незапуск — степень защиты
Ну это уж либо шашечки, либо ехать.
>> Если криворукость не дает нормально собрать
>Ох ебать, да тут аргументы пошли в ход!
Ну извини, если обидно, просто эта схема весьма простая и не импульсная, на самом деле. На выходе - очень красивая как Мила Йовович и Саша Грей вместе взятые синусоида, выбросов нет. Выбросы будут при отсутствии контурного конденсатора - уже писАл, это гасится супрессорами, если экономишь на конденсаторе, и получается тогда мутант генератора Ройера с насыщением выходного трансформатора. Везде свои преимущества и недостатки, можно поставить драйвер, те же два полевика с защитой от ебучих выбросов, обвязку драйвера. Городишь схему для борьбы с односторонним подмагничиванием для двухтактного драйвера, снабберы или как их там для гашения выбросов с силового трансформатора. А можно просто два полевика. Если рассчитывать на потребление от источника 10-15 Ампер, то и дроссель получится не слишком большой. Во время экспериментов эта схема на IRL3205 обходилась дросселем на гантельке 10 мм высотой - трансформатор маленький, частота высокая (которая определяется не резисторами, а параметрами контура). Но если, конечно, сравнивать с обратноходом, то признаю, по габаритам обратноход будет меньше, но чтобы сделать хороший обратноход нужны и руки прямее. Да, а как ведут себя твои импульсные конструкции при резком включении, отключении к ним мощной нагрузки? Ключи, небось, сгорают, утягивая за собой в ад драйвер и все до чего могут дотянуться? А этой конструкции просто похуй на нагрузку, транзисторы накачивают энергией контур LC, а нагрузка отбирает эту мощность из контура - недостаток только в том, что отобрав слишком много энергии транзисторы будут хуже закрываться и начнут греться, но это процесс довольно длительный, можно ограничиться даже биметаллической пластинкой на радиаторе для защиты, лол.

Аноним Срд 12 Мар 2014 10:21:52  #104 №118910 DELETED

>>118857
>>118908
Конденсатор забыл посчитать, но полагаю такая же пила, даже чуть меньше прямоугольника, разряд по экспоненте вроде. 650*0.0065*0.000026/2=0,000054925 Дж. Но не все так просто, энергия конденсатора на самом деле больше, поскольку ток его явно не 6-7 мА. Сопротивление тканей до начала разряда и после начала сильно различается, на то конденсатор и рассчитан. Нужна более сложная нагрузка - разрядник и сопротивление, например, с отрицательным ТКС, и разрядник лучше бы заменить чем-нибудь вроде динистора или реле: разрядник открылся с 25 кВ и два резистора - один постоянный - сопротивление ионизированного канала, второй с отрицательным ТКС - разогревается в процессе прохождения через него тока, уменьшает сопротивление - моделирует сопротивление тканей и расширение ионизированного канала, хотя хуй его знает, как тут влияет канал.

Аноним Срд 12 Мар 2014 11:32:15  #105 №118929 

>>118908
> трансформатор маленький, частота высокая (которая определяется не резисторами, а параметрами контура)
Тогда почему каждый собравший не пременет воскликнуть что ключи холодные и вообще все заебись? Показывая при этом конструкцию на процессорном радиаторе с активным охлаждением.

> Да, а как ведут себя твои импульсные конструкции при резком включении, отключении к ним мощной нагрузки?
Токовая защита, все дела. Либо все тот же обратноход, которому еще более похуй на выход.

Аноним Срд 12 Мар 2014 13:00:12  #106 №118937 DELETED

>>118929
Так ключи же действительно холодные ZVS и все такое. Ну а ставят они на радиатор - каждый дрочит как он хочет. У меня IRL3205 были без радиатора и спаяны соплями на проводах, IRFP260 в окончательном варианте на пластине из БП ПК. И там и там холодные.
Токовая защита это дополнительные изъёбства, обратноход меньше, но сложнее.
Двухтакт на полевиках проще. Но никто не станет тебе запрещать забивать гвозди микроскопом.

Аноним Срд 12 Мар 2014 13:03:22  #107 №118939 DELETED

>>118929
А обратноход сломается если ты резко отключишь нагрузку. Даже если у тебя там ШИМ, а нагрузка достаточно мощная - въебет. Или увеличиваешь габариты.

Аноним Срд 12 Мар 2014 20:35:51  #108 №118995 

>>118939
Супрессоры — охуенная штука, попробуй, еще захочешь.

Аноним Срд 12 Мар 2014 20:46:14  #109 №118999 

>>118908
Частота 910 гц, получается 3,44 Дж/с или ватт. С учетом боевого кондера будет что-нить в диапазоне 4-5 Дж/с, скорее всего. Вроде тухло как-то получается, да?
Неплохо было бы прикинуть какие трансы нужны: сколько витков вторички, какая индуктивность? Какой d провода, каков примерный габаритный размер? С первичкой все ясно: несколько витков достаточно, максимум 20-30. Тут все именно в габариты трансов упирается.

Аноним Срд 12 Мар 2014 22:15:08  #110 №119010 

>>118995
Ты тред-то читаешь, не?
>>118999
С конденсатором не всё так просто, энергия конденсатора - емкость * напряжение * напряжение/2. Выведи на график напряжение конденсатора и посчитай его энергию в начале и конце импульса, разность, очевидно, уходит в нагрузку. Умножь разность на количество Герц и приятно удивись.
На все остальные твои ответы - ИЗУ, я об этом пишу с начала треда. Не надо изобретать ДВУХТАКТНЫЕ ОБРАТНОХОДЫ С ЗАЩИТОЙ И СУПРЕССОРАМИ БЕЗ СМС, всё уже изобретено, нужно лишь адаптировать под наши нужды. Или закрывать тиристор - дроссели и др, или таки транзисторную коммутацию.

Аноним Срд 12 Мар 2014 23:58:26  #111 №119015 

>>119010
> Ты тред-то читаешь, не?
К чему это? Лишь сказал, что защита от въеба ключа в флайбеке — 1 компонент.

Аноним Чтв 13 Мар 2014 00:24:04  #112 №119017 
1394655844573.png

А посмотрите, какое интересное решение на пике.
Достаточно просто вовремя переключать соответствующий транзистор, и можно раскачивать контур в оба полупериода.
В этой схеме контур фактически сам себя раскачивает, транзисторы просто ждут, когда индуктивность перезарядится, и диод запрется, а потом открывается ключ, и индуктивность перезаряжает саму себя.
У этого анона >>>>117967 по сути та же схема.
Плюсы - не нужен конденсатор, контур перезаряжает сам себя, отсюда - резонансная частота как минимум вдвое выше чем в схеме с конденсатором, при той же индуктивности, а запасенная энергия та же. Минусы - нужно прецизионное управление, иначе выбьет транзисторы: пока индуктивность перезаряжает себя, транзисторы отдыхают, работает диод, но когда перезарядка заканчивается, индуктивность генерирует ЭДС, которая запирает диод, и полностью прикладывается к одному из транзисторов, если не успеть открыть этот транзистор в момент, когда ток через диод уменьшится до нуля - получится выброс, транзистор пробит. Если открыть раньше - часть энергии контура утечет через возникшее кз.
В схеме на пике управление идет с помощью контроллера (и это плюс - можно учесть все переходные процессы, и открывать ключи вовремя, повышая кпд практически до 1), в схеме анона - ключи управляются падением напряжения в начале перезарядки контура, схема значительно проще, но эффективность падает, много энергии рассеивается из-за неточного управления, много энергии рассеивается на высокоомных шунтах, на полуоткрытых ключах, я бы оценил ее эффективность в 60-75%.
Можно сбацать нечто среднее - заменить шунты на низкоомные, сигнал с них усиливать ОУ, и подавать на компаратор, это снимет тепловую нагрузку с ключей, обеспечив быстрое переключение, после компараторов можно поставить по одному биполярнику - в качестве усилителей тока, для быстрой перезарядки затворных емкостей полевиков. Это уберет из списка недостатков два пункта из трех: недооткрытые ключи и высокоомные шунты. Но останется еще один - неточная фазировка, непопадание в фазу порядка 2-5%, что ограничит кпд порядка 85-90%.

Аноним Чтв 13 Мар 2014 00:27:12  #113 №119018 
1394656032799.png

>>119010
Если ты про боевой, то вот заряд на нем и ток. Так-то энергии в нем столько же, что и в основном, но там добавляется энергия из транса. Поскольку боевой подключен напрямую к нагрузке (100к), разряжается он медленно. ИРЛ бы разрядился почти полностью, скорее всего.
>ИЗУ
Это вместо разрядника предлагаешь?

Аноним Чтв 13 Мар 2014 00:31:44  #114 №119019 
1394656304651.jpg

>>118999
>Частота 910 гц
Это что за днище? При такой частоте норм шокер будет выглядеть как пик
Так что боевая часть должна работать на значительно более высоких чатотах - порядка 50-500кГц.
При таком раскладе немного теряем в кпд, зато резко теряем в габаритах: чем больше частота, тем меньше транс, тем меньше энергии на период, тем меньше емкость кондеров.
Например увеличив твой 1кгц в 50 раз, можем брать кондер в 50 раз меньшей емкости, сохранив мощность.

Аноним Чтв 13 Мар 2014 00:59:34  #115 №119020 

>>119019
Наркоман, ты ли это? Ты где такие частоты у шокеров видел? Это при какой нагрузке и какой емкости кондеров? При 1нф кондерах и нагрузке 100МОм получишь свои 30+ кГц. Частота работы первичного преобразователя 50 кгц, а ты 500 кгц на выходе хочешь. Ты бы хоть погуглил сперва - в готовых конструкциях частота на выходе от нескольких десятков гц до нескольких кгц при сколь-либо значимой нагрузке. Судя по твоему пикрилейтеду, питать ты хочешь от сети - ну да, в таких условиях мож и выжмешь свои сотни кгц на выходе.

Аноним Чтв 13 Мар 2014 04:37:37  #116 №119025 

>>119020
>нагрузке 100МОм получишь свои 30+ кГц
Где ты видел такие нагрузки? Сопротивление сухой кожи 3-20кОмм, а крови 1–2 Омм, т.е. при расстоянии между электродами в 5 см - от практически КЗ, до 1ком. Вот твой предел боевых нагрузок. Холостые нагрузки еще меньше - сопротивление плазменного канала Rarc=29к*L/(I^1,4)=29к*0,05/(0,1^1,4)=37кОм.
>Ты бы хоть погуглил сперва - в готовых конструкциях частота на выходе от нескольких десятков гц до нескольких кгц при сколь-либо значимой нагрузке
Но смысл от таких частот? 50Гц себя хорошо показала - у меня после шокового удара рука несколько минут не слушалась, тряслась. Чем выше частота - тем хуже действие.
Но это - только на выходе. Преобразователь должен работать на резонансной, которая как раз и составит несколько десятков кгц, а то и выше - контур без конденсатора.
>Судя по твоему пикрилейтеду, питать ты хочешь от сети
Питать я ничего не пытаюсь, но задача заинтересовала - прикинул, можно за 240руб достать источник энергии на 270Вт, с запасом в 39кДж - это очень серьезная энергия. При этом он может ее отдавать в течении 140 секунд. Лучше и придумать невозможно:
Допустим у нас в качестве батареи это http://www.parkflyer.ru/product/9164/
U=11, I=25А, время работы около 2-х минут, мощность разряда около 270Вт, полная энергия батареи (60*60/25)*25*11=39600Дж, или 144 секунды по 275Дж. Для сравнения - мощность пули макарыча всего около 90Вт, т.е. одна такая батарея по потенциальной убойности в одном(!) импульсе при КЗ равна трем выстрелам из макарыча. А по полной - очереди из 144*3=432 пуль, со скорострельностью 3 пули в секунду. Это же настоящий карманный пулемет, и стоит такая адская машинка всего 240руб!
Вот нам надо всю эту мощность выжрать как можно активнее, т.е. нужно нечто, способное выдержать 275Вт.

Мы можем пожирать мощность крупными кусками, или мелкими. От этого зависит индуктивность катушки и емкость конденсатора - чем выше частоты, тем они меньше. Т.е. габаритное ограничение нам диктует увеличивать частоты как можно больше. Но на высоких частотах больше потери в сердечнике и на полевике, к тому же высокие частоты менее заметны при контакте. Т.е. либо габариты, либо эффективность.

Теперь о напряжении. Боевая часть должна генерировать от 150 до 1000В. Чем выше напряжение - тем сильнее боль. Больше 1000В смысла использовать нет, даже 1000В - это уже за границей шоковой боли. Ток обеспечивает физический повреждения - чем больше ток, тем больше повреждения. Регулировать ток проще всего ограничивая энергию в контуре, т.е простым ШИМом. Регулировать напряжение сложнее, дедовский метод - механическая коммутация, современный - изменение параметров преобразователя, т.е. введение дополнительной управляющей обмотки в контур, либо стержня, либо игра на пределе насыщения, или, что значительно проще - искусственное рассогласование: динамическое изменение фазировки/частоты.

Регулируя эти два параметра, можно менять убойность шокера, например убавив ток до минимума, можем получить безопасный шокер, у которого можно регулировать степень боли - от легких укусов до шока и конвульсий. Или напротив, можем убавить напряжение, и, играясь током - менять мощность разряда, от легких ожогов, до термический взрывов внутри тканей, последний вариант мало чем отличается от попадания пули с энергией в 270Дж. Для сравнения - энергия пули СВД при выстреле в упор около 2700Дж, 270Дж - энергия той же пули после 1-1,5км полета. На такой дистанции эта пуля пробивает 20см соснового бруса, стальной шлем, или Бронежилет IV класса защиты - тяжелая хрень с керамикой.
Т.е. полная мощность шокера на такой батарее по убойности аналогична попаданию из СВД с одного-полтора камэ. Сосиске явно будет плохо.

Если в качестве преобразователя брать импульсник из atx, то необходим БП на 300Вт или более по выходу 12В. Например кетайский нонейм на 450Вт обещает 32А (384Вт), а FSP на 350Вт обещает 34А (408Вт) вторички. Любой из них подходит - мощность более 275Вт, что способна отдать батарея.
Ключи на 25А дергаются из любой матери - там они 40 или даже 60А, с запасом.
Плюс управляющая обвязка - ОУ, или МК, пара низкоомных шунтов. И боевой автогенератор на 380В готов. В таком варианте ток на вторичке составит 25*12/380=0,8А.

Далее есть два стула: можно все оставить так, а можно запилить простой двух-четырехступенчатый умножитель до 760-1520В.
Для удвоителя потребуется 2 кондера на 400В, для утроителя - 2 на 400, 1 на 800, для учетверителя - 2 на 400, 2 на 800.
Емкость зависит от частоты преобразователя - чем больше, тем меньше. Рассчитывается простым делением мощности батареи (напряжение * ток разряда) на частоту преобразователя, получается энергия за период.
Каждый из конденсаторов боевого умножителя должен вместить полную энергию периода, но с нюансами - конденсаторы, работающие полупериод, должны вместить вдвое меньше.
Схемы умножителей есть здесь http://www.cqham.ru/uu1.htm
Желательно подбирать симметричную - вдвое выше частота, вдвое меньше энергия на кондерах, меньше емкость, меньше габариты.
Если энергия кондеров меньше полной энергии импульса - умножитель не сможет передать полную мощность, как следствие - ухудшение убойных качеств, уменьшение габаритов, большее время работы. Т.к. убойность и так через край - есть смысл ее снизить, и сэкономить на умножителях, и на преобразователе, на трансформаторе - взять менее мощный и более высокочастотный.

Аноним Чтв 13 Мар 2014 04:38:47  #117 №119026 

>>119025
Например преобразователь с энергией 270Дж на 100кгц имеет энергию 270/100к=0.0027Дж на период, или 0.00135Дж на полупериод.
Возьмем учетверитель - чтоб с гарантией преодолеть шоковый барьер любого, даже самого закаленного, организма. Для него требуются конденсаторы 2 на 400В, 2 на 800В, работающие в режиме полупериодов, и 4 диода на 800В.
Напряжение в первичке от 10,8 до 12,6 вольт. Коэффициент трансформации 380/12=31,67. Напряжение во вторичке от 10,8*31,67=342 до 12,6*31,67=400 вольт.
Все конденсаторы должны вмещать по энергии полупериода, т.е. по 0.00135Дж, для этого емкость 400В кондеров должна составлять C=2W/(U^2)=2*0.00135/(400^2)=0.000000017F, или 17нф
Для 800В - вчетверо меньше, т.е. 4.2нф
Ток через диоды составит 0.00135*200к/340=0.79А
На выходе умножителя установится постоянное напряжение с параметрами от 1360 до 1600В, ток от 0.17 до 0,27А , а т.к. в умножителе применена батарея конденсаторов - первый импульс по мощности составит как минимум 540Вт, возможно больше, если кондеры сумеют отдать ток раньше чем за 1/200к секунды (как в рабочем режиме). После первого импульса ток уменьшится до 0.17А, т.е. мощность упадет до 250-270Вт и продержится на этой отметке до 140 секунд, если не ограничивать - быстро вытекут все 39кдж батареи.
Собрать такой умножитель не проблема, проблема - найти такие маленькие емкости. Потому что больше - просто не нужно.
Например вот http://www.chipdip.ru/product/grm31cr72j153kw03l/
смд корпус 1206 X7R 15нФ 630В по цене 3р за штуку - пойдут вместо 17нф, мощность упадет до w=(C*U^2)/2=(0.000000015*400^2)*200к/2=240Вт при заряженной и до 170Вт при разряженной батарее.
Вместо 4,2нф 800В можно применить два последовательных смд по 630В с емкостью не меньше (8,5*8,5)/(8,5+8,5)=4,25 чем 8,5нф, например такие http://www.chipdip.ru/product/grm32d7u2j103jw31l/
смд корпус 1210 U2J 10нФ 630В по цене 4р за штуку, они больше требуемой емкости, так что мощность не ограничивают. Или вместо них взять те же 15нф - они поменьше.
Диоды на 450В 0,8А, 4шт - тоже есть в смд-виде.
Мощные, хорошие, низкоомные полевые ключи есть в материнках - они там на 40-60А, а нам хватит 25.
В качестве драйверов к ним - любой биполярник. Управляющая логика - двухканальный токовый шунт+ОУ+компаратор. По размерам это - один или два 14-ти выводного смд корпуса. Нужен ШИМ-регулятор? Тогда плюс еще один корпус - для таймера.
Если применить МК - на все один 8-ми выводной смд, та же tiny13. Причем в случае МК мы получаем все в одном + повышенный КПД за счет автоподстройки фазы: 2 ножки МК слушают шунты ловят момент перехода через ноль, еще 2 ножки управляют ключами (внутренний драйвер МК тянет до 200ма), еще 2 ножки идут на питание, и остаются еще 2 ножки - одна на регулятор мощности, вторая например на диодный индикатор.
Преимущества схемы на МК: высокий кпд за счет возможности автоподстройки фазы и опережения включения ключей, т.е. он может автоматически отслеживать параметры контура, замерить инерцию включения, и подавать сигнал раньше, чтобы ключи переключились ровно в момент перехода через ноль. Плюс у обычного генератора при включении оба ключа открыты, а значит вначале происходит фактически КЗ через оба ключа, пока неидеальность схемы медленно не раскачает контур, все это время ток утекает удвоенным током (первичка превращается в две параллельные первички) в тепло, у МК такой проблемы нет - он сам может выбрать первый ключ, и начать раскачивать контур как ни в чем ни бывало, без каких-либо потерь и КЗ.

Зачем вообще этот кпд? Если он близок к 1, контур может долго колебаться лишь за счет собственной энергии. Чем ниже кпд, тем быстрее он теряет энергию. Потеря энергии может идти двумя путями:отсос ее вторичной обмоткой, и через паразитные шунты, это когда открыты одновременно оба ключа, или когда один из ключей открывается с опережением фазы. С опозданием - не страшно, если ключ выдержит бросок напряжения. Но высоковольтные ключи применять нет смысла - у них слишком большая емкость и слишком высокое сопротивление в открытом состоянии. Лучше применять низковольтные ключи, а защиту обеспечить с помощью правильной фазировки и защитных стабилитронов, т.е. если не попали в фазу - просто разряжаем контур стабилитронами, чтобы он не успел сгенерировать выброс и пожечь ключи.

Мне очень нравится идея с МК в цепи управления - тогда можно создать алгоритм автоподстройки фазы, аналогичный механизму опережения зажигания в ДВС. Вообще контур очень похож на ДВС, как по работе, так и по требованиям к управляющей обвязке:
Такт первый:
В ДВС сейчас происходит сжатие топливной смеси за счет инерции маховика, перевод энергии из кинетической в потенциальную форму, точнее увеличение потенциальной энергии топливной смеси за счет отбора части мощности с маховика.
В контуре с емкостью сейчас идет зарядка емкости, за счет инерции индуктивности, т.е. перевод энергии из магнитной в электрическую форму, или аналогично механике - из кинетической в потенциальную. Недозаряд емкости восполняется из внешних источников, батареи, аналогично как в ДВС происходит пополнение энергии маховика из внешних источников - топливного бака. Перезаряд утекает назад в бак - на этот случай имеет смысл поблизости держать вторую емкость.
В контуре без емкости сейчас открывается ключ, начинается разрядка индуктивности через ключ.
Такт второй:
В ДВС вспыхивает искра, и происходит рабочий ход, мощность взрыва раскручивает маховик, запасая энергию в его инерции, потенциальная энергия топлива переходит в кинетическую.
В контуре с емкостью сейчас происходит "взрыв" емкости - она разряжается, накачивая энергией индуктивность, переводя энергию из электрической формы в магнитную.
В контуре без емкости сейчас открывается диод, и происходит быстрая самоперезарядка индуктивности через диод.
Такт третий:
В ДВС поршень, толкаемый инерцией маховика, начал идти вверх, совершая продувку камеры. Часть кинетической энергии маховика теряется, вылетая в трубу с отработанными газами.
В контуре с емкостью происходит разрядка индуктивности на емкость.
В контуре без емкости заканчивается перезарядка индуктивности, и ключ закрывается. В этот момент обязан открыться второй ключ, иначе инерция индуктивности начнет увеличивать потенциал, и второй ключ просто пробьет. Тут ключи аналогичны клапанам, напряжение - давлению в цилиндре, индуктивность - инерция маховика.
Такт четвертый:
В ДВС поршень начинает идти вниз, засасывая в камеру топливную смесь.
В контуре с емкостью идет разрядка емкости на индуктивность.
В контуре без емкости сейчас открывается второй диод, и происходит быстрая самоперезарядка индуктивности через второй диод.

Аноним Чтв 13 Мар 2014 04:41:57  #118 №119027 

>>119026
Отсюда вытекают два факта:
первый - инерция контура столь велика, что нет смысла его подкачивать каждый такт, имеет смысл контролировать его энергию и подкачивать его только при падении энергии ниже некоторого порога. В контуре с емкостью энергию легко детектировать по напряжению на емкости, в контуре без емкости - по току при самоперезарядке.
второй - при подкачке нет смысла подключать контур с емкостью напрямую к батарее, лучше предварительно зарядить отдельную емкость, и подкачивать контур с нее - зарядные токи выше, динамика лучше чем у самой крутой батареи. Но для этого придется рассчитать эту емкость - ее энергия должна быть меньше или равна энергии контура, но больше максимальной энергии вторичных систем, т.е. она за такт должна восполнить только потери энергии на вторичные системы, не больше.
Энергия контура равна меньшей из энергий индуктивности или емкости, которые рассчитываются по формулам
Энергия индуктивности w=(L*I^2)/2
Энергия конденсатора w=(C*U^2)/2
Все расчеты идут на такт, т.е. на период или полупериод, смотря кто как работает.

Итак минимальный боевой преобразователь на 170..240Вт выглядит примерно так: батарея 94 г 78 x 36 x 19мм, пару полевиков с материнки, без радиаторов, пару стабилитронов к ним для защиты от пробоя, МК tiny13, 4 смд-диода, 6 смд-кондеров на 630В, транс из 250Вт (или больше) atx БП, переменный резистор и кнопка (для управления мощностью), 2 смд-резюка и диодик для индикации боевого режима, и буферный кондер на 16В, от 500мкФ и более, плюс курок и предохранитель - для взведения в боевое положение. МК можно поменять на что-то более многоногое, и контролировать через него степень разряда батареи, параметры работы преобразователя, и даже создавать пресеты режимов работы.
И все это выдает полтора киловольта при мощности до 240Вт, стоит копейки (можно уложится в 200р, если взять ключи и транс с убитых компов), помещается в корпус от фонарика-жучка.
МК сам может засекать момент контакта с кожей (в первичной обмотке ток вырастет как минимум вдвое - сопротивление кожи меньше) и увеличивать мощность согласно пресету режима работы, т.е. может ограничить мощность каким-то безопасным пределом, или начать модулировать ШИМ НЧ колебаниями, т.е. с частотой в 50Гц плавно увеличивать/уменьшать мощность, и т.п. Плюс он может обеспечить режим холостого хода, когда в контуре еще достаточно энергии, и она не расходуется - просто отключит его от источника питания, и переведет в автоколебательный режим, когда он разряжается сам на себя, тогда его нужно будет подкачивать редко-редко.

Т.е. в случае МК это достаточный набор деталей для контактного шокера. А вот над бесконтактным придется подумать - возможны несколько вариантов: отдельный генератор на 50кВ, или же дополнительный умножитель, поднимающий напряжение с полтора киловольта до 50, или же гальванически развязанные умножители для 4-х контактного разрядника, или же комбинированный умножитель с ВВ трансформатором и 3-х контактным разрядником - хз, что лучше. Умножители здесь выглядят не очень - 100 ступеней займут много места, даже в смд. Трансформатор/катушка выглядят идеальным вариантом - простой, маленький, большие напряжения при малых габаритах.

Аноним Чтв 13 Мар 2014 08:23:37  #119 №119028 DELETED

>>119015
Я писАл про супрессоры, про преимущества и недостатки всех подходов. Почему тогда супрессор не слишком часто я не видел ни разу используется в промышленных БП, а делают снабберную цепочку на индуктивности. А так я согласен с тобой, как вариант - защита.
>>119017
Какой там контур? Контур включает в себя емкость и индуктивность? У тебя на пике часть управляющая силовыми транзисторами БП, трансформатор там импульсный, он же образует обратную связь для паузы между импульсами - силовой выход не с эмиттеров, а с петли на этом же трансформаторе. На каком основании ты оцениваешь эффективность в 60-75%? Она может быть как от единиц процентов - без дросселя, без конденсатора, с напряжением питания менее напряжения полного открытия транзисторов, все будет греться и до 146% в схемах любителей свободной энергии, так-то очень высокого - когда ничего не греется >90%. Если хочется повысить эффективность на форуме флайбека была схема с управлением полевиками от биполяров - там на резисторах ничего не рассеивается.
>>119018
В том-то и дело, что сопротивление тканей в процессе прохождения тока снижается 100 кОм пробивает только высоковольтный импульс, далее ток идет уже по каналу с более низким сопротивлением - потому я тебе и предлагал моделировать нагрузку не одним сопротивлением.
ИЗУ - это импульсное зажигающее устройство - оно обеспечивает начальный ВВ импульс и дальнейшее питание низким напряжением загугли, много интересного.
>>119019
>>119020
>>119025
Господа, но, то, что вы пишете - это наркомания. Свыше 1 кГц тушка уже ничего не почувствует. Пуская дуги >>117967 я касался голых проводов - напряжение порядка 1-2 кВ, гвозди в дуге плавятся - я должен быть мертв, однако там высокая частота смотрел осцилографом - 0.1 мкФ и 8 витков на зеленом колечке от 50 Вт Ташибры - 410 кГц, дуги не с этого трансформатора, но, полагаю, тоже выше 100 кГц 910 Гц - это тоже много. 50-60 самая опасная частота для синусоидального тока - так в книжках пишут, мышцы отзываются на фронт импульса - это можно почитать о миостимуляции. Какой вывод? Форма - пила, увеличиваем максимально площадь импульса конденсатором. Фронт импульса вызывает спазм - спад вызывает боль. Был тред о миостимуляции - соберите усилок на одной микросхеме, подключите трансформатор и поэкспериментируйте с формой напряжения - результат я только что описал.
>>119027 Мягко стелешь, только помни, что конструируешь боевое устройство, от которого, возможно, может зависеть твоя жизнь. Используя тиньку, подумай, не окажется ли оно у тебя в анусе в случае отказа одного из компонентов? http://ru.wikipedia.org/wiki/%D0%9D%D0%B0%D0%B4%D0%B5%D0%B6%D0%BD%D0%BE%D1%81%D1%82%D1%8C Что будет надежнее: схема из 4 транзисторов, или схема из 2 транзисторов?

Аноним Чтв 13 Мар 2014 11:48:50  #120 №119041 

>>119028
>Какой там контур? Контур включает в себя емкость и индуктивность?
Просто индуктивность, которая перезаряжает сама себя. Наркоманский контур, это да. Интересно будет взглянуть на его осциллограмму - на сколько колебаний хватит внутренней энергии.
Красота решения - в двух диодах, шунтируемых транзисторами. Когда рассматривал аналогичные генераторы с одним диодом и одним ключом, после первого полупериода возникала засада: ключ зарядил контур, закрылся, бросок перезарядил контур через диод, а дальше что? Диод закрыт - назад разрядка не пойдет. Через батарею тоже не получится - одинаковые полярности. В итоге индуктивности ничего не остается, как разряжаться через себя.
Введение второго диода решило бы проблему, но встречно-параллельно их включать нельзя - будет КЗ. Нужно один из диодов шунтировать ключом, тогда все взлетает.
И потом натыкаюсь на эту схему - тут еще красивее, шунтируются оба диода.
Потом натыкаюсь на схему этого >>117967 анона, и вижу что она - по сути то же самое, два диода, два ключа. Значит таки контур без емкости вполне себе возможен - индуктивность умеет сама себя перезаряжать, а раз так - значит можно получить полноценный резонансник малых габаритов, но за это придется заплатить точным управлением.
У этой схемы высокая эффективность как раз за счет того, что это резонансник, на полевиках, с почти прямым подключением к источнику питания - ничего проще просто быть не может. Но есть и недостатки - из-за отсутствия емкости схема черезчур чувствительна к рассогласованию фаз, т.е. когда не вовремя открывается ключ, а в схеме без компенсирующих цепочек вовремя открыть не получится, значит теряем 2-5% кпд впустую. Далее - у анона идет падение на полкилоомных резюках - еще минус 10-20%. Далее - у анона синусоида, а значит ключи не открываются полностью - минус еще 10-15%, вот и получается кпд процентов 60 - слишком много потерь.
Если перевести ключи в дискретный режим - потери на них упадут практически до нуля, значит выше кпд плюс ключи перестают греться, профит.
Убрать резюки - вместо них влепить токовые шунты, сигналами с которых и управлять ключами, через усилитель естественно - исчезает еще одна печка, кпд растет, процентов до 90.
Остается последний, опциональный тюнинг: вводим компенсирующую цепь, которая компенсирует инерцию ключей, и добавляет еще 2-5%. Мелочь, и для аналоговой схемы слишком сложная, значит имеет смысл только на МК.
Плюс холостой ход - пока энергия не исчерпана, перезаряжать контур нет необходимости. Это реализуется просто, как в аналоговом так и в цифровом виде. Добавляет еще несколько процентов кпд.
>Свыше 1 кГц тушка уже ничего не почувствует.
А постоянку?
Вообще, ведь шокер работает на шоке, т.е. боли, значит нет необходимости мудрить мощные боевые схемы - толку от них нет.
50Гц опасна тем, что мигом истощяет мышцы - в них накапливается молочная кислота, которая при распаде блокирует работу мышцы, и пока она не рассосется, мышцы неработоспособны. Но это - дело нескольких минут. Надолго это из строя не выводит, и сознания не лишает.
Кстати, о спазмах - при длительном удержании мышцы без расслабления, возникает спазм, который очень тяжело снять - вот это может вывести мышцу из строя на долго. Но для этого нужен постоянный ток.
>Используя тиньку, подумай, не окажется ли оно у тебя в анусе в случае отказа одного из компонентов? Что будет надежнее: схема из 4 транзисторов, или схема из 2 транзисторов?
На самом деле контроллеры вполне надежны. Сами по себе они не ломаются. И именно из-за простоты схем с ними они и предпочтительнее, т.к. вместо хитроумной обвязки вокруг силовых ключей можно поставить один контроллер. Но их применение нежелательно из-за более сложного изготовления - помимо схемы нужно еще и софт кодить, да еще все это и отлаживать. Но силовую обвязку можно собрать и отладить без контроллеров, и после тестов, если будет четкое убеждение, что схема стоит воплощения в законченом изделии - только тогда и стоит смотреть в сторону контроллеров, с учетом их возможностей и возможностей схемы. Например тот же детектор контакта - контроллер может отследить контакт с кожей по возросшему току, но ток может вырасти и по другим причинам, например произошла накладка с управляющими сигналами и контур аварийно разрядился, дабы не спалить ключи - если сейчас подать полную мощность, ничего хорошего не выйдет: схема ушла в защиту. Т.е. нельзя детектировать контакт только по току, нужно еще и убедится, что это не временное явление - контроллер будет замерять ток в течении некоторого таймаута, и если он не упал, значит виновник не контур, он бы за это время уже вышел на рабочий режим

Аноним Чтв 13 Мар 2014 12:36:24  #121 №119046 DELETED

Здравствуйте, я Николай Дерусов.Нет, я не он. Но многая лета и всех благ Николаю Дерусову.
>>119041
http://flyback.org.ru/viewtopic.php?t=1814&start=0&postdays=0&postorder=asc&highlight=
Вот тебе ссылочка, почитай, понравится.
Индуктивность не может перезаряжать себя вот чтобы шел по ней ток, потом хуяк, отключили источник питания и подключили диод - ток по диоду ебашит из одного конца индуктивности в другой, индуктивность не любит когда ток через неё изменяется и всё, а конденсатор не любит когда на нем изменяется напряжение и всё. Индуктивность создает напряжение, чтобы компенсировать изменение тока через себя, аналогично конденсатор создает ток, чтобы компенсировать изменение напряжения. Такая схема без конденсатора имеет максимальную частоту определяемую паразитной емкостью катушки - она (емкость) мала, частота велика и может ограничиваться другими элементами (RC-цепочками или управлением с контролера). Вам все не дают покоя резисторы в цепях затвора, при 12 вольтах ток через них максимум 50 мА, увеличивается в моменты заряда затвора, но потом этот заряд затвора высасывает контур. Смотри ток нагрузки и считай какие десятые доли процента от КПД съедают эти резисторы. Если все-равно их наличие разогревает пукан а оно разогревает, я уверен, сам такой, лол, то почитай форум по ссылке выше, там есть вариант схемы, где эти резисторы заменены биполярами и когда надо они закрыты, а когда надо их сопротивление минимально - эффективность схемы взлетает до небес. Синусоида - потому что контур http://ru.wikipedia.org/wiki/%D0%9A%D0%BE%D0%BB%D0%B5%D0%B1%D0%B0%D1%82%D0%B5%D0%BB%D1%8C%D0%BD%D1%8B%D0%B9_%D0%BA%D0%BE%D0%BD%D1%82%D1%83%D1%80 Транзисторы накачивают этот контур и переключаются (закрываются и открываются) в моменты, когда ток через них равен нулю поэтому и ZeroVoltSwitching. Потери в этой схеме в основном на оммическом сопротивлении проводников, диэлектрике конденсатора контура - очень даже большие, плохие конденсаторы греются и выходят из строя; и в сердечниках трансформатора и дросселя - борьба: не загонять сердечник в насыщение, использовать хорошие конденсаторы, делать провода потолще и, по возможности из серебра. Так что при правильной сборке и подборе компонентов КПД>95% и потери, в основном, на резисторах, а на резисторах, как показано выше, они достаточно малы.
>А постоянку?
А постоянка плоха еще и поляризацией тканей и т.д. и т.п. Как уже писАл - покури литературу о миостимуляторах, много вопросов отпадет. Разные шокеры могут работать на разном - китайские воздействуют звуком и легким раздражением, мегашокер - импульсом и спазмом, злой шокер - emd эффект, я хуй знает что это, но это круто, по готовому каналу пропускается достаточно малая мощность и действие импульсов большой амплитуды ограничено, а протекающая малая мощность меняется слабо и не вызывает боли, т.е. возможен эффект парализатора - человек чувствует слабую боль, но мышцу контролировать после воздействия некоторое время не может.
Грамотно излагаешь, но взгляд на некоторые технические моменты меня поражает, ты школьник не в плохом смысле, такие школьники стране нужны или студент-гуманитарий? Разберись в работе генератора Ройера и генератора Йенсена и поймешь, что это за перезаряд индуктивностью самой себя.

Аноним Чтв 13 Мар 2014 14:28:46  #122 №119062 
1394706526606.jpg

>>119046
>Такая схема без конденсатора имеет максимальную частоту определяемую паразитной емкостью катушки - она (емкость) мала, частота велика и может ограничиваться другими элементами
Именно, частота высока, зато энергия остается в контуре, если никаких ограничителей нет. В этом и смысл - по возможности избавится от емкости.
>Вам все не дают покоя резисторы в цепях затвора, при 12 вольтах ток через них максимум 50 мА, увеличивается в моменты заряда затвора, но потом этот заряд затвора высасывает контур. Смотри ток нагрузки и считай какие десятые доли процента от КПД съедают эти резисторы. Если все-равно их наличие разогревает пукан
Еще разогревает, смотри пик - через них заряжается контур, токи в контуре по дефолту десятки ампер, эти десятки ампер идут через печку-резистор, раскаляя пукан.
>ты школьник или студент-гуманитарий?
Ни то ни то. Теории у меня нет, кроме самых основ. Стараюсь постичь на моделях - как и что происходит, почему. В принципе расчеты даются легко - интуитивно чувствую, что стоит за той или иной переменной. Теория пополняется по мере натыкания лбом на тот или иной незнакомый доселе эффект.
Взять тот же пик - трассируем вход: ток идет через те самые резисторы, открывает одновременно оба(!) ключа, индуктивность моментом через них заряжается, причем оба плеча окажутся с одинаковым знаком заряда. Открытые ключи фактически замыкают друг друга, получается классический мультивибратор - он запускается от малейшего рассогласования (а оно обязательно есть), медленно выходит на рабочую частоту, одновременно туда-сюда пиная индуктивность. Но в таком случае одна половина первички всегда оказывается выключенной - непорядок.
До этого я думал, что происходит все немного по иному - мультивибратора не видел, думал резисторы - что-то типа датчика тока, через них индуктивность заряжается, и при зарядке через диод выжирает затворную емкость, в результате чего ключ закрывается. А центральный отвод - лишь для запуска генерации. Только сейчас на нем разглядел 10А.

Но мультивибратор так и так будет работать, даже без индуктивности, на огромной частоте. Значит кондер там нужен только для второй половины цикла контура. Без кондера могут быть два стула: индуктивность превратится в батарейку и просто разрядится, или же по инерции произойдет перезарядка. Инерция ожидается, если представлять себе работу индуктивности как трубку с жидкостью. Но если представить себе сжатое магнитное поле - это просто батарейка, и никакой инерции нет.
Ладно, энергию контура считать умеем:
Энергия индуктивности w=(L*I^2)/2
Энергия конденсатора w=(C*U^2)/2
При частоте в 50кгц, токе 25А и напряжении 12В получаем 9,6мкГ и 42мкФ соответственно необходимо, чтобы удержать полную энергию полупериода. На 12В это - копейки по обьему.
От килогерц отказываться не хочется - больно удобный, маленький и мощный источник. А выходные 50Гц можно получить ШИМом на дросселе, мощность регулировать ШИМом на первичке - синусоида не нужна, индуктивность все сгладит.
Для сравнения - честные 50Гц, 25А 12В: 9600мкГ и 42000мкФ - кондер в виде огромной бочки и еще более огромная индуктивность.
Т.е. зависимость от частоты линейная.

Аноним Чтв 13 Мар 2014 15:03:41  #123 №119065 DELETED

>>119062
Без обид, но это уже наркомания какая-то. Про этот путь нагрева резистора я и говорил 24 мА при 500 Ом и 12 В, это мелочь. А контур таки накачивается через дроссель - ток идет по пути наименьшего сопротивления. Вот тебе ссылка на генератор Ройера - без конденсатора здесь то же самое, только коллекторные и базовые обмотки объединены http://radiokot.ru/forum/viewtopic.php?f=21&t=78774
Поясни мне, пожалуйста, с рисунками что ты подразумеваешь под перезарядом индуктивности?
Десятки ампер не могут пройти через резистор без соответствующего напряжения на этом резисторе.

Аноним Чтв 13 Мар 2014 18:17:03  #124 №119071 

Ну так чё, хуйники умневы? По какой схеме шокер лучше заебошить?

Аноним Чтв 13 Мар 2014 20:01:00  #125 №119080 

>>119071
По злой, ёпта.

Аноним Птн 14 Мар 2014 09:32:10  #126 №119150 
1394775130979.gif

Собирал схему ЗШ как на пиклейтед.
Первичный преобразователь полностью устраивает: пробой воздуха на расстоянии ~1-2mm, при размыкании ~3-4mm
Возникли проблемы с высоковольтной частью:
Из-за полного отсутствия диодных столбов (КЦ106) использовал диоды 1N4007 (1000V; от 1шт. до до 3х шт последовательно), и конденсаторы на мах. напр 2500в. Разрядник - геркон(меньше 1мм между контактами геркона). В итоге - нет разряда между герконом (и на выходе как следствие), ЧЯДНТ?
Алсо заменял конструкцию из конденсаторов на самодельный умножитель напряжения (4кондера на 2kv + 4диода 1N4007) итог - спокойно пробивается геркон. Искра на выходе боевого трансформатора ~10mm но на ее убойность не удалось никак повлиять -(неспособна даже поджечь бумагу и газ на кухне не говорю уже про тест с лампочкой)
P.S. С какой стати конденсатор на 1600в будет разряжаться через разрядник в 2500в?

Аноним Птн 14 Мар 2014 09:33:50  #127 №119151 DELETED

http://storage.flyback.org.ru/files/ae_v2a_614.gif

Вот схема без резисторов в затворах, с питанием 6Х300 Вт.

Аноним Птн 14 Мар 2014 09:34:40  #128 №119152 

>>119150
>на ее убойность не удалось никак повлиять
Имел в виду "боевой" конденсатор

Аноним Птн 14 Мар 2014 09:38:31  #129 №119153 DELETED

>>119150
>ЧЯДНТ?
Используешь КЦ106, используешь геркон в качестве разрядник, высоковольтный трансформатор по Плану или лепил по своим фантазиям? 33нанофарады мало, полагаю.
>>P.S. С какой стати конденсатор на 1600в будет разряжаться через разрядник в 2500в?
Потому что зарядится до 2500, логично же. Может пробьет его, а может и не пробьет, 1600 это же номинальное рабочее, а не максимальное после которого гроб.

Аноним Птн 14 Мар 2014 10:02:09  #130 №119155 

>>119153
>Используешь КЦ106
х3 диода 1N4007 последовательно -суммарно Uмах=3000в. Для КЦ106А Uмах=4000В а для КЦ106Д Uмах=2000В например. Проблема в том что КЦ106 нигде не достать
>геркон в качестве разрядник
Временная мера чтобы убедится в работоспособности схемы. В итоге планирую или использовать самодельный воздушный или купить нормальный.
>высоковольтный трансформатор
Было несколько вариантов от строчника(не устраивают габариты), до самодельных аналогов: первичка аналогична, вторичка- 3 слоя пропитанных воском, между слоями скотч, по краям залит термоклеем - пробит (при работе с умножителем) не был, результаты схожи со строчником.

Аноним Птн 14 Мар 2014 10:04:55  #131 №119157 DELETED

>>119155
Т.е. трансформатор не по Плану? Ламазоид это комментировал. Ну или увеличь емкость, разряжаюущуюся на трансформатор.

Аноним Птн 14 Мар 2014 10:13:23  #132 №119158 

>>119157
>трансформатор не по Плану
Первый был "по плану" но работать на частоте заданной конденсатором в 3.9n нормально не хотел -пришлось увеличить емкость до ~12n.

Аноним Птн 14 Мар 2014 10:43:06  #133 №119161 DELETED

>>119158
Какая частота, поехавший? Ты часом не разряжаешь индуктивность на себя?
Очевидно, что 3.9 нФ мало для искры - энергия теряется за счет неединичного КПД трансформатора. ВВ часть вообще самая прожорливая и КПД её мал. Увеличивай емкость, используй трансформатор по Плану, голосуй за Путина, жри свинину, пей водку, молись и кайся, и будет тебе счастье.

Аноним Птн 14 Мар 2014 11:37:40  #134 №119168 

>>119161
>Какая частота
Я первичный преобразователь имел в виду, который работал на слишком высокой частоте при тех же параметрах что и на схеме.

Аноним Птн 14 Мар 2014 12:21:41  #135 №119171 
1394785301589.jpg

>>119025
>Вот нам надо всю эту мощность выжрать как можно активнее, т.е. нужно нечто, способное выдержать 275Вт.


Аноним Птн 14 Мар 2014 13:30:05  #136 №119178 DELETED

>>119171
Зачем нам рельсовая пушка?
>>119168
Тогда не понятно про что ты. Первичный преобразователь вообще безразличен - от его мощности зависит частота разрядов ВВ части. После выходного ВВ трансформатора может быть слабая искра - причины этого - кривой трансформатор, разрядник, конденсаторы. Конденсаторы малой емкости, разрядник на слишком маленькое напряжение, внутренний пробой трансформатора, неправильная фазировка обмоток. Как-то так.

Аноним Птн 14 Мар 2014 19:55:19  #137 №119224 
1394812519371.png

Короче, я сделал конечные выводы по первичному преобразователю.
Все автогенераторные схемы идут нахуй. Говно получается. Лучшее из них - пикрилейтед, но это пиздец какое капризное говно: эффективность зависит от от частоты, которая задается С4. При этом емкость С4 подбирать надобно в зависимости от параметров контура.
Приведу простые цифры: потребление схемы с ШИМ - под 60 вт, частота на выходе при нагрузке 100к - овер 900 гц. Потребление схемы пикрилейтед - под 100 вт, частота на выходе при нагрузке 100к - лучшее что получилось 500гц с копейками, в зависимости от С4, а так 100-500гц, если не подбирать С4 точно, при этом потребление примерно одинаково (под 100 вт). Вывод очевиден - автогенераторная хуита неэффективна и идет нахуй.
У схемы с ШИМ, тем не менее, есть большой недостаток - огромная нагрузка на ключевой транзистор. Вернее, дело даже не в этом, дело в адовых выбросах. Их амплитуда достигает такого значения, что транзистор пробивается. В симуляторе это выглядит как периодические резкие пики в 50-60А (в случае с IRF540, это происходит при амплитуде выброса 100 и более вольт). Тут надо применять либо больше 1 транзистора, либо городить какую-то нехилую защиту от выбросов. Напомню, что ток в пиках через транзистор достигает 15-20А. Так что давайте выбросим из головы словоблудие с автогенераторами и подумаем, какой оптимальный ШИМ-вариант стоит запилить?
Кроме того, автогенератор не заткнется, если в случае аварии разрядник перестанет срабатывать и может накачать кондеры до их пробоя, а обратноход при напруге на кондерах выше положенного, немедленно заткнется.

Аноним Птн 14 Мар 2014 21:22:46  #138 №119229 
1394817766805.jpg

>>119224
Прочитай вот это >>118995
Ты либо траль, либо школьник, либо гуманитарий, пояснение ниже.
>Кроме того, автогенератор не заткнется, если в случае аварии разрядник перестанет срабатывать и может накачать кондеры до их пробоя, а обратноход при напруге на кондерах выше положенного, немедленно заткнется.
Пушпул на полевиках совсем не станет качать выходную напругу выше, чем коэффициент трансформации умножить на напряжение питания, если этот расчет будет 300 Вольт, то больше он тебе никак не накачает, даже если ты вымажешь дома стены говном, порвешь подушки и раскидаешь везде перья. Попробуй, еще захочешь. Обратноход же использует такое свойство индуктивности, как стремление поддержания через себя постоянного тока. Транзистор открывается, ток через индуктивность нарастает, потом транзистор закрывается, индуктивность охуевает и пытается поддержать ток, который тек через обмотки. Как, я тебя спрашиваю, она может создать ток в проводнике? Закон Ома знаешь? Так вот посчитай необходимое напряжение для поддержания тока в 1А в проводнике с сопротивлением бесконечность. Напряжение на выходе обратнохода ограничено только энергией запасенной в магнитном поле катушки и отбором этой энергии. На выходе обратнохода стоит конденсатор, он будет заряжаться бесконечно с каждым тактом работы обратнохода и без защит и обратных связей это дело въебет как нехуй делать. А чтобы у тебя не было пиков в 60 А, используй ШИМ, о котором ты все говоришь, ограничивая шириной импульса энергию накачки дросселя. Хоть я и подозреваю, что ты траль, но если объяснил невнятно - отвечу на вопросы.
Как можно, господа, что стало с двачем? Вы с этими ебаными симуляторами думать разучились? Вся теория обратноходов, Ройеров и блокингов максимум 4 листа А4 12 шрифтом, 5 формул от силы.

Аноним Птн 14 Мар 2014 22:45:34  #139 №119250 

>>119229
> Пушпул на полевиках совсем не станет качать выходную напругу выше, чем коэффициент трансформации умножить на напряжение питания
Только не в этом >>117967 случае, там же каким-то боком получаются сотни вольтей на полевиках. Внешняя индуктивность помогает?

Аноним Птн 14 Мар 2014 23:35:57  #140 №119254 
1394825757944.jpg

>>119250
Вот же ты лентяй! Выше я давал ссылку на флайбек, где умные и неленивые люди все разжевали. На полевиках там напряжение 3.14*Uпитания. Число 3.14 тебе о чем-нибудь говорит? Это видно даже в спайсе. Формул почему так не помню, искать не буду, раз ты такой ленивый.

Аноним Суб 15 Мар 2014 00:16:57  #141 №119258 

>>119254
И? Где противоречие?
> > Пушпул на полевиках совсем не станет качать выходную напругу выше, чем коэффициент трансформации умножить на напряжение питания
Качает же.
> Число 3.14 тебе о чем-нибудь говорит?
Piздежом попахивает, лол.

Аноним Суб 15 Мар 2014 00:32:13  #142 №119261 

>>119178
>Тогда не понятно про что ты
Я про разброс параметров, которые как уверяет автор должны отсутствровать.
Увеличу емкость ВВ кондеров пожалуй если найду чем лол, единственная причина на мой взгляд.

Аноним Суб 15 Мар 2014 00:38:58  #143 №119263 

>>119229
>коэффициент трансформации
Чем он больше, тем лучше. По моему пикрилейтеду сам посчитаешь? Подскажу: 400, с учетом потерь - 380. С таким к.т. можно легко накачать и больше 1000в, особенно без нагрузки и разрядника.
>Как, я тебя спрашиваю, она может создать ток в проводнике?
Это ты не можешь понять откуда такие выбросы в первичке?
>ограничивая шириной импульса энергию накачки дросселя
Вут? Контролировать ток через дроссель? Это бред, но есть одна идея, завтра проверю.
>5 формул от силы
Да лан? Сам-то кроме как на бумаге пробовал рассчитывать?
>На полевиках там напряжение 3.14*Uпитания
Да лан? Что-то я не вижу такого.

Аноним Суб 15 Мар 2014 08:31:31  #144 №119274 

>>119263
Чем он выше, тем меньше связь катушек и труднее отбирать мощность.


>>119263
>>коэффициент трансформации
>Чем он больше, тем лучше. По моему пикрилейтеду сам посчитаешь? Подскажу: 400, с учетом потерь - 380. С таким к.т. можно легко накачать и больше 1000в, особенно без нагрузки и разрядника.
>>Как, я тебя спрашиваю, она может создать ток в проводнике?
>Это ты не можешь понять откуда
Это я тебе поясняю, что при разрыве цепи тока с индуктивностью индуктивность создает ЭДС такую, чтобы ток через индуктивность оставался прежним.

> >ограничивая шириной импульса энергию накачки дросселя
>Вут? Контролировать ток через дроссель? Это бред, но есть одна идея, завтра проверю.
Ну этот бред довольно успешно используется а промышленных бп. Разбери по частям схему включения обратноходом uc3843 из даташита.
Пушпул будет работать как импульсное устройство если не будет конденсатора или дроссель будет мал. Вершина ипульса будет плоской и появится характерный звон в начале вершины. Это чревато прогревом сердечников трансформатора дросселя и самих транзисторов.
Уже писал что этот генератор похож в работе на генератор Ройера, только не очень. Сначала пойми откуда берется выброс на индуктивности в принципе.

Аноним Птн 21 Мар 2014 23:40:33  #145 №119900 
1395430833774.jpg

>>119171
>>119178
>Зачем нам рельсовая пушка?

Кстати есть один поехавший умелец собирающий эту вундервафлю, так у него есть постоянная проблема - быстро изнашиваются контакты-рельсы. Вот его сайт: http://railgun.org.ua/prototip/
Стало интересно, возможно ли ускорить пулю через искровой промежуток между рельсами (и как понравится батарее конденсаторов на 450в-500в-600в кратковременное повышение напряжения до ~1500-3000в):
1)заряжается умножитель напряжения (использовать тр-р думаю неразумно) и батарея конденсаторов до определенного состояния при котором невозможен пробой воздуха между контактами-рельсами.
2)между контактами с ускорением пролетает железная пулька,
3)расстояние |рельса|-|пуля|-|рельса| становится достаточным чтобы возник пробой воздуха
4) ...
5) PROFIT получит ли пуля ускорение/достаточно ли будет времени жизни искры чтобы пуля получила ускорение? Не накроется ли пиздой батарея конденсаторов?

Аноним Суб 22 Мар 2014 07:20:29  #146 №119908 

>>119900
Энергия теряется при преобразовании, чем плох трансформатор без умножителя?
Электроэррозия контактов останется.
Встречал статьи, где рельса разгоняет облачко плазмы, а облачко толкает лёгкий диэлектрический снаряд.

Аноним Суб 22 Мар 2014 09:16:17  #147 №119910 

>>119908
Боевые рельсы - они как раз искровые, и болванки там не легкие и не диэлектрические.
Подавая огромные токи, зажигается облако плазмы, которое начинает двигаться, и подталкивает снаряд, попутно испаряя его днище. Снаряд ускоряется до нескольких километров в секунду, и за время разгона теряет 10-20% своей массы.
Штука убойная, но требуемые токи просто чудовищны. И ствол все-равно не живет больше сотни выстрелов.
Американцы городят целые отсеки кондеров под пушкой, наши вместо этого добавляют в гильзу взрывогенератор, и стреляют как из обычной пушки - удобно, просто, не нужна возня с мегаваттными генераторами и батареями кондеров.

Аноним Суб 22 Мар 2014 09:40:11  #148 №119913 

>>119910
>Американцы городят целые отсеки кондеров под пушкой, наши вместо этого добавляют в гильзу взрывогенератор, и стреляют как из обычной пушки
Т.е. наши стреляют из обычной пушки и называют это рельсой?
А от искры никуда не уйдешь, я лишь констатирую факт, что есть электроэррозия, и да, если летит облачко плазмы это все таки не искра, а разряд в газе или дуга. Что-то было в википедии по поводу отличия дуги от искры...

Аноним Суб 22 Мар 2014 10:15:16  #149 №119914 

>>119913
>стреляют из обычной пушки
>ВЗРЫВОГЕНЕРАТОР
Эта такая нихуя не дешевая хуйня, которая при своем взрыве вырабатывает ту же энергию, что и дохералион конденсаторов размером с контейнер как в рельсе пидорашек

Аноним Суб 22 Мар 2014 11:30:38  #150 №119920 

>>119913
>Т.е. наши стреляют из обычной пушки и называют это рельсой?
Нет, стреляют из рельсы, но в гильзе вместо пороха - сверхбыстрая взрывчатка и болванка, в которой наводится магнитное поле. При подрыве взрывчатки, болванка обжимается, магнитное поле коллапсирует, и получается классический неебической мощности ЭМИ, вот вместо того, чтобы срать этой мощностью в эфир, ее подают на рельсы, и снаряд улетает.
Удобно тем, что нашим с собой не нужно таскать целый крейсер с 50МВт реактором, отсеками полными кондеров, и тоннами кабелей толщиной с руку. Достаточно просто загрузить на повозку саму рельсовую пушку с системой наведения, пару ящиков боеприпасов, запрячь лошадь, и ехать дырявить танки и корабли.
Да что там - т.к. пушка без отдачи, ее можно изготовить в форму РПГ, только с кинетическими снарядами, например из обедненного урана - трубка рассчитана на 100 выстрелов, потом выбрасывается. Снаряд с гильзой уменьшен до размера обычной РПГ-гранаты. Подрыв обычным капсулем, т.е. механический, как и в РПГ. Снаряд на скорости в 3-7км/с с легкостью прошибает танки на вылет, но т.к. это уран, у него есть интересный побочный эффект - после пробития, часть снаряда, распыленная во внутреннем обьеме цели, самовозгорается, нанося огромные повреждения - по сути вся эта пыль превращается в самоподрывной термобарический заряд. И что еще более интересно - подобные взрывы последуют на всем пути снаряда, после каждого пробитого препятствия, и чем толще/плотнее препятствие - тем серьезнее взрыв.
Лол, уменьши взрывогенераторы до пистолетной пули - и можно выпускать пистолеты, прошибающие танки. Правда пистолет из-за малого размера снаряда, вызовет совсем крошечный термобарический взрыв, да и энергия у снаряда не велика - много стенок не пробьет. И что самое смешное - для человека он безопаснее, чем обычное огнестрельное оружие, поскольку всю энергию снаряд уносит с собой до тех пор, пока не потеряет достаточно энергии, чтобы замедлится в очередной цели до нуля - вот последней цели, или цели на излете, придется плохо.

Аноним Суб 22 Мар 2014 11:39:22  #151 №119921 

>>119908
>чем плох трансформатор без умножителя
У умножителя на выходе постоянное напряжение, искра от трансформатора при разряде может повредить батарею конденсаторов.
>лёгкий диэлектрический снаряд.
Далеко не улетит, но плазму можно дополнительно ускорить магнитами
>>119910
>ствол все-равно не живет больше сотни выстрелов.
Автор вундервафли перетачивает ствол уже после 5-10 выстрелов.
>наши вместо этого добавляют в гильзу взрывогенератор
слышал что российские ученые разработали р-пушку с несколькими витками (2-3) для более эффективного использования энергии конденсаторов (для выстрела необходимо меньше кондеров, но все равно много)

Аноним Суб 22 Мар 2014 11:56:05  #152 №119922 

>>119921
>У умножителя на выходе постоянное напряжение
Есть маркс с переменным.
>искра от трансформатора при разряде может повредить батарею конденсаторов.
Маркс не повредит.
>Автор вундервафли перетачивает ствол уже после 5-10 выстрелов.
А там они быстросьемные: отстрелял, скинул ствол, зарядил новый, и давай дальше мочить. Можно даже сделать что-то типа магазина стволов с автозарядкой, или барабанный механизм со стволами - пока один стреляет, другой заменяется.

Аноним Суб 22 Мар 2014 13:24:02  #153 №119924 

>пушка без отдачи

Чё?

Аноним Суб 22 Мар 2014 14:17:32  #154 №119928 

>>119914
Спасибо, ананасик, понял, про что ты.
>>119920
И тебе спасибо, за подробности. Только отдача будет - закон сохранения импульса все же. И подкалиберные снаряды из танковых пушек летят 10-15 км/с и делают всё то, что ты описал.
>>119921
>>чем плох трансформатор без умножителя
>У умножителя на выходе постоянное напряжение, искра от трансформатора при разряде может повредить батарею конденсаторов.
Питать рельсу мощным трансформатором, очевидно же, индуктивные накопители - маховичный накопитель и генератор. Взяли кусок магнита раскрутили его дохуя быстро, вокруг обмотку - подключили, маховик снизил обороты с 30000 до 10 в секунду - снаряд улетел, сажаем духа на педали - раскручивать для следующего выстрела.
>>119922
>А там они быстросьемные: отстрелял, скинул ствол, зарядил новый, и давай дальше мочить. Можно даже сделать что-то типа магазина стволов с автозарядкой, или барабанный механизм со стволами - пока один стреляет, другой заменяется.
Да ты охуел, я тебя из КОЛОША застрелю нахуй, пока ствол менять будешь после каждых 5 выстрелов.

Аноним Суб 22 Мар 2014 14:21:47  #155 №119929 

>>119924
Без отдачи. Сам долго поверить не мог, но это так.

Аноним Суб 22 Мар 2014 14:24:11  #156 №119930 

>>119929
И тут ты такой приводишь расчеты с доказательством куда девается импульс, или утерев с лица мочу лезешь под шконку.

Аноним Суб 22 Мар 2014 15:32:34  #157 №119933 
1395487954873.jpg

>>119928
>Только отдача будет - закон сохранения импульса все же
Даже в РПГ нет отдачи, хотя огнестрел. А в рельсе и подавно. Сам посуди:

Огнестрельное оружие. Стреляет за счет энергии расширяющихся газов, выделяющихся при сгорании пороха. Так как давление распространяется во всех направлениях, мы имеем ВЗАИМОДЕЙСТВИЕ снаряда и ствола. Т.е. и пуля и ствол получают импульс от пороховых газов. Имеем вылетающий под действием импульса снаряд, и откатывающуюся под действием импульса пушку.

Все зашибись. Тела ВЗАИМОДЕЙСТВУЮТ с равными силами противоположными по вектору. Вот ваш Закон Ньютона.

Рельсотрон. Нет пороховых газов. Нет магнитов которые отталкиваются. Есть сила Лоренца возникающая в проводнике с током находящимся в магнитном поле. Она ВОЗНИКАЕТ В ПРОВОДНИКЕ ПОД ТОКОМ В МАГНИТНОМ ПОЛЕ. Теперь о том, что нет безинерциальных систем. Да. Проводник с током тоже имеет магнитное поле, которое тоже воздействует на проводники с током. В этом "отдача". Только отдача эта направлена (внимание) на раздвигание рельсов. Поэтому отдача взята в скобки. Нет её.

На картинке что я нарисовал. Нарисованы ВСЕ силы действующие на эту систему. Ну за исключением силы трения. Желтая стрелка, это ток, протекающий через снаряд. Показано магнитное поле этого тока. Желающие найти отдачу могут нарисовать силу отдачи, показать к чему она приложена, и описать её природу.

Я закончил. Ребята, нельзя же настолько неверно понимать физику. Есть законы. Есть области приложения этих законов. И говорить что Третий закон Ньютона - с областью приложения МЕХАНИКА - это фундаментальный закон, который применяется и в электродинамике. Ну извините меня, это безграмотно.

Т.е. в рельсе снаряд разгоняется магнитным полем. Пытается выскочить из его скользких обьятий - для примера намыльте руки, поместите в них мыло, и сожмите - мыло выскочит. Продольной отдачи здесь нет - магнитные поля скользят по рельсам без трения. Но вот сила обжатия снаряда имеет и действие - разгон снаряда, и противодействие - попытки раздвинуть рельсы, или как мыло пытается раздвинуть руки за счет силы реакции. Поэтому отдачи и нет - продольная равна нулю, а поперечная компенсируется силами упругости корпуса ствола.

>И подкалиберные снаряды из танковых пушек летят 10-15 км/с и делают всё то, что ты описал.
Ну дык, рельсовая пушка на взрывогенераторах не отличается от этой танковой. Принцип тот же:
В танке энергия взрывчатки превращается в механическую работу по прямому разгону снаряда. Точно также силы давления пытаются разорвать ствол. Но вот наличие большого количества газов, и закрытый с одной стороны ствол и вызывают реактивную отдачу - после вылета снаряда ствол превращается в классическую ракету. Для снижения отдачи ставят дульные компенсаторы - часть газов выпускают из ствола, либо переводя в силы сжатия ствола (газы выходят радиально), либо компенсируя отдачу(газы выходят продольно, но в направлении, противоположном снаряду). В РПГ принцип тот же - там все газы выходят в противоположном направлении, в результате отдача нулевая.
В рельсе то же что и в танке: энергия взрывчатки превращается в механическую, и обжимает болванку с магнитным полем, многократно усиливая это поле, т.е. энергия взрывчатки переходит в магнитную энергию, в результате скачка магнитного поля происходит резкий и мощный выброс электричества - магнитная энергия превращается в электрическую. Электрическая, подаваясь к рельсам, опять превращается в магнитную, которая уже и вызывает ускорение снаряда, попутно испаряя его части (токи килоамперные), создавая дополнительную реактивную силу, газы которой беспрепятственно покидают ствол (как в РПГ), но это мелочи, основная мощность уходит на раздвигание рельсов, а реакция, препятствующая раздвиганию, и ускоряет снаряд.
Т.е. и там и там используется энергия взрывчатки, и там и там ускорение снаряда идет за счет силы реакции, препятствующей разрыву ствола. Отличие только в самом стволе - танковый ствол закрытый, рельсовый - открытый, это и влияет на отдачу. И в длине цепочки - в танке она короче, а значит теоретически и кпд должен быть выше.
Самое смешное - и там и там снаряд можно ускорять без взрывчатки, заменив ее током. Только в танке этот ток придется подавать для превращения в плазму какого-то вещества, например воды или топлива, а в рельсе ток можно подавать напрямую к снаряду.
В общем схема костыльная, в бою надежнее и удобнее всего простые огнестрелы, потом идут взрывогенераторы, и только в конце плетется огромный генератор, типа реактора или дизеля.
Преимущества рельс перед танковыми пушками - значительно проще добиться таких скоростей снаряда, не важна герметичность ствола, точность притирки снарядов - ток и магнитное поле спокойно преодолевают зазоры, не вытекают, как газы под давлением, из ствола во все стороны, если в нем дырка. Короче ниже требования к оружию, и оно само проще - из требований осталось только одно - выдержать поперечную силу, причем эта сила направлена лишь по одной оси, тогда как в обычной пушке - по всем трем. Т.е. вместо вытачивания и шлифовки ствола и снаряда, можно взять два обычных ржавых уголка, проточить в деревяшке две борозды, вставить эти уголки туда, и забить полученный пакет в П-образный профиль, и получим готовый ствол из говна и палок. Остается поместить в углубление между уголками старяд, и наколоть его капсуль гвоздем - он знатно пизданет (там же что-то типа пластида), но взрыв направленный, так что максимум - оторвет руку. Ну а далее произойдет мощный выброс энергии, которая замкнется на уголки, уголки замкнутся на снаряд, и снаряд начнет ускоряться. Вангую, что даже капсуль с взрывогенератором не сдвинется с места, разве что чуть-чуть - почти вся энергия взрыва уйдет в электричество. Деревяшка немножко обгорит. С уголков частично сотрется ржавчина, и они отполируются.
В общем дюже простая штука.
>Да ты охуел, я тебя из КОЛОША застрелю нахуй, пока ствол менять будешь после каждых 5 выстрелов.
А зачем их менять? Поставил барабан на 6 стволов, синхронизировал с механизмом заряжания, и получил рельсовый револьвер - снаряд попадает на ствол, происходит выстрел, удаляется гильза, происходит доворот барабана на следующий ствол, механизм зарядки подает следующий ствол, накалывает его, и по кругу - получишь йоба-пулемет, стреляющий танковыми снарядами на скоростях в несколько км/с, без отдачи, со скоростью несколько десятков выстрелов в минуту, и ресурсом в 600-6000 выстрелов - эта хрень способна срезать целые кварталы со зданиями, т.к. каждый снаряд беспрепятственно прошивает кучу толстенных стенок. А на корабле может быть 4-6 таких хреней.
А если потребуется превратить корабль в ангела тьмы - можно запилить барабан барабанов: большой барабан с осями и приводами, на которые сажаются маленькие барабаны. Отстреливается ресурс первого барабана, большой барабан немного проворачивается, подставляя под снаряды следующий малый барабан, и т.д. Стреляет из верхнего барабана, нижний в это время автоматически или вручную заменяется. Таким образом корабль может вести непрерывный огонь до тех пор, пока в наличии есть снаряды и барабаны со стволами, а в корабль этих снарядов и стволов можно загрузить целые трюмы, вместо генератора и конденсаторов.

Аноним Суб 22 Мар 2014 16:18:40  #158 №119936 

>>119929
ты дурак что ли ? ИЛИ настолько толстый ?

Не бывает систем без отдачи, на красивой картинке не показана сила с которой снаряд толкает релься назат, мудак.
Закон сохранения никто не отменял вобщемта.

Твоей простыней можно подтереться только - у рельсы недостатков целый товарный состав, а приимущество только в скорости снаряда.
Точность ствола и снаряда ей нужна на порядки выше чем огнестрелу, места и веса немеряно просто занимает, газов из нее вылетае тоже дофига, дальше вообще охинея у тебя несмог читать.
какая " вся энергия взрыва в электричество" какой напрвленный взрыв, чем ты упоролся ?

Аноним Суб 22 Мар 2014 16:29:29  #159 №119937 

>>119936
>на красивой картинке не показана сила с которой снаряд толкает релься назат, мудак.
Ну так нарисуй и покажи нам, дурашка. А то забугорные ученые как-то забыли со спеху. Ты же умнее их -поправь, хуле воздух сотрясать?
>Закон сохранения никто не отменял вобщемта.
Т.е. у тебя проблемы со связями сложнее прямых, т.е. с абстракциями - это симптом.
>Твоей простыней можно подтереться только
И не удивительно - ты же ничего из нее не понял.
>Точность ствола и снаряда ей нужна на порядки выше чем огнестрелу
А шокеры не работают. Из-за того, что электроды разомкнуты.
>какая " вся энергия взрыва в электричество" какой напрвленный взрыв, чем ты упоролся ?
Т.е. не читал, но осуждаю? Ок, че. Но я бы на твоем месте сначала почитал, как работают подобные генераторы, а потом уже и кукарекал. И за одно погугли про рентгеновские лазеры - те же яйца, только в профиль.

Аноним Суб 22 Мар 2014 16:48:24  #160 №119938 

Блять, кормлю толя с рук.
Ну ладно мож еще кто догонит.
Взаимодействие полей воздает силу расталкивания снаряда и рельс.
Импульс рельс точно такойже и направлен в противоположную сторону относительно импульса снаряда, это, блин 9й класс ковыряя в носу, а не квантовая физика.

> А шокеры не работают. Из-за того, что электроды разомкнуты.
Ну вообще так и есть.
Когда собсна идет воздействие пробивает искра на электрод или на тушку - цепь замыкается.
Попробуй еще тоньше.

Аноним Суб 22 Мар 2014 16:51:26  #161 №119940 

>>119937
Ну и собсна все ответы в 47 секундах.
https://www.youtube.com/watch?v=P6T7XWyGAas

Аноним Суб 22 Мар 2014 17:00:47  #162 №119941 
1395493247025.gif

>>119933
>барабан барабанов
Хо-хо! Смотри, я изобрел двигатель для космического корабля без потери вещества. Сдаем проект в Сколково, запад пусть догнивает, рассеюшка встанет скален, колонизируем ближний космос, пока не сделали термояд, а потом и межзвездное пространство. Здесь-то ничего не мешает выполняться закону сохранения импульса после взаимодействия шариков и корпуса корабля? Направление полета - в сторону полета шарика, большая площадь - для поворотов корабля тем же маршевым двигателем. Ну как?

Аноним Суб 22 Мар 2014 17:37:51  #163 №119943 
1395495471152.jpg

ОП в треде.
Своей некомпетентностью вы, уважаемые господа, превратили мой уютный тредик в филиал /b/. Дас ист шлехт.
Выдалась свободная минутка и я отыскал то, чем можно порадовать радиоанона. Теперь с нами будет ZVS флайбек, собран по каноничной схеме, только добавлены два супрессора на 200 В, их не видно за радиатором, и диод в обратном включении, параллельно источнику питания - хоть он и не очень нужен, но пусть будет.

Аноним Суб 22 Мар 2014 17:40:00  #164 №119944 
1395495600239.jpg

>>119943
Так же сегодня у нас в гостях лучший друг ZVS флайбека - трансформатор, собранный из двух ТВС110Л или как-то так.
У одного из них была разбита одна из половинок сердечника, для нас это не страшно. Первичка намотана абы как из распущенной витой пары.

Аноним Суб 22 Мар 2014 17:44:20  #165 №119945 
1395495860341.jpg

>>119944
Фото маленькой дуги. Тебе, анон, интересно, почему она маленькая? Да потому, что частота для данной индуктивности дросселя слишком велика, и для трансформатора она тоже велика. Емкость контурного конденсатора видно на >>119943
Тянется до 30 мм, зажигается с 2-3 мм. При горении не издает ни звука, сердечник тоже молчит. Частота много больше 20 кГц, я предполагаю.

Аноним Суб 22 Мар 2014 17:50:53  #166 №119946 
1395496253757.jpg

>>119945
Анон любит побольше и погорячее? На картинке побольше и погорячее, зажигается с 3-5 мм, тянется до 80 мм по прямой между электродами, но при этом извивается как уж на сковородке, правда я ни разу не видел ужа на сковородке, но слышал эту поговорку. Добавлен конденсатор в 1 мкФ, он висит на проводах. Частота меняется в процессе пускания дуг, дуги издают писк, трансформатор тоже издает писк. Частота весьма низкая, полагаю бывает порядка 7 кГц. Это слишком низкая частота. Самые жирные и желто-оранжевые дуги у меня получались на 0.8 мкФ примерно. Еще есть кусок феррита с намотанной проволокой, если анон желает могу погреть что-нибудь индуктором.

Аноним Суб 22 Мар 2014 17:58:23  #167 №119947 
1395496703330.jpg

>>119933
Видишь ли, если бы в рельсотроне электрические разряды возникали из ниоткуда в начале одного рельса и пропадали вникуда в начале другого, то отдачи бы действительно никакой не было. Проблема в том, что эта модель нарушает первый закон Кирхгофа, лалка. Так что если тебе надо рассмотреть не только силы, действующие на снаряд, но на всю установку в целом, то модель твоя неадекватна.

Аноним Суб 22 Мар 2014 18:00:31  #168 №119948 

>>119941
лол

Да, если бы отдачи не было, то этот двигатель бы работал. :3

Аноним Суб 22 Мар 2014 18:07:33  #169 №119949 

>>119946
Провода поменяй на Литцендрат, лучше станет.
http://upload.wikimedia.org/wikipedia/commons/thumb/c/c1/Lica.png/220px-Lica.png
или хотя бы толще в несколько раз поставь.

Аноним Суб 22 Мар 2014 18:16:46  #170 №119950 
1395497806141.jpg

>>119949
Лал, нахуй мне нужен этот дугопускатель? А что такое литцендрат и почему он лучше я и так знаю.
Есть еще один трансформатор, первичка сделана литцендратом, выход около 2 киловольт, дуга плавит гвозди.

Аноним Суб 22 Мар 2014 18:26:21  #171 №119951 

>>119946
Зачем такими дрыщавыми проводами подключил ZVS к трансформатору?

Аноним Суб 22 Мар 2014 18:49:18  #172 №119953 

>>119946
Вот я невнимательный. Конденсатор включен в одно плечо - между центром обмотки и одним из выводов. Ну и ладно, суть не меняется - частота ниже, дуга толще.

Аноним Суб 22 Мар 2014 19:17:13  #173 №119955 

>>119933
> Даже в РПГ нет отдачи, хотя огнестрел
Это ты скажешь, когда постоишь в паре метров за стрелком, аккурат напротив раструба (у рпг-7).

Аноним Суб 22 Мар 2014 19:21:17  #174 №119957 

>>119946
Слабовата дужка, для 2х-то обмоток. Она даже одна при правильном подходе такие спецэффекты выдает, что страшно становится, правда потом, секундой позже очень быстро прогорает внутри, если снаружи не пробьет.

Аноним Суб 22 Мар 2014 23:35:42  #175 №119963 

>>119947
Да ладно Кирхгофа, он так расписал бред про отдачу, что я аж моник слюной забрызгал пока ответ писал.
>>119950
Это провод из кучи изолированных жилок, вики же смотри,
ВЧ течет только по поверхности провода, поэтому активное сопротивление твоей катушки очень здоровое и портит тебе кпд.

Аноним Вск 23 Мар 2014 06:51:47  #176 №119980 

>>119955
Долбоебы всегда найдут, куда встать. Но это исключительно их проблема - сам стрелок отдачи не испытывает.
>Видишь ли, если бы в рельсотроне электрические разряды возникали из ниоткуда в начале одного рельса и пропадали вникуда в начале другого, то отдачи бы действительно никакой не было.
Т.е. отдача за счет движения электронов? Массу электронов уже посчитал, наркоман?

Аноним Вск 23 Мар 2014 10:00:13  #177 №119985 

>>119963
Ты открыл его ссылку, посмотрел, и рассказал нам про литцендрат?
>>119980
Но у электронов действительно есть масса и она растет с увеличением их скорости - теория относительности. Можно взять совсем немного электронов, разогнать их до скорости света и выплюнуть и получишь нехилую отдачу.

Аноним Вск 23 Мар 2014 13:06:02  #178 №119990 
1395565562058.png

>>119980
Ты даже не понял, о чём я говорил. Нет, не о массе электронов. Из первого закона Кирхгофа следует, что электрический ток в цепи течёт по замкнутому контуру, потому что электроны никуда не исчезают и ниоткуда из ничего не возникают. Дорисуй путь, по которому течёт ток в системе (источник питания), получишь обратный путь тока, на который действует магнитное поле, создавая силу, действующую в противоположном выстрелу направлении.

Аноним Вск 23 Мар 2014 14:59:00  #179 №119995 

>>119990
>Дорисуй путь, по которому течёт ток в системе (источник питания), получишь обратный путь тока, на который действует магнитное поле, создавая силу, действующую в противоположном выстрелу направлении.
В глаза долбишься? Поля там перпендикулярны.

Aноним Вск 23 Мар 2014 15:22:46  #180 №120000 

>>119980
Минометчик тоже не испытывает отдачи — охуеть у нас теперь есть суперминомет без отдачи из которого можно хуярить прямо с рук! Беги в КБ@Получай премию!
На рельсотрон действует точно такая же сила, которая действует на снаряд, он же полем от рельс отталкивается.

Аноним Вск 23 Мар 2014 15:26:50  #181 №120002 

>>119995
Что, простите?

Аноним Вск 23 Мар 2014 15:32:50  #182 №120006 

>>120000
>долбоеб цепляется к словам
ок.

sageAноним Вск 23 Мар 2014 15:39:09  #183 №120008 

>>120006
Железный аргумент, охуеть просто!

Аноним Вск 23 Мар 2014 15:55:29  #184 №120012 

>>120008
У тебя то его вообще нет.

Аноним Вск 23 Мар 2014 16:22:19  #185 №120015 

>>120000
>На рельсотрон действует точно такая же сила, которая действует на снаряд, он же полем от рельс отталкивается.

Ты неправ.

Для силы Лоренца, так же как и для сил инерции, третий закон Ньютона не выполняется.

http://ru.wikipedia.org/wiki/Сила_Лоренца

а разгадка, как я уже и говорил, в первом законе Кирхгофа и рассмотрении всего устройства как замкнутой системы

Аноним Вск 23 Мар 2014 16:49:59  #186 №120018 

>>120015
Хорохо не "точно такая же", но отдача есть и не маленькая.
И вообще вся система при выстреле колбасится той же силой - тоже косяк рельсы.

Аноним Вск 23 Мар 2014 16:58:56  #187 №120019 

>>120015
Держите наркомана! Сил инерции вообще не существует, а для системы ствол-снаряд хоть ты его святым духом разгоняй, отдача все равно будет.

Аноним Вск 23 Мар 2014 17:00:14  #188 №120020 

>>120019
>для системы ствол-снаряд хоть ты его святым духом разгоняй, отдача все равно будет.
РПГ - снаряд разгоняется, ствол нет. Профит?

Аноним Вск 23 Мар 2014 17:01:28  #189 №120021 

>>120020
Там выхлоп разгоняется. А у рельсы выхлопа назад нету.

Аноним Вск 23 Мар 2014 17:04:09  #190 №120022 

>>120020
И вообще РПГ это не система ствол-снаряд, сама труба там только как направляющая и в законе сохранения импульса не участвует.

Аноним Вск 23 Мар 2014 17:26:05  #191 №120024 

>>120022
Ну так речь о том, что рельсы в законе сохранения импульса не участвуют, т.к. на них не действуют силы, проекции которых на ось выстрела отличны от нуля. Или укажи, что это за силы — сила Ампера, сила Лоренца или какие?

Аноним Вск 23 Мар 2014 17:59:01  #192 №120031 

>>120024
Ну как блять они не участвуют и как блять нулю.
Рельсы дейтсвуют друг на друга перпендикулярно оси выстрела, и их разрывает нах это да. Но блять магнитное поле снаряда отталкивает магнитное поле рельс, а не чегото еще и взаимодействует он с рельсами а не с вакуумом, как блять они не участвуют у тебя в законе сохранения ?

Да в чистом виде 2й закон тут нельзя применить , но блять на этом красивом рисунке ненарисованно половины сил.

Аноним Вск 23 Мар 2014 18:36:03  #193 №120036 

>>120031
Реально возникающих я имею ввиду, там же плазма, газы,
магнитное поле внешнее.

Поле снаряда тоже рельсы распирает чтоли, ох дилаааааа.

Аноним Вск 23 Мар 2014 18:42:00  #194 №120037 

>>120031
Ну так укажи, что это за сила. В рельсе всё просто: рельс — это проводник с током. Каким магнитным полем на этот ток можно воздействовать, чтобы проводник с ним назад отталкивало? (я даже не буду спрашивать, откуда это поле берётся) Не надо дорисовывать всю оставшуюся половину сил, нарисуй хотя бы одну силу, проекция которой на ось выстрела направлена назад.

Аноним Пнд 24 Мар 2014 07:53:29  #195 №120076 DELETED

Раданы, этот гомосексуалист, похоже, прав! Третий закон Ньютона для силы Лоренца не выполняется в общем понимании - частица действует на магнитное поле, а это магнитное поле не действует на создающий его проводник - перпендикулярность не в том направлении. И мой корабль >>119941 полетит!

Аноним Пнд 24 Мар 2014 08:21:13  #196 №120080 

>>120076
Ох, блядь, да что ж ты тупой такой?

Ещё раз — всё дело в том, что в реальности ток течёт только по замкнутому контуру. Поэтому для любого участка цепи есть противоположный ему участок (даже если на картинке он не нарисован), в котором ток течёт в противоположном направлении и, следовательно, сила на него действует в противоположном направлении.

Аноним Пнд 24 Мар 2014 08:27:53  #197 №120081 DELETED

>>120080
>Ох, блядь, да что ж ты тупой такой?
Что ты грубишь-то? Не тупой, понял теперь, про что ты. Отдача будет действовать на источник питания, пикрелейтед.

Аноним Пнд 24 Мар 2014 08:30:36  #198 №120082 DELETED

>>120081
Но все равно это как-то бредово. А если взять два источника радиации - бетаактивный и альфаактивный. Электрончики будут ебошить из первого во второй, создавая ток, а на втором будет выделяться гелий, контур тока будет незамкнутый. И мой корабль полетит!

Аноним Пнд 24 Мар 2014 10:46:23  #199 №120090 

>>120082
>создавая ток, а на втором будет выделяться гелий, контур тока будет незамкнутый. И мой корабль полетит!
Ты ферромагнитное говно как рабочее тело твоего маршевого двигателя забыл.

Аноним Пнд 24 Мар 2014 11:00:57  #200 №120091 

>>119900
>есть один поехавший умелец
Последняя запись 03.05.2010, превышение скорости звука. Умелец уехал на нары, или его всего лишь током убило?

Аноним Пнд 24 Мар 2014 11:25:01  #201 №120092 

>>119928
>подкалиберные снаряды из танковых пушек летят 10-15 км/с
На всякий случай - снаряд не может лететь быстрее, чем скорость расширения метательных газов. Для артиллерийского пороха это примерно 2.5км/c.

Аноним Пнд 24 Мар 2014 11:25:13  #202 №120093 

>>120082
Вряд ли ты таким образом наебёшь систему. Систему ещё никто не наебал. Скорее всего, бета-лучи просто не смогут долететь от одного источника до другого, по пути пройдя через электрическую цепь и совершив там работу. Ты видел, чтобы подобными источниками можно было хоть что-нибудь запитать, пусть без нарушения ЗСИ для начала?

Аноним Пнд 24 Мар 2014 11:26:24  #203 №120094 

>>120092
Тоже хотел об этом написать, но отвлёкся на более интересный срач в треде, лол.

Аноним Пнд 24 Мар 2014 12:50:55  #204 №120115 

>>119928
>И подкалиберные снаряды из танковых пушек летят 10-15 км/с и делают всё то, что ты описал.
У меня от тебя ОКОЛОЗЕМНАЯ ОРБИТА и ПОЛЁТ ИЗ ПУШКИ НА ЛУНУ

Аноним Пнд 24 Мар 2014 13:32:53  #205 №120119 DELETED

>>120092
Ну ошибся на один разряд, с кем не бывает, хуле.

Аноним Пнд 24 Мар 2014 13:44:13  #206 №120121 DELETED

>>120093
Обосновываю концепцию: есть два радиоактивных металла: альфа и бетаактивные, соответственно. Альфа активный можно заменить каким-нибудь с выделением протонов. Они расположены как на пикрелейтед. Допуск, который я не могу обосновать, но нет теоретических обоснований, что так быть не может - металлы должны быть достаточно активны, чтобы обеспечить достаточную плотность тока.
Подобный источник реальный или нет, сказать не могу, давно читал в журнале "Наука и жизнь": альфа и бета лучи разделяются магнитом и попадают на разные электроды, на электродах образуется разность потенциалов и эта байда питает нагрузку. Найду пруфы - представлю, в любом случае пока это не противоречит школьному курсу физики.

Аноним Пнд 24 Мар 2014 15:49:27  #207 №120135 

>>120121
>альфа и бета лучи разделяются магнитом и попадают на разные электроды, на электродах образуется разность потенциалов и эта байда питает нагрузку

С МГД-генератором не путаешь?

Аноним Пнд 24 Мар 2014 16:03:04  #208 №120136 DELETED

>>120135
Не путаю.

Аноним Пнд 24 Мар 2014 16:14:18  #209 №120137 

>>120136
Вот какая есть ботва на подобном принципе - http://dic.academic.ru/dic.nsf/es/1477/ядерная

Но тут совершенно очевидно замкнутый контур. И это, наверное, неизбежно - если контур будет разомкнут, то бета-источник, теряющий электроны, будет приобретать всё более увеличивающийся положительный заряд, и со временем поле заряда начнёт удерживать бета-частицы.

Аноним Пнд 24 Мар 2014 18:21:50  #210 №120147 

>>120137
Бета источник не теряет электроны, он их постоянно генерирует в избытке. Покажи на картинке где контур замыкается, электроны идут от беты к альфе, через снаряд, создавая магнитное поле, в альфе они "исчезают" занимая свободные орбитали на ядрах.

Аноним Пнд 24 Мар 2014 20:57:25  #211 №120156 

И еще наркоманской хуйни: сила, действующая на источник питания, действует относительно магнитного поля, создаваемого рельсами, как и сила, разгоняющая снаряд. Т.е. сила отдачи на снаряд не действует. Нам нужен умный кун, который может пояснить, потому что, полагаю, что меня сейчас назовут дебилом и нормально не пояснят нихуя. Магнитное поле, это не тело и действующую на него силу одной заряженной частицей оно не передаст другой заряженной частице, находящейся в этом же поле.

Придумавший питать рельсу куском бетаактивного материала - кун.

Аноним Пнд 24 Мар 2014 21:47:23  #212 №120158 

>>120156
И в догонку: если снаряд и источник не вплотную друг к другу - магнитное поле не дотягивается до источника, а значит и действовать на него не может.
Если бы было иначе - у нас бы сейчас атомные электростанции парили на проводах, привязанные ими к Земле.
Парадокс какой-то получается - сила есть, отдачи нет. Может это из-за хитрого правила левой руки, которое по хитрому разворачивает силы на 90 градусов? Классическая механика в такой фокус не может, это что-то ближе к квантовым эффектам, а там подобные фокусы - норма.

Аноним Втр 25 Мар 2014 06:18:07  #213 №120184 

>>120147
Ты просто не можешь в суть бета-радиоактивности. Бета-радиоактивность - это распад нейтрона на электрон и (та-дааам!) протон.

Аноним Втр 25 Мар 2014 06:26:19  #214 №120185 

>>120156
>действующую на него силу одной заряженной частицей

Суть неньютоновости силы Лоренца, по ходу, как раз в том, что частица не может воздействовать на поле и вызывать приложенную к полю (ололо) силу.

>магнитное поле не дотягивается до источника, а значит и действовать на него не может.

На него действуют провода, которыми этот источник подключен. Два силовых провода действуют на источник так же, как два рельса с током действуют на разгоняемый снаряд.

А вообще, нехило тебя распидорасило, лол. То "импульс сохраняется, похуй где, и не надо мне тут", то "кругом пиздец, атомные электростанции взлетят, ничего не сохраняется, мы все умрём".

Аноним Втр 25 Мар 2014 07:32:13  #215 №120188 DELETED

>>120158
Не притворяйся мной, я уже думал это и отбросил, как уже написали - из-за проводов питания.
>>120184
Окей, если так, то будут затруднения.
>>120185
Он не я.

Вот вам, господа, еще одна конструкция. На этот раз спаренная рельса, в которой силы, действующие на источник, скомпенсированы. И без использования радиоактивных элементов, но можно сделать снаряды из обогащенного урана и тупоголовые - чтобы при попадании деформировались, сжимались и взрывались от увеличения плотности и снижения критической массы. Ну как?

Аноним Втр 25 Мар 2014 07:32:40  #216 №120189 DELETED

>>120188
Картинку забыл.

Аноним Втр 25 Мар 2014 08:29:25  #217 №120193 
1395721765824.gif

>>120189
Да не наебёшь ты систему.

Аноним Втр 25 Мар 2014 09:19:06  #218 №120195 DELETED

>>120193
Пик в разных проекциях. Каждый снаряд в своем стволе, две токовых петли. Так понятнее?
Что за сила F у тебя обозначенная красным.

Аноним Втр 25 Мар 2014 09:24:25  #219 №120196 DELETED

>>120193
>>120195
Вот еще для пояснения сути.

Аноним Втр 25 Мар 2014 09:42:15  #220 №120197 

>>120196
Во втором стволе снаряд летит в другую сторону, зая. Физику не наебёшь.

Аноним Втр 25 Мар 2014 10:02:16  #221 №120198 DELETED

>>120197
Кисуль, но по какой причине во втором стволе снаряд полетит в другом направлении?

Аноним Втр 25 Мар 2014 10:04:12  #222 №120199 DELETED

>>120197
>>120198
И какой из стволов будет "первым", а какой "вторым"?

Аноним Втр 25 Мар 2014 10:08:27  #223 №120200 
1395727707716.gif

>>120196
пикрелейтед

>>120197
не пизди

Аноним Втр 25 Мар 2014 10:16:45  #224 №120202 

>>120195
>Что за сила F у тебя обозначенная красным.

Это сила Лоренца же. Та же самая, что снаряд разгоняет. Только в выделенном куске ток течёт в противоположную сторону по отношению к току снаряда.

Аноним Втр 25 Мар 2014 10:22:40  #225 №120203 DELETED

>>120200
Понял тебя, спасибо, это очевидно, в общем-то. В натуре я тупой.

Аноним Втр 25 Мар 2014 10:58:46  #226 №120205 

>>120185
>На него действуют провода, которыми этот источник подключен
Т.е. мы все-таки ограничены в мощности наших генераторов. Слишком высокая мощность - и провода будет рвать. Значит нам никогда не видать иных звезд на электродвигателях - очередной виток технологий на смарку, а ведь мы находимся только в его начале, следующий будет через несколько тысяч лет.

Аноним Втр 25 Мар 2014 11:09:32  #227 №120206 DELETED

>>120205
Да ну нахуй, вот Россия встанет с колен и заживем по-новому, совсем чуть-чуть осталось, уже Крым вернули.

Аноним Птн 28 Мар 2014 12:45:19  #228 №120456 DELETED

Господа, покритикуйте, пожалуйста такую конструкцию с использованием интегральной микросхемы зарубежного производства TOP221. Высокочастотный разряд зажигает дугу, дроссель L не пускает ВЧ электричество в схему, а по зеленому конденсатор ВЧ идет в цепь разряда к электродам.Дроссель L имеет достаточно малую величину, чтобы не оказывать сильного влияния на разряды боевого конденсатора. Фронт, конечно, будет не столь резкий, как хотелось бы. Что будет если дросселя L не будет?

Аноним Птн 28 Мар 2014 12:58:18  #229 №120458 

>>120456
> дроссель L не пускает ВЧ электричество в схему
А по первичной обмотке трансформатора ВЧ-ток у тебя не течёт уже? У тебя там сильная ЭМ-связь, единый магнитный поток, пропорциональная ЭДС индукции. ВЧ-ток будет в обеих обмотках.

Аноним Птн 28 Мар 2014 13:14:41  #230 №120459 DELETED

>>120458
Ну значит L не нужен? Может ли что-нибудь плохое сделать ВЧ с выхода трансформатора?

Аноним Птн 28 Мар 2014 13:39:49  #231 №120461 

>>120459
Ты же вроде катушку Теслы делаешь?

> Ну значит L не нужен?
Нужен, но не там. В импульсный преобразователях, кстати, используют катушки индуктивности (магнитные усилители), которые работают на прямоугольной петле гистерезиса по частному циклу (используется зависимость импеданса от намагниченности сердечника). Может, взглянуть на такие устройства?

Аноним Птн 28 Мар 2014 13:46:33  #232 №120462 DELETED

>>120461
Нет, хочу электрошокер, но без разрядника. Тиристор закрыться не может, транзистором надо управлять, а тут готовая микросхема.
А где нужен L?

Аноним Птн 28 Мар 2014 17:13:44  #233 №120474 

>>120462
вангую: тебя же им уебет если заработает и кпд будет никакой
Высоковольтная техника с налета не дается.

Аноним Птн 28 Мар 2014 19:23:27  #234 №120483 

>>120474
Не надо ванговать. Цель - получить электрошокер с нормальным коммутатором тока в цепи вв катушки. Разрядник - ограничен ресурс, тиристор - сам не закрывается. Можно ли сюда включить обычный биполяр на 600 вольт, только как им управлять? 310 вольт указано потому что на это напряжение проще найти детали.

Аноним Птн 28 Мар 2014 19:50:19  #235 №120487 

>>120483
> Разрядник - ограничен ресурс,
Это как?

Аноним Птн 28 Мар 2014 22:17:29  #236 №120495 

>>120483
мост или полумост чем не угодил ?

Аноним Суб 29 Мар 2014 07:39:35  #237 №120515 DELETED

>>120487
Ну сломается, как электроды достаточно поизносятся, не?
>>120495
В мосте или полумосте больше одного ключа...

Аноним Суб 29 Мар 2014 15:09:22  #238 №120526 

>>120515
> больше одного ключа...
- иии что ?

Аноним Суб 29 Мар 2014 16:49:10  #239 №120530 

>>120526
Это недостаток. Ими управлять сложнее и места они занимают больше. Иконструкциясложнееитдитп.

Аноним Суб 29 Мар 2014 18:11:27  #240 №120532 

>>120515
>электроды достаточно поизносятся
Это как? Ты там электросварку что-ли пилишь?

Аноним Суб 29 Мар 2014 21:52:06  #241 №120541 
1396115526663.jpg

>>120532
Ладно, из-за разрядника низкий КПД, к тому же у меня нет разрядников и в магазине нет, заказывать долго, а транзисторы на 600 вольт есть, даже есть на 1200 ИГБТ, но ими управлять сложнее, чем биполярами, такой вариат тебя устроит?

Аноним Суб 29 Мар 2014 22:25:08  #242 №120543 
1396117508139.png

>>120541
>из-за разрядника низкий КПД
В смысле низкий КПД? Хочешь тушку килоамперами гасить?
>к тому же у меня нет разрядников и в магазине нет, заказывать долго
Как же раньше то жили без магазинных разрядников? Пик
>а транзисторы на 600 вольт есть
И зачем они тебе? Решил шокер от сети питать?
Эффективнее всего запилить цепочку генератор - повышающий транс - умножитель. Если нужны мегавольты -только тогда в ход идут разрядники

Аноним Суб 29 Мар 2014 23:58:53  #243 №120550 

>>120543
Ну он отчасти прав - забрасывать эфективнее в несколько каскадов и на последнем выбросы вполне себе не маленькие, а еще эфективнее не умножитель на конце, а выпрямитель, чтобы нужной формы импульс на выходе получить - эфективнее ебашит при тойже мощности.

Но Я повторюсь
> вангую: тебя же им уебет если заработает и кпд будет никакой
> Высоковольтная техника с налета не дается.

С таким подходом ничего путного ты не получишь, на строчнике из телика и 1м транзисторе получится только говно.
А 2 тебе уже сложно слишком.
Забей и купи себе супершокер-100500-с-фонариком.

Аноним Вск 30 Мар 2014 08:49:55  #244 №120565 

>>120550
Братишка, ну что ты какой, а? Я хочу злой шокер по каноничной схеме, но вместо разрядника транзистор. Делал блркинг генератор на сетевое напряжение по схеме зарядки мобилки, он сначала работал, а потом сгорел. Я могу спаять схему больше двух транзисторов и заставить ее работать, но при напряжении не выше 12 вольт, при 300 вольтах возможности на ошибку крайне малы, потому я и обратился к мудрости двача. Я могу сделать разрядник из проволочек и это будет работать, но я хочу полупроводниковый коммутирующий элемент. У меня ZVS не греется.

sageАноним Вск 30 Мар 2014 10:53:09  #245 №120577 

>>120565
>но я хочу полупроводниковый коммутирующий элемен
на хуй он тебе нужен? Высоковольтные полупроводники - то еще говно.
Лучше делай всю генераторную часть на 12В, там же ставь свой полупроводниковый элемент, а всю ВВ часть делай на старых добрых трансформаторах и конденсаторах - там ошибиться трудно.

Аноним Вск 30 Мар 2014 12:40:16  #246 №120589 

>>120565
Это не я это жизьнь такая.
Твои пожелания содержат взаимоисключающие параграфы.
Ну сделай 2х степенчатый каскад - в первом твой ZVS во вотором искровик.
на 3х ваттах не греется ?

Аноним Вск 30 Мар 2014 12:55:24  #247 №120591 

>>120577
>>120589
Нам не нужна здесь траншея, нам нужно, чтобы вы заебались. (с)
Я знаю, что на высоком напряжении полупроводники капризны, потому и пишу тут. Я могу сделать высоковольтную часть на разряднике, могу поставить резистор, ограничивающий ток, перед разрядным конденсатором и тиристор будет закрываться, есть много путей решения любой задачи. Но нужно хочется сделать именно транзистор - мы получим бесценный опыт и поместим его в копилку коллективного разума.
Анончик полумостом, ты натолкнул меня на мысль, а что если поступить как в преобразователях в цепях питания процессора, забыл название топологии, суть: два транзистора в полумосте, один открывается ток идет через него и нагрузку, закрывается - второй открывается и ток идет через дроссель, нагрузку и него. Схему приложу позднее. Выбросам, вроде как, взяться неоткуда браться.
>на 3х ваттах не греется ?
На 300 не греется. 12 вольт 37 ампер, мощнее блока питания просто нет.
Хотя слукавил, радиатор теплый рука терпит, а на 37 А долго не включал - БП ПК не приспособлен под такие нагрузки, но работает - я там повыдирал резисторы вокруг супервайзера, только обратная связь по напряжению осталась, а по току ограничение в силовой части.

Аноним Вск 30 Мар 2014 13:40:56  #248 №120600 

>>120591
>Я могу сделать высоковольтную часть на разряднике
Ты хоть знаешь, для чего он нужен то? Он используется как простой генератор. Если у тебя уже есть генератор в первичке, зачем еще один во вторичке?
>могу поставить резистор, ограничивающий ток, перед разрядным конденсатором
А ток зачем ограничивать? Тем более резистором. Тем более на ВВ части.
>мы получим бесценный опыт
бесценный опыт никому не нужных глупых анальных утех
Суть всей этой схемы - многоступенчатый преобразователь энергии. Твоя задача - получить как можно более эффективные ступени, попав в заданные параметры выходного сигнала. ВВ выход, очевидно, имеет малый ток - значит задачи донести килоамперы до тушки нет, значит нет смысла мутить ВВ накопители и ключи.
>второй открывается и ток идет через дроссель, нагрузку и него
Опять же, тут важно понимание основ. Этот дроссель - по сути магнитный накопитель. Преобразователь заряжает его, и разрывает контакт - дроссель повышает напругу, пытаясь его восстановить, эта напруга сбрасывается на выход - получаем повышающий преобразователь. Точно такой же стоит в китайских игрушках, например жвачке с сюрпризом (шокером) - только там вместо транзисторов обычная микрорелюха в режиме самогенерации. Т.е. схема проста до примитива.
Все импульсные преобразователи работают по схожему принципу - накачивают какой-либо буфер, потом нагрузка снимает с него энергию. Поток энергии через буфер определяется частотой следования импульсов, уровнем ШИМа(применяется для точного контроля параметров выхода), и самое главное - энергией буфера. Т.е. можно применить низкочастотный преобразователь с большим буфером или высокочастотный с маленьким. В некоторых схемах делают многоканальные преобразователи - один контроллер управляет несколькими буферами, это кратно увеличивает поток энергии. В некоторых используют ШИМ, для точной регулировки количества вкачиваемой в буфер энергии, это нужно для динамических нагрузок, или для динамического управления параметрами преобразователя (например искусственное ограничение его коэффициента преобразования).
Буферы бывают разные - электрические, магнитные, инерциальные, и даже основанные на давлении в жидкости/газе.
Главное требование к буферу - минимальные потери. Главное требование к преобразователю - обеспечение наиболее оптимального режима накачки буфера.

Т.е. ты должен выбрать тип буфера, в каком режиме он будет работать, прикинуть как с него будешь снимать энергию - это определит кпд твоей установки.
Дальше рассчитываешь все ее цепи, от выхода ко входу: берешь требуемые параметры выхода, определяешь величину энергопотока через выходные цепи, и в соответствии с этим рассчитываешь их номиналы. Потом то же самое делаешь с предпоследним каскадом - энергопоток на выходе у тебя есть, по нему рассчитываешь параметры каскада. И так, каскад за каскадом, приходишь к первичному генератору, и рассчитываешь его.
Таким образом можешь собирать схему покаскадно. Замеряя параметры выхода каждого каскада, можно установить, правильно он настроен или нет, и подстроить только этот каскад до достижения требуемых параметров.

Т.е. нет каких-то рандомных схем преобразователей, есть общие принципы, которые и используют все схемы. Зная эти принципы ты сможешь самостоятельно оценить как эффективность той или иной схемы, так и пути ее улучшения.

Аноним Пнд 31 Мар 2014 07:59:58  #249 №120693 DELETED

>>120591
Предполагаемая схема с полумостом.
Верхний транзистор открывается - заряжается конденсатор, потом закрывается, нижний транзистор открывается - разряжает конденсатор на индуктивность, потом процесс повторяется. Нижний транзистор желательно обязательно заменить тиристором, чтобы исключить колебательный процесс.

Аноним Пнд 31 Мар 2014 08:01:57  #250 №120694 DELETED

>>120693
Схема китайской зажигалки, в которой, при достаточной мощности первичного преобразователя тиристор закрываться не будет и логическим продолжением которой является схема в >>120693 Здесь то же самое, как если бы на время открытия тиристора высоковольтная часть отключалась от источника питания.

Аноним Пнд 31 Мар 2014 08:06:42  #251 №120695 DELETED

>>120600
>Ты хоть знаешь, для чего он нужен то? Он используется как простой генератор. Если у тебя уже есть генератор в первичке, зачем еще один во вторичке?
Разрядник это коммутатор, генератором становится вся схема вместе с конденсатором и источником питания, неспособный поддержать загоревшийся разряд в разряднике источником питания.
>А ток зачем ограничивать? Тем более резистором. Тем более на ВВ части.
Ток ограничивать для того, чтобы он был меньше тока удержания тиристора после того, как конденсатор разрядится.
Почему мне хочется разбить тебе ебло? Может быть за твою тупость и попытки рассказать про буфер на жидкости или газе?

Аноним Пнд 31 Мар 2014 11:16:43  #252 №120721 

>>120565
> но вместо разрядника транзистор
AKA ETO TY?
Не хочешь разрядник поставь реле(со временем выгорят контакты) или вообще лампу.
Ставить туда транзистор - имхо тяжелый случай.

Аноним Пнд 31 Мар 2014 11:49:51  #253 №120727 DELETED

>>120721
>тяжелый случай
Надеюсь, ты знаешь, что такое тиристор? А про транзисторный эквивалент тиристора слышал? Что здесь тяжелого - уменьшаем напряжение и городим схему управления транзистором.

Аноним Пнд 31 Мар 2014 19:36:17  #254 №120773 

>>118418
>2014
>жить с мамкой

Аноним Пнд 31 Мар 2014 23:30:26  #255 №120784 
1396294226642.jpg

>>120773
Слушай, успешный самостоятельный отдельно живущий школьник, а ты сам до скольки лет с родителями жил, или от тебя ещё в роддоме отказались?

Аноним Втр 01 Апр 2014 08:54:56  #256 №120808 DELETED

>>120094
>>120115
Лалки, но ведь из пушки можно на орбиту, просто пока ZOG не хочет. http://ru.wikipedia.org/wiki/%D0%9F%D1%80%D0%BE%D0%B5%D0%BA%D1%82_%C2%AB%D0%92%D0%B0%D0%B2%D0%B8%D0%BB%D0%BE%D0%BD%C2%BB

Аноним Втр 01 Апр 2014 10:11:29  #257 №120811 DELETED

>>120200
А так наебем систему? Дуга движется и пропадает, а силы действуют только вперед. Полетим в космос.

Аноним Втр 01 Апр 2014 10:18:18  #258 №120812 

>>120811
Дуга это плазма жи, у нее есть масса. У тебя получился электрореактивный двигатель.

Аноним Втр 01 Апр 2014 12:38:57  #259 №120825 

>>120811
У меня ФРЕЙД от твоей пикчи.

Аноним Втр 01 Апр 2014 14:34:58  #260 №120838 

>>120808
Что в словах "реактивный снаряд" тебе непонятно, маня?

Аноним Втр 01 Апр 2014 14:45:17  #261 №120839 

>>120825
Стилистика серии же.
Я не могу найти подвох вот здесь >>120200
Оно не должно работать так, просто природа не позволяет такую хуйню делать, надо у знакомого физика спросить.

Аноним Втр 01 Апр 2014 14:53:51  #262 №120842 

>>120839
>Оно не должно работать так, просто природа не позволяет такую хуйню делать

Что не так-то? Снаряды летят в одну сторону, магнитное поле тянет обведённые участки проводов в другую сторону, создавая отдачу.

Аноним Втр 01 Апр 2014 21:44:37  #263 №120869 

>>120842
Сила действует на провод и снаряд относительно магнитного поля, сила Лоренца ебет в рот третий закон Ньютона. Так-то.
>>120811
>>120812
Безоткатная пушка.

Аноним Втр 01 Апр 2014 21:50:50  #264 №120870 

>>120842
Сила Лоренца хуй ложила на третий закон Ньютона, проблема только в этом. Отдача и разгон снаряда никак не связаны.

Аноним Втр 01 Апр 2014 22:50:19  #265 №120874 

>>120870
Они связаны через непрерывность и замкнутость тока. Для любого участка, по которому течёт ток, существует противолежащий ему участок, в котором сила Лоренца будет действовать в противоположном направлении.

Аноним Срд 02 Апр 2014 09:32:32  #266 №120897 DELETED

>>120874
Анон, а если так? Хотя бы просто наебать систему, без профитов - черные дыры за собой не потаскаешь.

Аноним Срд 02 Апр 2014 14:13:58  #267 №120923 

>>120897
ее масса, ее заряд и ее момент количества движения. Эти три основные характеристики сохраняются при образовании черной дыры и определяют геометрию пространства-времени вблизи нее.

Дыры зарядятся и будут отталкивать частицы, которые ты пытаешься в них слить.

Аноним Срд 02 Апр 2014 18:55:49  #268 №120953 

>>120923
Окей, чтобы не тревожить момент движения черной дыры будем сливать частицы по касательной, чтобы они заходили на орбиту вокруг дыры и излучали, пока дыры не зарядились этот механизм будет работать? Мы нарушим закон сохранения импульса?

Аноним Срд 02 Апр 2014 18:59:38  #269 №120955 

>>120897
>>120923
>>120953
К тому же дыры можно расположить "спереди" от генераторов пар частиц и, таким образом, импульс дыр будет коллинеарен импульсу снаряда. Частицы при рождении из кванта рисуют под углом 90 градусов, да и похер на угол, в крайнем случае дыры будут разбегаться в стороны при 180 и это нормально.

Аноним Срд 02 Апр 2014 19:15:48  #270 №120959 

>>120953
>пока дыры не зарядились этот механизм будет работать?
Конечно, причем долго, миллиарды лет - емкость дыр чудовищная.

Аноним Срд 02 Апр 2014 21:17:08  #271 №120980 

>>120959
Т.е. таким образом мы наконец-то наебали систему?
Кстати, можно обойтись без дыр, античастицы направлять на рельсы из антиматерии и стрелять антиснарядами в любую(sic!) сторону на случай если там будет антиимпульс.
Закон сохранения импульса всосал?

Аноним Срд 02 Апр 2014 21:25:29  #272 №120984 

>>120980
>Закон сохранения импульса всосал?
Он давно всосал. Суть в том, что согласно всем данным - эта вселенная нематериальна. Правила в ней мы определяем сами. Так что всегда обходим законы (придуманные нами же, вот лол), когда этого хотим.

Аноним Срд 02 Апр 2014 21:33:10  #273 №120985 

>>120984
Как мне сделать, чтобы еот твоя мать мне сама предложила пососать мой хуй, петух ты нематериальный?

Аноним Срд 02 Апр 2014 21:39:47  #274 №120989 

>>120721
У этого хитрого армяна есть вариант с транзистором вместо разрядника?

Аноним Срд 02 Апр 2014 21:52:11  #275 №120990 

>>120953
>этот механизм будет работать

Разумеется, нет, даже не надейся. Я указал лишь самый первый пришедший в голову косяк этого механизма.

Аноним Чтв 03 Апр 2014 10:06:14  #276 №121015 DELETED

>>120990
Анончик, хороший, а еще какие косяки?

Аноним Вск 06 Апр 2014 21:35:30  #277 №121284 

x-shoker.ru/news/kolcevaja_vysokovoltnaja_katushka_dlja_ehshu/2013-04-21-206
Артуркасьян изобрел тороидальный высоковольный трансформатор. Аноны, так правда можно? Как посчитать индуктивность такой катушки?

Аноним Вск 06 Апр 2014 21:40:36  #278 №121285 

>>120989
Есть вариант без транзистора и разрядника. Юзай умножители и придуманный ИТТ метод с 4-мя электродами.

Аноним Чтв 10 Апр 2014 09:09:26  #279 №121635 DELETED

>>121285
Нет. Нужен вариант с транзистором.

Аноним Чтв 10 Апр 2014 12:34:53  #280 №121643 

>>121635
Я уже чувствую запах паленой пластмассы транзистора который не смог ~2500 вольт.

Аноним Чтв 10 Апр 2014 19:03:46  #281 №121655 
1397142226981.jpg

ОП, когда будет готова финальная схема? Будем собирать всем двощем.

Аноним Птн 11 Апр 2014 00:45:38  #282 №121672 

>>121655
>когда будет готова финальная схема?
Такими темпами - никогда. Мнения в треде раздеиись - адекваты ушли в сторону умножителей и марксов, механиеской коммутации, неадекваты - в стороны высоковольтных ключей.
И по генераторам мнения разделились: большинство охаивает резонансники, меньшинство - превозносит.
И по элементной базе непорядок: кто-то лепит на электромагнитной индукции, кто-то на логике, кто-то предпочитает механику, кто-то вообще ушел в сторону МК.
И собственно по целям тоже хаос: одни хотят мегаваттные разряды, другие предлагают использовать не мощность а частоту.

В общем надо провести дебаты по каждому вопросу и раз и на всегда определить сферы применения того или иного варианта, эффективности, достоинства и недостатки. Тогда можно будет сформировать единые требования к шокеру /hw/, и на основе этих требований легко выбрать его описание - какой и сколько генераторов, какая коммутация, мощность и частота, элементная база.

Аноним Птн 11 Апр 2014 08:39:30  #283 №121706 DELETED

>>121672
>адекваты ушли в сторону умножителей и марксов, механиеской коммутации, неадекваты - в стороны высоковольтных ключей
Да ты ебанутый похоже. Как ты определил что адекватно, а что нет? И что за механическая коммутация с умножителем? Умножительная поебень позволит использовать только ключи без разрядников, дает громкие ужасающие хлопки разрядов, но сильно ограничена в эффективности. Объединение ключа с его высоким КПД и трансформаторного выхода с его возможностью передачи разряда конденсатора по "злой" схеме - это же кошерно, разве нет?
>>121643
А тебя заставляет коммутировать транзистором 2500 вольт? Можно снизить напряжение первичного преобразователя до допустимых 400-500 вольт и коммутировать тиристором, например, потерь на ключе меньше 90% как при разряднике и трансформатору достанется больше.

Аноним Птн 11 Апр 2014 14:45:51  #284 №121722 

>>121706
> Как ты определил что адекватно, а что нет?
Ну ты вот например неадекват - меряешь какую-то эффективность в вакууме, не определившись с задачами, какие-то хлопки в недостатки записываешь, ключу приписываешь высокий кпд, транзисторному, высоковольтному - это пиздец просто. Ты их хоть в руках держал, эти "эффективные" ключи? Любой транзистор за 2 рубля в 100 раз эффективнее них.

Аноним Птн 11 Апр 2014 14:47:13  #285 №121723 
1397213233512.jpg

>>121672
Про разделившиеся мнения это было понятно изначально. Речь идёт о приоритетах.
Если не тяжело, можешь запилить схемы с треда в пару постов и снабдить их кратким комментарием (те же плюсы и минусы схемы или возможные проблемы, недоработанные моменты).
Сам эту тему только начинаю постигать, но есть возможность посоветоваться со знающими людьми. Может будут интересные мысли по этим пунктам.

Аноним Птн 11 Апр 2014 15:40:57  #286 №121727 DELETED

>>121722
Злая схема с конденсатором закачивает больше энергии в объект воздействия. Схема с умножителем окажется у тебя в анусе при любых раскладах, адекватный ты наш.
Обоснуй, пожалуйста, меньшую эффективность ключа по твоему мнению.
>>Любой транзистор за 2 рубля в 100 раз эффективнее них.
>>них.
Это кого? Транзистор за 2 рубля эффективнее транзистора? Ты упорот штоле?

>>121723
Вот тебе схемы.
>>117967 - рабочая, хорошая, капризная в руках латентных глиномесов.
>>118694 - нужна хорошая изоляция. Очень хорошая. И умножитель должен выдерживать напряжение ВВ части. Армян пытается компилировать идеи не вникая в суть.
>>118796 - блокинг генератор, сложная, неэффективная, капризная. Не нужна.
>>119150 - рабочая, ЗШ, из второго креатива.
>>120694 - китайская зажигалка для газа.
Первичные преобразователи придуманы - каждый дрочит как он хочет, арийцы-гетеросексуалы делают пуш-пул, остальные могут обратноход, совсем поехавшие пусть делают блокинг.
Необходимо разработать высоковольтную схему, таким образом, чтобы она давала начальный импульс в 50 кВ с крутым фронтом, и затем поддерживала зажженный разряд напряжением в 300-2500 вольт от первичного преобразователя, чтобы после первого же разряда загоралась дуга, пуш пул это позволит. Отправная точка - ИЗУ для питания мощных газоразрядных ламп и/или лазеров.

Аноним Птн 11 Апр 2014 17:47:28  #287 №121732 

>>121727
>Злая схема с конденсатором закачивает больше энергии в объект воздействия.
Ну я об этом и говорил - опять же несешь какую-то ахинею про больше энергии в вакууме, не определившись с задачами.
И хуле твоей больше энергии? Насколько больше? Тут анон уже предлагал 200 джоулей в течении 2-х минут на коленке и без конденсаторов, твой злой кондер всего пару джоулей отдаст. И хуле толку от этих 200 джоулей? Ты собрался дефибриллятор делать или электрообогреватель для прожарки мяса?
В этом твоя ошибка - ты как дебил вцепился в зубами в какой-то конденсатор, не понимая зачем он тебе вообще нужен. Тут аноны уже пришли к выводу, что лучше блокировать мышцы частотами чем энергией. И более безопасно и более надежно.
>Обоснуй, пожалуйста, меньшую эффективность ключа по твоему мнению.
Высоковольтные ключи - это днище по параметрам. Это тебе любой скажет. Достоинство у них только одно - то что не сгорают сразу на таких напряжениях, в отличии от 12-ти вольтных ключей.

Аноним Суб 12 Апр 2014 07:55:28  #288 №121771 

>>121732
>> Тут аноны уже пришли к выводу, что лучше блокировать мышцы частотами чем энергией.
Ты ебаный дегенерат, мама не хотела, а папа не старался собрался частотами блокировать мышцы. Ты понимаешь, что ты пишешь, мудак блять? Отклик мышцы на электровоздействие, глубина проникновения в тело в зависимости от частоты? Прочитай хотя бы пару абзацев о миостимуляции, мартышка тупая, когда я увижу что ты понял свои ошибки, тогда поговорим, а сейчас я буду тебя игнорировать.
Ты хотя бы знаешь, какие у транзистора есть параметры, кроме цвета корпуса и длины ножек, пидор?

Аноним Суб 12 Апр 2014 09:44:29  #289 №121773 

>>121732
>лучше блокировать мышцы частотами чем энергией
Доводилось раньше играться с преобразователями напряжения(до около 800-1000 вольт):
- Низкочастотные (точно не скажу, трансформатор гудел почти как от розетки) - при попадании на руку, просто отдергиваеш ее, неприятно не более
- Высокочастотный (примерно как у "ультрозвуковых" отпугивателей комаров) - искра очень маленькая: при касании на кожу ничего не почувствовал, через некоторое время ощущение что слегка дотронулся до паяльника +запах паленой кожи.
- Случайно разрядил на себя высоковольтный конденсатор:
Страшная боль, палец которым я дотронулся до кондера, онемел на несколько минут после довольно длительное время ощушение слабости.

Аноним Суб 12 Апр 2014 10:11:39  #290 №121776 

>>121773
Не уходи, пожалуйста, ты, вроде нормальный.
ВЧ идёт по поверхности сжигает кожу, а боли не несёт, разве что ожог. Конденсатор формирует импульс с резким фронтом - наиболее эффективный способ воздействия на мышцу и нервную систему в целом.
А тот пидор хочет мыслящего анона подписать род свой ебаный бред.

Аноним Суб 12 Апр 2014 12:58:03  #291 №121784 

А ежели на выход умножителя подцепить конденсатор определенной емкости? Там вам и импульс нужной формы сформируется и частота понизится.
мимо

Аноним Суб 12 Апр 2014 14:05:11  #292 №121787 

>>121784
У этого конденсатора будут ГАБАРИТЫ.

Аноним Суб 12 Апр 2014 15:27:36  #293 №121793 

>>121787
Нормальные габариты. Например 100нФ дисковая керамика кВ на 30.
vip-cxema.org/index.php/home/shokery/127-dalnejshee-razvitie-samogo-moshchnogo-shokera

Аноним Суб 12 Апр 2014 16:58:33  #294 №121798 

Почему бы не апнуть эту схему? Автор писал, что его эшу сильнее злого.
http://vip-cxema.org/index.php/home/shokery/45-samyj-moshchnyj-elektroshoker-aka-22m

Аноним Вск 13 Апр 2014 08:06:59  #295 №121853 

>>121793
45 Джоулей, а потом снова медленный заряд через большое сопротивление высоковольтных диодов. Конденсаторы умножителя тоже нужны, считай, понимай.
>>121798
У этой схемы проблема в авторе, он делает хорошо и много, но не понимает сути и получается хорошая реализация плохой идеи. В его высерах и блокинг лучше двух такта местами. А если учесть количество рекламы на их сайте - это все маркетинговая компания и воспринимать его всерьёз - глупо.

Аноним Вск 13 Апр 2014 23:01:22  #296 №121911 

>>121853
>не понимает сути и получается хорошая реализация плохой идеи
Но ты же хотел МОЩИ. Что тебе еще не хватает?

Аноним Пнд 14 Апр 2014 07:25:37  #297 №121926 DELETED

>>121911
Но там нет МОЩИ, умножительное говно может убить, если попадешь куда нужно, а может и просто ушшыпнуть и всё. Для предсказуемого эффекта лучше прокачать через объект пару десятков кВт.

Аноним Пнд 14 Апр 2014 09:17:02  #298 №121929 

>>119150
А не проще ли на данной схеме увеличить количество обмотки трансформатора? На обоих разом.

Аноним Пнд 14 Апр 2014 09:25:58  #299 №121930 DELETED

>>121929
но данная схема и так хороша!

Аноним Пнд 14 Апр 2014 10:26:55  #300 №121931 

>>121929
Не проще.
Лучше увеличить частоту разрядов на единицу времени. (поставить несколько конденсаторов которые будут разряжаться по очереди).
Есть тут аноны собиравшие шокер из 2-го креатива?
У моей сборки была низкая частота разрядов (примерно 10-20 гц.) - проблема в труднодоступности необходимых конденсаторов, использовал кондеры большей емкости.
Алсо результаты экспериментов:
1) Схема: высоковольтная часть из первого креатива, преобразователь из 2-го. Конденсаторы на 1500-1600 вольт 0.1 и 0.025 микрофарад соответственно (кондер большей емкости - боевой).
Результат: пышная искра почему-то зеленого цвета, запросто поджигает бумагу, зажигает лампочку. Про единичный разряд в палец я уже писал >>121773
Недостатки: Низкая частота (по сравнению с китайским шокером), большие габариты (трудно достать необходимые кондеры)
2) Та же схема конденсаторы меньшей емкости (2.2 нФ) на большее напряжение 2500в
Результат искра толщиной и частотой разрядов примерно такая же как у китайского шокера. Бумагу и лампочки не зажигает (как и китаец).
3) Схема: преобразователь из креатива, в высоковольтной части установлен самодельный умножитель напряжения (вместо конденсатора который разряжается на трансформатор), боевой конденсатор 0.1 мкФ 1500в.
Результат: пробил боевой конденсатор(ибо он теперь и по первой схеме не работает - слабая искра на выходе), искра как у китайского шокера но частота разрядов хуже.
Недостатки: пробил боевой кондер БЛЯТЬ!. Умножитель необходимо заливать эпоксидкой - умудрился разрядится сам на себя, и сжечь диод (диодный столб).

Аноним Пнд 14 Апр 2014 17:48:07  #301 №121956 

>>121931
>Есть тут аноны собиравшие шокер из 2-го креатива? У моей сборки была низкая частота разрядов (примерно 10-20 гц.) - проблема в труднодоступности необходимых конденсаторов, использовал кондеры большей емкости.
Низкая частота - проблема не в ВВ части, а в обратноходе, схема капризная, хоть и проволоки мотать надо меньше. Тебе следовало поиграться с зазором сердечника и параметрами импульсов накачки.

Аноним Пнд 14 Апр 2014 18:26:58  #302 №121963 

>>121926
>Но там нет МОЩИ, умножительное говно может убить, если попадешь куда нужно, а может и просто ушшыпнуть и всё. Для предсказуемого эффекта лучше прокачать через объект пару десятков кВт.
Но умножительное "говно" как раз этим и занимается - прокачивает сотни ватт целебной энергии, и естественно убивает - 120Вт не хуй собачий, это энергия снайперской пули на дальней дистанции, которая как известно убивает при попадании в любую часть тела.
Чтобы доставить боль или парализовать, столько энергии явно не нужно. А ты собрался какими-то киловаттами швыряться. Ты в своем уме?

Аноним Пнд 14 Апр 2014 22:02:59  #303 №122011 

>>121963
Умножитель не передаст большую мощность, а потери на нем выше, чем на разряднике, пойми это, пидарас.
Посмотри видео школьников сделавших злого и заметь, что дуга, зажигающая лампу горит ровно и нес треском, а шипением. Треск и хлопки, которые так любят пидарасы обусловлены постоянным пробиванием воздушного промежутка, а дуга ничего не пробивает, она горит в ионизированном канале и не шумит. Понимаешь? Смерть при разряде конденсатора происходит скорее от испуга - какой-то там шок, благо конденсатор создаёт нужные ощущения.

Аноним Пнд 14 Апр 2014 23:34:43  #304 №122027 

>>122011
>Умножитель не передаст большую мощность
А ему это не нужно, при такой-то частоте. Чем выше частота - тем меньше мощность на такт.
>потери на нем выше, чем на разряднике, пойми это, пидарас.
Схуяли?
>Посмотри видео школьников сделавших злого и заметь, что дуга, зажигающая лампу горит ровно и нес треском, а шипением. Треск и хлопки, которые так любят пидарасы обусловлены постоянным пробиванием воздушного промежутка, а дуга ничего не пробивает, она горит в ионизированном канале и не шумит. Понимаешь?
Я понимаю, что ты наркоман. Последний каскад умножителя снабжаешь более мощным кондером - и дуга перестает гаснуть. Чай на выходе и так постоянный ток - трещать там нечему, в отличии от разрядников.
>Смерть при разряде конденсатора происходит скорее от испуга - какой-то там шок, благо конденсатор создаёт нужные ощущения.
Смерть происходит не от испуга, а от шока. И это более чем реальный способ откинуть коньки, посчитав себя мужиком, не боящимся боли, смело разряжая в себя боевые разрядники на сотни ватт, на камеру. Не зря раньше бойцами практиковалась водка, а сейчас - морфин. Они помогают притупить чувствительность, и боец не умирает от шока.

Аноним Втр 15 Апр 2014 07:27:34  #305 №122047 DELETED

>>122027
>А ему это не нужно, при такой-то частоте. Чем выше частота - тем меньше мощность на такт.
Умножитель получает высокое напряжение на выходе не за один такт. До этого напряжения ему нужно зарядить выходной конденсатор, т.е. количество тактов еще вырастает в х раз, в зависимости от конденсаторов умножителя.
>Схуяли?
С рояля. Сопротивление высоковольтных диодов достаточно велико, чаще всего это столбы из нескольких диодов, падение напряжения на 1 кремниевом пн переходе не может быть меньше 0.5 Вольта - и это большая удача еще. Коэффициент полезного действия заряда-разряда конденсаторов умножителя не единичен - утечки в диэлектрике и др. При высоком напряжении даже малое сопротивление создает большое падение напряжения - это для проводников.
>Я понимаю, что ты наркоман. Последний каскад умножителя снабжаешь более мощным кондером - и дуга перестает гаснуть. Чай на выходе и так постоянный ток - трещать там нечему, в отличии от разрядников.
Ты траллишь меня? Но я покормлю, может быть не тебе, а кому другому это будет полезно. Более емкий конденсатор на выходе будет заряжаться дольше. Он даст более мощную искру, но реже. Умножитель не может в большой ток. Категорически.
>Не зря раньше бойцами практиковалась водка, а сейчас - морфин.
Тут ты и спалился, боец))))))))))0.
Тебя атакует пьяное быдло с концентрацией адреналина в крови 3.7%. Как ты думаешь, насколько глубоко в анусе у тебя окажется умножитель? Так что для умножительных лучше брать конденсаторы поменьше и никаких острых краев.

Аноним Втр 15 Апр 2014 15:58:34  #306 №122093 

>>117879
Вот имеется схема, что в ней не хватает или требуется изменить?

Аноним Втр 15 Апр 2014 19:28:52  #307 №122112 

>>122093
Заменить разрядник полупроводниковым прибором.

Аноним Втр 15 Апр 2014 19:35:40  #308 №122114 

>>122112
Школьников полон тред, там выбросы могут быть под 10кВ и выше, ебанутый. Твой полупроводниковый прибор пробьется в течение первых нескольких разрядов. Так что ставь электровакуумный прибор, коли уж тебе так хочется выкинуть разрядник.

Аноним Срд 16 Апр 2014 06:19:30  #309 №122146 

>>122114
О существовании супрессоров, демпферных цепочек etc знаешь, пидарас?

Аноним Срд 16 Апр 2014 18:04:03  #310 №122191 

>>122146
>>122114
Т.е. вопрос в чем именно? Увеличить частоты на выходе? Увеличить выходное напряжение? Или может выходную мощность?
Предъявите необходимые требования, а потом уже отталкиваться от них, что заменять, как улучшить, etc.
мимо

Аноним Срд 16 Апр 2014 19:22:45  #311 №122198 

>>122191
Удваиваю. Здешние пидорасы о ТЗ не слышали и кукарекают, понапрасну сотрясая воздух.

Аноним Чтв 17 Апр 2014 07:19:56  #312 №122231 DELETED

>>122191
>>122198
Ответ на твой вопрос здесь >>122112
Параметры должны быть такими, какие они есть сейчас.

Аноним Чтв 17 Апр 2014 09:45:47  #313 №122235 

>>122231
>Параметры должны быть такими, какие они есть сейчас.
Т.е. менять ничего не надо и так всё заебись?
Исходя из ОП-треда я понимаю, что нынешний трансформатор будет заменён на высоковольтный, дабы приблизиться к ИЗУ. Почему бы сразу его (ИЗУ) не использовать? Опасаетесь пробоя?
Какой в схеме вообще первичный трансформатор? Начинка, количество обмотки, etc ?
Что такое боевой трансформатор? Если не секрет. Ни разу о таком не слышал.
Подводя итог: в ОП схеме требуется заменить только часть на выходе, я всё верно понимаю? Следовательно начальная часть схемы всех и во всём устраивает?
Разрядник это вон тот квадратик с надписью 1400v? Сразу и не узнать.
Последнее: источник питания 7.2v может стоит заменить на что нить более адовое? Вообще что требуется от источника питания? БОльшее выходное напряжение? Или же бОльшая ёмкость?

Аноним Чтв 17 Апр 2014 11:10:26  #314 №122241 DELETED

>>117879

>>122235
Кароч, часть схемы в квадратике инвертер. Без разницы какая это схема, кто умеет в обратноходы - пусть делает обратноход, кто в двухтакты - двухтакт. Каждый дрочит как он хочет. Важно, что эта схема дает на выходе напряжение 300-2500 вольт. Часть схемы, находящаяся в квадрате "Высоковольтная часть" - это высоковольтная часть. Понимаешь? Квадратик 1400v - ты абсолютно прав, так обозначен разрядник. ИЗУ для ДНаТ дают ~4-8 кВ, автомобильного ксенона ~20 кВ, но я не верю. Эта схема уже является последовательным ИЗУ, в общем-то. Параметры первичного трансформатора для обратнохода и двухтакта немного отличаются - количеством витков, пропорциями витков, сердечником. БОЕВОЙ ТРАНСФОРМАТОР - очевидно, подразумевается высоковольтный трансформатор.
Твой итог абсолютно верный.
Если хочешь, можешь заменить источник питания на что-нибудь. Никто не против. Если сможешь, замени так же, пожалуйста, разрядник на транзистор. Очевидно, при такой замене придется снизить напряжение первичного преобразователя до 300-500 вольт и пересчитать выходной (боевой) трансформатор.

Аноним Чтв 17 Апр 2014 13:30:35  #315 №122254 

>>122241
Замена разрядника понизит частоту импульса? Из-за этого его требуется заменить на транзистор?
Сколько же будет выходное напряжение на высоковольтной части? Сколько планируется?
Как вещал товарищ выше: нам очень не хватает внятного ТЗ.

Аноним Чтв 17 Апр 2014 17:53:17  #316 №122290 

>>122254
>>частота импульса
ТЗ: нужно компактное устройство, выдающее в начале импульс 50 кВ мощностью 25-50 Вт, с резким фронтом как можно более. Длительность импульса может варьироваться в зависимости от тока, главное, чтобы интегральная мощность импульса была вышеуказанных пределах. После пробоя импульсом промежутка между электродами устройство должно поддерживать горящую дугу между электродами в пределах ёмкости аккумулятора - пока не сядет. Опционально - светодиодный фонарик. При гашении дуги процесс должен повторяться.

Аноним Чтв 17 Апр 2014 17:55:23  #317 №122291 


>>122290
Естественно, вместо разрядника должен быть полупроводниковый прибор.

Аноним Чтв 17 Апр 2014 18:33:43  #318 №122296 

Посоны, посоны, а как вы свои электрошокеры испытывать будете?

Аноним Чтв 17 Апр 2014 19:33:56  #319 №122305 

>>122296
Как, как - внезапно.

Аноним Чтв 17 Апр 2014 19:35:33  #320 №122306 

>>122290
А на выходе?

Аноним Чтв 17 Апр 2014 21:01:17  #321 №122308 

>>122306
А на выходе импульсный разряд в 50 кВ, а потом дуга с током ~0,1-1 ампер и напряжение между электродами 300-500 вольт. В ТЗ ясно написано: параметры разряда поджига и дуга с питанием от первичного преобразователя. Да, пушпул потяне 300 Вт от 12 вольт, авиамодедьный аккумулятор выдаст ещё в течение короткого времени, а большего и не надо.

Аноним Птн 18 Апр 2014 02:58:44  #322 №122333 
[url]

>>122296
как как. Обычно

Аноним Птн 18 Апр 2014 08:20:31  #323 №122340 

>>122308
Хули всего 50кВ, когда тут 15кк В
http://elektroshoki.ru/product_info.php?products_id=53

Аноним Птн 18 Апр 2014 11:23:08  #324 №122351 DELETED

>>122340
15 кк может ебнуть, лучше не надо.

Аноним Птн 18 Апр 2014 12:05:39  #325 №122353 

>>122351
Щито, простите, поехал что ли?
Там поебень за 1.5к продаётся, учитывая всё не самый топовый эшу. Мы же тут активно мыслим собрать самый лютый электрошокер, а твоя мычит
>может ебнуть, лучше не надо.
Удивляешь товарищ, удивляешь.

Аноним Птн 18 Апр 2014 12:14:12  #326 №122355 DELETED

>>122353
Шелдон Купер не может в сарказм.
Шелдон Купер - пидарас.
Пидарас не может в сарказм.
Ты не можешь в сарказм.
Пидарасам тут не место.

Съеби.
Ты прав, там поебень и при 15 МВ разряды будут хуярить во все стороны молниями, блять. Может по руке попасть и ебнет того, кто держит шокер. Вот.

Аноним Вск 20 Апр 2014 19:07:43  #327 №122489 
1398006463284.gif

>>121956
При перенастройке зазоров сердечника трансформатора выяснилось что он (сердечник) раскололся. Исправлено супер клеем.
Алсо в убитом ЭЛТ мониторе нашелся строчный транзистор: 2sc5589 http://www.datasheetarchive.com/dlmain/Datasheets-19/DSA-373476.pdf.
Планирую собрать что нибуть вроде пиклейтед.
Для высоковольтной батареи планирую использовать конденсаторы: 200V 1000mF (2шт) либо 400v 400mF (1шт из двух конденсаторов по ~200mF)
Высоковольтный преобразователь: обратноход Питание таймера 5вольт, питание транзистора от ВВ-батареи.
Суть проблемы:
1)Ограничить напряжение первичного преобразователя до 200-400в.
2)Рассчитать частоту ВВ-преобразователя так, чтобы батарея конденсаторов не разряжалась слишком быстро. (При неизвестной частоте первичного преобразователя).
3)Большие размеры конденсатора и строчного транзистора.
4)Расчет и изоляция выходного трансформатора. (Возможно это вообще будет строчник.)
5)Отсутствие свободного времени

Аноним Вск 20 Апр 2014 19:36:31  #328 №122492 

>>122489
Ограничивать напряжение обратнохода - только ОС. Еще одну обмотку на трансформатор или выводи с выходной обмотки - что потребует согласования потенциалов. Пуш-пул на такое напряжение был бы уместнее 2Х3=6 - первичка, 23Х3=69 витков вторичка и дроссель на гантельке.
Для начала определись со схемой ВВ преобразователя, а потом с частотой.

lamazoid или человек с его ником в одном из форумов упоминает о конструкции размером с пулю они там совсем ебанулись, хотя кто знает, личность неординарная и говорит, что непосредственно в качестве высоковольных трансформаторов пригодны трансформаторы с автомобильного ксенона, но с накачкой от 1400 вольт.

Аноним Чтв 24 Апр 2014 09:56:56  #329 №122873 DELETED

Симбиоз годноты схем шокеров ламазоида, фримена и безумного армяна.
Недостатки - в качестве первичного преобразователя пригоден только пуш-пул.
Пуш-пул питает умножитель напряжения на 2, заряжаться будет быстро, на выходе умножителя стоит высоковольтный коммутатор на тиристоре из мегашокера 4.2, с боевым конденсатором. Что мы имеем на выходе: полупроводниковая коммутация высоковольтной части. Тиристор будет надежно закрываться, поскольку после умножителя мы имеем импульсное напряжение с частотой в половину периода - это должно дать возможность тиристору закрыться. Реквестирую модели тиристоров для LTSpice и схемы их запуска, или объясните хотя бы как это работает в стандартных библиотеках - не могу понять судя по показаниям модели управляющий электрод тиристора замкнут с анодом хотя вроде так и есть на самом деле скиньте работающую несложную схему с тиристором и неонкой для примера.

Аноним Чтв 24 Апр 2014 13:47:39  #330 №122903 

>>122873
>тиристор
Но у тебя на схеме нет тиристора или это я в глаза ебусь?.

Аноним Чтв 24 Апр 2014 14:45:21  #331 №122910 

Хочу купить, что скажете? Хуйня или брать?
http://www.shoker3d.ru/elektroshoker-osa-1101-Police-e1442.html

Аноним Чтв 24 Апр 2014 15:48:45  #332 №122913 DELETED

>>122903
Ты прав, на схеме тиристора нет. Есть только умножитель, мне нужен пример модели с работающим тиристором, либо я криворук, либо не могу найти в библиотеке тиристор. Можешь кинуть в меня моделькой КУ202Н? Я выложу полную модель, которую представляю, но пока не смоделировал. Мысленный эксперимент показывает её работоспособность, если и модель заработает - попробую собрать.

Аноним Чтв 24 Апр 2014 15:53:04  #333 №122914 DELETED

>>122910
Напряжение 15,000,000 Вольт
Частота разрядов - 320 Герц
Время действия - 45 минут
Фонарь - имеется
Количество электродов - 6
Количество включений - 500,000
Работа без подзарядки - 12 мес.
Безусловно бери, это очень удачная модель, просто не имеет аналогов , дебил ебучий, съеби блять отсюда, ты заебал, купи, иди без страха и чтобы тебя убили нахуй и ты тут больше не появлялся.
Я слышал, правда, что среди таких шокеров встречаются недачные экземпляры, которые бывают крайне неэффективны.

Аноним Птн 25 Апр 2014 02:07:00  #334 №122954 

>>122914
15 мегавольт?
Лол, десятиметровые молнии, хуярящие из шокера-фонарика...
Я бы хотел себе такой шокер.

Аноним Птн 25 Апр 2014 03:58:03  #335 №122956 

>>122954
15 мегавольт дадут искру где-то в 15 метров. Надо прицел к шокеру приделать: прицелился во врага, и ебашишь искрой через полулицы.

Аноним Птн 25 Апр 2014 07:09:46  #336 №122959 DELETED

>>122954
Они будут в тебя хуярить, потому что ты ближе.

Аноним Птн 25 Апр 2014 08:28:51  #337 №122963 

>>122913
Моделей тиристора нет ,возьми транзистор с "идеальными" параметрами.
Я так понял умножитель питается напрямую от пуш-пула без использования трансформатора.
>пригоден только пуш-пул
Как вариант трансформаторный преобразователь напряжения 5-12 вольт, выходной выпрямитель естественно необходимо выпаять.

Аноним Птн 25 Апр 2014 08:44:39  #338 №122967 

>>122956
15000000 В / 3000 В/мм = 5000 мм = 5 м

Аноним Птн 25 Апр 2014 09:01:58  #339 №122968 DELETED

>>122963
>Я так понял умножитель питается напрямую от пуш-пула без использования трансформатора.
SOWSEM NYIET.
Пушпул дает на выходе симметричную относительно нуля синусоиду. Можно не пушпул, а любой другой двухтактный. Впрочем, я слукавил, можно и однотакт, только там умножитель немножко иначе строится, где-то я встречал статью про умножители и там описывались особенности.
>Как вариант трансформаторный преобразователь напряжения 5-12 вольт
Это что еще, куда и как?
Модели тиристора есть, но я не понял особенностей их работы. Моделирую реальную схему, а она не моделится. Транзистор с идеальными параметрами это не тиристор. Они сильно отличаются, мягко говоря.

Аноним Птн 25 Апр 2014 13:40:32  #340 №123005 

>>122967
3кВ/мм - цифра размытая и неточная.
Напряжение пробоя воздуха очень сильно зависит от температуры и влажности, от формы электродов.
В "Физике" Л.Эллиота/У.Уилкокса говорилось про 1кВ/мм для средней влажности воздуха, при н.у.

Аноним Птн 25 Апр 2014 16:30:06  #341 №123043 DELETED

>>123005
Оно ещё вроде нелинейно меняется от собственно разности потенциалов.

Аноним Птн 25 Апр 2014 19:00:36  #342 №123059 

>>123005
>3кВ/мм - цифра размытая и неточная.
Это скорее с запасом. Типа сколько мм сделать чтобы не пробило киловольтом? Лепи не меньше 3-х, авось не пробьет.

Аноним Суб 26 Апр 2014 10:14:46  #343 №123121 
1398492886390.jpg

>>122489
Собрал инвертор с транзистором 2sc5589.
Пока что схема работает хуже чем аналогичная КТ-805 вместо строчного транзистора: при подключении трансформатора транзистор и 555 таймер греются, а тр-р работает крайне слабо. Есть мнение что тр-р как-то питается от таймера.
Строчный транзистор судя по даташиту подключен правильно и вроде пока исправен.

Аноним Суб 26 Апр 2014 10:34:35  #344 №123122 

>>123121
Таймер греется, потому что через него слишком большой ток - поставь ключевой транзюк ему в помощь.
Транзистор греется, потому что либо слишком высокая частота для него, либо он работает в линейном режиме, либо слишком высокое сопротивление в ключевом режиме - снизь частотки до 500кгц и ниже, убедись, что тока достаточно для быстрой зарядки его емкости, а для снижения сопротивления замени его на полевик или включи несколько транзюков в параллель.
Ах да, и слишком большой ток через базу не гонят - ставь резюк, смотри в справочнике ток базы.


А вообще, если хочешь большой и чистой любви эффективный инвертор, слушай сюда:
Обратноходы неэффективны, и это ни для кого ни секрет.
Сейчас в ходу полумостовые двухтактники, с особой намотки трансами (импульсными низкоиндуктивными трансами). Но для них нужен ШИМ-драйвер, 555-ая тут не катит.

Аноним Суб 26 Апр 2014 13:20:53  #345 №123130 

>>123122
>поставь ключевой транзюк ему в помощь
Так и поступим.

>Транзистор греется, потому что либо слишком высокая частота
Частоту занижал (забыл указать).

>Обратноходы неэффективны
>полумостовые двухтактники
Строчный транзистор у меня всего один, зато 555-ых как грязи.

В будущем планирую подавать на транзистор напряжения до 700 вольт. В данный момент тестирую схему в качестве стандартного инвертора дабы не спалить схему.

Аноним Суб 26 Апр 2014 13:29:47  #346 №123131 

>>123121
Поставь резистор в базу транзистора, например - таймер будет меньше греться. Посмотри h21 транзистора в даташите, посмотри ток базы, ток через трансформатор, посчитай и подумай. Сюда лучше уж полевик лепить. МощЬЬные транзисторы любят большой ток базы.
Так же внемли советам >>123122, дабл все-таки.
И эта схема - это первичный преобразователь или высоковольтный? Для низковольтного - ставь КТ805 или полевик, для высоковольтного думай как питать таймер.

Аноним Суб 26 Апр 2014 13:33:34  #347 №123132 

>>123130
>>поставь ключевой транзюк ему в помощь
>Так и поступим.
Что подразумевается под "ключевым" транзюком и как ты хочешь поступить? Дарлингтон или еще один каскад предварительный?

Аноним Суб 26 Апр 2014 13:40:14  #348 №123133 

>>123131
Первичный преобразователь уже собран на полевике IRF3205 и довольно не плох.
Схема со строчным транзистором будет высоковольтным преобразователем.

Аноним Суб 26 Апр 2014 13:47:48  #349 №123135 

>>123132
Установлю предварительный каскад, если меня не устроит работа схемы с резистором в базе транзистора.

Аноним Суб 26 Апр 2014 14:00:41  #350 №123139 
1398506441536.png

>>123135
Тебя ждут неприятные сюрпризы, когда ты будешь питать эту схему от 700 вольт. Сначала сгорит таймер, потом к базе-эмиттеру транзистора приложится 700 вольт и транзистор тоже сломается.
Пикрелейтед - схема Дарлингтона - во входную базу резистор, предварительный транзистор можно чуть ли не КТ315. Но лучше тебе копать в направлении генератор на таймере->усилитель->трансформатор->высоковольтный транзистор, если хочется управлять таймером. Посмотри схемы БП АТХ, например, схемы сварочников, там прямоход, но не принципиально, главное - гальваническая развязка, чувствуешь, как шокер из "карманного" устройства становится "переносным"? Потому и рассуждаю тут полтреда, как бы можно запилить управление транзистором на "горячей" стороне.

Аноним Суб 26 Апр 2014 15:19:03  #351 №123148 
1398511143804.gif

>>123139
>Потому и рассуждаю тут полтреда, как бы можно запилить управление транзистором на "горячей" стороне.
А посмотри как красиво сделал анон http://radiokot.ru/circuit/power/supply/33/

Аноним Суб 26 Апр 2014 15:20:54  #352 №123149 
1398511254233.png

>>123139
Питание таймера в модуле высоковольтного преобразователя от 5вольт, питание строчного транзистора 700 вольт (как в гирлянде только роль тиристора выполняет транзистор).

Единственная "проблема" - общий провод: вся схема будет под довольно хорошим напряжением.

Аноним Суб 26 Апр 2014 20:04:37  #353 №123168 
1398528277566.png

>>123148
Ну, а что красивого? Решение тривиально - трансформаторная развязка. Качество ТL494 зависит от производителя, от серии, от фазы луны и настроения Аллаха, микросхема, как решение, очень удачна - своеобразный 555 таймер в мире ШИМов, но и много плохих экземпляров, тот товарищ взял UC, и чуть-чуть измазал говном TL. Таких решений на TL494 сотни. Лучше обрати внимание на китайские зарядники, предстаавляющие собой блокинг-генератор на 1 транзисторе и питаемый от сети, пересчет трансформатора, пониже частота, пошире импульс, но сделать это на блокинге - высший пилотаж.
>>123149
Почитай форум армяна, ганзу и стилратс. Есть такая проблема, как емкостная связь между элементами. Грубо говоря тебя, держащего в руках шокер может ебашить высоким напряжением от низковольтной части, где-то я видел расчет, там выходит единицы киловольт, не смертельно, но неприятно. Это решается тем, что кнопочку включения искрилки нажимают палочкой вынесенной на корпус, а кнопка остается внутри. У тебя же гальваническая развязка отсутствует. Как не всякая птица долетает до середины Днепра, так и не всякий pn переход выдержит киловольты даже очень кратковременно.

Аноним Вск 27 Апр 2014 11:04:30  #354 №123201 
1398582270353.jpg

>>123168
Воткнул в базу строчного транзистора 100 Омный резистор: Схема перестала греться, но по прежнему малоэффективна.

>гальваническая развязка отсутствует.
Предлагаю вариант /b/ на пиклейтед
Вместо транзисторного ключа оптопара.
Кондер должен заряжаться на напряжение 3-5в.
(А еще нужно как-то рассчитать трансформатор)

Дальнейшее развитие схемы - использование вместо оптопары какой-нибудь херни вроде индикатора заряда конденсатора, как на вспышке фотоаппарата только сигнал должен появляться моментально а не постепенно как на фотоаппаратах.

Аноним Вск 27 Апр 2014 11:08:55  #355 №123202 

>>123201
А что ты хочешь получить? Ток или напряжение? Просто для напряжения есть куда более простой и компактный маркс. А для тока тебе либо придется добавить электростанцию по питанию, либо снижать напряжение.

Аноним Вск 27 Апр 2014 11:10:18  #356 №123203 
1398582618244.jpg

>>123201
Вариант на поржать:
Использование второй батареи в "горячей зоне" которая разрядится в самый неподходящий момент.

Аноним Вск 27 Апр 2014 11:26:29  #357 №123206 

>>123202
>А что ты хочешь получить? Ток или напряжение?
Не понял вопрос.
Шокер должен вроде как силой тока валить, и при этом иметь достаточно высокое напряжение чтобы пробивать воздух/одежду.
>придется добавить электростанцию по питанию.
Для убойности кондер обычно ставят, например с1 на схеме тут >>118838

Аноним Вск 27 Апр 2014 11:55:59  #358 №123208 

>>123206
Ну так чому не запилить два генератора? Один пробивной, другой силовой?

Аноним Вск 27 Апр 2014 12:23:01  #359 №123209 

>>123208
В обоих схемах >>123201 >>123203 и подразумевается использование второго генератора связаного с высоковольтным транзистором через оптопару.


Аноним Вск 27 Апр 2014 12:32:18  #360 №123210 

>>123208
Требуется заменить газовый разрядник транзистором же.

Аноним Вск 27 Апр 2014 15:18:59  #361 №123219 

>>123201
>Дальнейшее развитие схемы - использование вместо оптопары какой-нибудь херни вроде индикатора заряда конденсатора, как на вспышке фотоаппарата только сигнал должен появляться моментально а не постепенно как на фотоаппаратах.
Медленно, но верно, ты приближаешься к схеме Мегашокера v4.2, только там тиристор... А "херня вместо оптопары" - неонка, которая зажигается и открывает тиристор.

Аноним Вск 27 Апр 2014 19:29:52  #362 №123238 
1398612592857.jpg

Вброшу на всякий.

Аноним Вск 27 Апр 2014 20:27:58  #363 №123241 

>>123209
Да, но это наркомания в терминальной стадии: питать один от другого. Не проще ли запилить два параллельных, с гальваноразвязкой? И никакой ебли с оптопарами и фотонками.

Аноним Пнд 28 Апр 2014 00:33:08  #364 №123255 
[url]

Я просто оставлю это здесь.

Аноним Пнд 28 Апр 2014 06:33:06  #365 №123264 

>>123255
Не очень. Материал низкого качества - какой-то школьник записывал. Не может внятно обьяснить как и что работает, прогнал мутную телегу про намотку, забыв что схема то импульсная, спизданул про 680мкф, и вторая схема какая-то кривая.

Аноним Пнд 28 Апр 2014 08:25:50  #366 №123272 

>>123219
Emitter−Base Voltage = 5V у транзистора, если память мне не врет то неонка зажигается от ~60 вольт и проверять что она может сделать с транзистором не охота. Хотя неонку можно заменить динистором на 3-5 вольт если бы такие существовали в природе.

Да и схеме мегашокера нет трансформатора с ~5-ти вольтовой обмоткой, хотя суть похожа не спорю.
Хотя использование второй выходной обмотки тр-ра мне не очень нравится, мотал как-то транс преобразователя с 2-мя выходными обмотками - как результат при подключении нагрузки на вторую обмотку падало мощность на первой.

>>123241
>два параллельных, с гальваноразвязкой?
>И никакой ебли с оптопарами
>Подразумевая что это не один из способов гальванической развязки.

Аноним Пнд 28 Апр 2014 08:34:32  #367 №123274 

>>123272
>у транзистора,
У 2sc5589 естественно.

Аноним Пнд 28 Апр 2014 09:18:02  #368 №123279 DELETED

>>123255
Прокомментируй, пожалуйста, схему на 16 минуте, которую автор позиционирует как схему ЗШ. Скажи, почему она неправильная и, фактически, неработоспособна. И мы не будем всем тредом мочиться тебе на лицо и заставлять кушать хлеб у параши. Ты не бережешь наше время, заставляя смотреть хуйню, мужики не одобряют тебя.

Аноним Пнд 28 Апр 2014 09:23:42  #369 №123280 DELETED

>>123272
> динистором на 3-5 вольт
Стабилитрон и RC-цепочка. Неонка с делителем. - но это всё на любителя, если хочется повыебываться.
Главное отличие в том, что тиристор ключевой прибор и у него нет промежуточных состояний, а в транзисторе тебе нужно исключить линейный режим.
Как вариант - несимметричный мультивибратор о двух транзисторах, второй можно слабенький.

Аноним Пнд 28 Апр 2014 22:21:51  #370 №123316 

Аноны а что если объединить обычный шокер и новый лоск актив первичный инвертер?
Какие могут возникнуть сложности кроме дополнительной изоляции трансформатора инвектора?
А также проблемы при использовании гибрида шокер на умножителе напряжения + инвертер?

Аноним Втр 29 Апр 2014 07:36:22  #371 №123332 DELETED

>>123316
Нарисуй схему того, что ты придумал. В промышленных шокерах обычно ВВ часть слабая, а первичный инвертор везде с запасом.

Аноним Втр 29 Апр 2014 08:15:41  #372 №123333 
1398744941523.jpg

>>123332

Аноним Втр 29 Апр 2014 08:38:08  #373 №123334 DELETED

>>123333
Квадрипл, О_о.
На выходе дешевого китайского шокера умножитель, имеющий высокое выходное сопротивление, если только инвертор будет давать переменный ток, тогда, возможно ток инвертора пройдет через нагрузку и конденсатор умножителя. А может быть кто-нибудь из них сгорит по разным причинам. Попробуй соединить последовательно трансформатор и умножитель и посмотри, что будет.
Только в инверторе должен быть выпрямитель с диодами, которые разъебутся высоким напряжением от шокера, а переменкой нет смысла щекотить.

Аноним Втр 29 Апр 2014 08:54:45  #374 №123335 DELETED

Способ закрывания тиристора http://kazus.ru/shemes/showpage/0/339/1.html

Аноним Втр 06 Май 2014 12:41:03  #375 №123861 DELETED

Ну что, собрали шокер?

Аноним Втр 06 Май 2014 12:52:00  #376 №123864 

>>123861
Нет. Там это, денег надо, рублей 200. Ну откуда их взять?

Аноним Втр 06 Май 2014 13:14:47  #377 №123866 DELETED

>>123864
Попробуй минетами заработать.

Аноним Втр 06 Май 2014 13:49:56  #378 №123867 

>>123866
Недостойно это славного имени радиолюбителя, дружок. Лучше с завтраков откладывать, глядишь за год накопят на шокер.

Аноним Суб 10 Май 2014 23:33:14  #379 №124175 
1399750394493.jpg

Привет пушистики, мой второй ЗШ. Да, знаю, что заливать эпоксидкой - так себе идея, но нормальный корпус только заказал, а лепить из марли с эпоксидкой - технология уровня колхоза глубокие залупы. Инвертор собран на UC3845, питается от аккума с хоббикинга. Выходной транс - самая злоебучая деталь, он выточен на станке из фторопласта и залит эпоксидкой Pebeo Gedeo под вакуумом. Частота разрядов - 58 герц, амплитуда ~800 вольт. Биотесты проводились на добровольцах по ногам и на алкашах в грудак, результатами я более чем доволен. Спрашивайте ваши ответы. Мяф.

Аноним Вск 11 Май 2014 00:28:00  #380 №124179 

>>124175
>Привет пушистики
>Мяф
>Спрашивайте ваши ответы
Под хвост балуешься?

Аноним Вск 11 Май 2014 00:38:49  #381 №124180 

>>124179
А то, но к делу это не относится.

Аноним Вск 11 Май 2014 00:39:15  #382 №124181 

>>124175
Крошащееся хрупкое говно.

Аноним Вск 11 Май 2014 01:27:06  #383 №124185 

>>124181
Если со всей дури об асфальт не долбить то норм. На будущее нормальный корпус из полиамида заказал.

Аноним Вск 11 Май 2014 01:37:18  #384 №124186 

>>124175
А что у тебя аккумулятор от телефона чтоль стоит? У него же защита срабатывает если ток слишком большой течет.

Аноним Вск 11 Май 2014 02:00:19  #385 №124187 

>>124186
В глаза ебешься? С хоббикинга аккум с токоотдачей 65-120C.

Аноним Вск 11 Май 2014 11:27:03  #386 №124215 

>>124175
Ты молодец. Расскажи мужикам о первичном преобразователе, о тм что нужен зазор, расскажи про разрядник.

Удивленный ОП. Думал, что тред уже смыло.

Аноним Вск 11 Май 2014 16:37:53  #387 №124245 

>>124215
Так что повторять, Ламазоид все расписал. Первичный преобраз - там все элементарно, единственное - посоветую все же поверх обмоток первого транса наматывать изоляцию перед заливкой виксинтом, у Ламы на фотках трансы без нее - один такой транс у меня пробило на сердечник. Зазор - два бумажных кружка, после чего фиксируем сердечник клипсами и заливаем виксинтом или парафином под вакуумом. Разрядник - плановый, Epcos, есть почти в любом магазине в ДС. Самый гемор - с выходным трансом, каркас для него надо точить на токарном станке, для первого шокера делал из куска водопроводной трубы и пропиливал ножовочным полотном - вышло говнище, шило сквозь фторопласт на сердечник. Заливал его эпоксидкой Pebeo Gedeo - сука дорогая, брал за 2200 р 750 мл, но зато по консистенции как вода и с отличными диэлектрическими свойствами. ЭД-20 не используйте для заливки транса, будет шить! Вакуумировал в лабораторном эксикаторе при давлении ~80 мм рс. По деньгам обошлось примерно в 1500 р. В общем это далеко не последний мой шокер.
ОП, а чему тут удивляться? Не все же кукаретики, тем более конструкция совсем не сложная, было бы желание, немного денег и прямые руки.

P.S.
Кстати все хочу сделать радиоуправляемый электрошоковый металлический ошейник послушания, для человека естественно. Сейчас ебусь с MRF49XA, на передачу работают, а на прием что-то нифига, хотя все делаю по мануалу. Мяф.

Аноним Вск 11 Май 2014 16:39:27  #388 №124246 

А да, Ламазоиду разумеется за сие изобретение всяческий респект и уважуха. Мяф.

Аноним Вск 11 Май 2014 17:27:15  #389 №124254 
1399814835780.jpg

>>124245
Суть треда не в разборе поделки Ламазоида, она проста и гениальна, а в замене разрядника полупроводниковым прибором.

Аноним Птн 16 Май 2014 12:49:12  #390 №124754 DELETED

А можно сделать прибор, который мог бы выжигать RFID метки? Очень надо, помогите, посоны. Желательно метров с двух. Полагаю, это должен быть повышающий преобразователь, заряжает конденсатор и разряжает его на низкоиндуктивную катушку. У меня пират который металлодетектор создавал помехи таким образом.

Аноним Птн 16 Май 2014 13:13:17  #391 №124755 

>>124754
>выжигать RFID метки
>метров с двух
Вундервафля вроде ЭМИ бомбы.
Есть такая информация что электрошокер может но не гарантирует повредить электронику только с очень близких расстояний. Не разряжаясь напрямую в прибор естественно.

Аноним Птн 16 Май 2014 18:05:33  #392 №124797 

>>124755
>Вундервафля вроде ЭМИ бомбы.
Так я ж понимаю. Но RFID метка приспособлена для приема эм-волн, следовательно, необходимо индуцировать в её приемной катушке импульс в несколько киловольт и будет счастье, не?

Аноним Птн 16 Май 2014 21:00:15  #393 №124844 

>>124797
Смотря для чего тебе нужен дезинтегратор RFID, к примеру если ты нашел ее у себя на одежде, думаю достаточно будет ее оторвать и выбросить, срезать ножиком катушку, ебнуть ее молотком или шокером.
>индуцировать в её приемной катушке импульс в несколько киловольт
Полагаю будет достаточно <100 вольт чтобы в радиометке сдохла микросхема.
Полагаю эта хрень работает на высокой частоте, на которой полупроводники не могут в большое напряжение;
Как вариант клистрон или магнетрон засунуть метку в микроволновку или постоять в чипованных шмотках перед мощным радаром попутно облысев и лишившись возможности завести потомство.

Если интересуют антикражные датчики в магазинах, то вроде они не относятся к RFID. Где-то на ютубе лежит видео где дядя разбирает один из таких датчиков найдя внутри колебательный контур. Катушку с конденсатором.
Как то так.

Аноним Птн 16 Май 2014 22:26:57  #394 №124851 

>>124844
>Если интересуют антикражные датчики в магазинах, то вроде они не относятся к RFID. Где-то на ютубе лежит видео где дядя разбирает один из таких датчиков найдя внутри колебательный контур. Катушку с конденсатором.
Именно так. Причем на кассе их не отклеивают, а "пробивают" индукционной катушкой.
На выходе стоят рамки, генерирующие слабое ЭМ-поле частоты, на которые настроен контур в метках. Как только метка попадает в поле рамок, она "отзывается" на их излучение, срабатывает сигнал. На кассе же в девайсе похожем на ручной сканер штрихкодов, стоит мощный ЭМ-излучатель, поле которого наводит в контуре столь большие напряжения, что конденсатор просто пробивает.

Причем в случае с деструктором, киловольты на излучателе не нужны, нужен мощный магнитный поток, а это значит толстые обмотки и большой ток.
Магнитный поток можно сконцентрировать в сердечнике, чтобы он не убегал во все стороны, а был направлен в одну конкретную, что позволит уменьшить массу и мощность катушки, но нужно разнести полюса подальше, чтобы увеличить радиус действия. Чем сильнее их разнести, тем больше мощность получит контур на этих двух метрах.

Аноним Суб 17 Май 2014 12:32:09  #395 №124892 
[url]

>>124851
>на кассе их не отклеивают
Снимают магнитом же. Видеорелейтед.

А те которые по твоим словам "пробивают катушкой", как раз могут оказаться RFID метками с чипом внутри. И вероятней что их не пробивают, а стирают им память. Так например устроены электронные проездные метро на несколько поездок.

С другими по устройству метко-датчиками встречаться не доводилось.

Аноним Суб 17 Май 2014 13:58:49  #396 №124894 

>>124892
>Снимают магнитом же. Видеорелейтед.
Это для одежды - я такую разбирал, там хитрый механизм, чем сильнее тянеш, тем сильнее сержень зажимается. А магнит же поднимает стопорное кольцо, и зажим полностью снимается.
Но это днище - там схема непечатная, катушка из провода и керамический конденсатор.
А есть печатные метки - они пробиваются.
А еще есть ультразвуковые метки с двумя вибрирующими металлическими пластинками, это тоже днище, ибо ручная сборка -> дороже. И они тоже пробиваются, или же намагничиваются, хз, в общем тоже не снимается.
>А те которые по твоим словам "пробивают катушкой", как раз могут оказаться RFID метками с чипом внутри
Разбирал все три типа датчиков. В первом катушка из провода и конденсатор из керамики, во втором напечатанная катушка с напечатанным же конденсатором, в третьем - две металлические пластинки разной длины, никак не закрепленные, т.е. даже не электрические - реагируют на ультразвук.

Аноним Чтв 22 Май 2014 08:03:56  #397 №125485 DELETED

Бамп.

Аноним Втр 03 Июн 2014 10:44:57  #398 №126938 DELETED

Ну што блять, Теслы комнатные, уже ощутили анусом силу молний?

Аноним Втр 03 Июн 2014 11:37:46  #399 №126945 

>>126938
Кокоша, не все любят запихивать предметы в анус и дрочить, не проецируй.

Аноним Втр 03 Июн 2014 19:41:25  #400 №127065 

>>126938
Лол, один раз нес шокер в сумке-через-плечо, ЗШ включился, и ебнул меня в зад, было дело.

Аноним Втр 03 Июн 2014 21:21:04  #401 №127083 

>>127065
Это Зевс шутит. Ты, похоже, благословлен и теперь наносишь повышенный урон электрооружием.

Аноним Вск 15 Июн 2014 14:44:01  #402 №128383 
1402829041224.png

Снова призываю в тред экспертов по этой няше. Можно ли для трансформатора использовать сердечник с зазором 1.8мм?
Ш-образный, хз какой феррит, из обратноходового БП телевизора.

Аноним Вск 15 Июн 2014 18:16:51  #403 №128402 

>>128383
Можно. Эта няша будет работать даже если вместо сердечника ты засунешь свой хуй, только катушку, в случае использования хуя, нужно мотать покомпактнее, если хуй не ферритовый.

Аноним Вск 15 Июн 2014 19:48:23  #404 №128411 

>>128402
Ну, что заведется-то понятно. Мне нужно ещё чтобы хотя бы ватт 150 тянул и не прикидывался утюгом.
>даже если вместо сердечника ты засунешь свой хуй
Серьезно? Можно катушку без магнитопровода? Как это отразится на характеристиках?

Аноним Вск 15 Июн 2014 19:53:04  #405 №128412 

>>128411
Будешь стрелять спермой при попадании в резонанс.

Аноним Вск 15 Июн 2014 21:33:59  #406 №128426 

>>128411
На характеристиках хуево отразится, конечно же, но завестись может. Погугли индукторы на этой схеме. Для 150 Вт лучше без зазора, но можно и с зазором. Собирай трансформатор какой выйдет, только аккуратно все делай. Будет греться сердечник - увеличь индуктивность дросселя, не будет греться - уменьши, чтобы была выходная мощность нужная. При желании можно эти 150 Вт прогнать через колечко от 50 Вт ташибры.

Аноним Вск 15 Июн 2014 22:13:33  #407 №128432 

>>128426
>Погугли индукторы на этой схеме.
Да гуглил. Все мотают кто на что горазд, никаких расчетов и даже результаты скудно описаны. Все ещё что-то загоняют про качество конденсора, прям как аудиофилы какие.
>Для 150 Вт лучше без зазора
Ну, другого все равно на помойке не было.

Аноним Пнд 16 Июн 2014 09:05:20  #408 №128458 DELETED

>>128432
Какие тебе нужны расчеты? Здесь все расчеты http://ru.wikipedia.org/wiki/%D0%9A%D0%BE%D0%BB%D0%B5%D0%B1%D0%B0%D1%82%D0%B5%D0%BB%D1%8C%D0%BD%D1%8B%D0%B9_%D0%BA%D0%BE%D0%BD%D1%82%D1%83%D1%80 Индуктивность катушки с сердечником и без сердечника, естественно не одного плеча, а всей катушки.
Конденсатор нужен качественный пленочный, допускающий через себя большой ток, потому что резонансный ток при потреблении на ХХ меньше ампера может достигать десятков ампер, если контур высокодобротный и вообще.
Да пойдет 150 Вт и с зазором, дроссель поменьше сделаешь.

Аноним Пнд 16 Июн 2014 09:12:31  #409 №128460 DELETED

>>128412
>стрелять спермой

http://www.youtube.com/watch?v=fI60bMwf2Sk

Аноним Пнд 16 Июн 2014 18:08:59  #410 №128488 

>>128426>>128458
Спасибо за советы, нужен ещё один. В общем, все норм запустилось на 60кГц. Но когда цепляю нагрузку 100Вт лампочка верха синусоиды начинает жестоко срезать срезать и напряжение просаживается на треть. Как это устранить? На выходе мост+300мкФ.

Аноним Пнд 16 Июн 2014 21:23:18  #411 №128527 

>>128488
Ну нихуя себе дабл и еще и осциллограф есть и тянка, наверное, тоже есть, да? А я китайским тестером вот настраивал. Питание, небось, просаживается. Он очень легко может пожирать 40 ампер при 12 вольтах при хорошо намотанном трансформаторе. У меня так на 6 минуте горения дуги один транзистор сгорел, 37 ампер, по косвенным данным. Запили подробности с фотачками как что сделал.

Аноним Пнд 16 Июн 2014 21:25:30  #412 №128528 

>>128488
>>128527
Ах да, конденсатор после моста убери и/или дроссель добавь после моста.

Аноним Пнд 16 Июн 2014 21:28:02  #413 №128529 

>>128488
>>128527
Ах да, убери конденсатор или добавь дроссель после моста.

Аноним Пнд 16 Июн 2014 22:22:43  #414 №128533 

>>128527
Хоть и осцилкой, но и тянки нет, и ток свыше 2А нечем промерять. Питание просаживается всего на 8%, так что не из-за него.
>конденсатор после моста убери
Не могу, я же для лампочки делаю, лол. Нужна хорошая хоть какая-то постоянка.
>дроссель добавь после моста
Маленький (20-40мкГн) - ничего не меняет (разве что стартовать стал помягче), а побольше(600мкГн) вообще все к херам искревил и преобразователь завыл.
Что интересно, предыдущий, собранный по той же схеме выкладывал фоточки и осциллограмму в прошлом треде, около полугода назад страдал тем же эффектом - просадка при нагрузке >70-80Вт. Но там я первичку тонко намотал, так что не удивительно. Тут же все аккуратно делал и сечение певички зафигарил около 10мм2.
Похоже, это просто недостаток самой схемы в силу её простоты. Или у меня совсем руки не лежат к преобразователям. А для индукторов эти просадки не сильно критичны, вот и не обращают внимания.

Аноним Втр 17 Июн 2014 08:13:19  #415 №128558 DELETED

>>128533
Это ты из компового БП делал? Я был там. Ток измеряй милливольтметром: берешь резистор 0.1 Ом, последовательно с генератором и мерь на нем напряжение.
>Всего на 8%
Это критично, если при этом общее напряжение становится менее 12-13 вольт - транзистор до конца уже не открывается, начинает греться.
>Маленький (20-40мкГн) - ничего не меняет (разве что стартовать стал помягче), а побольше(600мкГн) вообще все к херам искревил и преобразователь завыл.
Куда ты его втыкаешь? Если после моста, перед конденсатором со стороны нагрузки, то симптомы какие-то странные.
Вот подумай: преобразователь во время одного полупериода заряжает конденсатор и питает лампу - неебический ток. Полуволна спадает, конденсатор разряжается на лампу - лампа довольна - конденсатор до конца разрядиться не успевает, на нем есть некоторое остаточное напряжение - понимаешь? - следующая полуволна будет заряжать его только после того, как напряжение генератора будет выше этого остаточного напряжения. Если у тебя есть несколько ламп - побалуйся, поменяй нагрузку и увидишь, что уровень среза будет перемещаться. Сам я не пробовал, осциллографа нет, но здесь был бы более уместен фильтр не из конденсатора, а как у обратнохода - дроссель и, параллельно источнику после моста, диод в обратном включении. И параллельно конденсатору керамику или пленочный. 60 кГц уже ВЧ - тебя убить не может, если только дугой пожарит.

Аноним Втр 17 Июн 2014 08:38:51  #416 №128563 

>>128558
>Это ты из компового БП делал?
Он самый. А тот ПН с тех пор в гараже сберегайки питает, ибо на большее не годен оказался.
>Если после моста, перед конденсатором со стороны нагрузки
Именно так.
>Вот подумай...
Да я понимаю, как фильтр на конденсаторе работает... Естественно, срез перемещается, в зависимости от нагрузки. Насчет дроссель+диод, интересно, попробую.
Пленочный на выходе тоже есть, конечно.

Аноним Втр 17 Июн 2014 09:10:57  #417 №128564 DELETED

>>128558
>обратнохода
Хотел сказать прямохода.

Аноним Втр 17 Июн 2014 19:56:21  #418 №128705 

>>128563
Не, никакие пляски с дросселями существенно делу не помогают. Ладно, буду использовать как есть, зато честные 100Вт тянет. Думаю, современная техника не сильно обидится, если ей вместо 311 будет 190.

Аноним Втр 17 Июн 2014 22:40:25  #419 №128736 

>>128705
Скажи, пожалуйста, а что там на осциллографе при включении дросселя? Вообще тут много путей - снизить частоту, например, увеличением конденсатора. Эта схема как автомобиль в базовой комплектации - под имеющиеся условия можно подогнать. Например, строчниковый феррит любит 15-20 кГц, еще пишут, что на 40 разгоняется, у меня осцилла нет, жаль, ябыпогонял.

Аноним Втр 17 Июн 2014 23:09:27  #420 №128742 

>>128736
>там на осциллографе при включении дросселя
Да качественно - то же самое: усеченная синусоида, немого искаженная. (Сейчас лень уже все снова развертывать, чтобы сфоткать осциллограммы) Тут ещё подумалось, что, возможно, входной дроссель тонковат. Попробую найти что-то потолще.

Аноним Срд 18 Июн 2014 12:28:49  #421 №128833 DELETED

>>128742
Пасиб.
Кстати, по поводу входного дросселя, возможно, ты прав, увеличить его нужно. При потреблении тока нагрузкой в максимуме и ток максимален, а значит и потребляемый ток в максимуме и дроссель заходит в насыщение. А без нагрузки он не успевает насыщаться.

Аноним Срд 18 Июн 2014 13:04:14  #422 №128853 DELETED

Этому треду не хватает няши!

sageАноним Срд 18 Июн 2014 13:41:37  #423 №128890 DELETED

>>128853
>Ваша жалоба принята

Аноним Птн 20 Июн 2014 15:00:28  #424 №129430 DELETED

Бамп.

Аноним Птн 20 Июн 2014 15:05:15  #425 №129440 DELETED

>>128853
Эта хуйняша лысеет, нахуй нужен такой пидар.

Аноним Птн 20 Июн 2014 15:07:01  #426 №129444 DELETED

>>129440
>лысеет, нахуй нужен такой пидар
Будто что-то плохое для пидора.

Аноним Птн 20 Июн 2014 15:27:47  #427 №129475 DELETED

>>129444
Пернула лысая маня.

Аноним Птн 20 Июн 2014 15:30:32  #428 №129480 DELETED

>>129475
Ну не знаю, кокош, Роб вон налысо побрился лет 10 назад и имеет успех. Но если тебе не нравится - накопи на имплантацию волосяного покрова. Потому, что скрывать лысину, зачёсывая на неё волосы - абсолютно не вариант.
И я всё же уверяю тебя - лысые геи тоже пользуются популярностью, у тебя будет много партнёров даже после стрижки. Кстати, многим понравится размазывать сперму у тебя на голове, тоже плюс.

Аноним Птн 20 Июн 2014 21:32:01  #429 №129615 

Аноны, собравшие зш кто-нибудь пробовал использовать готовый ВВ трансформатор? С трансформатором от тандера говно вышло.

Аноним Птн 20 Июн 2014 21:34:58  #430 №129618 DELETED

>>129615
Что такое тандер? Ты имел ввиду тайзер?

Аноним Птн 20 Июн 2014 23:37:35  #431 №129639 

>>129615
Однозначно только мотать и вакуумировать. Феррит из строчника, обточенный наждаком. Если ты из дс - могу сделать транс на заказ, у меня есть все оборудование и опыт нехилый в этом деле приобрел.

Аноним Суб 21 Июн 2014 00:55:08  #432 №129646 DELETED

>>129480
>нравится размазывать сперму у тебя на голове
Мне нравится твоя фантазия, продолжай.

Аноним Суб 21 Июн 2014 12:02:08  #433 №129677 
1403337728587.jpg

>>128833
Тебе спасибо, что помочь старался. Алсо, вот осциллограмма под нагрузкой (снята с первички). Деление - 20в, 5мкс.
Пляски с дросселем успехом не увенчались.

Аноним Суб 21 Июн 2014 12:30:06  #434 №129680 

>>129618
Я имел ввиду продукт конверсии советской оборонки за 600 рублей.
>>129639
Нет, я не в дс, а так бы купил.

Нагуглил: ламазоид пишет про трансформатор от ксенона.

Аноним Суб 21 Июн 2014 13:42:46  #435 №129690 

>>129680
Можно конечно от ксенона поставить транс, но с ним так себе результаты будут.

Аноним Суб 21 Июн 2014 14:22:25  #436 №129696 

>>120784
Вообще нормальные люди живут с 17-18, но я же убогий, мне не повезло и я подавал документы только в локальную шарагу.

Аноним Суб 21 Июн 2014 16:23:57  #437 №129712 DELETED

>>129696
>Вообще нормальные люди живут с 17-18
Вообще, нормальные люди живут отдельно с 7-8 лет, кто на помойке, кто на теплотрассе, кто в переходе метро. Главное - не зашкваривать себя жизнью с родителями. Особенно везёт в этом плане детдомовским.

Аноним Суб 21 Июн 2014 16:58:12  #438 №129719 

>>129712
Ты нормальный по твоей шкале?

Аноним Суб 21 Июн 2014 19:59:59  #439 №129764 DELETED

>>129677
Так это же звон затворов. Причина комплексная - поосадка источника и большая связь катушек генератора. Энергии недостаточно для уверенного управления транзисторами, я представлял несколько иное. Если будешь еще ковырять - запитай открытие затворов от другого источника - еще захочешь.

Аноним Суб 21 Июн 2014 22:04:39  #440 №129776 

>>129764
Просадка не должна сильно влиять - 11в, а у фетов уверенное открытие при 10. Вообще, не рискую щупом в затвор тыкать - емкость входа осцилки 200пф, боюсь все перехерачит. Насчет запирания, на днях попробую эмиттерный повторитель на затрворы повесить, больше чет ничего не приходит.

Аноним Суб 21 Июн 2014 22:29:09  #441 №129777 DELETED

>>129776
>эмиттерный
На флайбакорге такое было.
Скорость заряда затворной емкости, этот звон частое явление и при использовании драйверов. Разнеси катушку накачки и с`ема энергии на разные керны трансформатора и запитай точку, где соединяются затворные резисторы отдельно 13-16 вольт, базарю, будет работать заебись. 3.3 вольта использовал питанием силовой части, ток замерить не смог, но бп атх недовольно подвывал вентилятором.
Ты навел меня на мысьь откопать свою эту поделку и дополнить ее мелким обрптноходом для питания затворов без использования второго бп, только нахуй мне это нужно.

Аноним Суб 21 Июн 2014 22:45:41  #442 №129780 

>>129777
>отдельно 13-16 вольт
Пилить преобразователь для преобразователя... Но это видится наиболее простым. По крайней мере переделывать трансформатор точно не собираюсь.

Аноним Вск 22 Июн 2014 00:31:53  #443 №129786 
1403382713427.png

>>129780
Все-таки отдельный пн для затворов - слишком жирно. Вот так для начала попробуем.

Аноним Вск 22 Июн 2014 00:33:02  #444 №129787 

>>129786
мост там наоборот, ну все поняли

Аноним Вск 22 Июн 2014 09:18:32  #445 №129792 

>>129786
Вольтодобавка, оригинально, заметь у тебя напряжения сложатся. Амплитуда просадки тоже сложится. Лучше минус сделать общим, а силовой плюс через диод подключать для пуска.
>>129780
И преобразователь и трансформатор. Если не хочешь трогать трансформатор, то пили эмиттерный повторитель.

Аноним Вск 22 Июн 2014 20:26:32  #446 №129840 
1403454392418.png

>>129792
>пили эмиттерный повторитель
Так? Чет не заводится.

Аноним Вск 22 Июн 2014 21:42:08  #447 №129848 

>>129840
Найди на флайбеке тему про автогенераторный пушпул. Страницы с 40 по 50 примерно. Я с телефона.

Аноним Втр 24 Июн 2014 18:36:53  #448 №129959 
1403620613651.jpg

Мяф, пушистики, смотрите какой вопрос. Собираю радиоуправляемый электрошоковый ошейник для человека, я ебнутый, знаю, помимо времени воздействия хотелось бы регулировать мощность импульса. Как это сделать? Понятно, что коммутировать несколько конденсаторов, изменяя емкость, геморно. Организовать что-то вроде ШИМа? Миллисекунд 10 подача питания на шокер, миллисекунд 10 простой? Пока думаю это самый годный способ. Как минимизировать воздействие разряда на трансивер? Думаю экранировать его медной фольгой, а при получении сигнала на разряд заземлять антенну, чтобы не пожечь его входные цепи. Что еще порекомендуете? После того, как сделаю тестовый образец, нужно будет подумать о антивандалити. Да, в качестве шокера взял схему нло с инвертером на UC3845, транс на каркасе залит годной эпоксидкой, кондеры - неубиваемые evox rifa на 0,033 мкф, трансивер - rfm12b, управляет всем этим atmega8. Пока планирую собрать в пластиковом корпусе с ремешком и опробовать на себе, надев на ногу, дальше буду заказывать обруч из титана. Мяф.

Аноним Втр 24 Июн 2014 22:29:05  #449 №129975 

>>129959
На антенну повесь цепь грозозащиты, лалка. Из супрессора, например. Если схема злого, сделай схему как электрозажигалка и регулируй ширину импульса накачки, расстояние маленькое, одежды нет, десятки киловольт не нужны, вместо разрядника тиристор - регулировка напряжением на кондере, транзистор - регулировка шириной импульса.
Классно я придумал?

Аноним Втр 24 Июн 2014 22:54:05  #450 №129983 

>>129975
Сказал же что схема нло. Тиристор наверное поставлю. Еще есть мысли насчет защиты от закрытия электродов? В качестве защиты от попыток несанкционированного снятия думал разместить направленный заряд ТЭНа. Но это если заказчик одобрит, не факт что он захочет чтоб его игрушкам бошки поотрывало, лол. Мяф.

Аноним Срд 25 Июн 2014 10:22:43  #451 №130023 

>>129983
Про то, что нужно оставить закладку ты, я думаю, сам догадаешься?

Аноним Срд 25 Июн 2014 21:57:02  #452 №130126 

>>130023
Двачую, будет как с конструктором гильотины и сицилийского быка.

Аноним Срд 25 Июн 2014 22:03:04  #453 №130128 

а если установка Тариеля работает не только на видео то возможно работает она
на когда-то не учтенной массе частица Нейтрино ее от нашей только звезды вылетает больше чем света возможно что при определенных условиях
Нейтрино каким-то образом становится например электроном от сюда и прибавка в установке даже не нарушая закон сохранения энергии :roll:
PS просто мысли.
Земля со временем приобретёт колоссальный отрицательный заряд, и мы, по причине отталкивания одноимённых зарядов, разлетимся от неё в окружающее космическое пространство! Затем, достигнув напряжения пробоя, земля разрядится на луну огромным искровым разрядом, марс, венеру, солнце ну и т.д.
Закон сохранения заряда никому НИЗЯЯЯ нарушать! Поняли?

Аноним Чтв 26 Июн 2014 20:07:04  #454 №130178 

>>130128
Ты пишешь с ошибками, какой тебе генератор капаназы, тебе ремня надо дать и учебник и закрыть в чулане.

Аноним Чтв 26 Июн 2014 21:29:46  #455 №130184 

>>130178
Предварительно надев ошейник послушания.

Аноним Срд 02 Июл 2014 01:21:23  #456 №130524 
[url]

А таки зачем большие напряжения, тут имхо главное - ток. Видеорилейтед, думаю, уебал бы слона, порвав на куски. Смотреть с 15.30, дабы не скучать.

Аноним Срд 02 Июл 2014 05:38:04  #457 №130537 

>>130524
Хм, надо такое шлюхе подбросить, которая меня на ерохина променяла.

Аноним Срд 02 Июл 2014 17:25:20  #458 №130573 

>>130537
И не жалко тебе будет? Каждый такой кондёр 8к руб стоит.

Аноним Срд 02 Июл 2014 19:48:30  #459 №130581 

>>130573
Можно поджанккаперить. Вообще сам о таком думал, с капом 1500uFx450v и флайбэком по схеме Вальдемара, но недостатка два - габариты и необходимость прямого контакта с кожей объекта воздействия, что-то вроде игл. Хотя думаю запилю пруф-оф-концепт девайс в трубе из фторопласта, благо там работы на пару вечеров. Мяф.

Аноним Срд 02 Июл 2014 20:45:21  #460 №130588 

>>130524
>>130581
Дали им зш, нет, хочу жрать говно.
Ламазоид лично упоминал пиздатость ксеноновых трансформаторов, хуле 4 Ома вв обмотка. Поджигная схема таки нужна. Поставить такой в зш и ебашить. Маленькая индивидуальная машина судного дня. Чувак с прозрачным шокером, отпишись о ксеноне, если что знаешь в моей мухосрани от 1200 руб они, а я криворукий нищеброд вв трансформатор мне только покупать.

Аноним Срд 02 Июл 2014 20:48:33  #461 №130589 

>>130588
Такой конденсатор в качестве боевого, конечно же.
>>130581
А чем схема Вольдемара так отличается от типовой схемы включения UC?

Аноним Срд 02 Июл 2014 21:26:10  #462 №130592 

>>130588
>Дали им зш, нет, хочу жрать говно.
Так у этого поделия совсем другое назначение - ебошить наверняка, в наступательном режиме и исподтишка.
>отпишись о ксеноне
Так я уже писал - нормальный транс только самому делать, точить каркас на станке из цельного куска фторопласта, заливать под вакуумом нормальной смолой. Пробовал (просто ради эксперимента) с ксеноновым - еле-еле 2 см выжимает, что оче хуево, забил на это дело. Жил бы недалеко от дс - я бы тебе подарил годный транс, благо их кучу сделал. А так могу разве что посоветовать пройтись по помойкам^W автосервисам, вполне возможно что у них завалялись ксеноновые инверторы, которые они реализуют за бутылку или нахаляву. Ну или посоветовать транс от нло, в шприце, хотя как по мне - такая намотка в разы геморнее чем вариант с каркасом.

>>130589
>Такой конденсатор в качестве боевого, конечно же.
1500uF заряжается около 1-1,2 сек, а частота моего ЗШ - 58 Гц. Нужно что-то другое придумывать, например включать дугу после полной зарядки. Тоже попробую.

>А чем схема Вольдемара так отличается от типовой схемы включения UC?
Контролем зарядки кондера же, в зш она не нужна.
Мяф.
Прозрачный-шокер-кун

Аноним Чтв 03 Июл 2014 01:55:10  #463 №130608 
1404338110625.jpg

Вот такие. В шприце как видно из-за поверхностного натяжения остаются мелкие пузырьки, но они далеко от обмотки, поэтому некритичны.

Аноним Чтв 03 Июл 2014 01:57:51  #464 №130609 

Эти не для ЗШ, а для ошейника.

Аноним Чтв 03 Июл 2014 02:24:40  #465 №130613 

>>130608
А зачем ты запек в куб? Можно было несколько раз макнуть, пока толщина слоя не устроит, весь смысл в изоляции от пробоя между секциями: изнутри изолирует фторопласт, снаружи - слой смолы. Вон фторопласт толщиной всего в пару мм, и слой смолы можно было делать не сильно толще, а у тебя раз в 10 толще.

Аноним Чтв 03 Июл 2014 02:26:43  #466 №130614 

В анус себе макни. Вакуумировать обязательно чтобы смола пропитала всю конструкцию и (почти) не осталось воздуха.

Аноним Чтв 03 Июл 2014 03:32:02  #467 №130617 

>>130614
Смысла нет. Внутри секции пробьет и без смолы, и со смолой - витки уложены плотно. А если прошьет между секций, т.е. твой фторопласт - сколько воздух не удаляй, фторопласту это уже не поможет.
А вот сверху и маканием воздуха не остается. Главное что со фторопластом контакт смолы надежный - она к нему только так липнет. Есть ли он где-то еще - уже не важно, критичный участок именно между секций.

Аноним Чтв 03 Июл 2014 03:37:12  #468 №130620 

Рибята, на всякий случай напомню, что этот ваш "злой шокир" обладает низким нулевым вырубающим действием и годится только для игр в садо-мазо с вашей мамкой. По этой причине главное в его конструкции - это гладкий корпус с плавными линиями.

Аноним Чтв 03 Июл 2014 05:34:14  #469 №130623 

>>130620
>По этой причине главное в его конструкции - это гладкий корпус с плавными линиями.
Типа, мушку спили.

Аноним Чтв 03 Июл 2014 08:33:13  #470 №130629 

>>130620
Артур касьян, хватит срать на форуме, я твою мамку ебу.
P.s. Увидел на ютубе твой генератор свободной энергии, запатентовал? Почему в коментах говорят, что ты пидор и схему шокера на блокинге зажал? Это единственная твоя годная поделка же с годным описанием, а эти чуханы что-то кукарекают, что за хуйня?

Аноним Чтв 03 Июл 2014 12:50:49  #471 №130636 
1404377449688.jpg

>>130620

Аноним Чтв 03 Июл 2014 14:35:01  #472 №130639 

>>130620
Сьеби на свой чушокер, ара.

Аноним Птн 04 Июл 2014 16:13:05  #473 №130723 

>>130620
Пруфами подкрепить данное громкое заявление можешь? Я например своим ЗШ свалил мужичину раза в полтора крупнее меня. Скорее всего дело в том, что ты не можешь сделать плановый трансформатор, вот у тебя шняга на выходе и получается.

Аноним Птн 04 Июл 2014 16:35:38  #474 №130725 

>>130613
Можно было каждый слой в лавсан обернуть.

Аноним Птн 04 Июл 2014 17:02:29  #475 №130729 

>>130723
>свалил мужичину раза в полтора крупнее меня
Параметры самопального ЗШ и мужика в студию! Ну и куда щелкал и сколько секунд/минут/часов/итд?

Аноним Птн 04 Июл 2014 17:27:26  #476 №130732 

>>130729
Кг 100, щелкал в солнышко секунды 3, после чего выпихнул его из вагона и он опрокинулся, лол. Параметры выше писал.

Аноним Птн 04 Июл 2014 20:25:22  #477 №130741 
1404491122410.jpg

Раданы, давайте подумаем как можно разряжать кап оче большой емкости через дугу. Пока подумалось что-то вроде пикрелейтед, но прозреваю что большой ток от такого капа быстро убъет вторичку транса. Есть идеи?

Аноним Птн 04 Июл 2014 22:30:46  #478 №130742 

>>130741
Неа, по твоей схеме пробьет не воздух, а сам кап и тебе оторвет руку.
Все это у же придумано в лаповых лазерах, гугли параллельный и последовательный поджиг.

Аноним Птн 04 Июл 2014 22:49:35  #479 №130743 

>>130732
Сознание потерял?

Аноним Птн 04 Июл 2014 22:53:22  #480 №130744 

>>130743
Не был в сознании, но согнулся и стонал.

>>130742
О, спасиб за инфу.

Аноним Птн 04 Июл 2014 23:02:25  #481 №130745 

>>130741
Сука, мудак, самый умный, тебе дана схема, блять, нет, нахуй, говно блять.

Аноним Суб 05 Июл 2014 03:00:14  #482 №130758 

>>130745
Мудилка, кончай ебаться в глаза и читай тред прежде чем что-то спиздануть.

Аноним Суб 05 Июл 2014 03:16:40  #483 №130760 

>>130741
Тут былa oднa схемa диaгoнaльнoгo рaзрядa: электрoды выстрaивaются прямoугoльникoм, кoрoткие стoрoны зaпитывaются oт двух гaльвaнoрaзвязaнных генерaтoрoв, oснoвнaя зaдaчa кoтoрых - устaнoвить нaдежный кaнaл через oдежду и вoздух. В диaгoнaль включaется мoщный кoндер и питaется oт третьегo гaльвaнoрaзвязaннoгo генерaтoрa.
Кaк тoлькo oбе бoкoвые стoрoны устaнoвят кaнaл, пoлучaется, через негo будет зaмкнутa диaгoнaль с мoщным кoндерoм, и oн рaзрядится.
Т.е. кoндер срaбaтывaет aвтoмaтически, и тoлькo в тoт мoмент, кoгдa oн дoлжен срaбoтaть. Никaких пустых рaзрядoв и пустoй трaты энергии: бoкoвые генерaтoры мoжнo питaть микрoтoкaми, лишь бы искры были, бoльше oт них ничегo не нужнo, oснoвнaя мoщнoсть включaется именнo в диaгoнaль.
Тaкoй шoкер мoжет суткaми держaть искрoвoй кaнaл, прaктически без рaсхoдa энергии, пoкa ктo-нибудь не зaмкнет диaгoнaль, и лишь тoгдa вся нaкoпленнaя энергия пoйдет в искру. Этo кaк шoкер с aвтoнaведением - нaжaл кнoпку и тычь кудa хoшь, не oтпускaя - пoкa кoндер не нaйдет себе дoстoйную цель, зря oн рaзряжaться не будет, и бaтaрейку жрaть, пoлучaется, тoже не будет зa зря.

Аноним Суб 05 Июл 2014 08:41:32  #484 №130765 

>>130758
Не буду читать. Такая схема возможна если в силовой части постоянный ток, а поджигающий переменный, гугли сварочный осциллятор. В треде о сварочниках какой-то пиздюк фантазировал, что он сварочники с двумя обмотками делает - вторая поджигающая, схема похожая, но вы оба не учитываете нюансы и элементарный закон Ома и потому хуи. Впрочем тут все хуи, даже я.

Аноним Втр 08 Июл 2014 10:26:51  #485 №131084 

Котоны, я придумал. В схеме ЗШ разрядник заменяем на тиристор. В цепи запуска тиристора добавляем датчик, который будет останавливать первичный преобразователь на время, пока открыт тиристор, но первичный преобразователь хочется оставить двухтактом. Запилите мне такую схемку, а?

Аноним Втр 08 Июл 2014 10:39:50  #486 №131085 

>>130760
Твои школьные фантазии несколько влажны, кондер отдаст энергию и все, заряжай заново, а время не ждёт, тушка терпилы требует живительных ватт.

Аноним Втр 08 Июл 2014 12:27:24  #487 №131094 

>>131085
>тушка терпилы
Ах ты ж мразь! Мы рассматриваем оружие самообороны, а он над терпилами хочет издеваться, говна поешь, умник.

Ты можешь предложить вариант лучше с теми же ТТХ?

Аноним Втр 08 Июл 2014 18:38:27  #488 №131121 

>>131094
>Ты можешь предложить вариант лучше с
Ну я же не махарайщик ебаный, куплю хороший шокер в магазине

Аноним Втр 08 Июл 2014 20:36:17  #489 №131131 

>>131085
Почему лазер делает дырка, а лампочка нет, и это при одинаковой переданной препятствию энергии?
Вот по тому самому один разряд тащит.

Аноним Втр 08 Июл 2014 22:40:18  #490 №131139 

>>131121
> хороший шокер в магазине
Ну ты и лалка! Тебе не нужен шокир, тебя полиция защитит.
>>131131
Причем тут когерентность, монохроматичность и направленность лазера по сравнению с лампой?

Аноним Втр 08 Июл 2014 23:40:43  #491 №131147 

>>131139
>Причем тут когерентность, монохроматичность и направленность лазера по сравнению с лампой?
Не причем. Но они детектируют твою тупость или невнимательность:
>при одинаковой переданной препятствию энергии

sageАноним Срд 09 Июл 2014 01:23:12  #492 №131155 

>>131131
>Почему чисбургер с сыром, а калаш пробивает рельсу, и это при расстоянии до бензоколонки?
>Вот по тому самому один разряд тащит.

Уебывай на форумы про свободную радиантную энергию обратно, или откуда вы там лезете с таким уровнем аргументации.

Аноним Срд 09 Июл 2014 02:10:29  #493 №131159 

>>131155
Тут что, реально столько дебилов? Очевидно же: лазер отдает всю энергию в коротком импульсе, а лампочка - долго, препятствие ее успевает рассеивать.
мимошкольник

Аноним Срд 09 Июл 2014 02:49:44  #494 №131162 

>>130744
>Не был в сознании, но согнулся и стонал.
А от нормального шокера потерял бы. И это не вопрос исполнения, сам принцип воздействия зш априорно фейловый. Но анон жи не может ни в физиологию, ни в эффективную самооборону. Да и хуй с ним.

Аноним Срд 09 Июл 2014 03:51:11  #495 №131164 

>>131162
На себе пробовал, лалка? Объект нейтрализован, оборона засчитана. Нормальный это что в твоем понимании? 1500 вольт постоянки, как на электрическом стуле и пропитанные физраствором ватные контакты на руках и ногах?

Аноним Срд 09 Июл 2014 04:12:36  #496 №131166 

>>131164
>и пропитанные физраствором ватные контакты на руках и ногах?
Дуга гораздо лучше физраствора, шьет прямо до самых водоносных слоев. Это как иголки, но без иголок.

Аноним Срд 09 Июл 2014 09:15:20  #497 №131187 

>>131147
Если они передадут препятствию одинаковую энергию на одинаковую площадь, то и эффект будет одинаковый, не?
>>131159
Школьник, излучение лазера отличается от излучения лазера характеристиками, описанными в посте >>131139 если ты сделаешь лампочку с такими характеристиками, то сможешь резать металл просто фокусируя излучение от неё, почему так - пройдете в 10-11 классах или когда там оптика будет.
>>131162
Полагаю, что "нормальный" шокер для тебя - шокер на умножителе, собранный и благословленный артуром касьяном, так, армянчик? Это анонимная имейдж борда, будь любезен обосновать свою точку зрения.

Аноним Срд 09 Июл 2014 09:16:57  #498 №131188 

>>131187
>лазера отличается от излучения лазера
Следует читать как "лазера отличается от излучения лампочки", но ты же не дебил, чай поймешь.

Аноним Срд 09 Июл 2014 10:12:53  #499 №131193 
[url]

>>131187
>Если они передадут препятствию одинаковую энергию на одинаковую площадь, то и эффект будет одинаковый, не?
Нет конечно. Есть такое понятие как мощность.
Мощность - это сколько энергии (джоулей) передается препятствию за секунду.
А теперь смотри: препятствию передаем 100Дж, но в случае с лазером делаем это за 1/1000 секунды, а в случае с лампочкой за 100000 секунд.
Энергия передана одинаковая, а эффект разный, потому что мощность отличается на много порядков:
-лазер воздействует на препятствие с мощностью 100Дж/(1/1000 сек) = 100000Дж/с = 100КВт
-лампочка воздействует на препятствие с мощностью 100Дж/100000 = 1/1000Дж/с = 1 милливатт.
Как видишь, никакого значения параметры лазера не имеют, так что не слушай всяких школьников, кукарекающих заученные слова, не понимая их смысла.

Почему так происходит: в конце концов любая передача энергии препятствию, будь то механический или акустический удар, поглощение излучения - это повышение внутренней энергии молекул и атомов препятствия.
Материал препятствия подобен резине, энергия от точки контакта расходится не моментально, а с определенной скоростью, со скоростью звука в материале препятствия. Скорость эта очень мала, поэтому даже маленькая частота или интенсивность воздействия передают больше энергии, чем успевает растечься от места контакта по всему препятствию.
Конкретно это выражается в следующем: чтобы раскалить огромный слиток металла, его температуру надо поднять градусов до 800, но металл обладает отличной теплопроводностью, и быстро охлаждается, так что с первого взгляда задача эта непростая, требующая много энергии - как же, нужно раскалить ВЕСЬ слиток до 800 градусов. Но исходя из вышесказанного, видно, что несмотря на отличную теплопроводность, из-за очень низкой скорости звука довольно легко можно нагревать одну точку на поверхности быстрее, чем она успевает отдавать энергию всему слитку, т.е. весь слиток холодный, а точка - раскалена. Именно так и работает принцип одиночного импульса: подаваемая мощность больше рассеиваемой.
Причем скорость звука даже в металле настолько мала, что точку можно раскалить не только мощным 100КВт лазерным импульсом, или разрядом мощного конденсатора, но и... банальными ударами молотка. А все потому, что внутренняя энергия - суть явление механическое, она заключена в импульсе атомов, и на этот импульс воздействует все, от тока, излучений, до ударов любыми предметами. Тот же ток - это миллиарды ударов электронами разной скорости (а значит и импульса), излучение - фотонами разной энергии (импульса). Очевидно, что чем больше импульс частиц и больше их поток - тем больше энергии в потоке, больше энергии получит препятствие.
Наглядно это можно увидеть на прикрепленном видосе, где кузнец раскаляет гвоздь молотком, держа его на массивной металлической наковальне, через которую осуществляется хороший теплоотвод, как и через воздух, но через молоток гвоздь все-равно получает больше энергии, чем успевает отдавать.
Что касается живых обьектов - тут важно не перестараться, температуру нельзя поднимать выше 40 градусов. Но и маленькая энергия смысла не имеет. Чтобы вызвать шок, нужно нанести существенные, но не опасные повреждения. Современные шокеры шок вызвать не могут - посоны даже на спор бьют ими себя, кто больше вытерпит, посмотрите на ютубе этот цирк. А настоящий болевой шок - вырубает мгновенно, обьект просто теряет сознание.
Теория, изложенная выше, позволяет глубже понять процесс, происходящий при попадании дуги шокера в тело, понять как именно увеличить поток энергии, и как сделать это безопасно. А также она говорит, что шокеры с компактными электродами вообще неэффективны, сколько бы энергии ты в них не вкачал - вся она уйдет в нагрев тканей между электродами, но расстояние столь мало, что через мышцы и нервы она не пойдет, просто физически не может этого сделать: область воздействия равна шару, диаметром с расстояние между электродами, и она почти ничего не захватывает, даже при ударе в шею нужно постараться, чтобы захватить нервный столб, большинство бьют сбоку или снизу, что вообще не оказывает никакого значительного болевого воздействия, максимум - человек от неожиданности на короткое время теряет контроль, и это все, никакого шока.

Аноним Срд 09 Июл 2014 10:39:00  #500 №131195 

>>131193
Ты очень умный, тебе, наверное, телки не дают?
Ты еще бы свечку сравнил с лазером.

Аноним Срд 09 Июл 2014 19:08:12  #501 №131247 

>>131195
>Ты очень умный, тебе, наверное, телки не дают?
Эпичный слив быдлеца, аж потеплело на душе

мимо

Аноним Чтв 10 Июл 2014 01:17:58  #502 №131290 

>>131166
Не, конечно можно собрать абсолютно летальный шокер, только он будет из себя представлять портативный дизель-генератор, крепящийся за спиной, пара МОТов от микроволновок последовательно вторичными обмотками, и вил с разрядниками, которыми нужно будет тыкать жертву, да посильнее. И уж с таким-то девайсом мусора тормознут 100%, лол. А по соотношению мощность/габариты ЗШ равных нет, хочу вот еще т.н. "мегашокер" собрать на пробу, Ламазоид о нем лестно отзывался, хотя и говорил что ЗШ эффективнее.

Аноним Чтв 10 Июл 2014 02:45:06  #503 №131294 
1404945906927.jpg

>>131290
>только он будет из себя представлять портативный дизель-генератор, крепящийся за спиной, пара МОТов от микроволновок последовательно вторичными обмотками, и вил с разрядниками, которыми нужно будет тыкать жертву, да посильнее.
Летальный шокер - это мощный кондер с энергией джоулей в 900, чтоб наверняка, который можно хоть жучком зарядить, искроразрядник на микротоках, вместо иголок - для установления надежного канала, и вместо второго электрода - игла на проводе, идущая в рукав или ботинок (для расширения зоны поражения). Тыкаешь шокером, потом иглой, или касаешься проводом чужой ноги или земли (и через подошвы легко прошьет), и все - летальная доза получена.
Но это неэффективно - проще уж пистолетом или ножом.
Шокер же должен вырубать, а это значит все тоже самое, но энергия меньше. Конкретно сколько энергии - знают медики. Хотя и так можно прикинуть - сопротивление тканей известно, длина пути тока известна, теплоемкость известна. Важно обойти сердце - сердце вырубается от маленьких энергий, и делает это крайне легко: можно не получить шока, но сердце встанет, и привет.
В общем опасная это тема, наверное потому производители шокеров и выпускают пукалки, которые только внимание отвлекают.

А дизель тебе зачем? Чтобы убить, много энергии не нужно. Пуля ПМ - 90Вт. В модельной батарейке около 300Вт - энергии столько, что она может полкорпуса распидорасить, не хуже крупнокалиберной. А для остановки сердца нужно несколько миллиампер, вообще крохи, доли ватта.
Т.е. проблем с энергией нет, дизели не нужны, 30квт домашнего дизель-генератора например, если их правильно применить, распидорасят человека на мелкие кусочки, это овердохуя энергии. Мозг умирает от энергии чуть более сотни ватт, окончательно и бесповоротно.
И что самое поразительное - кондеры очень мощная штука, и компактная. Например современные кондеры имеют плотность энергии 640 Дж/кг или 850 Дж/л, т.е. литровая банка содержит почти 1000Дж, и может отдать их в одном коротком импульсе, за доли секунды - мощность получается огромная, десятки и сотни квт, это далеко за летальной границей.

Если принять время разряда в 1 миллисекунду, а летальную дозу в 100Вт, получается вас может убить банка с зарядом в 100/1000=0,1Дж а при 400В это емкость всего порядка 1,25мкф, всего лишь чуть больше 1 микрофарады.
Так что осторожнее, например малютка на пике при неосторожном обращении с одного импульса вырубит ваш мозг или сердце.

Аноним Чтв 10 Июл 2014 03:58:39  #504 №131300 

>>131294
Написал килобайты текста, из которых 90% - вода водой.
Есть ГОСТы применительно к шокерам, в т.ч. для ментовских. Насчет малютки на пике - будучи школотой заряжали и по 10 мик от розетки и друг друга ибошили - никого не убило. А знакомый получил в руку разряд от 470uF, заряженного от 360 вольт. Рука потом болела, но живой, ничего не вырубило.

Аноним Чтв 10 Июл 2014 05:45:43  #505 №131303 

>>131300
>будучи школотой заряжали и по 10 мик от розетки и друг друга ибошили - никого не убило. А знакомый получил в руку разряд от 470uF, заряженного от 360 вольт. Рука потом болела, но живой, ничего не вырубило.
Это нихуя не значит. Внимательней читать надо эту вот самую воду.
При неосторожном обращении эта малютка убивает. Например дотронешься левой и правой рукой до разных электродов - разряд пройдет вблизи сердца. Или левой рукой и грудью/животом. Видел как реанимацию делают электродами? Их не прикладывают к одному месту, к жопе например. Один располагают на груди слева, второй сверху справа, сердце оказывается на пути тока.
Если двумя электродами в одну руку - ясен пень, заряд никуда не уйдет.
Так что все-равно надо быть аккуратнее - то, что сто раз в руку не убило, не значит, что не убьет на 101-й, когда нечаянно разрядишь кондер в кармане, коснувшись одним электродом до ноги через штанину, а другим до левой руки.
Многих электриков именно так и убивало - не трясло, не не отпускало, а просто неудачно коснулся, один раз шандарахнуло, несильно вроде, руку отдернул, но уже поздно - на пол падает уже труп. Если в течении пяти минут не запустить сердце - труп окончательный. Иногда успевали запускать, но не всем так везло. Так что ток он такой, коварный, бывает выдерживаешь молнию, несколько минут тряски, а бывает в одно мгновение убивает, когда никто не ждет, на пустяковой работе, вроде ремонта домашнего выключателя, которую делал сотни раз.

Аноним Чтв 10 Июл 2014 12:49:40  #506 №131346 

>>131247
>мимо
Ну вот и давай мимо отсюда.
>>131290
>и вил с разрядниками
Шокер не нужен тогда. Карочи, бирёшь ботарейку, подключаешь её к штык-ножу, втыкаишь нож в грудную клетку и поворачиваешь на 120 градусов. Вуаля - смертельный шокер на одной батарейке.
>А по соотношению мощность/габариты ЗШ равных нет, хочу вот еще т.н. "мегашокер" собрать на пробу, Ламазоид о нем лестно отзывался, хотя и говорил что ЗШ эффективнее.
Ты видел схему последней версии Мегашокера, мудилка? Она копирует схему ЗШ, только коммутация не разрядником, а тиристором и более низкое напряжение после первого преобразователя. В одном из вариантов автор или не автор, в безумном припадке, в качестве боевого конденсатора нарисовал батарею на 10 микрофарад. Ламазоид в одном из своих тезисов уточняет использование этих конденсаторов и говорит о емкости допустимой.
>>131294
Хоть один адекват, умеющий считать.
>>131300
В анус маме своей засунь эти госты.

Аноним Чтв 10 Июл 2014 14:43:39  #507 №131365 

>>131346
>В анус маме своей засунь эти госты.
Ты не просто быдло, а еще и марахайщик, а еще нитакой как фсе борец с системой, охуеть, столько прекрасных качеств в одном человеке, назревает вопрос - Сколько тебе лет, сынок?

Аноним Чтв 10 Июл 2014 18:41:04  #508 №131393 

>>131365
Зачем обзываешься, дяденька? Госты ограничивают нас на недопустимо малом уровне. На каком основании мусорам можно 10 Вт, а мне нельзя 50 Вт? При том, что я буду защищать свою жизнь, а мусора пытать ради своего удовольствия.
13 лет исполнится следующим летом

Аноним Чтв 10 Июл 2014 18:51:55  #509 №131396 

>>131393
Вот вот, читаешь задницей видимо. В этих самых гостах FYI указаны смертельные значения например. А анус своей маме засунь этот микрофарадный заряженный кап и ничего особенного не будет.

Аноним Чтв 10 Июл 2014 18:58:19  #510 №131397 

>>131303
>При неосторожном обращении эта малютка убивает. Например дотронешься левой и правой рукой до разных электродов - разряд пройдет вблизи сердца.
Нэт. Максимум что будет - аритмия на пару секунд.

>Видел как реанимацию делают электродами? Их не прикладывают к одному месту, к жопе например. Один располагают на груди слева, второй сверху справа, сердце оказывается на пути тока.
Вот именно, дефибриллятор ибошит постоянным током, чтобы устранить фибрилляцию желудочков, которая при ударе постоянным током не возникнет. Кого ты лечишь, няша?

>Так что все-равно надо быть аккуратнее - то, что сто раз в руку не убило, не значит, что не убьет на 101-й, когда нечаянно разрядишь кондер в кармане, коснувшись одним электродом до ноги через штанину, а другим до левой руки.
Многих электриков именно так и убивало - не трясло, не не отпускало, а просто неудачно коснулся, один раз шандарахнуло, несильно вроде, руку отдернул, но уже поздно - на пол падает уже труп. Если в течении пяти минут не запустить сердце - труп окончательный. Иногда успевали запускать, но не всем так везло. Так что ток он такой, коварный, бывает выдерживаешь молнию, несколько минут тряски, а бывает в одно мгновение убивает, когда никто не ждет, на пустяковой работе, вроде ремонта домашнего выключателя, которую делал сотни раз.

Вот тут ты прав, при работе с HV-штуками нужно быть предельно аккуратным и держать одну руку за спиной.

Аноним Чтв 10 Июл 2014 19:20:29  #511 №131401 

>>131300
>заряженного от 360 вольт
я и 800 вольт получал при емкости 1000uF и даже рука нее болела но испугался знатно.

Аноним Чтв 10 Июл 2014 20:16:37  #512 №131406 

>>131397
> нужно быть предельно аккуратным и держать одну руку за спиной.
Для этого достаточно продрать карман штанов.

Аноним Чтв 10 Июл 2014 20:46:45  #513 №131415 

>>131396
Хуле ты мне этот конденсатор инкриминируешь, начальник? То был не я, но конденсатор поддерживаю, проблема в том, что его энергию донести до тела нужно, что и делает ЗШ, причем довольно успешно. А так и меня 310 с 3.75 мкф ебашило и от кисти до кисти шло сетевое, правда через дроссель, и знаю случай, где подростка убил 150 мкФ электролит от сети. Так что все до раза. Не обзывайся больше и я не буду.
>>131397
фибрилляцию желудочков, которая при ударе постоянным током не возникнет
А вот и может возникнуть. Почитай про фибриляцию, да мужикам расскажи.
>>131401
100 кОм сухая кожа, а если бы тебе сначала дугой пиздануло, а потом конденсатор начал разряжаться, то ты получил бы ожог и еще кусочки мяса вылетели бы из области канала. Хочу ЗШ с таким кондером себе в подарок.

Аноним Чтв 10 Июл 2014 23:36:43  #514 №131433 

>>131415
>Хочу ЗШ с таким кондером себе в подарок.
Кстати, можно запилить модульный шокер.
Что канал лучше всего пробивать дугой - это и так ясно. Значит HV-часть стандартизирована - дуга с минимальными токами, лишь бы канал пробила.
Зарядная часто тоже стандартизирована - выдает большой ток при среднем напряжении - для зарядки кондера.
А кондер можно юзать сменный - кто на сколько хочет энергии, тот на столько и ставит. Простой сменой кондера меняется убойность, в широких пределах.
Ну и без кондера можно юзать, но тогда мощность разряда ограничена мощностью преобразователя.

И следует подумать о том, чтобы кондер не разряжался через искру на холостом ходе, иначе мощные импульсы с кондера будут тупо греть воздух и жрать батарейку. Нужно чтобы кондер срабатывал только при контакте с целью, т.е. ввести еще один искровой канал, не связанный с первым, и подключить кондер между ними: когда обе дуги войдут в контакт с целью, кондер через них разрядится сам.

Аноним Птн 11 Июл 2014 12:23:15  #515 №131502 

>>131433
>И следует подумать о том, чтобы кондер не разряжался через искру на холостом ходе, иначе мощные импульсы с кондера будут тупо греть воздух и жрать батарейку. Нужно чтобы кондер срабатывал только при контакте с целью, т.е. ввести еще один искровой канал, не связанный с первым, и подключить кондер между ними: когда обе дуги войдут в контакт с целью, кондер через них разрядится сам.
Наркоман.
Надо поджигающую цепь сделать двухтактной и без дуги и напряжение чтобы оставалось 50кВ. Холостой ход - потребление слабое, подносим к телу - загорается дуга, расход растет, ебашим по хардкору.

Аноним Птн 11 Июл 2014 21:42:31  #516 №131617 

А как устроены блоки ксенона, оне вона какие мелкие, а 35 Вт при стартовом 25 кВ дают. И киловольты получают без разрядников. Знающий анон, расскажи, будь добр.

Аноним Птн 11 Июл 2014 23:14:46  #517 №131641 

>>131617
В ксеноне 25кв только для розжига разряда.

Аноним Птн 11 Июл 2014 23:16:31  #518 №131642 

>>131502
>Надо поджигающую цепь сделать двухтактной и без дуги и напряжение чтобы оставалось 50кВ. Холостой ход - потребление слабое, подносим к телу - загорается дуга, расход растет, ебашим по хардкору.
Как? 50кв пробьют дугу и на холостом. К телу не поднести - одежда.

Аноним Суб 12 Июл 2014 03:26:37  #519 №131655 

>>131642
Лол, зачем по-твоему вообще нужна дуга? Одежда из пятимиллиметрового фторопласта что-ли?

Аноним Суб 12 Июл 2014 05:49:28  #520 №131658 

>>131655
Короче обьясняй давай по нормальному. И таки одежда - да, может быть довольно плотной и толстой, кожанка со свитером например.

Аноним Суб 12 Июл 2014 07:54:07  #521 №131660 

>>131642
Электроды разнести подальше, епта.
>>131641
Нам нужно то же самое - разжечь дугу до тела и ебашить вольт 500.

Аноним Суб 12 Июл 2014 14:01:39  #522 №131686 

>>131660
>Электроды разнести подальше, епта.
Представь какое нужно напряжение, чтобы прошить одежду, а не воздух между электродами. Походу без прокола не обойтись.

Аноним Суб 12 Июл 2014 16:45:26  #523 №131704 

>>131686
Еблан, а наличие искрового разряда при этом зачем? Искра снаружи служит для того, чтобы пугать и предохранять трансформатор от пробоя и сажать аккумулятор. Разнеся электроды мы получим прибор, с электродов которого эл-во будет коронировать и пробивать искрой при внесении между ними предмета, понимаешь, мудак? Но при этом нужен двухтактный выход, это главная сложность. Хотя трансформатор с коэффициентом трансформации 300 и еще один мультик на игбт, лал.

Аноним Суб 12 Июл 2014 21:28:02  #524 №131722 

>>131704
>с электродов которого эл-во будет коронировать и пробивать искрой при внесении между ними предмета, понимаешь, мудак?
Понимаю, что ты мудак. А по делу - воздух пробивается легче чем одежда, поэтому искра будет без предмета. В этом и сложность: чтобы не пробился воздух, придется разносить электроды на метр.

Аноним Суб 12 Июл 2014 22:29:59  #525 №131725 

>>131722
Блядь, ты дегенерат ебучий, ты можешь привести обоснование своим словам, мразь?
Вот тебе расчет для 50 кВ. Пробой воздуха при н.у. примерно 3 кВ на 2 мм гугл , следовательно, при расстоянии более 34 мм пробоя не будет, будет образование озона и коронирование, но если ты внесешь между электродами палец, то произойдпт пробой и тебя уебет и поделом, что здесь непонятного? А для пробоя метра необходимо около 1500 кВ, скорее уебет носителя шокера.
Не груби мне, я знаю больше твоего, глядишь, что полезное скажу.

Аноним Вск 13 Июл 2014 00:11:57  #526 №131732 

>>131725
>но если ты внесешь между электродами палец
А ты попробуй туда внеси кусок пластика. Одежда проводит ток хуже воздуха, что тут непонятного? Прописные истины итт.
Так что напряжение нужно больше.
>Не груби мне
Сам первый начал
>я знаю больше твоего, глядишь, что полезное скажу.
Что-то пока не видно.

Аноним Вск 13 Июл 2014 00:32:13  #527 №131734 
1405197133265.jpg

А я тем временем собираю НЛО в мелком корпусе.

>>131725
>>131732
Вы оба кукаретики.

Аноним Вск 13 Июл 2014 01:44:05  #528 №131735 

>>131734
Кукаретики от махарайщика ебаного не сильно отличаются, извини.

Аноним Вск 13 Июл 2014 02:03:17  #529 №131736 

>>131735
Ну извините, у меня не фабрика.

Аноним Вск 13 Июл 2014 02:23:21  #530 №131737 

>>131735
А не похуй ли? Главное чтоб работало, эстетика - дело десятое.

Аноним Вск 13 Июл 2014 16:13:30  #531 №131777 

>>131736
>>131737
Я пошутил, не оправдывайтесь

Аноним Вск 13 Июл 2014 20:17:53  #532 №131797 

>>131734
Чем залил?

Аноним Вск 13 Июл 2014 21:11:53  #533 №131809 

>>131797
Pebeo Gedeo же.

Аноним Вск 13 Июл 2014 22:02:15  #534 №131821 

>>131734
>>131777
Да лан, ты прав, мы диванные, теоретизируем, я вообще выше 2 кВ подняться не могу, все сгорает.

А ты все тот же махарайщик, что сначала ЗШ прозрачный запилил, а потом ошейники делаешь? Что у тебя там такое, ты на дому делаешь устройства и продаешь? У меня от тебя пукан пригорел, такой-то ты молодец охуенный, а я говно, блять, даже выпилиться не могу.

Аноним Вск 13 Июл 2014 23:16:54  #535 №131831 
1405279014340.gif

>>131821
Не продаю, фо фан делаю. До рабочего ошейника еще далеко, наводки на контроллер идут. Вчера развязку на оптроне сделал - теперь работает. Но я не спешу. Капча говорит что все правильно делаю.

Аноним Вск 13 Июл 2014 23:37:13  #536 №131834 

>>131831
Но зачем больше двух вариаций одного устройства? Тем более ты заливаешь их в монолитный блок, извлечь детальки для повторного использования проблематично, мягко говоря.

Аноним Пнд 14 Июл 2014 00:08:59  #537 №131836 

Так первый ЗШ, второй НЛО. Следующие буду собирать в корпусах как их изготовят.

Аноним Пнд 14 Июл 2014 00:45:49  #538 №131838 
1405284349848.jpg

Фух, доделал, день прожит не зря.

Аноним Пнд 14 Июл 2014 00:47:22  #539 №131839 
1405284442237.jpg

Дугу нормально хуй заснимешь без изъебств.

Аноним Пнд 14 Июл 2014 02:55:48  #540 №131843 

>>131839
Ну и как очучуния? Больно? Вангую ничего особенного: шокер должен вырубать, а не злить.

Аноним Пнд 14 Июл 2014 03:28:32  #541 №131845 

>>131843
Испробую на днях. И много это ты знаешь шокеров, которые вырубают? Я насчет АИРа-то не уверен, про другие вообще молчу. По крайней мере на знаменитом видео, где ввшник тыкает себя в шею, он очухался довольно таки быстро.

Аноним Пнд 14 Июл 2014 06:35:03  #542 №131861 

>>131845
>И много это ты знаешь шокеров, которые вырубают?
Ну ментовский, в форме дубинки, точно вырубает. Как то с посонами с работы уебали им по голове одному лоху - вырубился. Тяжелая хрень, не хуже кирпича прикладывает, если хорошо размахнуться.
А у тебя конструкция непрочная - одна иголка при ударе отвалится как пить дать.

Аноним Пнд 14 Июл 2014 12:48:07  #543 №131885 
1405327687113.jpg

>>131861
Все по нарам, мусор в треде!

Аноним Пнд 14 Июл 2014 19:06:52  #544 №131919 

>>131885
А вы пидорас по жизни? или так сочувствуете?

Аноним Втр 15 Июл 2014 03:10:07  #545 №131961 
1405379407679.jpg

Никак не могу догнать, если этот кап взять большой емкости на напругу 450V, зарядить от отдельного преобраза вольт до 400 и потом включить дугу, он вынесет такое издевательство? Просто 450 вольт предел для алюминиевых электролитов.

Аноним Втр 15 Июл 2014 08:25:14  #546 №131965 

>>131919
Нет, я не твоей масти и никому не сочувствую.

Аноним Втр 15 Июл 2014 08:26:38  #547 №131967 

>>131961
Не обязательно от отдельного. С этим конденсатором вообще интересная история, если ты не беспредельщик-долбоеб, я тебе её расскажу.

Аноним Втр 15 Июл 2014 17:27:23  #548 №132001 

>>131967
Ну, допустим, я больше j4f этим занимаюсь, людей валить не собираюсь.

Аноним Втр 15 Июл 2014 17:52:08  #549 №132006 

>>132001
Удваиваю. Тоже выбираю шокер для защиты от зомби.

Аноним Втр 15 Июл 2014 20:51:31  #550 №132025 
1405443091111.jpg

>>132001
>>132006
Ну что ж, отморозки, внимайте. Сначала о ламазоиде и некоторых других людях. Это очень грамотные ребята, я не удивлюсь, если ламазоид - это на самом деле бородатый советский инженер, работавший на секретном военном заводе.
Краткая суть этой хуйни заключается в том, что здесь нужно учитывать постоянную времени заряда RC цепочки. Эти два конденсатора представляют собой две RC цепочки, напряжение на конденсаторах растет от нуля до предела, но с разной скоростью, понятно, дебилы?
Так вот, если поджигающий заряжать через резистор, а боевой напрямую, то, при одинаковой емкости, боевой зарядится быстрее к моменту разряда будет ГАРАНТИРОВАННО заряжен. Смекаете, к чему я веду? Боевой можно поставить 200 мкФ 400 вольт и заряжать через резистор. Только время RC цепочек необходимо рассчитать таким образом, чтобы на момент искрового пробоя и начала разряда поджигающего конденсатора, напряжение на боевом - нижний и обведеный красным кругом на схеме первого анона, был заряжен на напряжение меньшее, чем напряжение его пробоя и в дугу будет разряжаться не 0.1 мкф 1500 вольт, а 200 мкф 400 вольт.
Но чтобы гарантировать четкое срабатывание этой конструкции без въеба электролита, нужно фиксировать напряжение пробоя разрядника - нужно или пацанский эпкос, аттестованый, или пилить мегашокер 4.2 на тиристоре, выше была схема.
P.S. А электролит в таком режиме все равно въебет, потому что не любит быстро заряжаться и разряжаться.
Отака хуйня, малята. А еще я программист 1С.

Аноним Втр 15 Июл 2014 21:49:44  #551 №132031 

>>132025
>то, при одинаковой емкости
Сам понял что написал?

В общем написал ты дружок очевидные истины, вопрос в том, выдержит ли вторичка транса такое издевательство в виде 200 мкф 400 вольт, не говоря уж про 1500 мкф. И выдержит ли сам кап дугу? Вот что меня более всего интересует.

>А электролит в таком режиме все равно въебет, потому что не любит быстро заряжаться и разряжаться.
Да, не въебет конечно, но подохнет довольно быстро. Но вроде как есть специальные электролиты для таких условий.

Эпкосы купить не проблема - чипидип/элитан. В общем нужно экспериментировать, да. Я думал впилить второй преобраз по схеме Вальдемара для заряда боевого капа, и при его заряде включать первый преобраз на доли секунды. Можно и RC-цепочки рассчитать, да.

Аноним Втр 15 Июл 2014 23:14:56  #552 №132037 
1405451696941.jpg

>>132031
Пидор, а какие претензии у тебя к двум конденсаторам одинаковой емкости, один из которых заряжается через резистор? Тау будет разное.
Электролит вьебет, и тебя, суку, не уебет только потому, что на корпусе предохранительные надрезы и вьеб будет выглядеть как пфффф с дымом.
Что, по твоему дебильному мнению, может сделать электролит емкостью в 2000 мкф с индуктивностью, имеющей индуктивностьлал и сопротивление? Посчитай, бля, или еще закон Ома не прошли и мощность считать не умеешь?
Чего ты там собрался включать на доли секунды, говно? Для вас, петухов, Ламазоид по русски написал, что будет, если питать этот кондер от отдельной обмотки.
Если для тебя это очевидно, зачем задаешь нубские аопросы, мразь?
И бомбишь мой пукан.

Аноним Срд 16 Июл 2014 01:37:44  #553 №132051 

>>132031
>выдержит ли вторичка транса такое издевательство в виде 200 мкф 400 вольт
Не выдержит, а ограничит. А значит весь замысел пошел по пизде - конденсатор не может разрядиться напрямую, с максимальным током.

Аноним Срд 16 Июл 2014 02:16:54  #554 №132056 

>>132037
Папаня твой говно, мразь и пидор. Черным по белому написано - поставлена задача разрядить мощный кап через дугу, что например успешно осуществляется в пускателях лазеров без взрывающихся капов и оторванных рук. А то, что ты давно известные вещи пересказываешь при этом илитку из себя строя - нахуй это в общем никому не нужно.

Аноним Срд 16 Июл 2014 07:35:05  #555 №132064 

>>132056
Нет, мой папаня не такой.
Ты, сучонок, хотел конденсатор от отдельного преобразователя заряжать, ты мудак, не понимающий сказанного, не говоря уж об очевидном. Модер, забань этого пидараса, а то я с доски уйду!!!

Аноним Срд 16 Июл 2014 09:21:16  #556 №132080 

>>132064
>а то я с доски уйду!!!
А не пиздишь?

Аноним Срд 16 Июл 2014 10:26:58  #557 №132086 
1405492018946.gif

>>132080
Заведомо пиздю, очевидно же. Моча говно не банит.

Аноним Срд 16 Июл 2014 11:23:01  #558 №132096 

>>132086
Все, забанил. Теперь уходи.

Аноним Срд 16 Июл 2014 11:47:28  #559 №132100 

>>132037
А какие проблемы заряжать боевой кап отдельным преобразователем с ОС по напряжению, колобок?

>>132051
Значит надо мотать что-то навроде осцилляторово-зажигаторов от сварочных инверторов. Крупновато получится, зато как ебашить будет!

Аноним Срд 16 Июл 2014 11:59:17  #560 №132102 
1405497557158.jpg

>>132096
Кого забанил? Если меня, то хуй пососи. Если его, то спасибо, он же в натуре мудак, еще Ламазоид в оригальном крео пишет об этом, называя таких, как он долбоебами.
>>132100
Проблема в согласовании потенциалов, братишка. Писали в треде жи про изу, сам зш осцилятор зажигатор, епта.

Аноним Срд 16 Июл 2014 12:00:28  #561 №132103 

>>132100
Дуга - это как провод. Так что главное поджечь дугу, и как только это случилось - чем-то подключить туда кондер, тогда в дугу уйдет мощный импульс тока.
Но пока дуга горит между электродами, делать этого смысла нет. Так что нужно запилить отдельную кнопочку, которая подключает кап к электродам, или же юзать обжатие стойки как в самолетах - когда есть давление на электроды, пружина под ними сжимается, и кап механически подключается к электродам - получаем полуавтоматику.

Аноним Срд 16 Июл 2014 12:38:03  #562 №132105 

>>132102
> Проблема в согласовании потенциалов
Потенциалов чего? Хочешь сказать, что ВВ импульс способен хоть как-то повлиять на напряжение электролита хорошей ебкости?
> сам зш осцилятор зажигатор
Я говорил о размерах и параметрах. У этого вашего ЗШ сопротивление и индуктивность вторички ебические в угоду компактности, а я предлагаю по хардкору, феррит в полкило весом и обмотку намотанную медной шиной и первичку коммутировать крайтроном — выебываться, так по полной.

>>132103
И где взять ключ, который в закрытом виде держит киловольты, а в открытом десятки-сотни ампер? Управляемый разрядник, или ящик тиристоров, но ни то, ни другое нихуй не компактно.

Аноним Срд 16 Июл 2014 12:48:26  #563 №132107 

>>132105
>И где взять ключ, который в закрытом виде держит киловольты, а в открытом десятки-сотни ампер?
А если в качестве такого ключа юзать цель? Когда она далеко от электродов - держит киловольты, а когда близко - сотни ампер.

Аноним Срд 16 Июл 2014 15:38:12  #564 №132121 

>>132107
Некромант штоле? Как ты себе это представляешь?

Аноним Срд 16 Июл 2014 16:29:48  #565 №132124 

>>132100
>Крупновато получится, зато как ебашить будет!
Вот, это я и пытаюсь объяснить этому долбоебу. При этом совершенно необязательно зацикливаться только на ЗШ, а он мне пересказывает давно известные вещи.

>>132102
>Если его, то спасибо, он же в натуре мудак, еще Ламазоид в оригальном крео пишет об этом, называя таких, как он долбоебами.
Не, не меня. Да, ты рюського языка вообще не понимаешь я смотрю. Повторю для ебанашки: ЗШ и так идеален для своей области применения. Речь идет о совсем другом девайсе, с другими принципами и другой областью применения а именно ибошить наглухо, чмоша ты этакий. Уяснил? И да, ты хоть один вариант ЗШ собрал прежде чем пасть раскрывать?

>>132105
Да не спорь с дибилушкой.

Насколько я знаю - в лазерах используется развязка через высоковольтный кап малой емкости. Буду капать в этом направлении.

Аноним Срд 16 Июл 2014 18:34:51  #566 №132133 
1405521291146.gif

>>132121

Аноним Срд 16 Июл 2014 19:43:13  #567 №132145 

>>131836
Отпиши на [email protected], пожалуйста

Аноним Срд 16 Июл 2014 20:29:06  #568 №132155 

>>132133
Такое уже несколько раз всплывало в треде. Я бы все внес в нее несколько фиксов:
1. Разделил бы преобразователи (Одна дужка загорелась, другая уже не захочет, если это трансформаторы. Если флайбеки, то при долго отсутствии тушки электролиту поплохеет)
2. Добавил бы разрядник вольт на 200-300, последовательно одному из выводов конденсатора. (После первого-второго разряда, очень вероятно, что электроды окажутся намертво подключенными к телу жертвы)
3. Набрал бы из электролитов батарею, хотя бы на пару киловольт, с соответствующим наращиванием напряжения пробоя разрядника. (Сопротивление тела очень нестабильно, запас не помешает.)

Аноним Срд 16 Июл 2014 20:39:27  #569 №132157 

>>132145
Но зачем, товарищ майор? Спроси тут что хотел.

Аноним Срд 16 Июл 2014 21:06:38  #570 №132163 

Котоны, а расскажите про ебанутого армяна арутра касяна, кто он вообще такой, чем живет, зачем народ смущает?

Аноним Срд 16 Июл 2014 21:26:18  #571 №132166 
[url]

>>131836
Посмотри, пожалуйста, видео и скажи, что думаешь.

Аноним Срд 16 Июл 2014 21:34:06  #572 №132169 

>>132166
Ну что думаю, вполне такое возможно, но еще сырая довольно технология если сравнивать с плановой.

Аноним Срд 16 Июл 2014 21:55:50  #573 №132172 

>>132166
А чего разрядник красным светится? Он разве прозрачный?

Аноним Срд 16 Июл 2014 22:19:45  #574 №132174 

>>132172
Керамика же, там стенка довольно тонкая.

Аноним Срд 16 Июл 2014 22:34:41  #575 №132176 

>>132133
Слушай, а идея же, хоть и геморная в реализации. Попробую, все попробую как будет свободного времени побольше. Мяф.

Аноним Чтв 17 Июл 2014 01:40:03  #576 №132192 

>>132155
>3. Набрал бы из электролитов батарею, хотя бы на пару киловольт, с соответствующим наращиванием напряжения пробоя разрядника. (Сопротивление тела очень нестабильно, запас не помешает.)
Так верхний и нижний преобразователи на что? Вот там может быть под 50кв - пробьет все что угодно. А средний - большие кондеры вроде максимум до 400В, вот под это напряжение и пилить средний преобразователь.
>2. Добавил бы разрядник вольт на 200-300, последовательно одному из выводов конденсатора. (После первого-второго разряда, очень вероятно, что электроды окажутся намертво подключенными к телу жертвы)
А это идея. Вообще-то задумывалось что после первого мощного разряда преобразователь будет мочить 400В постоянки насколько его мощность позволяет. Но разрядник позволит увеличить мощность, позволив в работу включится мощному кондеру, который будет накапливать пусть и половину емкости, пока не сработает разрядник, зато разряд выйдет сильный - будет бить не слабой постоянкой, а мощными импульсами.
>1. Разделил бы преобразователи (Одна дужка загорелась, другая уже не захочет, если это трансформаторы. Если флайбеки, то при долго отсутствии тушки электролиту поплохеет)
Это по желанию. Можно вообще сделать гибрид: один преобразователь с тремя выходами, на каждом выходе отдельный ключ с отдельным кондером, а управляющая электроника одна на всех. Т.е. три отдельных силовых части при общей управляющей.
Да и сами трансформаторы можно коммутировать по разному, например можно сделать так, чтобы на конденсаторе с обоих сторон одинаковый потенциал - просто перевернуть первичку одного из трансов. Хотя это, кажется, особой роли не играет: без тушки дуги гальванически отвязаны друг от друга, а с тушкой при текущей фазировке обмоток трансформаторы будут работать как удвоитель напряжения, и конденсатору может поплохеть, если так - одну из обмоток нужно перевернуть, верхнюю или нижнюю.

Аноним Чтв 17 Июл 2014 11:51:34  #577 №132234 

>>132192
> Так верхний и нижний преобразователи на что?
При чем тут пробой зазора? Я о сопротивлении самой тушки. Иному бородатому электрику со слоновьей кожей и 380 — укус комариный. Опять же дефибрилляторы поголовно используют 4+ киловольта на батарее. Неспроста. И это при том, что там охуенные по площади электроды, смазанные электрогелем.

> с тушкой при текущей фазировке обмоток трансформаторы будут работать как удвоитель напряжения, и конденсатору может поплохеть
Там же переменка высокочастотная будет, фотовспышечные электролиты все с низким esr — ничего ему не будет.

Аноним Чтв 17 Июл 2014 12:06:55  #578 №132237 

>>132234
>При чем тут пробой зазора? Я о сопротивлении самой тушки
Дуги, когда замкнуться через тушку, само позаботятся о надежном канале. Кондеру останется только воспользоваться этим каналом.
>Иному бородатому электрику со слоновьей кожей и 380 — укус комариный.
В дугах же киловольт 20 а о и выше. Думаешь не прошибут кожу?
>Там же переменка высокочастотная будет, фотовспышечные электролиты все с низким esr — ничего ему не будет.
Хз, может и пробить, там же выше 40кв при неверной фазировке, правда в основном они замкнутся тут же сами на себя, на свои электроды, до кондера дойдут крохи. Короче перебздеть не вредно.

Аноним Чтв 17 Июл 2014 14:29:04  #579 №132257 

>>132237
> Дуги, когда замкнуться через тушку, само позаботятся о надежном канале. Кондеру останется только воспользоваться этим каналом.
По хорошему, надо пробовать, но я все равно уверен, что лучше повышать напряжение.
> В дугах же киловольт 20 а о и выше. Думаешь не прошибут кожу?
Только когда они не горят, когда дуга зажигается, все напряжение падает на обмотках, т.к. у канала очень низкое сопротивление. Прошибет только в случае если прожжет, на что надо время. А при высоком напряжении еблысть гарантирован даже по сухой негорелой коже.

Аноним Чтв 17 Июл 2014 15:42:07  #580 №132263 
1405597327693.gif

Радиач, взываю о помощи!
Нашел трансформатор от ксенона, разрядник залит в корпусе трансформатора. На двух пленочных конденсаторах 1 мкф 630 вольт собрал удвоитель напряжения, подключил к сети, на выход подключил трансформатор. Все работает, на выходе трансформатора есть разряд длиной ~14 мм, напряжение на выходе умножителя при этом 360 вольт, замерено китайским тестером DT-838, в режиме измерения постоянного тока. Отсюда следует вывод, что внутри трансформатора разрядник на 360 вольт.
Собрал пушпул на полевиках. Трансформатор на ферритовом кольце, 4 витка первичка, около 200 вторичка. Напряжение с выхода трансформатора выпрямляется мостом на HER308, на выходе конденсатор 1 мкф 630 вольт. Без нагрузки напряжение на конденсаторе 620 вольт постоянное. При подключении трансформатора от ксенона ничего не происходит - напряжение по-прежнему 620 вольт, ксеноновый трансформатор молчит. 620 вольт выставил питанием пушпула. Что это за колдовство такое?
Этот же

Аноним Суб 19 Июл 2014 19:55:00  #581 №132593 
1405785300240.jpg

>>132263
Я разобрался, все работает.
Как устроен ксеноновый трансформатор, что сопротивление выходной обмотки 3 Ома? Пробой 15 мм, полагаю, если увеличу питание до 1500 В и добавлю разрядник, то и 30 мм будет пробивать.

Аноним Суб 19 Июл 2014 23:34:55  #582 №132626 

>>132593
Межвитковую изоляцию прошьет в трансформаторе, например

Аноним Вск 20 Июл 2014 10:53:10  #583 №132674 

>>132626
>Межвитковую изоляцию прошьет в трансформаторе, например
Внезапно, но ты прав. Прошило не трансформатор, а подводящие провода, трансформатор работает, но земляной провод, идущий на лампу показывает кз с горячим.
Можно ли расковырять эпоксидку, которой залит трансформатор, с сохранением работоспособности трансформатора? Можно оставить как есть, но я хочу уменьшить размер. Злая искра с него понравилась очень, хоть и маленькая. Это как маленький ядерный взрыв.

Аноним Вск 20 Июл 2014 21:22:35  #584 №132768 
1405876955325.jpg

>>132674
Перешел я от кукаретических теорий к практике. Все, что писал ламазоид - чистейшая правда, если делать все по плану, а именно высоковольтную часть при сохранении напряжения и мощности первичного преобразователя получится нормальный шоке.
Анон выше, хотевший заряжать конденсатор от другого преобразователя - делать можно, взлетит. Пленочный кондер в таких условиях не разъебло, диоды моста целы.
Анон, хотевший электролит в качестве боевого, поставил 3 Х 560 мкФ 200 вольт - напряжение питания занизил, частота вспышек была 0.5-2 Гц, во время вспышки проволочные электроды - отрезки витой пары, намотанные на спичку - дергались, хлопки были сильнее выстрела пневматики.
Общее для всех ситуаций - керамика в качестве поджигающего мне субъективно кажется лучше.

Аноним Вск 20 Июл 2014 22:00:15  #585 №132776 

>>132768
>поставил 3 Х 560 мкФ 200 вольт - напряжение питания занизил, частота вспышек была 0.5-2 Гц, во время вспышки проволочные электроды - отрезки витой пары, намотанные на спичку - дергались, хлопки были сильнее выстрела пневматики.
Воткнул бы в сосиску, лол.

Аноним Пнд 21 Июл 2014 04:08:54  #586 №132811 

может кто нибудь объяснить по какому принципу работает инвертор в злом шокере?

Аноним Пнд 21 Июл 2014 05:32:40  #587 №132817 

>>132811
Автогенератор. При запуске — кто первым открылся, того и тапки тот закрывается наводимым в другой половине первички трансформатора напряжением, в это же врямя слоупок (тот что не успел первым открыться) открывается и все зацикливается.

Аноним Пнд 21 Июл 2014 09:28:38  #588 №132823 

>>132811
Дополню этого >>132817 ананаса.
Кто первый открылся - тот закрыл нахуй противоположный транзистор, потому что открывшись закоротил его затвор на исток - минус, в данном случае, питания. Дальше в мартовской схеме сердечник насытился, ток расти перестает, напряжение на второй половинке пропадает, затворная емкость при этом начинает разряжаться, т.к. напряжение на ней упало и транзистор чуть призакрывается, что приводит к изменению тока полуобмотки к которой он подключен, полярность второй половины обмотки меняется - скорость закрывания нарастает, другой же транзистор под шумок начинает открываться еще сильнее ускоряя процесс. Кароч, мультивибратор, один-в-один. Недостаток - сердечник трансформатора уходит в насыщение. Схема Мазилини работает чуть иначе, не загоняя сердечник в насыщение. Недостаток Мазилини - с ростом нагрузки энергии контура может не хватить для переключения, мартовской же похуй на это, все равно сердечник будет загоняться в насыщение. Но в плане кпд Мазилини лучше.

Аноним Пнд 21 Июл 2014 15:50:52  #589 №132867 DELETED

>>132776
>Воткнул бы в сосиску, лол.
Разогреет?

Аноним Пнд 21 Июл 2014 18:10:18  #590 №132902 

>>132867
х3. смотря сколько энергии в импульсах. Если переборщишь - разбрызгает по комнате

Аноним Пнд 21 Июл 2014 19:20:43  #591 №132910 

>>132902
Представил, как хуец разбрызгивается по комнате от разряда шокера, и обосрался.

Аноним Пнд 21 Июл 2014 19:22:55  #592 №132912 

>>132910
Тут где-то был один долбоеб с миостимулятором, вот ему туда по тихому побольше кондеров засунуть - будет прикол.

Аноним Пнд 21 Июл 2014 19:40:22  #593 №132917 DELETED

>>132910
А прикинь, как можно обосраться, если к пердаку приткнуть?

Аноним Пнд 21 Июл 2014 19:47:45  #594 №132923 DELETED

>>132917>>132912>>132910>>132902>>132867
Алсо, тред в бамплимите, пилю перекат.

sageАноним Пнд 21 Июл 2014 23:37:27  #595 №132962 
1405971447412.png

>>132923

Аноним Втр 22 Июл 2014 09:18:36  #596 №132989 DELETED

>>132962
Не понял твоего пика. Если ты так семёна детектил - то ты обосрался.

Аноним Втр 22 Июл 2014 21:32:39  #597 №133093 

>>132989
Где бамплимит, сучечки? Хуле картинки добавляются?

Аноним Птн 25 Июл 2014 09:00:35  #598 №133375 

>>133093
Бамплимит это миф.

Аноним Пнд 04 Авг 2014 12:02:38  #599 №134576 

>>133375
Нет, не миф.

comments powered by Disqus